在AI深刻颠覆软件工程流程的今天,装备系统工程也面临从需求分析、架构设计、设计建模到仿真验证的AI端到端流程重塑,为加速这一变革的到来,同元软控决定开源Sysplorer MCP Server,让AI Agent从调用工具走向全面使用系统建模仿真能力。
作为MWORKS平台中的系统建模仿真核心产品,Sysplorer基于多领域统一建模仿真语言标准Modelica,支持面向复杂装备产品的机、电、液、控、热等多领域系统设计建模、仿真验证与优化场景。
面向新一代装备工程智能研发工作流,同元软控即将推出并开源(与MWORKS 2026a SP1版本同期发布):
Sysplorer MCP Server
这将是MWORKS体系全面拥抱AI生态的重要节点。通过MCP(Model Context Protocol,模型上下文协议),Sysplorer将不再只是一个"工程师手动操作的建模仿真软件",而将进一步成为一个可被装备系统工程智能体调用的系统建模与仿真能力节点。
一、从"工具使用"走向"能力调用"
在AI时代,用户希望的不只是AI会操作软件,更希望AI可以做到:
- 理解模型上下文
- 读取参数与变量信息
- 自动执行仿真任务
- 自动分析结果
- 帮助定位模型问题
- 参与更长链路的研发流程
Sysplorer MCP Server的价值,正是在于把原本由建模专家的工作过程,升级为可被AI原生理解、调用和协同的标准化能力。
二、什么是 Sysplorer MCP Server
Sysplorer MCP Server是面向MCP协议的Sysplorer API服务化能力封装层。它将把Sysplorer中的关键对象与关键能力,以标准化方式开放给AI客户端。装备工程智能体、企业AI助手、Claude/CodeX/Gemini通用AI客户端等,都可以通过MCP协议连接Sysplorer,读取系统模型上下文,并在授权范围内调用仿真相关能力。
简单来说,它让Sysplorer具备三类新的AI原生能力:
1)系统建模能力开放
可让AI具备对模型库、模型组件、参数、变量等上下文的标准化读取能力:
- 库加载与文件管理
- 模型结构与组件层级
- 组件端口与连接关系
- 参数设置与变量获取
- 模型源码
- 模型与组件描述
- 私有库元数据索引
- Modelica·文档语料
2)仿真求解能力开放
可让AI具备对模型检查、翻译、仿真运行、结果提取、结果对比等核心流程的标准化调用能力:
- 编译检查(单个/批量)
- 模型翻译(C/C++代码生成)
- 仿真执行(自动/独立/实时)
- 仿真结果变量清单
- 结果时序数据(单点/批量)
- 结果可视化与动画
- Sysplorer运行时管理
3)流程编排能力开放
AI可以围绕Sysplorer参与更完整的装备工程研发任务,例如:
- 根据需求生成模型骨架
- 检查模型连接与参数完整性
- 定位仿真失败原因
- 自动生成分析摘要
- 组织参数扫描与批量实验
- 支撑系统级设计评审与知识沉淀
三、典型应用场景
场景一:工程模型库构建
1)提示词输入(可让AI生成):
我需要构建一个电动汽车热管理模型库 "EVThermalLib",包含以下组件:
-
电池包热模型(集总参数,含发热和冷却两个热端口)
-
水冷板模型(液冷,含进出口流体端口和一个热端口)
-
电子膨胀阀(制冷剂侧,含进出口和控制信号输入)
-
PTC加热器(电加热,含电气端口和热端口)
2)AI会把完整模型库构建出来,并自动对每个组件进行单元测试

场景二:系统模型开发
1)提示词输入(可让AI生成)
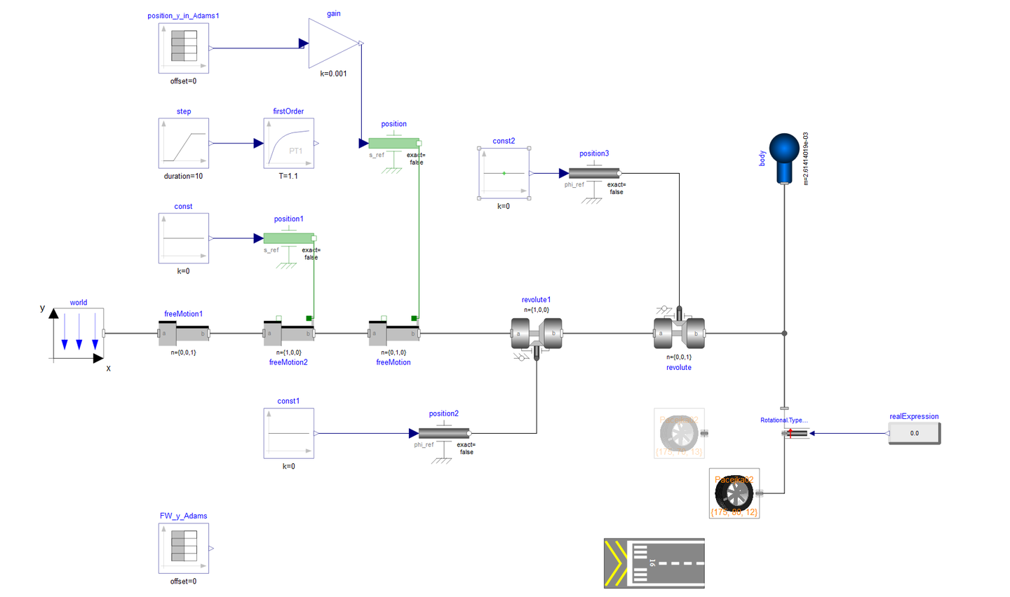
帮我构建一个四杆曲柄滑块结构模型,要求:
-
该模型由世界设置、2个固定端、3个转动副、1个平移副、2个平面切割铰以及4个通用刚体等模型组成,搭建为四杆曲柄滑块机构(两个关联的曲柄滑块机构)
-
使用TYMultibody产品库
-
需要仿真动画展示运动过程
-
仿真时间3秒,仿真步长0.001s
2)AI经过多轮迭代后会生成一个布局良好的系统模型,并自动仿真和展示动画过程

场景三:系统建模问题诊断与调试
1)提示词输入(可让AI生成)
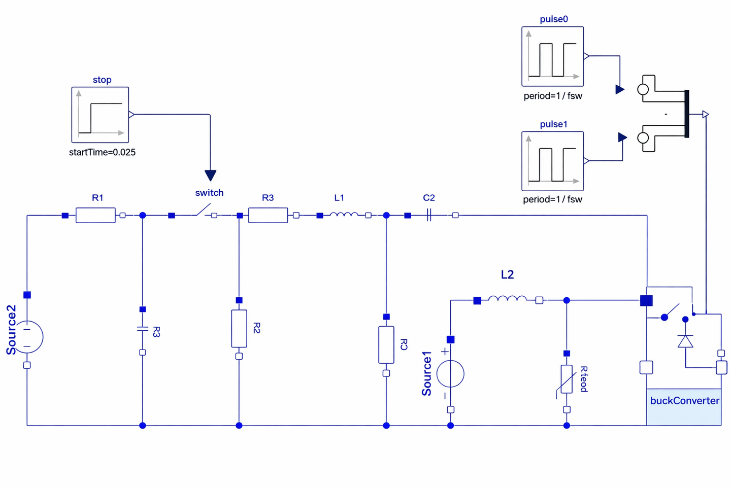
这个浪涌保护降压变换电路模型SurgeProtectionBuckConverter.mo跑不过,帮我修复它。

2)AI诊断与修复过程
分析翻译器错误
**· 错误信息:**编译器错误(6140): 模型中Real类型的方程有冗余, 如下集合中有1个多余方程。
列出的冗余方程全部是正常的电路方程:
-KVL回路方程:C2.v+buckConverter.S2.mOSFET.v+R1.v+switch.v+...
-KCL节点方程:buckConverter.dc_p1.i+varistor.resistor.i-L2.i-C2.p.i=0
-元件本构方程:L2.v= L2.i*L2.R+L2.L*der(L2.i)
**· 关键推理:**每个单独的方程都没问题,但系统整体"多了1个方程"。在电气电路中,这是缺少电位参考点(Ground)的经典特征。没有ground约束某一节点v=0,所有电压可以整体偏移一个任意常数,导致方程系统奇异。
**· 验证假设:**检查GND是否真正连接到了电路中。
**· 确认:**整个equation区段中没有任何connect(GND.p, ...) 语句。GND未连接到电路。接下来需要判断接到哪里。分析电路负极母线,找到电路中的公共负极节点:Searched for 1 pattern (ctrl+o to expand)
*varistor.n是电路负极汇聚节点,Source1.n、R4.n、buckConverter.dc_n1 全部汇聚于此。这就是电路的公共地。
**· 修复:**将GND.p连接到varistor.n。

场景四:系统模型结构与参数优化
1)提示词输入(可让AI生成)
按标定工具流程和Skills对项目中的轮胎模型进行标定,期望结果为target.csv,禁止修改轮胎结构、尺寸等参数。

2)AI按照"需求描述->标定case配置->仿真执行->目标函数评估->优化搜索->报告与产物输出"过程,完成了参数标定,可以看到标定前曲线、标定后曲线与期望曲线的对比

场景五:AI 融入企业研发流程
Sysplorer具备MCP能力后,它不仅能服务单个工程师,还可进入更大的企业研发体系,例如:
· 研发智能助手
· 模型知识检索系统
· 设计评审助手
· 试验分析助手
· 多工具协同设计平台
这意味着Sysplorer将从"系统建模仿真工具"进一步升级为企业智能研发体系中的关键能力节点。
四、面向未来的系统建模智能体基础设施
Sysplorer MCP Server 的推出,不只是增加一种接口方式,更重要的是,它将为未来的**系统建模智能体(Modeling Agent)**奠定基础。
在未来,围绕Sysplorer,我们希望逐步支持:
· 更自然的工程对话式建模
· 更自动化的系统分析与实验编排
· 更高效的模型复用与知识沉淀
· 更开放的多工具协同生态
· 更完整的系统设计闭环智能辅助
这将推动系统建模与仿真从"人主导的软件操作"走向"人机协同的智能工程流程"。
五、同元的下一步
同元软控始终关注工业软件在AI时代的演进方向。我们相信,未来优秀的工业软件不仅要"功能强",还要"可被智能体理解、调用和协同"。Sysplorer MCP Server正是我们在这一方向上的重要布局。
未来同元软控将进一步推动Sysplorer与MWORKS其他产品能力协同,以更智能、更开放、更易协同的方式,形成面向AI的更完整装备智能化工程能力体系。
六、结语
从专业到系统,从工具到平台,从软件到能力节点,MWORKS正在迈向一个新的阶段。
让装备系统工程,加速进入AI原生时代!