在智能汽车时代,高速可靠的通信网络是车辆的"神经中枢",而CAN FD收发器正是这个系统的核心组件。今天,我们自豪地向大家介绍杰盛微半导体推出的JSM1044T------一款完全对标国际型号TJA1044T的高性能CAN FD收发器,以国产芯片的卓越品质,为汽车电子设计提供更优选择。
一、国产芯片新突破:JSM1044T的技术定位
CAN FD(灵活数据速率)技术是传统CAN协议的升级版,将通信速率从1Mbit/s提升至5Mbit/s,满足现代汽车对大数据传输的需求。杰盛微JSM1044T正是基于这一趋势研发而成,完全符合ISO 11898-2:2016标准,可直接替换TJA1044T,无需修改现有设计。
核心兼容性保障:
-
引脚对引脚兼容,直接替换
-
电气参数一致,性能相当
-
封装规格相同(SOP-8/DFN-8)
-
软件驱动无需修改
这款芯片的诞生,标志着国产汽车芯片在高端领域取得重要突破,为国内车企供应链安全提供有力保障。
二、六大核心技术优势,彰显国产芯片实力
1. 极致低功耗,待机电流仅2.2μA
在新能源汽车对能耗极其敏感的今天,JSM1044T的待机模式电流低至2.2-5μA,支持总线远程唤醒功能。这意味着当车辆熄火后,控制节点可以进入"深度睡眠",当需要工作时能被立即唤醒,大幅提升能效表现。
实际应用价值:对于电动车来说,每个模块的微安级电流节省,汇总起来可显著延长待机时间。
2. 宽电压兼容,直连3-5.5V单片机
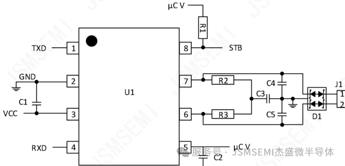
传统设计常需要额外的电平转换电路,JSM1044T内置Vio引脚,可直接适配主流单片机(如STM32、GD32、NXP S32K等),简化设计复杂度。下图展示其典型的5V应用连接方式:

3. 卓越EMC性能,无共模扼流圈稳定运行
汽车环境电磁干扰复杂,JSM1044T通过优化驱动对称性和接收器迟滞设计,在500kbit/s速率下无需共模扼流圈也能稳定工作。总线引脚耐压达±70V,ESD防护超过±15kV,轻松应对汽车恶劣环境。
4. 全面保护机制,确保系统可靠性
-
热关断保护:结温超165℃时自动关闭驱动
-
欠压锁定:Vcc或Vio异常时进入保护状态
-
TXD超时保护:防止软件故障导致总线锁死
-
短路保护:支持±115mA短路电流
5. 小尺寸封装,适合高密度设计
提供SOP-8和DFN-8(3×3mm)两种封装,后者厚度仅0.75mm,底部带散热焊盘,通过多过孔连接地平面,提升散热效率。特别适合域控制器等空间受限场景。
6. 汽车级质量,符合环保要求
全系列通过AEC-Q100认证,工作温度-40℃至125℃,满足汽车级可靠性要求。同时符合RoHS标准,为"深绿色"产品。
三、关键技术参数解析
JSM1044T在性能上完全不逊于国际型号,关键参数对比如下:
| 参数指标 | JSM1044T规格 | 技术意义 |
|---|---|---|
| 供电电压Vcc | 4.5-5.5V | 标准5V系统直接供电 |
| CAN FD速率 | 最高5Mbit/s | 比传统CAN快5倍 |
| 待机电流 | 2.2-5μA | 同级最优功耗表现 |
| 工作温度 | -40℃~125℃ | 全面覆盖汽车环境 |
| ESD防护 | ±15kV(总线引脚) | 超高防护等级 |
在时序性能方面,其总环路延迟(TXD到RXD)最坏情况下仅为220ns,确保CAN FD高速相位可靠通信。差分输出对称性误差小于10%,保障信号完整性。
四、典型应用场景详解
1. 车身控制系统
在车门模块、座椅控制、灯光系统等场景中,JSM1044T负责连接单片机与CAN总线。其低功耗特性使得车辆在锁车后,各模块能够以极低功耗监控总线唤醒信号,实现智能电源管理。
实际案例:某车企车门控制器采用JSM1044T后,待机功耗降低60%,同时保持了即时响应能力。
2. 智能座舱网关
作为域控制器核心,JSM1044T在信息娱乐域、动力域、车身域之间建立高速通信桥梁。其5Mbit/s的CAN FD速率保障了多媒体指令、车辆数据的实时传输。
3. ADAS传感器网络
雷达、摄像头、激光雷达等传感器通过JSM1044T上传数据至决策ECU。其高压防护特性(±70V耐压)有效防止车载电源波动导致的损坏。
网络拓扑设计:CAN总线需在两端配置120Ω终端电阻,必要时可采用分裂终端优化EMC性能:

五、设计实践指南
PCB布局关键要点
-
保护器件就近放置:TVS二极管、滤波电容应紧邻连接器,缩短噪声路径
-
电源去耦:Vcc和Vio引脚配置100nF陶瓷电容,采用双过孔连接地平面
-
信号完整性:TXD/RXD信号线可串联22-33Ω电阻阻尼振铃
优化布局对系统稳定性至关重要,下图展示推荐布局方案:

软件配置注意事项
-
模式切换:正常模式与待机模式切换时间约20-45μs,需在软件中预留延时
-
唤醒滤波:总线唤醒滤波器时间0.5-1.8μs,需匹配总线时序
-
超时设置:TXD主导超时设置1.2-4.0ms,防止总线锁死
六、测试与验证保障
杰盛微为JSM1044T建立了完善的测试流程,确保每颗芯片都符合汽车级质量标准。测试电路涵盖所有关键参数验证:

驱动能力测试确保在各种负载条件下稳定工作:
