一般来说可以使用一对开关管和一个L-C滤波器在实现这个功能,通过这些元件以不同方式或是在不同的位置连接,就可以构成多个拓扑结构。常见的有以下三种:

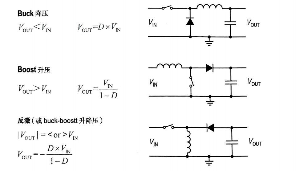
1.降压(Buck)电路
是最常见的电路拓扑结构,该拓扑结构是一个step-down转换器,因为输出电压必须低于电路输入电压才能工作。降压电路时三个基本电路中效率最高的。
开关管导通时间预期开关周期的比定义为占空比(D),它是一个可以在0到1.0之间变换的数字,因此可以通过控制占空比,使降压电路可以输出从零变化到VIN,但是作为稳压器,我们需要保持恒定的VOUT,这样需要对占空比进行控制,让其不受VIN或其他电路参数影响。
2。升压(Boost)
被称为step-up转换器,输出电压必须大于输入电压才能工作,该电路中的电感是直接连接到输出负载,所以无论开关是关断还是导通电感电流都可以持续的流向输出端。
3.反激式(Flyback)
该电路不需要考虑输入和输出电压之间的关系。但是输出电压将与输入极性相反。有时候被称为Buck-Boost转换器,因为它可以实现人后形式的电压转换,但他非隔离的形式一般作为极性反相器。
在Boost和Flyback,在开关导通时,输入电流流向电感,能量存储在增加的磁场中,整流二极管截止,所以没有电流流向负载,输出县衙仅由输出电容放电维持。当开关断开时,电感上的电压极性反转,电流流向输出端,同时给输出电容放电。在两步过程产生更高的峰值电流,所以在大功率场合影响效率。
在这三种基本拓扑应用中还需要考虑如下几个额外特性:
1:开关管在Boost和Flyback电路中,是与输入电压源串联,输入电流会以开关频率的数据被斩波(输入电流不连续),因此需要对输入线路进行滤波,减少RFI噪声的产生。
2.在Boost和Flyback中,当开关管导通时,整流二极管输出滤波电容的充电电流,电容的交流AC电流将会大大增加,输出端可能会产生开关噪声。
3.虽然Buck电路时效率最高的拓扑结构,但当降压比大大超过10:1时,它会丢掉高效率的优势,因为低的占空比意味着更高的峰值电流。
4.三种拓扑结构都不具有高压安全隔离功能,因此它们主要用于较低的电压应用中。
除此以外还有两个比较好的拓扑:
第一个组合了Buck和Boost电路:该电路将Buck的输入端和Boost的输出端进行组合,并在中间共用一个电感结合起来。主要优点时将输出电压调节到一个固定的值,同时输入电压可以在高于或者低于输入电压范围连续变化。一个重要的应用时锂电池充电。缺点时元件数量多,增加导通损耗,需要给两个功率开关管提供单独的栅极驱动电路

第二个时组合了Boost和Flyback的变换器,称为SEPIC电路,是一个单端原边电感转换器。该电路通过对地参考的开关管来实现输出高于或者低于输入电压工作,有意开关管对地,简化了栅极驱动,电感在输入端,可以更容易滤掉输入端噪声,并且通过串联电容可以提供浪涌电流控制和实现短路保护。串联电容将钳位两个半导体器件(开关管和整流二极管)

4.在基础上增加变压器
开关电源拓扑下一步衍生是在Buck和非隔离时Flyback结构中引入一个变压器。把带变压器的Buck电路拓扑名称改为"正激"变换器,保留反激变换器名称。
在正激变换器中,每个周期产生的能量脉冲即时的传递到输出,在反激式变换器中,每个脉冲能量暂时存储在磁芯中,然后释放到输出。

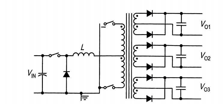
优点:增加的变压器可以实现安全隔离,并且输出极性可以调整。原边和副边绕组之间的匝数比(N=N2/N1)可以方便的实现电压调节。也可以将多个副边绕组耦合到变压器中,实现多个电压输出。
单个开关管结构的局限性之一时,开关管在一个方向上驱动变压器,所以变压器需要一个复位机制,磁通量需要返回起始点,常用解决方法时使用与能量脉冲相等的伏秒复位,但也限制了最大占空比。
5.多开关拓扑
随着功率增加,对于半导体限制,可以使用读个功率开关管分摊所需要的总功率。
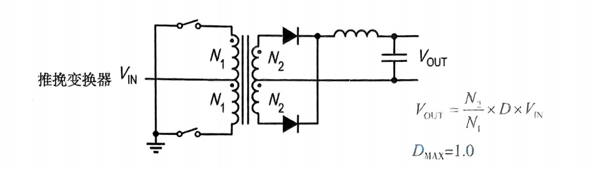
一,推挽电路
好处:在两个方向上驱动变压器,所以不需要额外复位电路,同时占空比可以接近100,但不能等于100,因为需要预留一定时间来确保两个开关管不会同时导通。两个电源开关管在两均以地为参考点,所以栅极驱动得到简化,变压器的磁芯在两个方向上被磁化,能够更充分的利用磁性。
缺点:当一个开关管导通,全部输电压会跨接在一半的原边绕组上,该电压会耦合在原边绕组的另一半上,这会使得关断的开关管上会承受两倍的输入电压。而原边绕组结构不完全一致,漏感和/或变压器饱和会导致可能存在瞬间高压或者振铃。(除非采用电流模式控制)

6.直流变压器
对于任何变换器,在最大占空比下有最大转换速率,因为此时峰值电流最小。于是当去掉PWM并让电路在最大占空比下运行,输出增益方程可以简化为
并且这个方程在直流输入下也有效,在保持高转换效率来改变直流电压,同时还有一个变压器可以提供匝比和隔离。但它总是工作在一般开关频率,因此,可以将该电路准确描述为不受低频限制的变压器。
但是这种拓扑里面没有线路调节功能(VOUT随着VIN变化),兵器负载调节也仅有推挽功率器的输出阻抗决定。
7.电流馈式推挽变换器
结合它Buck和推挽结构,但这个组合可以省掉输出的独立电感
这种拓扑结构与具有巨顶占空比的降压转换器驱动推挽式输出相同,但是它消除了降压级的输出电容。由于中心抽头变压器的输入是电感,因此驱动变压器的是电流而不是电压。这是一个正激变压器,因此该电流馈送到输出端,从而消除了哥哥输出独立电感的需求。
特征:在电流馈送的情况下,必须改变推挽开关的固定占空比。在两个开关管都断开情况下,如采用点啊驱动,需要将占空比设置为略低于100%,这样当两个开关管关断时,留下一个死区时间。但限制是电流驱动,必须将占空比设置为稍微大于100%,一边当两个开关管都关断时存在一个小的重叠时间。
优点:
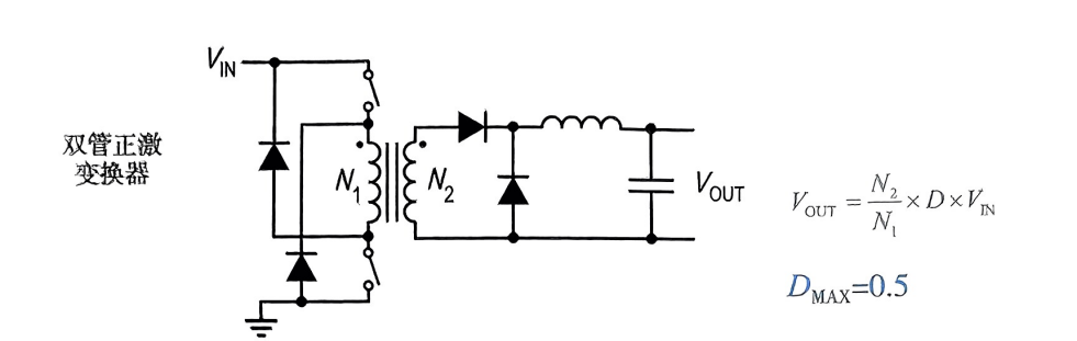
8.双管正激拓扑
使用两个功率开关管,一直时中等功率应用中广泛使用的解决方案:

在这个拓扑中,两个功率开关管同时被PWM驱动,并且变压器的原边绕组在探秘之间浮动。
优点:开关管承受的电压输入电压再加上两个二极管导通压降,电压应力小;变压器绕组不需要中心抽头,变压器复位有保障;复位能量不会损失,而是循环到电源中。
限制:50%最大占空比意味这更高的峰值电流;变压器仅在第一象限运行;高端开关管讯在,其驱动变得复杂;输入电容和输出电容将会看到较高的交流电流有效值。
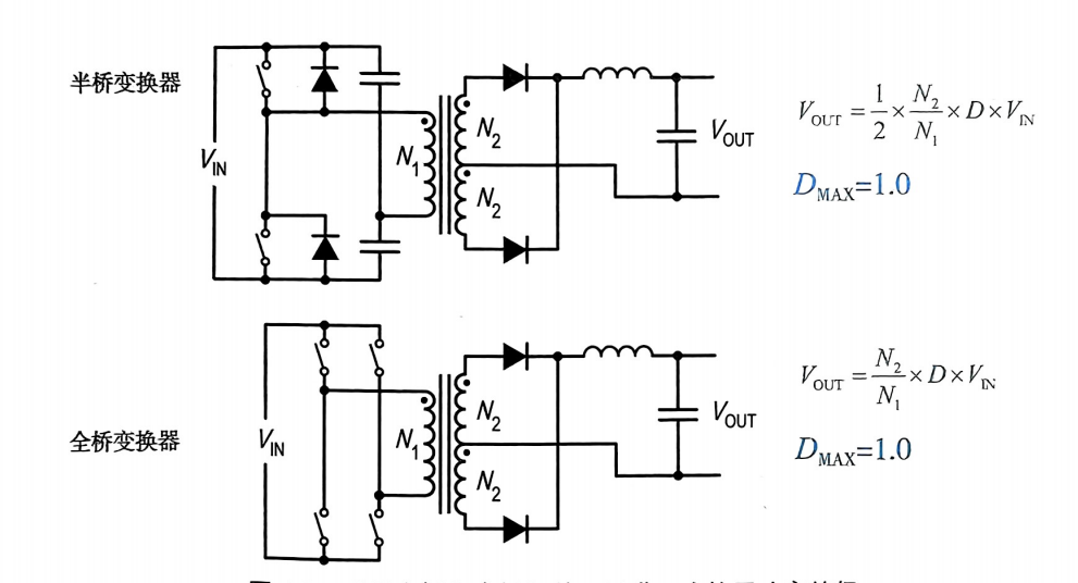
9.处理高功率等级的桥式拓扑
由于最大占空比限制和变压器利用率较低,双管正激拓扑结构固有低效等可以通过桥式拓扑解决。

对于这两个电路,变压器原边绕组通过交替开关在两个方向上对称地被驱动,导致变压器的完全复位并实现磁芯最大化利用,开关管和变压器以PWM开关频率一半工作。在电源开关交替工作情况下,100%最大占空比命令对于每一个开关管而言只有50%,因此一个完整的周期需要两个PWM周期。
半桥的两个电容作用是在中点处形成电源电压一办的交流地。全桥拓扑能提供半桥方案两倍功率。
两种拓扑结构面临同一个问题时变压器必须对称驱动,以防止在变压器原侧出现伏秒不衡,磁通逐渐会"增加"或将磁通积分到饱和。可以通过在原边中串联一个耦合电容或者使用电流模式控制。
如图是基本开关电源拓扑及其关键性能对比
