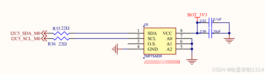
查看原理图

TMP75AIDR和RK3568采用I2C通信,使用I2C5。
根据TMP75AIDR芯片手册知道I2C地址是由A0 A1 A2决定的。
此原理图芯片I2C地址是0x48。
内核支持
内核中已经有该芯片的驱动支持,使用的是hwmon子系统实现的驱动。
驱动源码位置:kernel/drivers/hwmon/lm75.c
源码文件中定义了支持的设备:
c
static const struct of_device_id lm75_of_match[] = {
{ .compatible = "adi,adt75", .data = (void *)adt75 },
{ .compatible = "dallas,ds1775", .data = (void *)ds1775 },
{ .compatible = "dallas,ds75", .data = (void *)ds75 },
{ .compatible = "dallas,ds7505", .data = (void *)ds7505 },
{ .compatible = "gmt,g751", .data = (void *)g751 },
{ .compatible = "national,lm75", .data = (void *)lm75 },
{ .compatible = "national,lm75a", .data = (void *)lm75a },
{ .compatible = "national,lm75b", .data = (void *)lm75b },
{ .compatible = "maxim,max6625", .data = (void *)max6625 },
{ .compatible = "maxim,max6626", .data = (void *)max6626 },
{ .compatible = "maxim,mcp980x", .data = (void *)mcp980x },
{ .compatible = "st,stds75", .data = (void *)stds75 },
{ .compatible = "microchip,tcn75", .data = (void *)tcn75 },
{ .compatible = "ti,tmp100", .data = (void *)tmp100 },
{ .compatible = "ti,tmp101", .data = (void *)tmp101 },
{ .compatible = "ti,tmp105", .data = (void *)tmp105 },
{ .compatible = "ti,tmp112", .data = (void *)tmp112 },
{ .compatible = "ti,tmp175", .data = (void *)tmp175 },
{ .compatible = "ti,tmp275", .data = (void *)tmp275 },
{ .compatible = "ti,tmp75", .data = (void *)tmp75 },
{ .compatible = "ti,tmp75c", .data = (void *)tmp75c },
{ },
};
驱动通过I2C子系统注册:
c
static struct i2c_driver lm75_driver = {
.class = I2C_CLASS_HWMON,
.driver = {
.name = "lm75",
.of_match_table = of_match_ptr(lm75_of_match),
.pm = LM75_DEV_PM_OPS,
},
.probe = lm75_probe,
.id_table = lm75_ids,
.detect = lm75_detect,
.address_list = normal_i2c,
};
module_i2c_driver(lm75_driver);
驱动提供的功能:
- 温度读取(支持9-12位分辨率)
- 温度上限设置
- 温度滞后设置
- 通过hwmon子系统暴露到用户空间
- 支持设备树自动探测
配置内核使能支持TMP75AIDR
c
Device Drivers --->
<*> Hardware Monitoring support --->
<*> National Semiconductor LM75 and compatibles
内核配置项,确保其值等于y:
CONFIG_SENSORS_LM75=y
配置选项定义文件:kernel/drivers/hwmon/Kconfig
编写设备树节点
c
&i2c5 {
...
...
tmp75aidr: tmp75@48 {
compatible = " ti,tmp75";
reg = <0x48>;
status = "okay";
};
};
-
compatible属性:值必须为ti,tmp75
-
reg属性:设备的i2c地址,根据原理图得知其值是0x48。
-
status值必须是okay,表示已启用。
编写配置好设备树节点,重新编译内核。
用户空间访问
驱动加载后,会在sysfs中生成相应节点,可直接通过如下方式读取温度:
shell
root@M3:~# ls /sys/class/hwmon/hwmon0/
device of_node subsystem temp1_max uevent
name power temp1_input temp1_max_hyst update_interval
# 查看hwmon设备
ls /sys/class/hwmon/
# 读取温度值
cat /sys/class/hwmon/hwmon0/temp1_input
temp1_input temp1_max_hyst update_interval
# 查看hwmon设备
ls /sys/class/hwmon/
# 读取温度值
cat /sys/class/hwmon/hwmon0/temp1_input