摘要:本文面向电源硬件工程师,深度解析芯茂微LP3798EXM集成SiC功率管的原边反馈CV/CC控制器,从方案对比、核心特性、保护机制、选型、PCB设计、实战计算、调试避坑全维度讲解,提供可直接落地的中小功率适配器/充电器设计方案,替代传统光耦+TL431方案,降低BOM、提升效率与可靠性。
一、产品概述
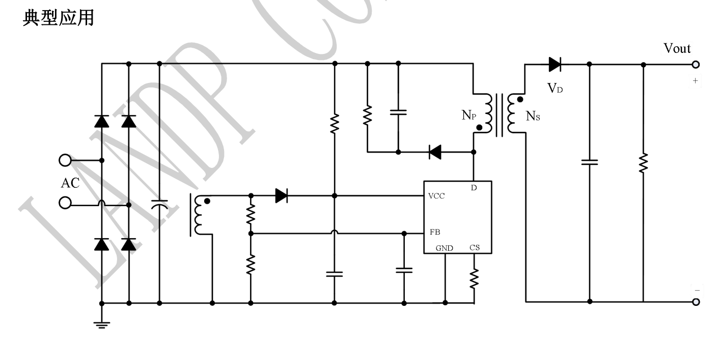
LP3798EXM是深圳市芯茂微电子推出的原边控制隔离型SiC恒压恒流控制器 ,内置>750V SiC功率管,采用原边采样+退磁时间检测算法,可工作在恒压/恒流双模式,支持DCM/CCM兼容运行。
相比传统副边反馈方案,无需光耦、TL431、外部环路补偿,外围极简、待机功耗<75mW、EMI与音频特性优异,适合12W~36W充电器、适配器、恒压恒流电源。

二、与传统硅基原边控制器核心差异对比
LP3798EXM最大价值是SiC集成+原边高精度+多模式稳定,下表为工程师最关心的量化对比:
| 对比项 | 传统硅基原边控制器 | LP3798EXM(SiC集成) | 工程师收益 |
|---|---|---|---|
| 功率管 | 外置MOS,需选型/耐压/散热 | 内置750V SiC,免选型 | BOM减少、 layout简化 |
| 反馈结构 | 部分仍需光耦/TL431 | 纯原边反馈,全免 | 成本降≈30%,长期可靠性提升 |
| 工作模式 | 多为DCM,重载能力弱 | CCM+DCM自动切换 | 大功率输出不炸机、效率更高 |
| 待机功耗 | 通常>150mW | <75mW | 满足六级能效 |
| EMI性能 | 普通抖频,易超标 | 数字台阶抖频 | 传导易过认证 |
| 恒流精度 | CCM下偏差大 | 中心点检测,全模式高精度 | 充电不跳档、不烧负载 |
| 保护完整性 | 保护少,易缺项 | 10+重硬件保护 | 批量不良率大幅降低 |
三、核心技术特性(原理+实战价值)
3.1 高度集成化设计
- 内置>750V SiC功率管:SiC开关损耗远低于硅MOS,高频工作发热更低、允许更小体积;耐压冗余足,适合宽电压90~265VAC。
- 原边反馈免光耦/TL431:光耦存在温漂、老化、寿命问题,TL431增加分压网络;LP3798EXM直接从辅助绕组采样,长期稳定性更强。
- 内置补偿/软启动/线补:外部无补偿电容电阻,设计周期缩短。
3.2 多模式工作机制(为什么必须支持CCM+DCM)
- 只支持DCM:大功率输出时变压器利用率低、峰值电流大、发热高、功率做不大。
- LP3798EXM自动三段式控制 :
- 重载:定频100kHz,峰值电流控制,输出强劲稳定
- 中载:变频降频,兼顾效率与EMI
- 轻载/空载:最低125Hz,工作电流仅420μA,实现超低待机
3.3 高精度输出特性
- 恒压:FB基准2.50V,闭环误差小,空载/带载电压波动小。
- 恒流 :采用CS电压中心点检测+固定退磁占比,CCM模式下仍能保持高精度,解决传统原边CCM恒流差的痛点。
- 线补36μA:长导线充电时,补偿线损,保证末端电压达标。
3.4 EMI与音频特性(实测价值)
- 多位数字台阶抖频 :周期128μs、幅度±3%,能量分散,150kHz~30MHz传导更容易过认证,无需大量吸收电路。
- PFM变频避开音频段:无刺耳噪音,适配器/充电器用户体验更好。
四、完整保护机制(触发条件+保护行为+排查方向)
工程师最关注:触发后怎么动作、出问题查哪里,本表直接落地:
| 保护类型 | 具体功能 | 触发条件 | 保护后行为 | 常见排查方向 |
|---|---|---|---|---|
| 电源保护 | VCC过压 | VCC>37V,3周期 | 打嗝重启 | 辅助绕组匝数过多、VCC电容失效 |
| VCC欠压 | VCC<11.6V | 停止输出 | 启动电阻太大、辅助绕组供电不足 | |
| 输入保护 | 输入欠压 | FB电流<880μA,持续32ms | 打嗝重启 | 前端整流/滤波异常、输入线压降大 |
| 输出保护 | 输出短路 | FB<1.0V,持续48ms | 打嗝重启 | 输出电容击穿、次级短路 |
| 输出过压 | FB>3.0V,3周期 | 打嗝重启 | FB分压电阻开路、变压器匝比错误 | |
| 引脚保护 | FB开短路 | IFB<80μA 或 FB>3.0V | 打嗝重启 | FB电阻虚焊、走线干扰 |
| CS开路 | CS>3.0V | 打嗝重启 | CS电阻虚焊、走线断 | |
| CS短路 | 前6周期CS<30mV | 立即保护 | CS电阻短路、PCB连锡 | |
| 功率保护 | 电感过流 | CS>1.2V | 立即保护 | 变压器饱和、CS电阻选小 |
| 最大导通时间 | Ton>25μs | 保护 | 低压重载、占空比超限 | |
| 温度保护 | 过温OTP | 结温>150℃ | 停振,降至120℃恢复 | 散热铜皮太小、环境温度高 |
特殊说明 :CS短路保护仅前6周期有效,是为了避开开机毛刺误触发,属于 intentional design,非缺陷。
五、型号与功率选型指南(含5V/9V/12V通用)
LP3798EXM四款型号区别仅在SiC导通电阻,Rds(on)越小,散热越好、功率越大。
| 型号 | SiC参数 | 90~265VAC | 176~265VAC | 封装 | 适用场景 |
|---|---|---|---|---|---|
| ELM | 750V/5.0Ω | 12V/1A(12W) | 12V/1.5A(18W) | EHSOP8L | 小功率充电器 |
| EAM | 750V/1.5Ω | 12V/1.5A(18W) | 12V/2A(24W) | EHSOP8L | 手机/平板适配器 |
| EBM | 750V/1.2Ω | 12V/2A(24W) | 12V/3A(36W) | EHSOP8L | 大功率(大外壳) |
| ESM | 750V/1.0Ω | 12V/2A(24W) | 12V/3A(36W) | EHSOP8L | 小体积高密度 |
选型快速决策
- 做5V/4A(20W):选EAM/ESM
- 做12V/3A(36W)小体积:必须选ESM(Rds最小,发热最低)
- 做9V/2A~3A:EAM/ESM均可
- 输出电压范围:5V~24V 均支持(通过FB分压配置)

六、12V/3A(36W)实战设计计算(直接照抄可用)
6.1 变压器匝比计算
- 输出:12V/3A,辅助绕组VCC≈20V
- 匝比推荐:NP:NS:NA = 60:7:8
- 公式:Vo = (VFB_REG × (RFBH+RFBL)/RFBL) × NS/NA - Vd
6.2 FB分压电阻计算
VFB_REG=2.5V,取RFBH=10kΩ,RFBL=2.7kΩ(标准阻值)
6.3 CS采样电阻计算
Io=3A,VREFCCP=0.255V,NP:NS=60:7
Rcs = VREFCCP × NP / (Io × NS) ≈ 0.47Ω(1206封装)
6.4 VCC与启动电阻
- VCC电容:10μF/50V,紧靠VCC-GND
- 启动电阻Rst:2×220kΩ/1206串联(启动电流≈2μA,低功耗)
七、关键电气参数(工程师重点解读)
| 参数 | 典型值 | 工程师解读 |
|---|---|---|
| 启动电流 | 2μA | 启动电阻可大幅加大,待机功耗更低 |
| 轻载工作电流 | 420μA | 满足六级能效空载要求 |
| FB基准 | 2.50V | 恒压核心基准,精度决定输出电压 |
| 恒流基准 | 0.255V | 直接决定输出电流,不可调 |
| 最大频率 | 100kHz | 开关频率适中,变压器易设计 |
| 软启动 | 13.5ms | 内置固定,防上电冲击,无需外部调整 |
| 过温 | 150℃(结温) | 壳温建议控制<105℃,留足余量 |
八、PCB设计实战要点(可直接执行)
8.1 必须遵守的布局规则
- VCC旁路电容:贴紧VCC与GND,距离<1mm
- FB分压电阻:紧靠FB引脚,节点远离原边开关节点(D极),距离≥5mm
- CS采样电阻:地线独立,走线短直,长度<3mm,宽度≥1.5mm
- 功率环路最小化 :
- 原边环路:母线电容→D极→变压器→GND
- 副边环路:变压器→二极管→输出电容→GND
环路越小,EMI越好
8.2 SiC散热要求
- EHSOP8L底部散热焊盘必须开窗上锡
- 焊盘连接≥100mm²铜皮,建议2~4个过孔到背面
- 小体积用ESM,必须保证散热通道
九、设计调试常见问题与解决方案(工程师避坑)
-
空载电压偏高
原因:辅助绕组匝数偏多、FB分压不准
解决:微调RFBH/RFBL比例,降低匝比
-
恒流不准,CCM偏差大
原因:CS电阻温漂、变压器漏感大
解决:用1%高精度电阻,优化变压器绕制
-
EMI传导超标
原因:功率环路大、无抖频、吸收不足
解决:按PCB规则优化,芯片抖频默认开启,可加RC吸收
-
VCC过压保护
原因:辅助绕组匝数过多、空载VCC飙升
解决:减少1~2匝辅助绕组
-
轻载啸叫
原因:频率进入音频段
解决:优化变压器浸漆,芯片PFM模式已避开音频点
十、典型应用场景
- 5V/9V/12V手机/平板充电器
- 笔记本电源适配器
- 智能家居/小家电内置电源
- 工业控制小功率辅助电源
- LED恒压驱动电源
十一、总结
LP3798EXM是SiC集成+原边高精度 的高性价比方案,彻底替代传统光耦+TL431架构,在12W~36W宽电压应用中,实现BOM简化、效率提升、可靠性增强、EMI易过认证。
对于追求小体积、低成本、高能效的充电器/适配器设计,是非常成熟的量产级选择。
你在原边反馈电源设计中遇到过哪些调试难题?欢迎评论区交流。
对方案更详细资料、参考设计、BOM清单、变压器规格书感兴趣,可私聊。