进入AI时代,智能录音卡、录音豆等新一代轻量化AI录音设备 ,以便携无感、智能转写、高效整理、安全可靠为核心优势 ,正快速成为商务办公、教育培训、法律合规、媒体采访等领域的标配生产力工具,助力个人与组织实现声音信息的精准记录、智能加工、安全留存与高效复用。
作为AI驱动的随身记录终端,智能录音卡突破传统录音笔的功能边界,集高清拾音、实时转写、多语种翻译、声纹区分、AI要点提取、数据加密 于一体,以卡片式、豆式微型化设计实现无感佩戴与随手启用,让每一次沟通都可被清晰留存、规范管理,显著降低信息损耗与整理成本,全面提升沟通与协作效率 。

图1 AI智能录音卡使用场景
针对这一趋势,艾为电子 推出智能录音卡应用方案 (如下图2所示),提供电源管理、智能检测、人机交互、主控辅助 等场景的全方位产品组合。

图2 艾为智能录音卡应用方案
01
全方位电源管理方案

图3 AW32012A典型应用图
- 单节锂离子 / 聚合物线性充电芯片,集成电源路径管理
- 输入电压范围:-5V~28V,具备高输入过压保护能力
- 充电电流:2mA~500mA 可配置;充电电压精度 ±0.5%
- 超低静态电流:电池端静态电流约 5μA
- 支持船运模式、预充、恒流/恒压、截止控制
- 全功能保护:过压、过流、过温、电池反接保护
- 超小晶圆级1.4mm×1.4mm×0.63-9B封装
- 适合于穿戴、TWS、AI眼镜等

图4 AW35111S典型应用图
- 单通道 P 沟道 MOSFET 负载开关,带压摆率控制
- 输入电压:1V~5.5V;最大持续电流:2A
- 导通电阻:3.3V时典型值64mΩ
- 快速输出放电功能,防止输出悬浮
- 超小 WLCSP 0.618mm×0.618mm-4B封装
02
人机交互

图5 AW21104典型应用图
- 4 通道可编程 RGBW LED 驱动芯片
- 独立 8 位电流控制(0~25.5mA)与 8 位 PWM 调光
- 3 组程序执行引擎,支持自主灯效运行
- 输出闲置时自动进入省电模式
- I2C 接口(1MHz);4 个引脚可选 I2C 地址
- 电流精度 ±5%,通道一致性 ±2%
- 供电:2.7V~5.5V
- 超小 FOWLP 1.62mm×1.22mm 封装

图6 AW88084典型应用图
- 单声道数字输入智能 K 类音频功放
- 支持 I2S/TDM 数字音频接口;采样率 8kHz~96kHz
- 低输出噪音:约 9μV;高电源抑制比
- 爆音 / 咔嗒声抑制;优异 TDD 噪声抗干扰能力
- 集成保护:短路、过温、欠压保护
- I2C控制接口;外围器件极简
- 供电:3.0V~5.5V;适用于可穿戴、智能设备
03
智能检测

图7 AW96303典型应用图
- 3通道容式检测
➢ 自容/互容检测技术
➢ 容值检测精度低至0.52aF
➢ 容值偏置补偿最高440pF
➢ 自动电容补偿
➢ 自适应温度补偿
➢ 可配置多个判断阈值
➢ 有效防水,大禹防水算法® - 1.2V/1.8V 400kHz I2C interface
- 低功耗模式:
➢ Active mode: 18.1μA
➢ Doze mode: 9.7μA
➢ Sleep mode: 7.9μA
➢ Deep-sleep mode: 6.1μA - 电源范围:1.65V~3.6V
- 纤小的FCDFN:1.6mm×1.0mm-8L封装

图8 AW89403典型应用图
- 4 通道高性能音频模数转换器
- 24 位分辨率;采样率最高 96kHz
- 高信噪比:典型值105dB(Sum off);总谐波失真加噪声:典型值 - 95dB
- 可编程增益:-6dB~36dB;数字音量控制
- 支持差分/ 单端输入;可编程麦克风偏置
- I2C 适用控制接口与 I2S/TDM 音频输出
- 适用于语音采集、智能音频、机器人等场景
04
主控辅助

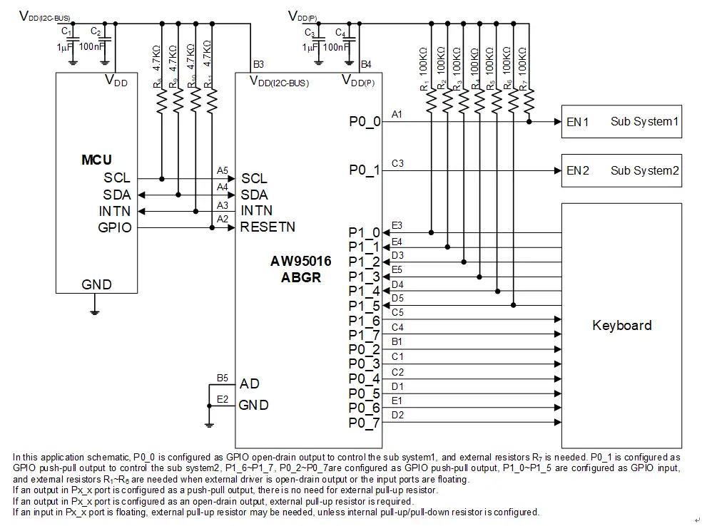
图9 AW95016A典型应用图
- 16 通道通用 GPIO 扩展控制器
- 双电源供电:内核 / GPIO 供电与 I2C 总线独立供电
- 每通道可独立配置输入 / 输出,驱动强度可编程
- I2C/SMBus接口 (1MHz);开漏中断输出
- 内置可配置上拉/ 下拉电阻
- 集成ESD保护;低功耗设计
- 纤小BGA 3.0mm × 3.0mm × 0.86mm - 24B封装
- 用于消费电子、工业、车载等IO 口扩展

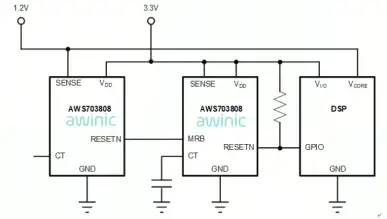
图10 AWS703808典型应用图
- 低功耗、可编程延迟的电源监控 / 复位芯片
- 工作电压范围:1.0V--5.5V,低电源电压下仍保证有效复位输出
- 复位阈值电压、复位延迟时间可编程配置
- 超低工作电流:典型值< 2μA
- 带消抖的手动复位输入(兼容 TTL/CMOS电平)
- 支持电源失效/低电量预警检测
- WBSOT23-6L(1.25mm)小型化封装,适用于便携与电池供电设备
随着数字化办公与 AI 技术普及,轻量、智能、一体化的智能录音设备已从专业工具转变为全民刚需。未来,智能录音卡将持续深化 AI 能力与场景适配,以更稳定的性能、更安全的机制、更流畅的协同体验,成为数字化时代高效沟通、智能记录、合规管理、知识沉淀的可靠伙伴,艾为电子也将持续推出更多适配产品,助力赋能千行百业数字化升级。