声明:本人跟随b站江科大学习,本文章是观看完视频后的一些个人总结和经验分享,也同时为了方便日后的复习,如果有错误请各位大佬指出,如果对你有帮助可以点个赞小小鼓励一下,本文章建议配合原视频使用❤️
如果你也正在学习STM32可以订阅本专栏,后续将不定期更新( ˘ ³˘)❤️
如有侵权,请私信联系删除
文章目录
前言
- SPI相较于IIC感觉容易不少,但是SPI相较于IIC来说,使用会更加频繁,所以掌握SPI是必要的
- 掌握SPI时序结构,认识W25Q64和清楚Flash读写注意事项
- 主要了解SPI是如何交换字节的,移位寄存器是如何和缓存器打配合实现连续交换字节
- 知道SPI外设的基本配置参数和寄存器,知道连续传输和非连续传输的优缺点,重点要求掌握非连续传输
- 学会翻转GPIO来模拟软件实现SPI,也要学会使用库函数配置SPI片上外设来实现硬件模拟SPI
理论部分
1.spi简介

- 优点 :通讯速率快;缺点:资源浪费较多,通信线多
- SCK可能还叫SCLK,MOSI和MISO可能还叫DO(Data Output)和DI(Data Input),SS也可能叫NSS(Not Slave Select)或者CS(Chip Select)
2.spi硬件电路

- 主机和从机需要共地,图中没画出来,而且若从机没有供电,主机还需要额外引出VCC给从机单独供电
- 图中箭头表示数据的传输方向,比如MISO的那根线指向主机,表示主机接收数据,也就是MI(主机输入),从机就是SO(从机输出)
- 主机想和哪个从机通信,把对应的SS线置0就可以了
- 主机最多只能同时和一个从机通信
- GPIO配置为推挽输出,由于推挽输出高低电平都具有较强的驱动能力,所以其电平翻转十分迅速,所以spi传输信号的速度就很快
- 在SS置1时,由于MISO全部位于推挽输出存在冲突,所以协议里规定此时MISO全部处于高阻态,也就是引脚啥也不输出,当SS置0,时,才恢复推挽输出的状态,此过程由从机自动处理,无需写入代码里面
3.移位示意图(内部工作原理)
由于spi是高位先行,所以规定SCK的上升沿让主机和从机的移位寄存器都是向左移位,并将多出的一位置于MO和SO引脚上,然后规定SCK的下降会对处于引脚上的位进行采样输入,使移出的位又分别移入移位寄存器的最右边,以此围绕成一个圈循环

上升沿之后

下降沿之后

下一个上升沿之后

以此类推循环,最后就是主机和从机移位寄存器里的数据实现了交换,这样就是实现了主机同时接收数据又同时发送数据的目的,如果主机只想发送或者接受,依然执行这个交换单元,然后不看主机接受的内容或者发送的内容就行了
4.spi时序结构
起始和结束
SS低电平期间与主机进行通信,开始拉低表开始,最后拉高表结束

交换一个字节(模式1)
这里有两个参数分别是CPOL(Clock Polarity)时钟极性和CPHA(Clock Phase)时钟相位,两个参数都有0和1可供选择,所以spi就有四种交换字节模式,这里以模式一为例(实际上模式0使用的更多),和上面移位示意图是一致的,模式0和1的区别就在于模式0数据交换提前了,也就是相位提前了,所以模式0需要在SS下降沿时就将数据移出,才能在SCK上升沿采样数据时移入了
强调:CPHA决定的是在第一个时钟采样移入还是在第二个时钟采样移入,而不是上升沿移位或者下降沿移入,当然在CPOL相同时确实有点像CPHA决定了上升沿移入还是下降移入,就像模式0和1一样,所以也可以理解为两个参数共同决定了是上升沿移入还是下降沿移入


5.spi和iic的区别
iic一般是第一个字节包括从机地址和读写位,后面才是数据,也就是读写寄存器模型
spi则是指令码加读写数据模型,也就是交换发送给从机的第一个字节为指令码,在spi中会给从机定义一个指令集,需要从机干什么,发送对应指令码就行,不同指令有不同数据个数,这个指令集就记录了,什么指令从机该实现什么功能,什么指令后面要跟上什么数据
6.spi指令的波形
发送指令
SCK低电平期间变换数据,高电平期间读取从机和主机的数据,下面这个波形就展示了主机使用0x06换来了从机的0xFF,0x06是商家写好的指令,这里表示写使能,最终0xFF这个数据对主机没啥用,该波形仅起到发送数据给从机的作用,从机接受到数据之后对照指令集发现是写使能,便执行其对应的功能

指定地址写指令
写指令之后的字节为地址高位,也就是0x02之后的0x12为地址23到16位,然后后面三个字节从机收到的地址为0x123456,最后表示从机在0x123456这个地址写入了0x55

指定地址读指令
从机先收到读指令0x03,然后在指定地址0x123456处读地址,然后最后一个字节是主机用0xFF和从机交换0x55,也就是从机把0x55发给了主机

7.W25Q64
简介

- 160MHZ和320MHZ分别是双重和四重spi模式 ,双重是同时使用MOSI和MISO发送,四重则是除此以外芯片还多加了两个引脚
- 24位地址寻址的最大容量是16MB,W25Q256比较特殊拥有3字节和4字节地址两种模式,使用4字节地址模式才能读到32MB
硬件电路

- WP高电平不保护可以写入,低电平则不能
- HOLD置低电平,也就是维持当前spi总线和时序的状态,用spi继续操作其他器件,操纵完成之后HOLD置高电平回来继续当前时序
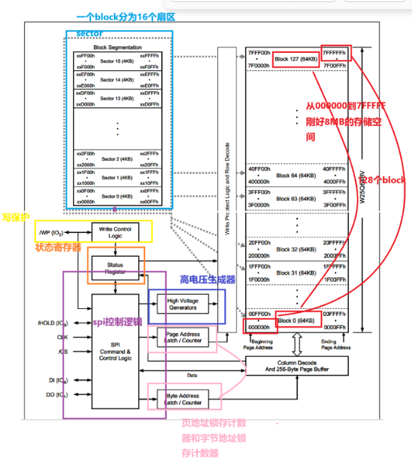
框图

- 存储器地址划分:8MB的空间以64kb为最小单元分为128个block,一个block又以4kb为最小单位分为16个sector扇区,然后对扇区又以256个字节为最小单位分为16页page
- Flash掉电不丢失原理:用高电压生成器刺激使其无论通不通电(类似于烧坏了,通不通电都无所谓)都能够留下数据,所以每次覆盖Flash的数据时候,都需要先擦除原有数据才能够输入新的数据
- 地址锁存寄存器:spi会发送三个字节,前两个字节是页地址,第三个字节是一页内256个字节其中一个字节的地址,前两个字节会进入page锁存器,最后一个会进入byte锁存器,这样就可以操作每一页,以及对每一页内字节进行读写,由于有计数器所以地址可以自增,就能够实现从指定地址开始,连续读写多个字节
- RAM缓存区:由于Flash有掉电不丢失的性质,所以Flash存数据比较慢,又由于spi的速率很快,所以需要一个缓存区,写入数据会先将数据放到缓存区,然后时序结束后,才会将RAM中的数据复制到Flash里面吗,由于数据转到Flash需要一定的时间,所以在时序结束后,芯片会进入一段比较忙的状态,同时给状态寄存器的BUSY标志位置1,此时芯片不会响应新的读写时序
Flash读写注意事项

- 擦除的最小单位为一个扇区
- 一次最多不能写入超过256个字节,且每次写入最好都在一页的第一个字节开始写,否则会覆盖
- 擦除后需要将每一位先变成1,才能正常写入
- 同一个扇区前三位地址相同,都是0xxx000到0xxxFFF
状态寄存器


- 还在给Flash传输数据时,BUSY置1时会忽略其他指令,除了读状态寄存器和擦除挂起指令,传输完成则置0可继续传输数据
- WEL:写使能挂起寄存器,当执行完写使能操作后,WEL会置1表示可以开始写了,写失能时WEL清零
- 上电后WEL默认写失能,写使能写入数据之后会自动写使能,所以每写入一条指令都需要写使能一次
指令集



- 第二列为执行对应操作需要给从机发送的数据
- 第二个标黄名字是读状态寄存器1,给从机发送0x05,可以读取该寄存器,然后在该字节后面让从机给主机发送字节,可读取标志位,其中S0为BUSY,S1为WEL
- 第三个是页变成,也就是写入数据,第一个字节0x02用于表示写入数据,后面2,3,4字节表示写入的地址位置,最后一个字节表示写入的内容
- 第四个是扇区擦除,第一个字节为指令,后面的字节表示擦除的扇区地址,精确到字节,所以一般会将该地址对齐到扇区的首地址
- 第五个是读取ID号,一般用于验证spi时序的准确性,第一个字节是厂商ID,后两个是设备ID,先为高8位,后为低8位
- 第六个是读取数据,第一个字节为指令,后面三个是读的地址,最后一个是读的数据
事前等待和事后等待
在写入数据之后,由于给flash传输数据会消耗时间,要等待BUSY位,就有了在写入数据之前等待和写入数据之后等待的分别
事前等待 :也就是写入数据之前等待,优点是效率高,因为在等待时还可以执行其他代码,缺点是不够保险,而且需要在读取和写入之前都需要等待
事后等待:写入数据结束时序之后等待,优点是很保险,因为时序结束后等待完成后再次写入肯定就没问题,而且只需要在写入时序结束等待就行,读取时写入肯定已经结束了,缺点是效率不如事前等待高
8.spi通信外设
简介

- SPI1在APB2总线72MHZ,SPI2在APB1总线36MHZ
- I2S是一种数字音频信号传输的专用协议
框图

- 简单的流程差不多就是,发送数据先写入TDR(发送数据缓存器),然后转到移位寄存器移位发送并置TXE为1表示发送寄存器空,此时下一个数据就可以写入到TRD等候,然后在发送的同时移位接收数据,接收到的数据同时转到RDR(接收数据缓存器)并给RXNE置1,表示接收寄存器非空,然后读出RDR
基本使用结构

主模式全双工连续传输(性能高)

- 图中b0发送的可能有点早,应该等移位寄存器有数据了,才开始生成SCK的波形进行移位发送,也就是等TXE变为1时,表示TDR的数据移到移位寄存器了,才开始产生波形
- 这里是写入一个数据,然后立马把下一个数据放在缓存区,可能等到第二个数据发生了,第一个数据才读出来,数据衔接十分紧密,收发之间基本不存在间隙,发送速度快
非连续传输(容易封装,好理解)

- 图中为模式3
- 这里是典型的写入一个数据,读出一个输出,再写入下一个数据,数据衔接没上面紧密,收发存有时间间隙较长
软件和硬件的波形区别(上为软件,下为硬件)

- 硬件每次SCk变换为低电平,MOSI都会立马变换数据,紧贴SCK下降沿,软件则有延迟


这就是非连续的波形,当时钟频率很大时,中间明显就能看到字节发送的间隙
代码部分

软件模拟spi
模式的转变,若是极性变化则直接将SCK为1的全部变为0即可,若是相位的变化,则将SCK移到移动到变换数据之前或者之后即可
MySPI.c
c
#include "stm32f10x.h" // Device header
/*引脚配置层*/
/**
* 函 数:SPI写SS引脚电平
* 参 数:BitValue 协议层传入的当前需要写入SS的电平,范围0~1
* 返 回 值:无
* 注意事项:此函数需要用户实现内容,当BitValue为0时,需要置SS为低电平,当BitValue为1时,需要置SS为高电平
*/
void MySPI_W_SS(uint8_t BitValue)
{
GPIO_WriteBit(GPIOA, GPIO_Pin_4, (BitAction)BitValue); //根据BitValue,设置SS引脚的电平
}
/**
* 函 数:SPI写SCK引脚电平
* 参 数:BitValue 协议层传入的当前需要写入SCK的电平,范围0~1
* 返 回 值:无
* 注意事项:此函数需要用户实现内容,当BitValue为0时,需要置SCK为低电平,当BitValue为1时,需要置SCK为高电平
*/
void MySPI_W_SCK(uint8_t BitValue)
{
GPIO_WriteBit(GPIOA, GPIO_Pin_5, (BitAction)BitValue); //根据BitValue,设置SCK引脚的电平
}
/**
* 函 数:SPI写MOSI引脚电平
* 参 数:BitValue 协议层传入的当前需要写入MOSI的电平,范围0~1
* 返 回 值:无
* 注意事项:此函数需要用户实现内容,当BitValue为0时,需要置MOSI为低电平,当BitValue为1时,需要置MOSI为高电平
*/
void MySPI_W_MOSI(uint8_t BitValue)
{
GPIO_WriteBit(GPIOA, GPIO_Pin_7, (BitAction)BitValue); //根据BitValue,设置MOSI引脚的电平,BitValue要实现非0即1的特性
}
/**
* 函 数:I2C读MISO引脚电平
* 参 数:无
* 返 回 值:协议层需要得到的当前MISO的电平,范围0~1
* 注意事项:此函数需要用户实现内容,当前MISO为低电平时,返回0,当前MISO为高电平时,返回1
*/
uint8_t MySPI_R_MISO(void)
{
return GPIO_ReadInputDataBit(GPIOA, GPIO_Pin_6); //读取MISO电平并返回
}
/**
* 函 数:SPI初始化
* 参 数:无
* 返 回 值:无
* 注意事项:此函数需要用户实现内容,实现SS、SCK、MOSI和MISO引脚的初始化
*/
void MySPI_Init(void)
{
/*开启时钟*/
RCC_APB2PeriphClockCmd(RCC_APB2Periph_GPIOA, ENABLE); //开启GPIOA的时钟
/*GPIO初始化*/
GPIO_InitTypeDef GPIO_InitStructure;
GPIO_InitStructure.GPIO_Mode = GPIO_Mode_Out_PP;
GPIO_InitStructure.GPIO_Pin = GPIO_Pin_4 | GPIO_Pin_5 | GPIO_Pin_7;
GPIO_InitStructure.GPIO_Speed = GPIO_Speed_50MHz;
GPIO_Init(GPIOA, &GPIO_InitStructure); //将PA4、PA5和PA7引脚初始化为推挽输出
GPIO_InitStructure.GPIO_Mode = GPIO_Mode_IPU;
GPIO_InitStructure.GPIO_Pin = GPIO_Pin_6;
GPIO_InitStructure.GPIO_Speed = GPIO_Speed_50MHz;
GPIO_Init(GPIOA, &GPIO_InitStructure); //将PA6引脚初始化为上拉输入
/*设置默认电平*/
MySPI_W_SS(1); //SS默认高电平
MySPI_W_SCK(0); //SCK默认低电平
}
/*协议层*/
/**
* 函 数:SPI起始
* 参 数:无
* 返 回 值:无
*/
void MySPI_Start(void)
{
MySPI_W_SS(0); //拉低SS,开始时序
}
/**
* 函 数:SPI终止
* 参 数:无
* 返 回 值:无
*/
void MySPI_Stop(void)
{
MySPI_W_SS(1); //拉高SS,终止时序
}
/**
* 函 数:SPI交换传输一个字节,使用SPI模式0
* 参 数:ByteSend 要发送的一个字节
* 返 回 值:接收的一个字节
*/
uint8_t MySPI_SwapByte(uint8_t ByteSend)
{
uint8_t i, ByteReceive = 0x00; //定义接收的数据,并赋初值0x00,此处必须赋初值0x00,后面会用到
for (i = 0; i < 8; i ++) //循环8次,依次交换每一位数据
{
/*两个!可以对数据进行两次逻辑取反,作用是把非0值统一转换为1,即:!!(0) = 0,!!(非0) = 1*/
MySPI_W_MOSI(!!(ByteSend & (0x80 >> i))); //使用掩码的方式取出ByteSend的指定一位数据并写入到MOSI线
MySPI_W_SCK(1); //拉高SCK,上升沿移出数据
if (MySPI_R_MISO()){ByteReceive |= (0x80 >> i);} //读取MISO数据,并存储到Byte变量
//当MISO为1时,置变量指定位为1,当MISO为0时,不做处理,指定位为默认的初值0
MySPI_W_SCK(0); //拉低SCK,下降沿移入数据
}
return ByteReceive; //返回接收到的一个字节数据
}
/*这个是按照移位寄存器原理写的,优点是效率更高,缺点是上一次使用的数据无法再使用*/
/*上面那个则因为返回的是接受的数据(ByteReceive),相当于有一个转存的过程,所以可以使用上一次使用过的数据*/
//uint8_t MySPI_SwapByte(uint8_t ByteSend)
//{
// uint8_t i;
// for(i=0;i<8;i++)
// {
// MySPI_W_MOSI(ByteSend & 0x80);
// ByteSend <<=1;
// MySPI_W_SCK(1);
// if (MySPI_R_MISO()==1)ByteSend |= 0x01;
// MySPI_W_SCK(0);
// }
// return ByteSend;
//}
MySPI.h
c
#ifndef __MYSPI_H
#define __MYSPI_H
void MySPI_Init(void);
void MySPI_Start(void);
void MySPI_Stop(void);
uint8_t MySPI_SwapByte(uint8_t ByteSend);
#endif
W25Q64.c
c
#include "stm32f10x.h" // Device header
#include "MySPI.h"
#include "W25Q64_Ins.h"
/**
* 函 数:W25Q64初始化
* 参 数:无
* 返 回 值:无
*/
void W25Q64_Init(void)
{
MySPI_Init(); //先初始化底层的SPI
}
/**
* 函 数:W25Q64读取ID号
* 参 数:MID 工厂ID,使用输出参数的形式返回
* 参 数:DID 设备ID,使用输出参数的形式返回
* 返 回 值:无
*/
void W25Q64_ReadID(uint8_t *MID, uint16_t *DID)
{
MySPI_Start(); //SPI起始
MySPI_SwapByte(W25Q64_JEDEC_ID); //交换发送读取ID的指令
*MID = MySPI_SwapByte(W25Q64_DUMMY_BYTE); //交换接收MID,通过输出参数返回
*DID = MySPI_SwapByte(W25Q64_DUMMY_BYTE); //交换接收DID高8位
*DID <<= 8; //高8位移到高位
*DID |= MySPI_SwapByte(W25Q64_DUMMY_BYTE); //或上交换接收DID的低8位,通过输出参数返回
MySPI_Stop(); //SPI终止
}
/**
* 函 数:W25Q64写使能
* 参 数:无
* 返 回 值:无
*/
void W25Q64_WriteEnable(void)
{
MySPI_Start(); //SPI起始
MySPI_SwapByte(W25Q64_WRITE_ENABLE); //交换发送写使能的指令
MySPI_Stop(); //SPI终止
}
/**
* 函 数:W25Q64等待忙
* 参 数:无
* 返 回 值:无
*/
void W25Q64_WaitBusy(void)
{
uint32_t Timeout;
MySPI_Start(); //SPI起始
MySPI_SwapByte(W25Q64_READ_STATUS_REGISTER_1); //交换发送读状态寄存器1的指令
Timeout = 100000; //给定超时计数时间
while ((MySPI_SwapByte(W25Q64_DUMMY_BYTE) & 0x01) == 0x01) //循环等待忙标志位
{
Timeout --; //等待时,计数值自减
if (Timeout == 0) //自减到0后,等待超时
{
/*超时的错误处理代码,可以添加到此处*/
break; //跳出等待,不等了
}
}
MySPI_Stop(); //SPI终止
}
/**
* 函 数:W25Q64页编程
* 参 数:Address 页编程的起始地址,范围:0x000000~0x7FFFFF
* 参 数:DataArray 用于写入数据的数组
* 参 数:Count 要写入数据的数量,范围:0~256
* 返 回 值:无
* 注意事项:写入的地址范围不能跨页
*/
void W25Q64_PageProgram(uint32_t Address, uint8_t *DataArray, uint16_t Count)
{
uint16_t i;
W25Q64_WriteEnable(); //写使能
MySPI_Start(); //SPI起始
MySPI_SwapByte(W25Q64_PAGE_PROGRAM); //交换发送页编程的指令
MySPI_SwapByte(Address >> 16); //交换发送地址23~16位
MySPI_SwapByte(Address >> 8); //交换发送地址15~8位
MySPI_SwapByte(Address); //交换发送地址7~0位
for (i = 0; i < Count; i ++) //循环Count次
{
MySPI_SwapByte(DataArray[i]); //依次在起始地址后写入数据
}
MySPI_Stop(); //SPI终止
W25Q64_WaitBusy(); //等待忙
}
/**
* 函 数:W25Q64扇区擦除(4KB)
* 参 数:Address 指定扇区的地址,范围:0x000000~0x7FFFFF
* 返 回 值:无
*/
void W25Q64_SectorErase(uint32_t Address)
{
W25Q64_WriteEnable(); //写使能
MySPI_Start(); //SPI起始
MySPI_SwapByte(W25Q64_SECTOR_ERASE_4KB); //交换发送扇区擦除的指令
MySPI_SwapByte(Address >> 16); //交换发送地址23~16位
MySPI_SwapByte(Address >> 8); //交换发送地址15~8位
MySPI_SwapByte(Address); //交换发送地址7~0位
MySPI_Stop(); //SPI终止
W25Q64_WaitBusy(); //等待忙
}
/**
* 函 数:W25Q64读取数据
* 参 数:Address 读取数据的起始地址,范围:0x000000~0x7FFFFF
* 参 数:DataArray 用于接收读取数据的数组,通过输出参数返回
* 参 数:Count 要读取数据的数量,范围:0~0x800000
* 返 回 值:无
*/
void W25Q64_ReadData(uint32_t Address, uint8_t *DataArray, uint32_t Count)
{
uint32_t i;
MySPI_Start(); //SPI起始
MySPI_SwapByte(W25Q64_READ_DATA); //交换发送读取数据的指令
MySPI_SwapByte(Address >> 16); //交换发送地址23~16位
MySPI_SwapByte(Address >> 8); //交换发送地址15~8位
MySPI_SwapByte(Address); //交换发送地址7~0位
for (i = 0; i < Count; i ++) //循环Count次
{
DataArray[i] = MySPI_SwapByte(W25Q64_DUMMY_BYTE); //依次在起始地址后读取数据
}
MySPI_Stop(); //SPI终止
}
W25Q64.h
c
#ifndef __W25Q64_H
#define __W25Q64_H
void W25Q64_Init(void);
void W25Q64_ReadID(uint8_t *MID, uint16_t *DID);
void W25Q64_PageProgram(uint32_t Address, uint8_t *DataArray, uint16_t Count);
void W25Q64_SectorErase(uint32_t Address);
void W25Q64_ReadData(uint32_t Address, uint8_t *DataArray, uint32_t Count);
#endif
W25Q64_Ins.h
c
#ifndef __W25Q64_INS_H
#define __W25Q64_INS_H
#define W25Q64_WRITE_ENABLE 0x06
#define W25Q64_WRITE_DISABLE 0x04
#define W25Q64_READ_STATUS_REGISTER_1 0x05
#define W25Q64_READ_STATUS_REGISTER_2 0x35
#define W25Q64_WRITE_STATUS_REGISTER 0x01
#define W25Q64_PAGE_PROGRAM 0x02
#define W25Q64_QUAD_PAGE_PROGRAM 0x32
#define W25Q64_BLOCK_ERASE_64KB 0xD8
#define W25Q64_BLOCK_ERASE_32KB 0x52
#define W25Q64_SECTOR_ERASE_4KB 0x20
#define W25Q64_CHIP_ERASE 0xC7
#define W25Q64_ERASE_SUSPEND 0x75
#define W25Q64_ERASE_RESUME 0x7A
#define W25Q64_POWER_DOWN 0xB9
#define W25Q64_HIGH_PERFORMANCE_MODE 0xA3
#define W25Q64_CONTINUOUS_READ_MODE_RESET 0xFF
#define W25Q64_RELEASE_POWER_DOWN_HPM_DEVICE_ID 0xAB
#define W25Q64_MANUFACTURER_DEVICE_ID 0x90
#define W25Q64_READ_UNIQUE_ID 0x4B
#define W25Q64_JEDEC_ID 0x9F
#define W25Q64_READ_DATA 0x03
#define W25Q64_FAST_READ 0x0B
#define W25Q64_FAST_READ_DUAL_OUTPUT 0x3B
#define W25Q64_FAST_READ_DUAL_IO 0xBB
#define W25Q64_FAST_READ_QUAD_OUTPUT 0x6B
#define W25Q64_FAST_READ_QUAD_IO 0xEB
#define W25Q64_OCTAL_WORD_READ_QUAD_IO 0xE3
#define W25Q64_DUMMY_BYTE 0xFF
#endif
main.c
c
#include "stm32f10x.h" // Device header
#include "Delay.h"
#include "OLED.h"
#include "W25Q64.h"
uint8_t MID; //定义用于存放MID号的变量
uint16_t DID; //定义用于存放DID号的变量
uint8_t ArrayWrite[] = {0x01, 0x02, 0x03, 0x04}; //定义要写入数据的测试数组
uint8_t ArrayRead[4]; //定义要读取数据的测试数组
int main(void)
{
/*模块初始化*/
OLED_Init(); //OLED初始化
W25Q64_Init(); //W25Q64初始化
/*显示静态字符串*/
OLED_ShowString(1, 1, "MID: DID:");
OLED_ShowString(2, 1, "W:");
OLED_ShowString(3, 1, "R:");
/*显示ID号*/
W25Q64_ReadID(&MID, &DID); //获取W25Q64的ID号
OLED_ShowHexNum(1, 5, MID, 2); //显示MID
OLED_ShowHexNum(1, 12, DID, 4); //显示DID
/*W25Q64功能函数测试*/
W25Q64_SectorErase(0x000000); //扇区擦除
W25Q64_PageProgram(0x000000, ArrayWrite, 4); //将写入数据的测试数组写入到W25Q64中
W25Q64_ReadData(0x000000, ArrayRead, 4); //读取刚写入的测试数据到读取数据的测试数组中
/*显示数据*/
OLED_ShowHexNum(2, 3, ArrayWrite[0], 2); //显示写入数据的测试数组
OLED_ShowHexNum(2, 6, ArrayWrite[1], 2);
OLED_ShowHexNum(2, 9, ArrayWrite[2], 2);
OLED_ShowHexNum(2, 12, ArrayWrite[3], 2);
OLED_ShowHexNum(3, 3, ArrayRead[0], 2); //显示读取数据的测试数组
OLED_ShowHexNum(3, 6, ArrayRead[1], 2);
OLED_ShowHexNum(3, 9, ArrayRead[2], 2);
OLED_ShowHexNum(3, 12, ArrayRead[3], 2);
while (1)
{
}
}
硬件模拟spi
MySPI.c
c
#include "stm32f10x.h" // Device header
/**
* 函 数:SPI写SS引脚电平,SS仍由软件模拟
* 参 数:BitValue 协议层传入的当前需要写入SS的电平,范围0~1
* 返 回 值:无
* 注意事项:此函数需要用户实现内容,当BitValue为0时,需要置SS为低电平,当BitValue为1时,需要置SS为高电平
*/
void MySPI_W_SS(uint8_t BitValue)
{
GPIO_WriteBit(GPIOA, GPIO_Pin_4, (BitAction)BitValue); //根据BitValue,设置SS引脚的电平
}
/**
* 函 数:SPI初始化
* 参 数:无
* 返 回 值:无
*/
void MySPI_Init(void)
{
/*开启时钟*/
RCC_APB2PeriphClockCmd(RCC_APB2Periph_GPIOA, ENABLE); //开启GPIOA的时钟
RCC_APB2PeriphClockCmd(RCC_APB2Periph_SPI1, ENABLE); //开启SPI1的时钟
/*GPIO初始化*/
GPIO_InitTypeDef GPIO_InitStructure;
GPIO_InitStructure.GPIO_Mode = GPIO_Mode_Out_PP;
GPIO_InitStructure.GPIO_Pin = GPIO_Pin_4;
GPIO_InitStructure.GPIO_Speed = GPIO_Speed_50MHz;
GPIO_Init(GPIOA, &GPIO_InitStructure); //将PA4引脚初始化为推挽输出
GPIO_InitStructure.GPIO_Mode = GPIO_Mode_AF_PP;
GPIO_InitStructure.GPIO_Pin = GPIO_Pin_5 | GPIO_Pin_7;
GPIO_InitStructure.GPIO_Speed = GPIO_Speed_50MHz;
GPIO_Init(GPIOA, &GPIO_InitStructure); //将PA5和PA7引脚初始化为复用推挽输出
GPIO_InitStructure.GPIO_Mode = GPIO_Mode_IPU;
GPIO_InitStructure.GPIO_Pin = GPIO_Pin_6;
GPIO_InitStructure.GPIO_Speed = GPIO_Speed_50MHz;
GPIO_Init(GPIOA, &GPIO_InitStructure); //将PA6引脚初始化为上拉输入
/*SPI初始化*/
SPI_InitTypeDef SPI_InitStructure; //定义结构体变量
SPI_InitStructure.SPI_Mode = SPI_Mode_Master; //模式,选择为SPI主模式
SPI_InitStructure.SPI_Direction = SPI_Direction_2Lines_FullDuplex; //方向,选择2线全双工
SPI_InitStructure.SPI_DataSize = SPI_DataSize_8b; //数据宽度,选择为8位
SPI_InitStructure.SPI_FirstBit = SPI_FirstBit_MSB; //先行位,选择高位先行
SPI_InitStructure.SPI_BaudRatePrescaler = SPI_BaudRatePrescaler_128; //波特率分频,选择128分频
SPI_InitStructure.SPI_CPOL = SPI_CPOL_Low; //SPI极性,选择低极性
SPI_InitStructure.SPI_CPHA = SPI_CPHA_1Edge; //SPI相位,选择第一个时钟边沿采样,极性和相位决定选择SPI模式0
SPI_InitStructure.SPI_NSS = SPI_NSS_Soft; //NSS,选择由软件控制
SPI_InitStructure.SPI_CRCPolynomial = 7; //CRC多项式,暂时用不到,给默认值7
SPI_Init(SPI1, &SPI_InitStructure); //将结构体变量交给SPI_Init,配置SPI1
/*SPI使能*/
SPI_Cmd(SPI1, ENABLE); //使能SPI1,开始运行
/*设置默认电平*/
MySPI_W_SS(1); //SS默认高电平
}
/**
* 函 数:SPI起始
* 参 数:无
* 返 回 值:无
*/
void MySPI_Start(void)
{
MySPI_W_SS(0); //拉低SS,开始时序
}
/**
* 函 数:SPI终止
* 参 数:无
* 返 回 值:无
*/
void MySPI_Stop(void)
{
MySPI_W_SS(1); //拉高SS,终止时序
}
/**
* 函 数:SPI交换传输一个字节,使用SPI模式0
* 参 数:ByteSend 要发送的一个字节
* 返 回 值:接收的一个字节
*/
uint8_t MySPI_SwapByte(uint8_t ByteSend)
{
while (SPI_I2S_GetFlagStatus(SPI1, SPI_I2S_FLAG_TXE) != SET); //等待发送数据寄存器空
SPI_I2S_SendData(SPI1, ByteSend); //写入数据到发送数据寄存器,开始产生时序
while (SPI_I2S_GetFlagStatus(SPI1, SPI_I2S_FLAG_RXNE) != SET); //等待接收数据寄存器非空
return SPI_I2S_ReceiveData(SPI1); //读取接收到的数据并返回
}
MySPI.h
c
#ifndef __MYSPI_H
#define __MYSPI_H
void MySPI_Init(void);
void MySPI_Start(void);
void MySPI_Stop(void);
uint8_t MySPI_SwapByte(uint8_t ByteSend);
#endif
W25Q64.c
c
#include "stm32f10x.h" // Device header
#include "MySPI.h"
#include "W25Q64_Ins.h"
/**
* 函 数:W25Q64初始化
* 参 数:无
* 返 回 值:无
*/
void W25Q64_Init(void)
{
MySPI_Init(); //先初始化底层的SPI
}
/**
* 函 数:W25Q64读取ID号
* 参 数:MID 工厂ID,使用输出参数的形式返回
* 参 数:DID 设备ID,使用输出参数的形式返回
* 返 回 值:无
*/
void W25Q64_ReadID(uint8_t *MID, uint16_t *DID)
{
MySPI_Start(); //SPI起始
MySPI_SwapByte(W25Q64_JEDEC_ID); //交换发送读取ID的指令
*MID = MySPI_SwapByte(W25Q64_DUMMY_BYTE); //交换接收MID,通过输出参数返回
*DID = MySPI_SwapByte(W25Q64_DUMMY_BYTE); //交换接收DID高8位
*DID <<= 8; //高8位移到高位
*DID |= MySPI_SwapByte(W25Q64_DUMMY_BYTE); //或上交换接收DID的低8位,通过输出参数返回
MySPI_Stop(); //SPI终止
}
/**
* 函 数:W25Q64写使能
* 参 数:无
* 返 回 值:无
*/
void W25Q64_WriteEnable(void)
{
MySPI_Start(); //SPI起始
MySPI_SwapByte(W25Q64_WRITE_ENABLE); //交换发送写使能的指令
MySPI_Stop(); //SPI终止
}
/**
* 函 数:W25Q64等待忙
* 参 数:无
* 返 回 值:无
*/
void W25Q64_WaitBusy(void)
{
uint32_t Timeout;
MySPI_Start(); //SPI起始
MySPI_SwapByte(W25Q64_READ_STATUS_REGISTER_1); //交换发送读状态寄存器1的指令
Timeout = 100000; //给定超时计数时间
while ((MySPI_SwapByte(W25Q64_DUMMY_BYTE) & 0x01) == 0x01) //循环等待忙标志位
{
Timeout --; //等待时,计数值自减
if (Timeout == 0) //自减到0后,等待超时
{
/*超时的错误处理代码,可以添加到此处*/
break; //跳出等待,不等了
}
}
MySPI_Stop(); //SPI终止
}
/**
* 函 数:W25Q64页编程
* 参 数:Address 页编程的起始地址,范围:0x000000~0x7FFFFF
* 参 数:DataArray 用于写入数据的数组
* 参 数:Count 要写入数据的数量,范围:0~256
* 返 回 值:无
* 注意事项:写入的地址范围不能跨页
*/
void W25Q64_PageProgram(uint32_t Address, uint8_t *DataArray, uint16_t Count)
{
uint16_t i;
W25Q64_WriteEnable(); //写使能
MySPI_Start(); //SPI起始
MySPI_SwapByte(W25Q64_PAGE_PROGRAM); //交换发送页编程的指令
MySPI_SwapByte(Address >> 16); //交换发送地址23~16位
MySPI_SwapByte(Address >> 8); //交换发送地址15~8位
MySPI_SwapByte(Address); //交换发送地址7~0位
for (i = 0; i < Count; i ++) //循环Count次
{
MySPI_SwapByte(DataArray[i]); //依次在起始地址后写入数据
}
MySPI_Stop(); //SPI终止
W25Q64_WaitBusy(); //等待忙
}
/**
* 函 数:W25Q64扇区擦除(4KB)
* 参 数:Address 指定扇区的地址,范围:0x000000~0x7FFFFF
* 返 回 值:无
*/
void W25Q64_SectorErase(uint32_t Address)
{
W25Q64_WriteEnable(); //写使能
MySPI_Start(); //SPI起始
MySPI_SwapByte(W25Q64_SECTOR_ERASE_4KB); //交换发送扇区擦除的指令
MySPI_SwapByte(Address >> 16); //交换发送地址23~16位
MySPI_SwapByte(Address >> 8); //交换发送地址15~8位
MySPI_SwapByte(Address); //交换发送地址7~0位
MySPI_Stop(); //SPI终止
W25Q64_WaitBusy(); //等待忙
}
/**
* 函 数:W25Q64读取数据
* 参 数:Address 读取数据的起始地址,范围:0x000000~0x7FFFFF
* 参 数:DataArray 用于接收读取数据的数组,通过输出参数返回
* 参 数:Count 要读取数据的数量,范围:0~0x800000
* 返 回 值:无
*/
void W25Q64_ReadData(uint32_t Address, uint8_t *DataArray, uint32_t Count)
{
uint32_t i;
MySPI_Start(); //SPI起始
MySPI_SwapByte(W25Q64_READ_DATA); //交换发送读取数据的指令
MySPI_SwapByte(Address >> 16); //交换发送地址23~16位
MySPI_SwapByte(Address >> 8); //交换发送地址15~8位
MySPI_SwapByte(Address); //交换发送地址7~0位
for (i = 0; i < Count; i ++) //循环Count次
{
DataArray[i] = MySPI_SwapByte(W25Q64_DUMMY_BYTE); //依次在起始地址后读取数据
}
MySPI_Stop(); //SPI终止
}
W25Q64.h
c
#ifndef __W25Q64_H
#define __W25Q64_H
void W25Q64_Init(void);
void W25Q64_ReadID(uint8_t *MID, uint16_t *DID);
void W25Q64_PageProgram(uint32_t Address, uint8_t *DataArray, uint16_t Count);
void W25Q64_SectorErase(uint32_t Address);
void W25Q64_ReadData(uint32_t Address, uint8_t *DataArray, uint32_t Count);
#endif
main.c
c
#include "stm32f10x.h" // Device header
#include "Delay.h"
#include "OLED.h"
#include "W25Q64.h"
uint8_t MID; //定义用于存放MID号的变量
uint16_t DID; //定义用于存放DID号的变量
uint8_t ArrayWrite[] = {0x01, 0x02, 0x03, 0x04}; //定义要写入数据的测试数组
uint8_t ArrayRead[4]; //定义要读取数据的测试数组
int main(void)
{
/*模块初始化*/
OLED_Init(); //OLED初始化
W25Q64_Init(); //W25Q64初始化
/*显示静态字符串*/
OLED_ShowString(1, 1, "MID: DID:");
OLED_ShowString(2, 1, "W:");
OLED_ShowString(3, 1, "R:");
/*显示ID号*/
W25Q64_ReadID(&MID, &DID); //获取W25Q64的ID号
OLED_ShowHexNum(1, 5, MID, 2); //显示MID
OLED_ShowHexNum(1, 12, DID, 4); //显示DID
/*W25Q64功能函数测试*/
W25Q64_SectorErase(0x000000); //扇区擦除
W25Q64_PageProgram(0x000000, ArrayWrite, 4); //将写入数据的测试数组写入到W25Q64中
W25Q64_ReadData(0x000000, ArrayRead, 4); //读取刚写入的测试数据到读取数据的测试数组中
/*显示数据*/
OLED_ShowHexNum(2, 3, ArrayWrite[0], 2); //显示写入数据的测试数组
OLED_ShowHexNum(2, 6, ArrayWrite[1], 2);
OLED_ShowHexNum(2, 9, ArrayWrite[2], 2);
OLED_ShowHexNum(2, 12, ArrayWrite[3], 2);
OLED_ShowHexNum(3, 3, ArrayRead[0], 2); //显示读取数据的测试数组
OLED_ShowHexNum(3, 6, ArrayRead[1], 2);
OLED_ShowHexNum(3, 9, ArrayRead[2], 2);
OLED_ShowHexNum(3, 12, ArrayRead[3], 2);
while (1)
{
}
}
