
其中电脑内存的速度40GB/S怎么算的呢?首先X86架构的芯片一般是64位的,64/8 = 8 Byte(字节),8Byte*5GHz = 40GB/S

由于冯诺依曼架构中程序指令和数据被存储在同一个存储器中,程序和数据共用一条地址和数据线,这就要求分时复用地址和数据线,效率偏低
哈佛结构就将程序指令和数据存储到两个独立的存储器中,程序和数据的地址线和数据线都分开了,这样执行起来效率高,但是占用引脚等的资源
STM32系列微控制器采用的是哈佛结构

在ARM官网,可以找到想要的某个系列的比如cortex-M系列的资料


ARM开发者官网:


整合后的:

最后一行的参数就是跑分
STM32基础知识
ST中文社区网:https://www.stmcu.org.cn 里面可以下载很多官方资料:比如芯片数据手册
ST官网: https://www.st.com
5大类、18个系列、1000多个型号

如何选择想要的stm32的型号芯片,主要就是根据需求来,比如需要多少个引脚,多大的内存等等

查看数据手册
首先在中文网下载芯片数据手册


首先查看手册时要先看是否符合我们所需要的芯片,例如我们需要stm32F103ZET6的芯片手册,那么看下面STM32F103xE就能够使用,这部分在芯片手册的订货代码也可以找到


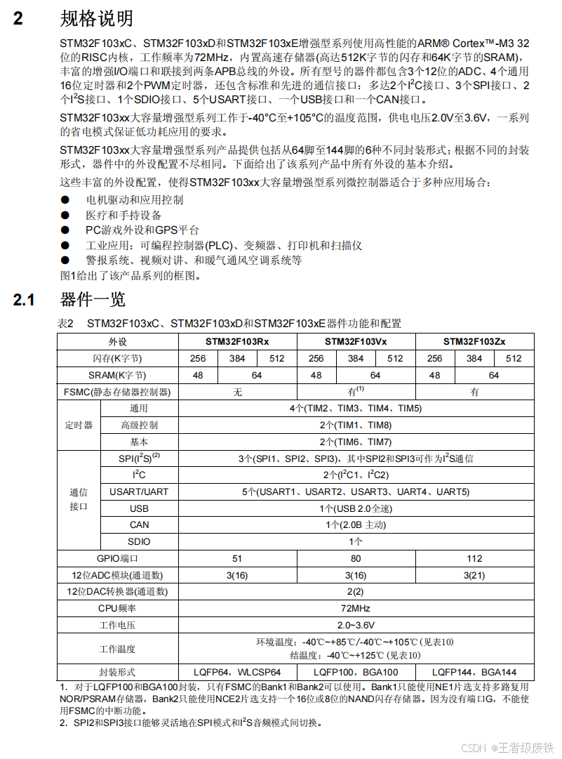
数据手册包含的内容有哪些


先看到的基础信息,后面各个模块的参数都可以找到


引脚定义:看后面的定义说明,一个手册里面包含的芯片封装有很多种:比如有LQFP144、LQFP100等

看脚位时,要注意下面的封装代表的什么:每种芯片不一样,例如STM32ZET6的封装是LQFP144,那么就要看这一列的


下载接口,串口下载不能进行调试

BOOT引脚


电气特性中的绝对最大额定值:比如电压超过这个值可能会烧坏芯片

可以看到其中有的电流的最大额定值只有5mA,这个在后面设计原理图的时候会接一个10KΩ的电阻,防止电流过大,比如JTAG接口