目录
[1 使用74LS85N芯片完成四位二进制数的比较](#1 使用74LS85N芯片完成四位二进制数的比较)
[1.2 器件选择](#1.2 器件选择)
[1.3 运行电路](#1.3 运行电路)
[2 使用74LS85N完成更多位的二进制比较](#2 使用74LS85N完成更多位的二进制比较)
1 使用74LS85N芯片完成四位二进制数的比较
1.1原理介绍
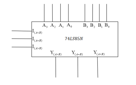
对于74LS85 是一款 4 位数值比较器集成电路,用于比较两个 4 位二进制数(A 和 B)的大小关系,并输出比较结果(A > B、A < B 或 A = B)。它还可以通过级联输入(用于低位比较结果的扩展)实现更长的数值比较。芯片的逻辑框图如下所示:

1.2 器件选择
电路的元器件选择如下所示:
- 芯片选择:组选项栏中选择TTL,系列选项栏中选择74LS,元器件选项栏中选择74LS85N。
- 开关选择:组选项栏中选择Basic,系列选项栏中选择SWITCH,元器件选项栏中选择SPDT,并且将其水平翻转,放置在芯片串行进位端,共放置三个。
- LED选择:组选项栏中选择Diodes,系列选项栏中选择LED,元器件选项栏中选择BAR_LED_BLUE_FOUR。点击LED灯,选择值选项栏中的通态电流,设置为10mA。
- 电阻选择:组选项栏中选择Basic,系列选项栏中选择RESISTOR,元器件选项栏中选择300Ω,放置在LED灯的一端。
- 电源选择:组选项栏中选择Sources,系列选项栏中选择POWER_SOURCES,元器件选项栏中选择VCC,放置在开关双掷的一侧;同样是在POWER_SOURCES中,元器件选项栏中选择GROUND。
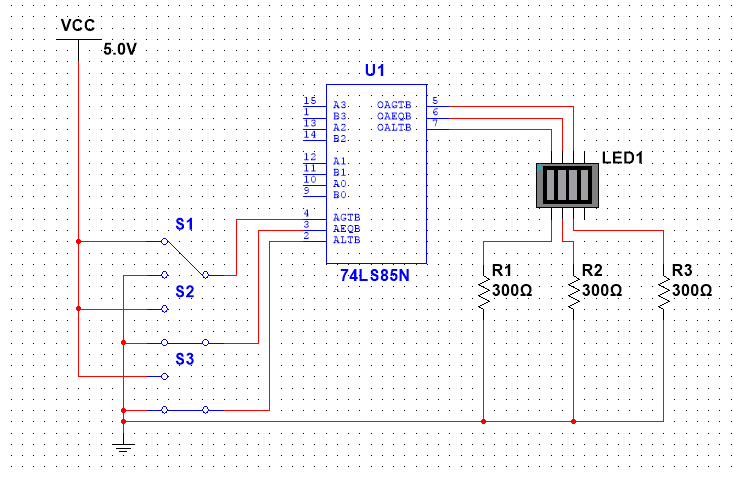
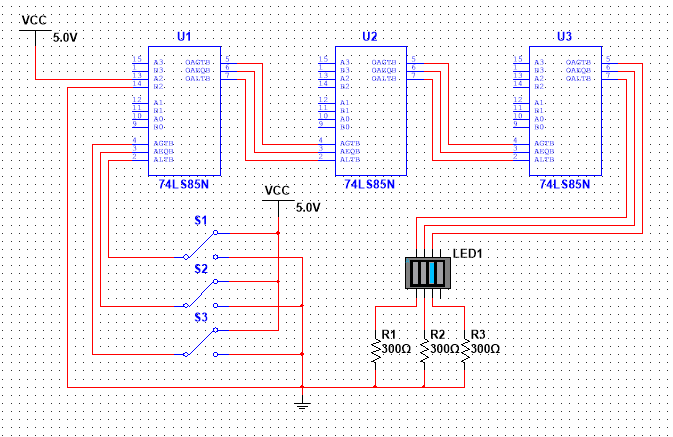
本电路中可以根据想要比较的数来设计电路,首先将双掷开关中双掷的一侧的一边接电源,一边接地,另一测接芯片的引脚AGTB(A Greater Than B,低位A>B)、引脚AEQB(A Equal To B,低位A=B)、引脚ALTB(A Less Than B,低位A<B);电阻的一侧链接LED的一端,另一端接地;而LED的另一端接芯片的引脚OAGTB(Output A Greater Than B,输出A>B)、引脚OAETB(Output A Equal To B,,输出A=B)、引脚OALTB(Output A Less Than B,输出A<B);芯片U1的引脚和芯片U1的引脚
可以根据实际情况来连接,电路如下所示:

1.3 运行电路
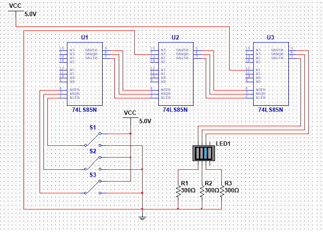
下面尝试运行电路,例如想要比较1×××和0×××之间进行比较,其中A为1×××,B为0×××,将芯片U1的引脚A3接高电位,引脚B3接低电位:

运行该电路,可以看到结果:

可以看到结果为输出A>B,符合数学运算结果。
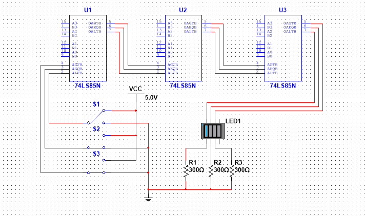
想要比较100×和101×之间进行比较,其中A为100×,B为101×,将芯片U1的引脚A3、B3和B1接高电位,芯片U1的引脚A2、A1和B2接低电平,运行电路如下所示:

可以看到输出结果为A<B,符合数学运算结果。
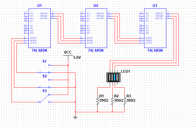
想要比较100×和101×之间进行比较,其中A为0010,B为0011,将芯片U1的引脚A1、B1和B0接高电位,芯片U1的引脚A3、A2、A0、B3、B2,接低电平,运行电路如下所示:

可以看到输出结果为A>B,符合数学比较结果。
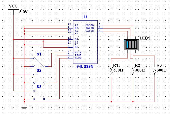
现在芯片输入的两个二进制数均为1111,即芯片的引脚A3~A0,引脚B3~B0全部接高电平,而开关S1接高电平,开关S2、S3接低电平。如下所示:

当输入的两个二进制相等时,开始比较低位输入的比较结果,可以看到当S1为高电平时,即低位前者更大,此时电路输出为A>B。
当开关S3接高电平,S1和S2接低电平,如下所示:

当输入的两个二进制相等时,当S2为高电平时,即低位后者更大,此时电路输出为A<B。
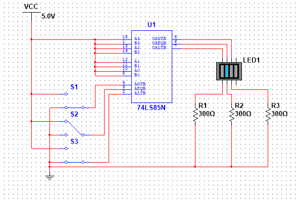
当开关S2接高电平,S1和S3接低电平,如下所示:

当输入的两个二进制相等时,当S2接高电平,此时电路输出为A=B。
2 使用74LS85N完成更多位的二进制比较
在完成了使用74LS85N芯片对于四位二进制数的比较之后,可以利用此芯片对于更高位进行比较。
例如对于十二位的二进制数:

在本电路的基础上进行修改,例如在芯片U1的引脚A2接高电平,芯片U1的引脚B2接低电平,如下所示:

结果输出为A>B,符合数学运算结果。
当芯片U3的引脚A1接高电平,芯片U2的引脚B3接高电平,如下所示:

可以看到输出仍为A>B,符合数学运算结果。
当三个芯片的引脚A0~A3和B0~B3不接任何电平,并且开关S1接高电平,开关S2和S3接低电平,此时电路输出如下所示:

当只有S1接高电平时,此时芯片U1输入的是低位A<B,此时电路输出的是A<B。
当三个芯片的引脚A0~A3和B0~B3不接任何电平,并且开关S3接高电平,开关S1和S2接低电平,此时电路输出如下所示:

当只有S3接高电平时,此时芯片U1输入的是低位A>B,此时电路输出的是A>B。
当三个芯片的引脚A0~A3和B0~B3不接任何电平,并且开关S2接高电平,开关S1和S3接低电平,此时电路输出如下所示:

当只有S2接高电平时,此时芯片U1输入的是低位A=B,此时电路输出的是A=B。