0基础 | 51单片机 | Proteus仿真

通过网盘分享的文件:Proteus 8.15等2个文件链接: https://pan.baidu.com/s/1mRp6fTCaF9uL1jmjyvwPpA?pwd=HHRR 提取码: HHRR
--来自百度网盘超级会员v5的分享通过网盘分享的文件:KEIL链接: https://pan.baidu.com/s/1yHcixA9KWG54bM1NLRqFVg?pwd=HHRR 提取码: HHRR --来自百度网盘超级会员v5的分享

LED原理及流水灯

|-----|------------|-----------------------------------------------|
| 共阳极 | 阳极共线(接VCC) | I/O口+电阻>250Ω 以共阳极、共阴极流水灯为例,Proteus仿真,KeilC51 |
| 共阴极 | 阴极共线(接GND) | I/O口+电阻>250Ω 以共阳极、共阴极流水灯为例,Proteus仿真,KeilC51 |
| |||

数码管的结构和原理

|------|--------|--------|------|---|---|--------|
| 共阳连接 || 共阴连接 ||| 外观 ||
| || |||||
| 显示字符 | 共阴极字段码 | 共阳极字段码 | 显示字符 | 共阴极字段码 || 共阳极字段码 |
| 0 | 3FH | COH | C | 39H || C6H |
| 1 | 06H | F9H | D | 5EH || A1H |
| 2 | 5BH | A4H | E | 79H || 86H |
| 3 | 4FH | BOH | F | 71H || 8EH |
| 4 | 66H | 99H | P | 73H || 8CH |
| 5 | 6DH | 92H | U | 3EH || C1H |
| 6 | 7DH | 82H | T | 31H || CEH |
| 7 | 07H | F8H | Y | 6EH || 91H |
| 8 | 7FH | 80H | L | 38H || C7H |
| 9 | 6FH | 90H | 8. | FFH || 00H |
| A | 77H | 88H | '灭' | 00 || FFH |
| B | 7CH | 83H | | || |

|-------------------------------------------------------------------------------------|---|----------------------------------------------------------------------------|
| ### LED 数码管的显示方式 |||
| 静态显示 || |
| 特点 1. 公共端直接接地(共阴极) 或接电源(共阳极) 1. 每个数码管的段选线与一组 I/O接口线相连【8个】 1. 每个数码管一直显示。 || |
| 动态显示 || |
| 特点 1. 所有数码管的段选线与一组 I/O 接口线并连在一起 1. 每个数码管的公共端由一根 IIO 线控制。 1. 显示为逐个显示。 || |
| 静态显示 | 使用 LCD1602 数码管的动态显示 可以使用 74LS138 驱动芯片, ABC 表示二进制 ||

|-------------|----------------------------------------|
| LCD1602 | 2 × 16 字符型液晶显示模块 |
| 显示地址与实际现实位置的关系 80 个字节的显示缓冲区 DDRAM, 分两行,地址分别为 00H~27H, 40H~67H ||

LCD1602 常用的指令码如下

|---------------|---------------------------------------------------------|
| 0x38 | 设置 16x2 显示, 5x7 点阵, 8 位数据接口 |
| 0x0C | 设置开显示,不显示光标 |
| 0x06 | 写一个字符后地址指针加 1 |
| 0x01 | 显示清 0 ,数据指针清 0 |
| 0x80 | LCD 第一行的起始地址 |
| 0x80+0x40 | LCD 第二行的起始地址 |

LCD1602 的各引脚如下:

|-----------------------|-------------------------------------|
| 1 | VSS ,电源地。 |
| 2 | VDD +5V 电源。 |
| 3 | VEE ,液晶显示对比度调整输入端, 接电位器 |
| 4 | RS ,数据 / 命令选择端 |
| 5 | R/W ,读 / 写选择端 |
| 6 | E ,使能端,下降沿有效 |
| 7~14 | D0~D7 ,为 8 位双向数据线 |
| 15 | BLA ,背光源正极。 |
| 16 | BLK ,背光源负极。 |

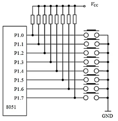
按键

|------------|----------------------------------------------------------------------------|
| 键盘基本原理 | |
| 抖动的消除 | |

|----------|---|----------------------------------------------------------------------------|
| ### 软件消抖 -- 利用延时程序消除抖动 |||
| 全局变量记得要定义 || |
| 硬件消抖 | ||

|------------------------|----------------------------------------------------------------------------|--------------------------------------------------------------------------------------------------------------------|
| 键盘分类 1. 独立式 | | 独立式键盘特点 1. 每个键占用一根并口线 , 键位多时占用并口线多【 I/O 口】 2. 用于键位较少的情况。 3. 处理简单 , 直接判并口线。 |
| 键盘分类 2. 行列 | | 特点 : 1. 键位分布在行列交叉点上。 2. 占用并口线少 , 键位越多越明显 |

|----------------------------------------------------------------------------------------------------------------------------------------|
| ### 键位的识别 【第一步】是首先检测键盘上是否有键按下 ; 【第二步】是识别哪一个键按下。 (1) 检测键盘上是否有键按下的处理方法【全扫描】 (2) 识别键盘中哪一个键按下的处理方法【逐行逐列扫描】 |
| |

相关推荐
小龙报3 天前
【51单片机】 给单片机加 “安全锁”!看门狗 WDT:原理 + 配置 + 复位验证全拆解,让程序稳定不跑飞
驱动开发·stm32·单片机·嵌入式硬件·物联网·51单片机·硬件工程
恶魔泡泡糖4 天前
51单片机DS1302时钟
单片机·嵌入式硬件·51单片机
嵌入式×边缘AI:打怪升级日志6 天前
C语言算术赋值运算复习笔记
c语言·stm32·单片机·算法·51单片机·proteus·代码
想放学的刺客6 天前
整理了120道单片机嵌入式面试题与答案,覆盖了硬件电路和C语言等核心领域。
c语言·c++·stm32·单片机·嵌入式硬件·mcu·51单片机
不吃橘子的橘猫7 天前
《集成电路设计》复习资料2(设计基础与方法)
学习·算法·fpga开发·集成电路·仿真·半导体
不吃橘子的橘猫7 天前
《集成电路设计》复习资料4(Verilog HDL概述)
学习·算法·fpga开发·集成电路·仿真·半导体
恶魔泡泡糖7 天前
51单片机-DS18B20温度传感器
单片机·嵌入式硬件·51单片机
不吃橘子的橘猫7 天前
《集成电路设计》复习资料3(电路模拟与SPICE)
学习·算法·集成电路·仿真·半导体
小龙报8 天前
【51单片机】不止是调光!51 单片机 PWM 实战:呼吸灯 + 直流电机正反转 + 转速控制
数据结构·c++·stm32·单片机·嵌入式硬件·物联网·51单片机
送外卖的工程师8 天前
STM32 驱动五线四相步进电机(28BYJ-48+ULN2003)教程
stm32·单片机·嵌入式硬件·mcu·物联网·51单片机·proteus