在上一篇用状态变量根据超稳定性理论设计模型参考自适应系统,利用状态变量进行MRACS设计,这就要求状态变量都可以得到,然而并不是所有系统状态方程都可观。因此,本文从输入输出形式根据超稳定性理论设计MRACS。
1、系统介绍
我们知道输入输出形式,在自适应率中除了引入输入输出变量本身,还会引入其各阶导数,这会降低系统的抗干扰能力。为了克服这一缺点,在系统中引入状态变量滤波器,由这个滤波器提供相应的各阶导数。
根据有无状态变量滤波器和其所在位置,可以分为以下三种情况:
(1)无状态变量滤波器

(2)在可调系统输入端和参考模型输出端放置状态变量滤波器

(3)在参考模型和可调系统输出端放置状态变量滤波器

下面就以上三种结构进行自适应率设计。
2、自适应律设计
2.1 无状态变量滤波器

参考模型方程为
( ∑ i = 0 n a m i p i ) y m = ( ∑ i = 0 m b m i p i ) r , a m n = 1 (1) \begin{array}{c} (\sum_{i=0}^{n}a_{mi}p^i)y_m=(\sum_{i=0}^{m}b_{mi}p^i)r, \quad a_{mn}=1 \tag{1} \end{array} (∑i=0namipi)ym=(∑i=0mbmipi)r,amn=1(1)
可调系统方程为
( ∑ i = 0 n a s i p i ) y s = ( ∑ i = 0 m b s i p i ) r , a s n = 1 (2) \begin{array}{c} (\sum_{i=0}^{n}a_{si}p^i)y_s=(\sum_{i=0}^{m}b_{si}p^i)r, \quad a_{sn}=1 \tag{2} \end{array} (∑i=0nasipi)ys=(∑i=0mbsipi)r,asn=1(2)
定义广义输出误差为
e = y m − y s (3) \begin{array}{c} e=y_m-y_s \tag{3} \end{array} e=ym−ys(3)
串联补偿器方程为
v = D ( p ) e = ( ∑ i = 0 n − 1 d i p i ) e (4) \begin{array}{c} v=D(p)e=(\sum_{i=0}^{n-1}d_{i}p^i)e \tag{4} \end{array} v=D(p)e=(∑i=0n−1dipi)e(4)
由 e q ( 1 , 2 , 3 ) eq(1,2,3) eq(1,2,3)可得
( ∑ i = 0 n a m i p i ) ( y m − y s ) = [ ∑ i = 0 m ( b m i − b s i ) p i ] r + [ ∑ i = 0 n ( a s i − a m i ) p i ] y s ( ∑ i = 0 n a m i p i ) e = [ ∑ i = 0 n ( a s i − a m i ) p i ] y s + [ ∑ i = 0 m ( b m i − b s i ) p i ] r (5) \begin{array}{c} (\sum_{i=0}^{n}a_{mi}p^i)(y_m-y_s)=[\sum_{i=0}^{m}(b_{mi}-b_{si})p^i]r+[\sum_{i=0}^{n}(a_{si}-a_{mi})p^i]y_s\\\\ (\sum_{i=0}^{n}a_{mi}p^i)e=[\sum_{i=0}^{n}(a_{si}-a_{mi})p^i]y_s+[\sum_{i=0}^{m}(b_{mi}-b_{si})p^i]r \tag{5} \end{array} (∑i=0namipi)(ym−ys)=[∑i=0m(bmi−bsi)pi]r+[∑i=0n(asi−ami)pi]ys(∑i=0namipi)e=[∑i=0n(asi−ami)pi]ys+[∑i=0m(bmi−bsi)pi]r(5)
将其拆分为一个线性前向回路和一个非线性反馈回路。
线性前向回路:
( ∑ i = 0 n a m i p i ) e = w 1 (6) \begin{array}{c} (\sum_{i=0}^{n}a_{mi}p^i)e=w_1 \tag{6} \end{array} (∑i=0namipi)e=w1(6)
非线性反馈回路:
w = − w 1 = [ ∑ i = 0 n ( a m i − a s i ) p i ] y s + [ ∑ i = 0 m ( b s i − b m i ) p i ] r (7) \begin{array}{c} w=-w_1=[\sum_{i=0}^{n}(a_{mi}-a_{si})p^i]y_s+[\sum_{i=0}^{m}(b_{si}-b_{mi})p^i]r \tag{7} \end{array} w=−w1=[∑i=0n(ami−asi)pi]ys+[∑i=0m(bsi−bmi)pi]r(7)
这里依然采用比例+积分的调节规律,即
a s i ( v , t ) = ∫ 0 t φ 1 i ( v , t , τ ) d τ + φ 2 i ( v , t ) + a s i ( 0 ) , i = 0 , 1 , ⋯ , n − 1 b s i ( v , t ) = ∫ 0 t ψ 1 i ( v , t , τ ) d τ + ψ 2 i ( v , t ) + b s i ( 0 ) , i = 0 , 1 , ⋯ , m (8) \begin{array}{c} a_{si}(v,t)=\int_{0}^{t}\varphi_{1i}(v,t,\tau)d\tau + \varphi_{2i}(v,t)+a_{si}(0),\quad i=0,1,\cdots,n-1\\ b_{si}(v,t)=\int_{0}^{t}\psi_{1i}(v,t,\tau)d\tau + \psi_{2i}(v,t)+b_{si}(0),\quad i=0,1,\cdots,m \tag{8} \end{array} asi(v,t)=∫0tφ1i(v,t,τ)dτ+φ2i(v,t)+asi(0),i=0,1,⋯,n−1bsi(v,t)=∫0tψ1i(v,t,τ)dτ+ψ2i(v,t)+bsi(0),i=0,1,⋯,m(8)
将 e q ( 8 ) eq(8) eq(8)代入 e q ( 7 ) eq(7) eq(7)可得
w = − w 1 = − [ ∑ i = 0 n ( a s i − a m i ) p i ] y s + [ ∑ i = 0 n ( b s i − b m i ) p i ] r = − [ ∑ i = 0 n − 1 ( ∫ 0 t φ 1 i ( v , t , τ ) d τ + φ 2 i ( v , t ) + a s i ( 0 ) − a m i ) p i ] y s + [ ∑ i = 0 m ( ∫ 0 t ψ 1 i ( v , t , τ ) d τ + ψ 2 i ( v , t ) + b s i ( 0 ) − b m i ) p i ] r (9) \begin{array}{c} w=-w_1=-[\sum_{i=0}^{n}(a_{si}-a_{mi})p^i]y_s+[\sum_{i=0}^{n}(b_{si}-b_{mi})p^i]r\\ =-[\sum_{i=0}^{n-1}(\int_{0}^{t}\varphi_{1i}(v,t,\tau)d\tau + \varphi_{2i}(v,t)+a_{si}(0)-a_{mi})p^i]y_s \\+[\sum_{i=0}^{m}(\int_{0}^{t}\psi_{1i}(v,t,\tau)d\tau + \psi_{2i}(v,t)+b_{si}(0)-b_{mi})p^i]r \tag{9} \end{array} w=−w1=−[∑i=0n(asi−ami)pi]ys+[∑i=0n(bsi−bmi)pi]r=−[∑i=0n−1(∫0tφ1i(v,t,τ)dτ+φ2i(v,t)+asi(0)−ami)pi]ys+[∑i=0m(∫0tψ1i(v,t,τ)dτ+ψ2i(v,t)+bsi(0)−bmi)pi]r(9)
自适应系统框图为

前向回路传递函数为
h ( s ) = ∑ i = 0 n − 1 d i s i s n + ∑ i = 0 n − 1 a m i s i (10) \begin{array}{c} h(s)=\frac{\sum_{i=0}^{n-1}d_{i}s^i}{s^n+\sum_{i=0}^{n-1}a_{mi}s^i} \tag{10} \end{array} h(s)=sn+∑i=0n−1amisi∑i=0n−1disi(10)
由超稳定性理论可得,前向传递函数 h ( s ) h(s) h(s)要严格正实。
非线性反馈部分,满足波波夫积分不等式:
η ( 0 , t 1 ) = ∫ 0 t 1 v ( t ) w ( t ) d t ≥ − r 0 2 , t 1 > 0 (11) \begin{array}{c} \eta(0,t_1)=\int_{0}^{t_1}v(t)w(t)dt\ge -r^2_0,\quad t_1>0 \tag{11} \end{array} η(0,t1)=∫0t1v(t)w(t)dt≥−r02,t1>0(11)
可得自适应规律为
φ 1 i = − k a i ( t − τ ) v ( τ ) p i y s ( τ ) , τ ⩽ t , i = 0 , 1 , ⋯ , n − 1 φ 2 i = − k a i ′ ( t ) v ( t ) p i y s ( t ) , i = 0 , 1 , ⋯ , n − 1 ψ 1 i = k b i ( t − τ ) v ( τ ) p i r ( τ ) , τ ⩽ t , i = 0 , 1 , ⋯ , m ψ 2 i = k b i ′ ( t ) v ( t ) p i r ( t ) , i = 0 , 1 , ⋯ , m (12) \begin{aligned} & \varphi_{1i}=-k_{ai}\left(t-\tau\right)v\left(\tau\right)p^{i}y_{s}\left(\tau\right),\quad\tau\leqslant t,\quad i=0,1,\cdots,n-1 \\ & \varphi_{2i}=-k_{ai}^{\prime}\left(t\right)v\left(t\right)p^{i}y_{s}\left(t\right),\quad i=0,1,\cdots,n-1 \\ & \psi_{1i}=k_{bi}\left(t-\tau\right)v\left(\tau\right)p^{i}r\left(\tau\right),\quad\tau\leqslant t,\quad i=0,1,\cdots,m\\ & \psi_{2i}=k_{bi}'\left(t\right)v\left(t\right)p^{i}r\left(t\right),\quad \quad i=0,1,\cdots,m \tag{12} \end{aligned} φ1i=−kai(t−τ)v(τ)piys(τ),τ⩽t,i=0,1,⋯,n−1φ2i=−kai′(t)v(t)piys(t),i=0,1,⋯,n−1ψ1i=kbi(t−τ)v(τ)pir(τ),τ⩽t,i=0,1,⋯,mψ2i=kbi′(t)v(t)pir(t),i=0,1,⋯,m(12)
其中, k a i ( t − τ ) , k b i ( t − τ ) k_{ai}\left(t-\tau\right),k_{bi}\left(t-\tau\right) kai(t−τ),kbi(t−τ)为正定积分核,它们的拉普拉斯变换在 s = 0 s=0 s=0处有一极点的正实传递函数; k a i ′ , k b i ′ k_{ai}^{\prime},k_{bi}' kai′,kbi′对于任意 t ≥ 0 t\ge 0 t≥0均有非负增益。
参照上一篇来理解这几个公式(这里解释一下为什么 φ 1 i , φ 2 i \varphi_{1i},\varphi_{2i} φ1i,φ2i带一个负号:因为 e q ( 9 ) eq(9) eq(9)中,第一项前面有符号,而上一篇的推导中是正的,因此这里要带一个负号)。
通过 e q ( 12 ) eq(12) eq(12)我们可以看到,自适应律中带有输入的导数,这实现起来很困难,因此有了后面的两种情况(引入状态变量滤波器)。
2.2 在可调系统输入端和参考模型输出端放置状态变量滤波器

系统参考模型方程 e q ( 1 ) eq(1) eq(1)、可调系统模型方程 e q ( 2 ) eq(2) eq(2)和串联补偿器方程 e q ( 4 ) eq(4) eq(4)与情况一完全相同,定义广义误差方程为
e f = y m f − y s f \begin{array}{c} e_f=y_{mf}-y_{sf} \end{array} ef=ymf−ysf
状态变量滤波器方程为
C ( p ) = ( ∑ i = 0 n − 1 c i p i ) (13) \begin{array}{c} C(p)=(\sum_{i=0}^{n-1}c_ip^i) \tag{13} \end{array} C(p)=(∑i=0n−1cipi)(13)
将状态变量滤波器和参考模型位置互换(如果是线性定常系统交换位置不影响输出 y m f y_{mf} ymf),结构如下

推导方式和情况一相同,其中根据 e q ( 5 ) eq(5) eq(5)可得
( ∑ i = 0 n a m i p i ) ( y m f − y s f ) = [ ∑ i = 0 m ( b m i − b s i ) p i ] r f + [ ∑ i = 0 n ( a s i − a m i ) p i ] y s f ( ∑ i = 0 n a m i p i ) e f = [ ∑ i = 0 n ( a s i − a m i ) p i ] y s f + [ ∑ i = 0 m ( b m i − b s i ) p i ] r f \begin{array}{c} (\sum_{i=0}^{n}a_{mi}p^i)(y_{mf}-y_{sf})=[\sum_{i=0}^{m}(b_{mi}-b_{si})p^i]r_f+[\sum_{i=0}^{n}(a_{si}-a_{mi})p^i]y_{sf}\\\\ (\sum_{i=0}^{n}a_{mi}p^i)e_f=[\sum_{i=0}^{n}(a_{si}-a_{mi})p^i]y_{sf}+[\sum_{i=0}^{m}(b_{mi}-b_{si})p^i]r_f \end{array} (∑i=0namipi)(ymf−ysf)=[∑i=0m(bmi−bsi)pi]rf+[∑i=0n(asi−ami)pi]ysf(∑i=0namipi)ef=[∑i=0n(asi−ami)pi]ysf+[∑i=0m(bmi−bsi)pi]rf
线性前向回路:
( ∑ i = 0 n a m i p i ) e f = w 1 \begin{array}{c} (\sum_{i=0}^{n}a_{mi}p^i)e_f=w_1 \end{array} (∑i=0namipi)ef=w1
非线性反馈回路:
w = − w 1 = − [ ∑ i = 0 n ( a s i − a m i ) p i ] y s f + [ ∑ i = 0 m ( b s i − b m i ) p i ] r f \begin{array}{c} w=-w_1=-[\sum_{i=0}^{n}(a_{si}-a_{mi})p^i]y_{sf}+[\sum_{i=0}^{m}(b_{si}-b_{mi})p^i]r_f \end{array} w=−w1=−[∑i=0n(asi−ami)pi]ysf+[∑i=0m(bsi−bmi)pi]rf
采用比例+积分的调节规律,即
a s i ( v , t ) = ∫ 0 t φ 1 i ( v , t , τ ) d τ + φ 2 i ( v , t ) + a s i ( 0 ) , i = 0 , 1 , ⋯ , n − 1 b s i ( v , t ) = ∫ 0 t ψ 1 i ( v , t , τ ) d τ + ψ 2 i ( v , t ) + b s i ( 0 ) , i = 0 , 1 , ⋯ , m \begin{array}{c} a_{si}(v,t)=\int_{0}^{t}\varphi_{1i}(v,t,\tau)d\tau + \varphi_{2i}(v,t)+a_{si}(0),\quad i=0,1,\cdots,n-1\\ b_{si}(v,t)=\int_{0}^{t}\psi_{1i}(v,t,\tau)d\tau + \psi_{2i}(v,t)+b_{si}(0),\quad i=0,1,\cdots,m \end{array} asi(v,t)=∫0tφ1i(v,t,τ)dτ+φ2i(v,t)+asi(0),i=0,1,⋯,n−1bsi(v,t)=∫0tψ1i(v,t,τ)dτ+ψ2i(v,t)+bsi(0),i=0,1,⋯,m
由 e q ( 10 ) eq(10) eq(10)可得,前向回路传递函数为
h ( s ) = ∑ i = 0 n − 1 d i s i s n + ∑ i = 0 n − 1 a m i s i h(s)=\frac{\sum_{i=0}^{n-1}d_{i}s^i}{s^n+\sum_{i=0}^{n-1}a_{mi}s^i} h(s)=sn+∑i=0n−1amisi∑i=0n−1disi
由超稳定性理论可得,前向传递函数 h ( s ) h(s) h(s)要严格正实。
由 e q ( 12 ) eq(12) eq(12)可得自适应规律为
φ 1 i = − k a i ( t − τ ) v ( τ ) p i y s f ( τ ) , τ ⩽ t , i = 0 , 1 , ⋯ , n − 1 φ 2 i = − k a i ′ ( t ) v ( t ) p i y s f ( t ) , i = 0 , 1 , ⋯ , n − 1 ψ 1 i = k b i ( t − τ ) v ( τ ) p i r f ( τ ) , τ ⩽ t , i = 0 , 1 , ⋯ , m ψ 2 i = k b i ′ ( t ) v ( t ) p i r f ( t ) , i = 0 , 1 , ⋯ , m \begin{aligned} & \varphi_{1i}=-k_{ai}\left(t-\tau\right)v\left(\tau\right)p^{i}y_{sf}\left(\tau\right),\quad\tau\leqslant t,\quad i=0,1,\cdots,n-1 \\ & \varphi_{2i}=-k_{ai}^{\prime}\left(t\right)v\left(t\right)p^{i}y_{sf}\left(t\right),\quad i=0,1,\cdots,n-1 \\ & \psi_{1i}=k_{bi}\left(t-\tau\right)v\left(\tau\right)p^{i}r_f\left(\tau\right),\quad\tau\leqslant t,\quad i=0,1,\cdots,m\\ & \psi_{2i}=k_{bi}'\left(t\right)v\left(t\right)p^{i}r_f\left(t\right),\quad \quad i=0,1,\cdots,m \end{aligned} φ1i=−kai(t−τ)v(τ)piysf(τ),τ⩽t,i=0,1,⋯,n−1φ2i=−kai′(t)v(t)piysf(t),i=0,1,⋯,n−1ψ1i=kbi(t−τ)v(τ)pirf(τ),τ⩽t,i=0,1,⋯,mψ2i=kbi′(t)v(t)pirf(t),i=0,1,⋯,m
可以看到情况二的自适应律和情况一类似,不同点在与将情况一输入的各阶导数转换为状态变量滤波器的输出的各阶导数(更容易获取)。
2.3 在参考模型和可调系统输出端放置状态变量滤波器

上面这种结构的自适应系统,适用于自适应模型跟随控制系统,也适用于自适应式状态观测器。
由参考模型方程
( ∑ i = 0 n a m i p i ) y m = ( ∑ i = 0 m b m i p i ) r , a m n = 1 \begin{array}{c} (\sum_{i=0}^{n}a_{mi}p^i)y_m=(\sum_{i=0}^{m}b_{mi}p^i)r, \quad a_{mn}=1 \end{array} (∑i=0namipi)ym=(∑i=0mbmipi)r,amn=1
可得,系统能观标准型状态方程为
x ˙ m = [ − a m , n − 1 1 ⋯ 0 ⋮ ⋮ ⋮ − a m 1 0 ⋯ 1 − a m 0 0 ⋯ 0 ] x m + [ 0 ⋮ b m m ⋮ b m 0 ] r = A m x m + b m r y m = c T x m = [ 1 0 ⋯ 0 ] x m = x m 1 \dot{x}{m}= \begin{bmatrix} -a{m,n-1} & 1 & \cdots & 0 \\ \vdots & \vdots & & \vdots \\ -a_{m1} & 0 & \cdots & 1 \\ -a_{m0} & 0 & \cdots & 0 \end{bmatrix}x_{m}+ \begin{bmatrix} 0 \\ \vdots \\ b_{mm} \\ \vdots \\ b_{m0} \end{bmatrix}r=A_{m}x_{m}+b_{m}r \\ y_{m}=c^{\mathrm{T}}x_{m}= \begin{bmatrix} 1 & 0 & \cdots & 0 \end{bmatrix}x_{m}=x_{m1} x˙m= −am,n−1⋮−am1−am01⋮00⋯⋯⋯0⋮10 xm+ 0⋮bmm⋮bm0 r=Amxm+bmrym=cTxm=[10⋯0]xm=xm1
参考模型输出端的状态变量滤波器方程为
( ∑ i = 0 n − 1 c i p i ) y m f = y m , c n − 1 = 1 (\sum_{i=0}^{n-1}c_{i}p^{i})y_{{mf}}=y_{{m}},\quad c_{n-1}=1 (i=0∑n−1cipi)ymf=ym,cn−1=1
可调系统方程为
( ∑ i = 0 n a s i p i ) y s = ( ∑ i = 0 m b s i p i ) r , a s n = 1 \begin{array}{c} (\sum_{i=0}^{n}a_{si}p^i)y_s=(\sum_{i=0}^{m}b_{si}p^i)r, \quad a_{sn}=1 \end{array} (∑i=0nasipi)ys=(∑i=0mbsipi)r,asn=1
其能观标准型状态方程为
x ˙ s = [ − a s , n − 1 1 ⋯ 0 ⋮ ⋮ ⋮ − a s 1 0 ⋯ 1 − a s 0 0 ⋯ 0 ] x s + [ 0 ⋮ b s m ⋮ b s 0 ] r + [ 0 u s , n − 2 ⋮ u s 0 ] + [ 0 u b , n − 2 ⋮ u b 0 ] x ˙ s = A s ( v , t ) x s + b s ( v , t ) r + u a ( v , t ) + u b ( v , t ) y s = c ⊺ x s = [ 1 0 ⋯ 0 ] x s = x s 1 \dot{\boldsymbol{x}}{s}= \begin{bmatrix} -a{s,n-1} & 1 & \cdots & 0 \\ \vdots & \vdots & & \vdots \\ -a_{s1} & 0 & \cdots & 1 \\ -a_{s0} & 0 & \cdots & 0 \end{bmatrix}\boldsymbol{x}{s}+ \begin{bmatrix} 0 \\ \vdots \\ b{sm} \\ \vdots \\ b_{s0} \end{bmatrix}r+ \begin{bmatrix} 0 \\ u_{s,n-2} \\ \vdots \\ u_{s0} \end{bmatrix}+ \begin{bmatrix} 0 \\ u_{b,n-2} \\ \vdots \\ u_{b0} \end{bmatrix}\\\\ \dot x_s = \boldsymbol{A}{s}(v,t)\boldsymbol{x}{s}+\boldsymbol{b}{s}(v,t)r+\boldsymbol{u}{a}(v,t)+\boldsymbol{u}{b}(v,t) \\\\ y{s}=\boldsymbol{c}^{\intercal}\boldsymbol{x}{s}= \begin{bmatrix} 1 & 0 & \cdots & 0 \end{bmatrix}\boldsymbol{x}{s}=x_{s1} x˙s= −as,n−1⋮−as1−as01⋮00⋯⋯⋯0⋮10 xs+ 0⋮bsm⋮bs0 r+ 0us,n−2⋮us0 + 0ub,n−2⋮ub0 x˙s=As(v,t)xs+bs(v,t)r+ua(v,t)+ub(v,t)ys=c⊺xs=[10⋯0]xs=xs1
其中, u a ( v , t ) , u b ( v , t ) u_a(v,t),u_b(v,t) ua(v,t),ub(v,t)是为了应用情况二的结论引入的附加信号。
可调系统输出端的状态变量滤波器方程为
( ∑ i = 0 n − 1 c i p i ) y s f = y s , c n − 1 = 1 (\sum_{i=0}^{n-1}c_{i}p^{i})y_{{sf}}=y_{{s}},\quad c_{n-1}=1 (i=0∑n−1cipi)ysf=ys,cn−1=1
定义广义输出误差为
e f = y m f − y s f e_f=y_{mf}-y_{sf} ef=ymf−ysf
串联补偿器方程为
v = D ( p ) e f = ( ∑ i = 0 n − 1 d i p i ) e f \begin{array}{c} v=D(p)e_f=(\sum_{i=0}^{n-1}d_{i}p^i)e_f \end{array} v=D(p)ef=(∑i=0n−1dipi)ef
根据 e q ( 5 ) eq(5) eq(5)可得
( ∑ i = 0 n a m i p i ) ( y m f − y s f ) = [ ∑ i = 0 m ( b m i − b s i ) p i ] r f + [ ∑ i = 0 n ( a s i − a m i ) p i ] y s f ( ∑ i = 0 n a m i p i ) e f = [ ∑ i = 0 n ( a s i − a m i ) p i ] y s f + [ ∑ i = 0 m ( b m i − b s i ) p i ] r f \begin{array}{c} (\sum_{i=0}^{n}a_{mi}p^i)(y_{mf}-y_{sf})=[\sum_{i=0}^{m}(b_{mi}-b_{si})p^i]r_f+[\sum_{i=0}^{n}(a_{si}-a_{mi})p^i]y_{sf}\\\\ (\sum_{i=0}^{n}a_{mi}p^i)e_f=[\sum_{i=0}^{n}(a_{si}-a_{mi})p^i]y_{sf}+[\sum_{i=0}^{m}(b_{mi}-b_{si})p^i]r_f \end{array} (∑i=0namipi)(ymf−ysf)=[∑i=0m(bmi−bsi)pi]rf+[∑i=0n(asi−ami)pi]ysf(∑i=0namipi)ef=[∑i=0n(asi−ami)pi]ysf+[∑i=0m(bmi−bsi)pi]rf
线性前向回路:
( ∑ i = 0 n a m i p i ) e f = w 1 \begin{array}{c} (\sum_{i=0}^{n}a_{mi}p^i)e_f=w_1 \end{array} (∑i=0namipi)ef=w1
非线性反馈回路:
w = − w 1 = − [ ∑ i = 0 n ( a s i − a b i ) p i ] y s f + [ ∑ i = 0 m ( b s i − b m i ) p i ] r f \begin{array}{c} w=-w_1=-[\sum_{i=0}^{n}(a_{si}-a_{bi})p^i]y_{sf}+[\sum_{i=0}^{m}(b_{si}-b_{mi})p^i]r_f \end{array} w=−w1=−[∑i=0n(asi−abi)pi]ysf+[∑i=0m(bsi−bmi)pi]rf
采用调节规律为:
a s i ( v , t ) = ∫ 0 t φ 1 i ( v , t , τ ) d τ + a s i ( 0 ) , i = 0 , 1 , ⋯ , n − 1 b s i ( v , t ) = ∫ 0 t ψ 1 i ( v , t , τ ) d τ + b s i ( 0 ) , i = 0 , 1 , ⋯ , m u a j = φ a j ( v , t , y s f ) , j = 0 , 1 , ⋯ , n − 2 u b j = ψ a j ( v , t , r f ) , j = 0 , 1 , ⋯ , n − 2 \begin{array}{c} a_{si}(v,t)=\int_{0}^{t}\varphi_{1i}(v,t,\tau)d\tau +a_{si}(0),\quad i=0,1,\cdots,n-1\\\\ b_{si}(v,t)=\int_{0}^{t}\psi_{1i}(v,t,\tau)d\tau+b_{si}(0),\quad i=0,1,\cdots,m\\\\ u_{aj}=\varphi_{aj}(v,t,y_{sf}),\quad j=0,1,\cdots,n-2\\\\ u_{bj}=\psi_{aj}(v,t,r_{f}),\quad j=0,1,\cdots,n-2 \end{array} asi(v,t)=∫0tφ1i(v,t,τ)dτ+asi(0),i=0,1,⋯,n−1bsi(v,t)=∫0tψ1i(v,t,τ)dτ+bsi(0),i=0,1,⋯,muaj=φaj(v,t,ysf),j=0,1,⋯,n−2ubj=ψaj(v,t,rf),j=0,1,⋯,n−2
其中 a s i ( v , t ) , b s i ( v , t ) a_{si}(v,t),b_{si}(v,t) asi(v,t),bsi(v,t)采用积分项, u a j , u b j u_{aj},u_{bj} uaj,ubj采用比例项。
为了更好的理解附加信号 u a ( v , t ) , u b ( v , t ) u_{a}(v,t),u_{b}(v,t) ua(v,t),ub(v,t)如何确定,下面先用一个二阶系统为例,然后推广到一般情况。
注:题目中的情况一对应本文的情况二,情况二对应本文的情况三。
对等式 y s = x s 1 y_s=x_{s1} ys=xs1左右两边求一阶和二阶导,可得
y ˙ s = x ˙ s 1 = − a s 1 x s 1 + x s 2 + b s 1 r y ¨ s = x ¨ s 1 = − a ˙ s 1 x s 1 − a s 1 x ˙ s 1 + x ˙ s 2 + b ˙ s 1 r + b s 1 r ˙ = − a ˙ s 1 x s 1 − a s 1 y ˙ s + ( − a s 0 x s 1 + b s 0 r + u a 0 + u b 0 ) + b ˙ s 1 r + b s 1 r ˙ = − a ˙ s 1 y s − a s 1 y ˙ s + ( − a s 0 y s + b s 0 r + u a 0 + u b 0 ) + b ˙ s 1 r + b s 1 r ˙ ⇒ y ¨ s + a s 1 y ˙ s + a s 0 y s = [ b s 1 r ˙ + b s 0 r ] − a ˙ s 1 y s + b ˙ s 1 r + u a 0 + u b 0 \dot y_s=\dot x_{s1}=-a_{s1}x_{s1}+x_{s2}+b_{s1}r \\ \ddot y_s=\ddot x_{s1}=-\dot a_{s1}x_{s1}-a_{s1}\dot x_{s1}+\dot x_{s2}+\dot b_{s1}r+b_{s1}\dot r\\ =-\dot a_{s1}x_{s1}-a_{s1}\dot y_s+(-a_{s0}x_{s1}+b_{s0}r+u_{a0}+u_{b0})+\dot b_{s1}r+b_{s1}\dot r\\ =-\dot a_{s1}y_s-a_{s1}\dot y_s+(-a_{s0}y_s+b_{s0}r+u_{a0}+u_{b0})+\dot b_{s1}r+b_{s1}\dot r \\ \Rightarrow \ddot y_s + a_{s1}\dot y_s+a_{s0}y_s=[b_{s1}\dot r+b_{s0}r]-\dot a_{s1}y_s+\dot b_{s1}r+u_{a0}+u_{b0}\\ y˙s=x˙s1=−as1xs1+xs2+bs1ry¨s=x¨s1=−a˙s1xs1−as1x˙s1+x˙s2+b˙s1r+bs1r˙=−a˙s1xs1−as1y˙s+(−as0xs1+bs0r+ua0+ub0)+b˙s1r+bs1r˙=−a˙s1ys−as1y˙s+(−as0ys+bs0r+ua0+ub0)+b˙s1r+bs1r˙⇒y¨s+as1y˙s+as0ys=[bs1r˙+bs0r]−a˙s1ys+b˙s1r+ua0+ub0
可得
( p 2 + a s 1 p + a s 0 ) y s = ( b s 1 p + b s 0 ) r − a ˙ s 1 y s + b ˙ s 1 r + u a 0 + u b 0 (14) \begin{array}{c} (p^2+ a_{s1}p+a_{s0})y_s=(b_{s1}p+b_{s0})r-\dot a_{s1}y_s+\dot b_{s1}r+u_{a0}+u_{b0} \tag{14} \end{array} (p2+as1p+as0)ys=(bs1p+bs0)r−a˙s1ys+b˙s1r+ua0+ub0(14)
为了证明 y s f y_{sf} ysf和 y s f ′ y'{sf} ysf′是零状态等价的,只需要证明 ( p + c 0 ) y s f ′ (p+c_0)y'{sf} (p+c0)ysf′零状态等价于 y s y_s ys即可。
由情况二结构图可得
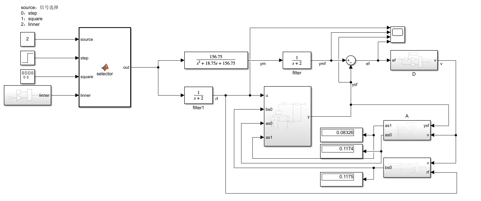
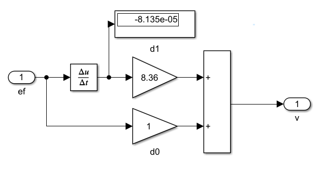
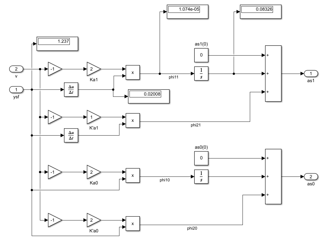
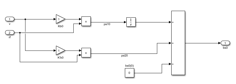
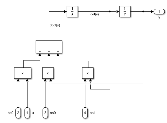
p 2 + a s 1 p + a s 0 \] y s f ′ = \[ b s 1 p + b s 0 \] r f \[p\^2+ a_{s1}p+a_{s0}\]y_{sf}'=\[b_{s1}p+b_{s0}\]r_f \[p2+as1p+as0\]ysf′=\[bs1p+bs0\]rf 左右两边乘 ( p + c 0 ) (p+c_0) (p+c0)可得, ( p + c 0 ) \[ p 2 + a s 1 p + a s 0 \] y s f ′ = ( p + c 0 ) \[ b s 1 p + b s 0 \] r f ⇒ \[ p 2 + a s 1 p + a s 0 \] \[ ( p + c 0 ) y s f ′ \] + a ˙ s 1 ( v , t ) p y s f ′ + a ˙ s 0 y s f ′ = \[ b s 1 p + b s 0 \] \[ ( p + c 0 ) r f \] + b ˙ s 1 p r f + b ˙ s 0 r f (p+c_0)\[p\^2+ a_{s1}p+a_{s0}\]y_{sf}'=(p+c_0)\[b_{s1}p+b_{s0}\]r_f \\\\\\\\ \\Rightarrow \[p\^2+ a_{s1}p+a_{s0}\]\[(p+c_0)y_{sf}'\] + \\dot a_{s1}(v,t)py'_{sf}+ \\dot a_{s0}y'_{sf}\\\\\\\\=\[b_{s1}p+b_{s0}\]\[(p+c_0)r_f\]+ \\dot b_{s1}pr_f + \\dot b_{s0}r_f \\\\ (p+c0)\[p2+as1p+as0\]ysf′=(p+c0)\[bs1p+bs0\]rf⇒\[p2+as1p+as0\]\[(p+c0)ysf′\]+a˙s1(v,t)pysf′+a˙s0ysf′=\[bs1p+bs0\]\[(p+c0)rf\]+b˙s1prf+b˙s0rf 由 ( p + c 0 ) r f = r (p+c_0)r_f=r (p+c0)rf=r可得 \[ p 2 + a s 1 p + a s 0 \] \[ ( p + c 0 ) y s f ′ \] = \[ b s 1 p + b s 0 \] r − a ˙ s 1 p y s f ′ − a ˙ s 0 y s f ′ + b ˙ s 1 p r f + b ˙ s 0 r f (15) \\begin{array}{c} \[p\^2+ a_{s1}p+a_{s0}\]\[(p+c_0)y_{sf}'\]=\[b_{s1}p+b_{s0}\]r- \\dot a_{s1}py'_{sf}- \\dot a_{s0}y'_{sf} +\\dot b_{s1}pr_f + \\dot b_{s0}r_f \\tag{15} \\end{array} \[p2+as1p+as0\]\[(p+c0)ysf′\]=\[bs1p+bs0\]r−a˙s1pysf′−a˙s0ysf′+b˙s1prf+b˙s0rf(15) 通过对比 e q ( 14 ) , e q ( 15 ) eq(14),eq(15) eq(14),eq(15),想要 ( p + c 0 ) y s f ′ (p+c_0)y'_{sf} (p+c0)ysf′零状态等价于 y s y_s ys,则等式两边分别相等,即 − a ˙ s 1 y s + b ˙ s 1 r + u a 0 + u b 0 = − a ˙ s 1 p y s f ′ − a ˙ s 0 y s f ′ + b ˙ s 1 p r f + b ˙ s 0 r f -\\dot a_{s1}y_s+\\dot b_{s1}r+u_{a0}+u_{b0}=- \\dot a_{s1}py'_{sf}- \\dot a_{s0}y'_{sf} +\\dot b_{s1}pr_f + \\dot b_{s0}r_f −a˙s1ys+b˙s1r+ua0+ub0=−a˙s1pysf′−a˙s0ysf′+b˙s1prf+b˙s0rf 可得 u a 0 + u b 0 = a ˙ s 1 y s − b ˙ s 1 r − a ˙ s 1 p y s f ′ − a ˙ s 0 y s f ′ + b ˙ s 1 p r f + b ˙ s 0 r f = a ˙ s 1 ( y s − p y s f ′ ) − a ˙ s 0 y s f ′ + b ˙ s 1 ( p r f − r ) + b ˙ s 0 r f u_{a0}+u_{b0}=\\dot a_{s1}y_s-\\dot b_{s1}r- \\dot a_{s1}py'_{sf}- \\dot a_{s0}y'_{sf} +\\dot b_{s1}pr_f + \\dot b_{s0}r_f\\\\ =\\dot a_{s1}(y_s-py'_{sf})- \\dot a_{s0}y'_{sf}+\\dot b_{s1}(pr_f-r) + \\dot b_{s0}r_f ua0+ub0=a˙s1ys−b˙s1r−a˙s1pysf′−a˙s0ysf′+b˙s1prf+b˙s0rf=a˙s1(ys−pysf′)−a˙s0ysf′+b˙s1(prf−r)+b˙s0rf 令 u a 0 = a ˙ s 1 ( y s − p y s f ′ ) − a ˙ s 0 y s f ′ u b 0 = b ˙ s 1 ( p r f − r ) + b ˙ s 0 r f (16) \\begin{array}{c} u_{a0}=\\dot a_{s1}(y_s-py'_{sf})- \\dot a_{s0}y'_{sf} \\\\ u_{b0}=\\dot b_{s1}(pr_f-r) + \\dot b_{s0}r_f \\tag{16} \\end{array} ua0=a˙s1(ys−pysf′)−a˙s0ysf′ub0=b˙s1(prf−r)+b˙s0rf(16) 可以得到 ( p + c 0 ) y s f ′ (p+c_0)y'_{sf} (p+c0)ysf′零状态等价于 y s y_s ys,利用 y s f y_{sf} ysf代替 y s f ′ y_{sf}' ysf′可得 u a 0 = a ˙ s 1 c 0 p y s f − a ˙ s 0 y s f u b 0 = − b ˙ s 1 c 0 r f + b ˙ s 0 r f (17) \\begin{array}{c} u_{a0}=\\dot a_{s1}c_0py_{sf}- \\dot a_{s0}y_{sf} \\\\ u_{b0}=-\\dot b_{s1}c_0r_f + \\dot b_{s0}r_f \\tag{17} \\end{array} ua0=a˙s1c0pysf−a˙s0ysfub0=−b˙s1c0rf+b˙s0rf(17) 由前面推导 e q ( 4 ) , e q ( 6 ) , e q ( 9 ) eq(4),eq(6),eq(9) eq(4),eq(6),eq(9) ( ∑ i = 0 n a m i p i ) e f = w 1 v = ( ∑ i = 0 n − 1 d i p i ) e f w = − w 1 = − \[ ∑ i = 0 n − 1 ( ∫ 0 t φ 1 i ( v , t , τ ) d τ + φ 2 i ( v , t ) + a s i ( 0 ) − a m i ) p i \] y s f + \[ ∑ i = 0 m ( ∫ 0 t ψ 1 i ( v , t , τ ) d τ + ψ 2 i ( v , t ) + b s i ( 0 ) − b m i ) p i \] r f \\begin{array}{c} (\\sum_{i=0}\^{n}a_{mi}p\^i)e_f=w_1 \\\\\\\\ v=(\\sum_{i=0}\^{n-1}d_{i}p\^i)e_f \\\\\\\\ w=-w_1=-\[\\sum_{i=0}\^{n-1}(\\int_{0}\^{t}\\varphi_{1i}(v,t,\\tau)d\\tau + \\varphi_{2i}(v,t)+a_{si}(0)-a_{mi})p\^i\]y_{sf} \\\\+\[\\sum_{i=0}\^{m}(\\int_{0}\^{t}\\psi_{1i}(v,t,\\tau)d\\tau + \\psi_{2i}(v,t)+b_{si}(0)-b_{mi})p\^i\]r_f \\end{array} (∑i=0namipi)ef=w1v=(∑i=0n−1dipi)efw=−w1=−\[∑i=0n−1(∫0tφ1i(v,t,τ)dτ+φ2i(v,t)+asi(0)−ami)pi\]ysf+\[∑i=0m(∫0tψ1i(v,t,τ)dτ+ψ2i(v,t)+bsi(0)−bmi)pi\]rf 可得 ( p 2 + a m 1 p + a m 0 ) e f = w 1 v = ( d 1 p + d 0 ) e f w = − w 1 = − ∑ i = 0 1 \[ φ 1 i ( v , t , τ ) d τ + a s i ( 0 ) − a m i \] p i y s f + ∑ i = 0 1 \[ ψ 1 i ( v , t , τ ) d τ + b s i ( 0 ) − b m i \] p i r f \\begin{array}{c} (p\^2+a_{m1}p+a_{m0})e_f=w_1\\\\\\\\ v=(d_1p+d_0)e_f \\\\\\\\ w=-w_1=-\\sum_{i=0}\^{1}\[\\varphi_{1i}(v,t,\\tau)d\\tau +a_{si}(0)-a_{mi}\]p\^iy_{sf} \\\\ +\\sum_{i=0}\^{1}\[\\psi_{1i}(v,t,\\tau)d\\tau + b_{si}(0)-b_{mi}\]p\^ir_f \\end{array} (p2+am1p+am0)ef=w1v=(d1p+d0)efw=−w1=−∑i=01\[φ1i(v,t,τ)dτ+asi(0)−ami\]piysf+∑i=01\[ψ1i(v,t,τ)dτ+bsi(0)−bmi\]pirf 注: a s i , b s i a_{si},b_{si} asi,bsi采用调节规律为积分项,因此 φ 2 i = ψ 2 i = 0 \\varphi_{2i}=\\psi_{2i}=0 φ2i=ψ2i=0。 前向回路传递函数为 h ( s ) = d 1 s + d 0 s 2 + a m 1 s + a m 0 h(s)=\\frac{d_1s+d_0}{s\^2+a_{m1}s+a_{m0}} h(s)=s2+am1s+am0d1s+d0 要求 h ( s ) h(s) h(s)严格正实。 由 e q ( 12 ) eq(12) eq(12)参数自适应律为 a s 1 ( t ) = − ∫ 0 t k a 1 v ( τ ) \[ p y s f ( τ ) \] d τ + a s 1 ( 0 ) a s 0 ( t ) = − ∫ 0 t k a 0 v ( τ ) y s f ( τ ) d τ + a s 0 ( 0 ) b s 1 ( t ) = − ∫ 0 t k b 1 v ( τ ) \[ p r f ( τ ) \] d τ + b s 1 ( 0 ) b s 0 ( t ) = − ∫ 0 t k b 0 v ( τ ) r f ( τ ) d τ + b s 0 ( 0 ) (18) \\begin{array}{c} a_{s1}(t)=-\\int_{0}\^{t}k_{a1}v(\\tau)\[py_{sf}(\\tau)\]d\\tau +a_{s1}(0)\\\\\\\\ a_{s0}(t)=-\\int_{0}\^{t}k_{a0}v(\\tau)y_{sf}(\\tau)d\\tau +a_{s0}(0)\\\\\\\\ b_{s1}(t)=-\\int_{0}\^{t}k_{b1}v(\\tau)\[pr_{f}(\\tau)\]d\\tau +b_{s1}(0)\\\\\\\\ b_{s0}(t)=-\\int_{0}\^{t}k_{b0}v(\\tau)r_{f}(\\tau)d\\tau +b_{s0}(0)\\\\\\\\ \\tag{18} \\end{array} as1(t)=−∫0tka1v(τ)\[pysf(τ)\]dτ+as1(0)as0(t)=−∫0tka0v(τ)ysf(τ)dτ+as0(0)bs1(t)=−∫0tkb1v(τ)\[prf(τ)\]dτ+bs1(0)bs0(t)=−∫0tkb0v(τ)rf(τ)dτ+bs0(0)(18) 其中 k a 1 , k a 0 , k b 1 , k b 0 k_{a1},k_{a0},k_{b1},k_{b0} ka1,ka0,kb1,kb0为正实数。由 e q ( 17 ) eq(17) eq(17)可得 u a 0 = k a 0 v ( t ) y s f 2 − k a 1 v ( t ) \[ p y s f \] c 0 p y s f u b 0 = k b 0 v ( t ) r f 2 − k b 1 v ( t ) \[ p r f \] c 0 r f (19) \\begin{array}{c} u_{a0}=k_{a0}v(t)y\^2_{sf} - k_{a1}v(t)\[py_{sf}\]c_0py_{sf} \\\\\\\\ u_{b0}=k_{b0}v(t)r\^2_{f} - k_{b1}v(t)\[pr_{f}\]c_0r_{f} \\tag{19} \\end{array} ua0=ka0v(t)ysf2−ka1v(t)\[pysf\]c0pysfub0=kb0v(t)rf2−kb1v(t)\[prf\]c0rf(19) 至此,通过该例题知道了如何确定 u a , u b u_{a},u_{b} ua,ub。 -------------------------------------------------------------------------------- -------------------------------------------------------------------------------- 下面,通过 e q ( 18 ) , e q ( 19 ) eq(18),eq(19) eq(18),eq(19)来确定一般情况下的自适应律选择。 a s i ( t ) = − ∫ 0 t k a i ( t − τ ) v ( τ ) p i y s f ( τ ) d τ + a s i ( 0 ) , i = 0 , 1 , ⋯ , n − 1 b s i ( t ) = − ∫ 0 t k b i ( t − τ ) v ( τ ) p i r f ( τ ) d τ + b s i ( 0 ) , i = 0 , 1 , ⋯ , m (20) \\begin{array}{c} a_{si}(t)=-\\int_{0}\^{t}k_{ai}(t-\\tau)v(\\tau)p\^iy_{sf}(\\tau)d\\tau +a_{si}(0),\\quad i=0,1,\\cdots,n-1\\\\\\\\ b_{si}(t)=-\\int_{0}\^{t}k_{bi}(t-\\tau)v(\\tau)p\^ir_{f}(\\tau)d\\tau +b_{si}(0),\\quad i=0,1,\\cdots,m\\\\\\\\ \\tag{20} \\end{array} asi(t)=−∫0tkai(t−τ)v(τ)piysf(τ)dτ+asi(0),i=0,1,⋯,n−1bsi(t)=−∫0tkbi(t−τ)v(τ)pirf(τ)dτ+bsi(0),i=0,1,⋯,m(20) 其中 k a i ( t − τ ) , k b i ( t − τ ) k_{ai}(t-\\tau),k_{bi}(t-\\tau) kai(t−τ),kbi(t−τ)为正定积分核,它们的拉普拉斯变换在 s = 0 s=0 s=0处有一极点的正实传递函数。特殊地,可以选取 k a i ( t − τ ) = k a i \> 0 , t ≥ τ k b i ( t − τ ) = k b i \> 0 , t ≥ τ k_{ai}(t-\\tau)=k_{ai} \>0,\\quad t\\ge \\tau \\\\ k_{bi}(t-\\tau)=k_{bi} \>0,\\quad t\\ge \\tau kai(t−τ)=kai\>0,t≥τkbi(t−τ)=kbi\>0,t≥τ 自适应信号为 u a j ( v , t ) = − ∑ i = 0 j a ˙ s i ( v , t ) ( p n − j − 2 + ∑ l = 0 n − 3 − j c l + 1 + j p l ) p i y s f + ∑ i = j + 1 n − 1 a ˙ s i ( v , t ) ( ∑ l = 0 j c l p l ) p i − j − 1 y s f , j = 0 , 1 , ⋯ , n − 2 u b j ( v , t ) = − ∑ i = 0 j b ˙ s i ( v , t ) ( p n − j − 2 + ∑ l = 0 n − 3 − j c l + 1 + j p l ) p i r f − ∑ i = j + 1 m b ˙ s i ( v , t ) ( ∑ l = 0 j c l p l ) p i − j − 1 r f , j = 0 , 1 , ⋯ , n − 2 (21) \\begin{array}{c} u_{aj}(v,t) = -\\sum_{i=0}\^{j} \\dot{a}_{si}(v,t) (p\^{n-j-2}+\\sum_{l=0}\^{n-3-j}c_{l+1+j}p\^l)p\^iy_{sf}\\\\\\\\+ \\sum_{i=j+1}\^{n-1} \\dot{a}_{si}(v,t)(\\sum_{l=0}\^{j} c_l p\^{l})p\^{i-j-1}y_{sf}, \\quad j=0,1,\\cdots,n-2 \\\\\\\\ u_{bj}(v,t) = -\\sum_{i=0}\^{j} \\dot{b}_{si}(v,t) (p\^{n-j-2}+\\sum_{l=0}\^{n-3-j}c_{l+1+j}p\^l)p\^ir_{f}\\\\\\\\- \\sum_{i=j+1}\^{m} \\dot{b}_{si}(v,t)(\\sum_{l=0}\^{j} c_l p\^{l})p\^{i-j-1}r_{f}, \\quad j=0,1,\\cdots,n-2 \\\\ \\tag{21} \\end{array} uaj(v,t)=−∑i=0ja˙si(v,t)(pn−j−2+∑l=0n−3−jcl+1+jpl)piysf+∑i=j+1n−1a˙si(v,t)(∑l=0jclpl)pi−j−1ysf,j=0,1,⋯,n−2ubj(v,t)=−∑i=0jb˙si(v,t)(pn−j−2+∑l=0n−3−jcl+1+jpl)pirf−∑i=j+1mb˙si(v,t)(∑l=0jclpl)pi−j−1rf,j=0,1,⋯,n−2(21) ## 3、例题  此题采用情况二来设计:  通过参考模型的传递函数写出对应的微分方程为 ( 0.0 8 2 p 2 + 2 × 0.08 × 0.75 p + 1 ) y m = r \\begin{array}{c} (0.08\^2p\^2+2\\times 0.08 \\times 0.75 p + 1)y_m=r \\end{array} (0.082p2+2×0.08×0.75p+1)ym=r 将其转为首一形式为 ( p 2 + 18.75 p + 156.25 ) y m = r 0.0 8 2 \\begin{array}{c} (p\^2+18.75 p + 156.25)y_m=\\frac{r}{0.08\^2} \\end{array} (p2+18.75p+156.25)ym=0.082r 参考模型输出端的状态变量滤波器方程为 ( p + c 0 ) y m f = y m \\begin{array}{c} (p+c_0)y_{mf}=y_m \\end{array} (p+c0)ymf=ym 同理,可得控制对象的首一形式的微分方程为 ( p 2 + 2 ξ 1 T 1 p + 1 T 1 2 ) y s f = k 1 T 1 2 r f \\begin{array}{c} (p\^2+\\frac{2\\xi_1}{T_1} p + \\frac{1}{T_1\^2})y_{sf}=\\frac{k_1}{T_1\^2}r_f \\end{array} (p2+T12ξ1p+T121)ysf=T12k1rf 可调系统输入端的状态变量滤波器方程为 ( p + c 0 ) r f = r \\begin{array}{c} (p+c_0)r_{f}=r \\end{array} (p+c0)rf=r 交换参考模型和状态变量滤波器位置,可得 参考模型输入端的状态变量滤波器方程为 ( p + c 0 ) r f = r \\begin{array}{c} (p+c_0)r_{f}=r \\end{array} (p+c0)rf=r 参考模型的微分方程为 ( p 2 + 18.75 p + 156.25 ) y m f = r f 0.0 8 2 \\begin{array}{c} (p\^2+18.75 p + 156.25)y_{mf}=\\frac{r_f}{0.08\^2} \\end{array} (p2+18.75p+156.25)ymf=0.082rf 串联补偿器方程为 v = D ( p ) e f = ( d 1 p + d 0 ) e f \\begin{array}{c} v=D(p)e_f=(d_1p+d_0)e_f \\end{array} v=D(p)ef=(d1p+d0)ef 定义广义误差方程为 e f = y m f − y s f \\begin{array}{c} e_f=y_{mf}-y_{sf} \\end{array} ef=ymf−ysf 由 e q ( 5 ) eq(5) eq(5)可得 ( p 2 + a m 1 p + a m 0 ) e f = w 1 v = ( d 1 p + d 0 ) e f w = − w 1 = − \[ ( a s 1 − a m 1 ) p + ( a s 0 − a m 0 ) \] y s f + ( b s 0 − b m 0 ) \] r f \\begin{array}{c} (p\^2+a_{m1}p+a_{m0})e_f=w_1 \\\\ v=(d_1p+d_0)e_f \\\\ w=-w_1=-\[(a_{s1}-a_{m1})p+(a_{s0}-a_{m0})\]y_{sf}+(b_{s0}-b_{m0})\]r_f \\end{array} (p2+am1p+am0)ef=w1v=(d1p+d0)efw=−w1=−\[(as1−am1)p+(as0−am0)\]ysf+(bs0−bm0)\]rf 可得,线性前向传递函数为 h ( s ) = d 1 s + d 0 s 2 + a m 1 s + a m 0 h(s)=\\frac{d_1s+d_0}{s\^2+a_{m1}s+a_{m0}} h(s)=s2+am1s+am0d1s+d0 代入 a m 1 = 18.75 , a m 0 = 156.75 a_{m1}=18.75,a_{m0}=156.75 am1=18.75,am0=156.75得 h ( s ) = d 1 s + d 0 s 2 + 18.75 s + 156.75 h(s)=\\frac{d_1s+d_0}{s\^2+18.75s+156.75} h(s)=s2+18.75s+156.75d1s+d0 由介绍[超稳定性理论](https://blog.csdn.net/weixin_51303932/article/details/147654920)一篇中的例题可得,当 a m 1 d 1 ≥ a m 0 d 0 a_{m1}d_1 \\ge a_{m0}d_0 am1d1≥am0d0时,函数 h ( s ) h(s) h(s)严格正实。因此,有 18.75 d 1 ≥ 156.75 d 0 ⇒ d 1 d 0 ≥ 8.36 18.75d_1\\ge 156.75d_0 \\Rightarrow \\frac{d_1}{d_0}\\ge 8.36 18.75d1≥156.75d0⇒d0d1≥8.36 选取自适应律为 a s i ( v , t ) = ∫ 0 t φ 1 i ( v , t , τ ) d τ + φ 2 i ( v , t ) + a s i ( 0 ) , i = 0 , 1 b s 0 ( v , t ) = ∫ 0 t ψ 10 ( v , t , τ ) d τ + ψ 20 ( v , t ) + b s 0 ( 0 ) a_{si}(v,t)=\\int_{0}\^{t}\\varphi_{1i}(v,t,\\tau)d\\tau+\\varphi_{2i}(v,t)+a_{si}(0),\\quad i=0,1 \\\\ b_{s0}(v,t)=\\int_{0}\^{t}\\psi_{10}(v,t,\\tau)d\\tau+\\psi_{20}(v,t)+b_{s0}(0) asi(v,t)=∫0tφ1i(v,t,τ)dτ+φ2i(v,t)+asi(0),i=0,1bs0(v,t)=∫0tψ10(v,t,τ)dτ+ψ20(v,t)+bs0(0) 根据超稳定性理论可得, φ 11 = − k a 1 ( t − τ ) v ( τ ) p y s f ( τ ) , τ ≤ t φ 10 = − k a 0 ( t − τ ) v ( τ ) y s f ( τ ) , τ ≤ t φ 21 = − k a 1 ′ ( t ) v ( t ) p y s f ( t ) φ 20 = − k a 0 ′ ( t ) v ( t ) y s f ( t ) ψ 10 = k b 0 ( t − τ ) v ( τ ) r f ( τ ) , τ ≤ t ψ 20 = k b 0 ′ ( t ) v ( t ) r f ( t ) \\varphi_{11}=-k_{a1}(t-\\tau)v(\\tau)py_{sf}(\\tau),\\tau \\le t \\\\ \\varphi_{10}=-k_{a0}(t-\\tau)v(\\tau)y_{sf}(\\tau),\\tau \\le t \\\\ \\varphi_{21}=-k_{a1}'(t)v(t)py_{sf}(t) \\\\ \\varphi_{20}=-k_{a0}'(t)v(t)y_{sf}(t) \\\\ \\psi_{10}=k_{b0}(t-\\tau)v(\\tau)r_{f}(\\tau),\\tau \\le t \\\\ \\psi_{20}=k_{b0}'(t)v(t)r_{f}(t) \\\\ φ11=−ka1(t−τ)v(τ)pysf(τ),τ≤tφ10=−ka0(t−τ)v(τ)ysf(τ),τ≤tφ21=−ka1′(t)v(t)pysf(t)φ20=−ka0′(t)v(t)ysf(t)ψ10=kb0(t−τ)v(τ)rf(τ),τ≤tψ20=kb0′(t)v(t)rf(t) 其中, k a 1 ( t − τ ) , k a 0 ( t − τ ) , k b 0 ( t − τ ) k_{a1}(t-\\tau),k_{a0}(t-\\tau),k_{b0}(t-\\tau) ka1(t−τ),ka0(t−τ),kb0(t−τ)为正定积分核,它们的拉普拉斯变换在 s = 0 s=0 s=0处有一极点的正实传递函数; k a 1 ′ ( t ) , k a 0 ′ ( t ) , k b 0 ′ ( t ) k_{a1}'(t),k_{a0}'(t),k_{b0}'(t) ka1′(t),ka0′(t),kb0′(t)对于任意 t ≥ 0 t\\ge 0 t≥0均有非负标量增益。 参数设置: k a 1 ( t − τ ) = k a 0 ( t − τ ) = 2 , k b 0 ( t − τ ) = 1 k_{a1}(t-\\tau)=k_{a0}(t-\\tau)=2,k_{b0}(t-\\tau)=1 ka1(t−τ)=ka0(t−τ)=2,kb0(t−τ)=1; k a 1 ′ ( t ) = k a 0 ′ ( t ) = k b 0 ′ ( t ) = 1 k_{a1}'(t)=k_{a0}'(t)=k_{b0}'(t)=1 ka1′(t)=ka0′(t)=kb0′(t)=1; d 0 = 1 , d 1 = 8.36 d_0=1,d_1=8.36 d0=1,d1=8.36 搭建simulink仿真为:  其中 D D D为补偿器  A A A模块为根据自适应律计算 a s 0 , a s 1 a_{s0},a_{s1} as0,as1  B B B模块同理  控制对象模块为 这里需要进行一个简单推导 y s = b s 0 r s 2 + a s 1 s + a s 0 y ¨ = − a s 1 y ˙ − a s 0 y + b s 0 r y_s=\\frac{b_{s0}r}{s\^2+a_{s1}s+a_{s0}}\\\\ \\ddot y=-a_{s1}\\dot y-a_{s0}y+b_{s0}r ys=s2+as1s+as0bs0ry¨=−as1y˙−as0y+bs0r  当输入 s t e p step step信号时,  输入 s q u a r e square square信号时,  输入 l i n n e r linner linner信号时,  可以看到在自适应律的调节下被控对象可以完全跟上参考模型。 ## 4、总结 结合上一篇[用状态变量根据超稳定性理论设计模型参考自适应系统](https://blog.csdn.net/weixin_51303932/article/details/147684784?sharetype=blogdetail&sharerId=147684784&sharerefer=PC&sharesource=weixin_51303932&spm=1011.2480.3001.8118)和本文用输入输出变量根据超稳定性理论设计模型参考自适应系统,可以看到都是直接从 A s , B s A_s,B_s As,Bs或者 a s i , b s i a_{si},b_{si} asi,bsi出发,调节这几个参数使其输出跟上参考模型的输出(可以看作重新设计一个新系统,使其输出与参考模型输出一致),并没有从控制对象的 A p , B p A_p,B_p Ap,Bp或者 a p i , b p i a_{pi},b_{pi} api,bpi出发。也就是说,我们可以在原来的被控对象基础上,通过添加前馈+反馈使其输出和构造的新系统输出一致即可(具体实现可以参考上一篇[用状态变量根据超稳定性理论设计模型参考自适应系统](https://blog.csdn.net/weixin_51303932/article/details/147684784?sharetype=blogdetail&sharerId=147684784&sharerefer=PC&sharesource=weixin_51303932&spm=1011.2480.3001.8118)最后的总结部分)。 至此,模型参考自适应控制这一版块就全部介绍完毕,下一篇开始将会介绍一个新的板块自校正控制。