数字电子技术基础(五十五)——D触发器

1 D触发器

我们知道电平触发在CLK=1、S=1、R=1的时候,有不确定的状态,输出会进入不稳定状态,这种情况下电路可能会导致逻辑错误,通过如果在时钟信号有效期间,如果S和R在此期间发生了多次变化,那么输出会随着发生多次变化,导致抗干扰能力较差。

因此,在电平触发SR触发器的基础上,对于电路进行了改进。D触发器相对于电平触发SR触发器进行了简化设计,D触发器仅需要单个输入信号,相对于电平触发SR触发器的两个输入信号S和R更加简介。D触发器的电路如下所示:
图1 D触发器的电路图

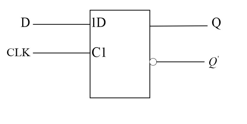
D触发器的图形符号如下所示:
图2 D触发器的图形符号

当CLK=0时,与电平触发SR触发器相同,触发器的输出结果保持不变。当CLK=1,D=0,此时触发器输出为0,即复位操作。当CLK=1,D=1,此时触发器输出为1,即为置位操作。

总结:

  • 当CLK=0时,无论D为何值,此时Q和Q'保持不变。
  • 当CLK=1、D=0时,此时Q输出为0(复位)。
  • 当CLK=1、D=1时,此时Q输出为1(置位)。

D触发器的真值表如下所示:

CLK D Q
0 × 0 0
0 × 1 1
1 0 0 0
1 0 1 0
1 1 0 1
1 1 1 1
[表1 电平触发D触发器的特性表]

2 使用Digital软件来绘制D触发器

(1)绘制D触发器

使用Digital软件来绘制D触发器如下所示:
图3 使用Digital软件绘制D触发器的电路图

运行该电路,当CLK=1、D=0时,电路输入如下所示:
图4 D触发器运行验证图1

可以看到电路完成了置0操作(即复位)。此时在原有电路的基础上在将CLK设置为低电平,如下所示:
图5 D触发器运行验证图2

可以看到当CLK=0、D=0时,电路保持原来的状态。在原有基础上,将输入信号D设置为高电平:
图6 D触发器运行验证图3

可以看到CLK=0、D=1时此时电平输出结果没有发生变化。此时将CLK设置为高电平:
图7 D触发器运行验证图4

可以看到此时电路置1(即置位)。如果再将输入信号CLK接低电平,输出结果如下所示:
图8 D触发器运行验证图5

可以看到结果没有发生变化,可以得到结果结论当CLK=0时,D触发器的输出结果不发生变化。

将D触发器的电路图进行保存,可以作为脉冲触发的触发器电路的组件。保存过程如下所示:
图9 将D触发器做为组件进行保存

相关推荐
maverick_1117 小时前
【FPGA】 在Verilog中,! 和 ~ 的区别
fpga开发
CODECOLLECT13 小时前
京元 I62D Windows PDA 技术拆解:Windows 10 IoT 兼容 + 硬解码模块,如何降低工业软件迁移成本?
stm32·单片机·嵌入式硬件
BackCatK Chen14 小时前
STM32+FreeRTOS:嵌入式开发的黄金搭档,未来十年就靠它了!
stm32·单片机·嵌入式硬件·freertos·低功耗·rtdbs·工业控制
全栈游侠17 小时前
STM32F103XX 02-电源与备份寄存器
stm32·单片机·嵌入式硬件
Lsir10110_17 小时前
【Linux】中断 —— 操作系统的运行基石
linux·运维·嵌入式硬件
深圳市九鼎创展科技19 小时前
瑞芯微 RK3399 开发板 X3399 评测:高性能 ARM 平台的多面手
linux·arm开发·人工智能·单片机·嵌入式硬件·边缘计算
辰哥单片机设计19 小时前
STM32项目分享:车辆防盗报警系统
stm32·单片机·嵌入式硬件
小龙报20 小时前
【51单片机】从 0 到 1 玩转 51 蜂鸣器:分清有源无源,轻松驱动它奏响新年旋律
c语言·数据结构·c++·stm32·单片机·嵌入式硬件·51单片机
范纹杉想快点毕业20 小时前
嵌入式与单片机开发核心学习指南——从思维转变到第一性原理的深度实践
单片机·嵌入式硬件
Industio_触觉智能20 小时前
瑞芯微RK3566开发板规格书,详细参数配置,型号EVB3566-V1,基于RK3566核心板SOM3566邮票孔封装
嵌入式硬件·开发板·rk3568·rk3566·核心板·瑞芯微