目录
一、MOS管
1. MOS简介
这里以nmos管为例,注意箭头方向。G门极/栅极,D漏极,S源极。
当给G通高电平时,灯泡点亮,给G通低电平时,灯泡熄灭。

mos管有4个参数需要注意:封装、Vgsth、Rdson、Cgs

nmos可以看成是由电压控制的电阻,电压是G-S两端的电压差,电阻是D-S之间的电阻。这个电阻的阻值会随着GS电压的变化而变化,不是线性对应关系。
1.1Vgsth

GS两端电压低于Vgsth时,DS两端电阻值接近于无穷, GS两端电压高于Vgsth时,DS两端电阻值接近于0。Vgsth也被称为临界电压,只有当DS两端电压大于这个值时,mos管才会打开。
1.2 Rdson
**当mos管完全打开时,**DS两端电阻值就是Rdson。Rdson越小越好,其所分担的电压越小,发热也低,但所对应的价格也越高一般对应的体积也越大。
1.3 Cgs

Cgs指的是gs之间的寄生电容,所有的nmos都有, 制作工艺问题,无法被避免。
1.其会影响到mos管的打开速度,加载到G极的电压,会先给这个电容充电,导致G极电压会有一个爬升的过程。
2.Cgs一般与Rdson成反比关系。

2. NMOS和PMOS的区别
2.1 区别

对于pmos,G极给低电压时,灯泡才会被点亮。

问题一:为什么pmos在灯泡上面,nmos在灯泡下面?

若nmos放在灯泡上面,当nmos被打开后,Rds的阻值接近于0,等效为右边的形式。此刻若还想维持灯泡点亮的状态,Vg必须大于Vs+Vgs,接近于10v,而G极供电最高只有5v,无法继续维持nmos的打开状态。所以nmos出现不稳定状态。
问题二:对于灯泡而言,放在上面和放在下面有什么本质区别?

将灯泡换做芯片,
1.芯片的GND没有与其他芯片共地,会出现通信混乱的问题;
2.nmos管关闭的时候,芯片的VCC直接接+5V,电流会通过芯片引脚流出去,会让芯片进入一个未知的状态;

总结:
对于灯泡这种无源器件,使用nmos作为下管;对于芯片这种有源器件,使用pmos作为上管;既解决共地问题,又隔绝电源。
2.2 PMOS的等效模型
Vs大于Vg的时候,pmos才被打开。

3. MOS和三极管的区别
给基极通高电压,三极管导通,灯泡被打开

mos管是电压控制的元器件;
三极管是电流控制的元器件;
三极管BE之间等效成一个二极管,当B极高电压时,BE之间存在持续的电流,有电流三极管打开,没有电流,灯泡瞬间熄灭。三极管打开的必要条件:BE之间存在必要的电流;

只要维持GS两端的电压差,mos管就可以打开。因为寄生电容的存在,即使撤走G极的高电压,灯泡也会亮一会再熄灭,电容上的电荷被耗光。

mos管优点:1.静态电流小省电;2.导通阻抗小;
mos管导通后,Rds的阻值非常小;三极管导通后CE等效为一个二极管;

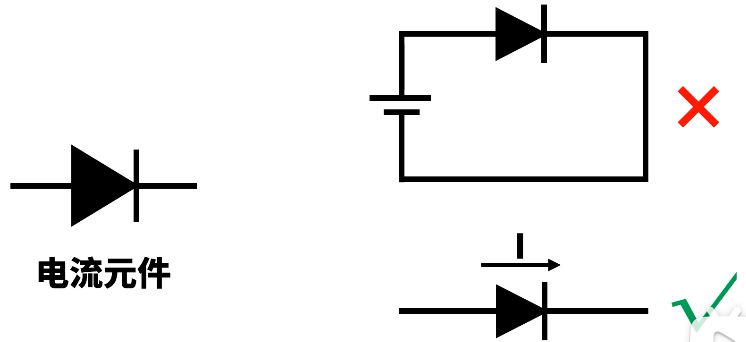
二、二极管
1. 二极管


2. 稳压二极管

普通二极管,当施加反向电压时,流过的电流为0,表现出反向截止的特性;但当反向电压足够大时,二极管被击穿,永久损坏。

稳压二极管被反向击穿后,不管流过这个二极管的电流多大,其两端的电压都是6V。


注意:
- 这个R1电阻一定要存在,否则会导致电流过大而烧毁稳压二极管;
2.对于R2是取值有限制,阻值太小无法击穿稳压二极管;

缺点:
1.不适合大负载场景,发热严重;
2.缺乏反馈,输出不稳定;
三、IGBT
mos管代替开关

mos管不可替代,mos管不耐高压

三极管耐高压,但也需要打电流;
通过单片机直接相连B极,单片机无法输出1A的电流,max=20ma;

1.需要一个额外的5V电源和一个电阻;
2.输出的pwm和开关是反向的;


mos管喝三极管的组合就是IGBT

通过高速开关产生pwm

四、运算放大器
1. 理论
通常A的值非常大,高达几十万


2. 当比较器使用(非线性区)

3.放大区(非线性区)
为了使用到线性区,引入负反馈


4. 虚断
本质:理想运放的输入无穷大;
in = ip = 0;

5. 虚短
本质:当运放引入负反馈时,Un = Up;

6.放大区公式推导





五、推挽、开漏、上拉电阻

1. 推挽模式

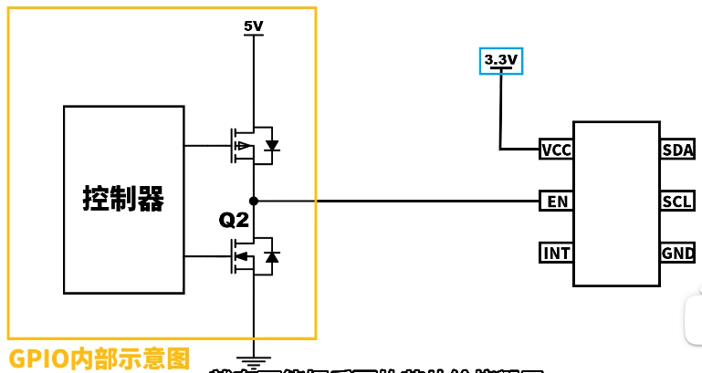
2. 开漏模式

1.开漏:实现5v对3v的控制
若使用推挽模式,上mos导通,EN接5v,会导致芯片烧毁;

开漏模式常与上拉电阻搭配,当mos关闭时,输出处于高组态,此刻上拉电阻发挥作用;

2.开漏:实现 几个gpio对一个输入的控制
若使用推挽模式,下面这种情况会烧毁mos

使用开漏模式,任意一个mos打开,EN引脚都会被拉低到低电平;
只有2个mos都关闭时,EN被上拉电阻上拉到3.3v

3. 上拉电阻
3.1 作用
作用:辅助浮空状态输出高电平;
R2的阻值非常大,因此流过R1的电流非常小;

3.2 阻值如何取值

当mos打开时,会产生漏电流,是白白浪费掉的;
因此希望阻值越大越好;

低电平向高电平转换时,存在一个爬升过程,爬升的过程就是电阻R1给电容充电的过程;
电阻阻值越大,爬升过程越慢;


