技术栈
基于labview的声音采集、存储、处理
Abcdsa
2025-05-19 14:48
程序1:基于声卡的数据采集
程序2:基于声卡的双声道模拟输出
程序3:声音信号的采集与存储
程序4:声音信号的功率谱分析
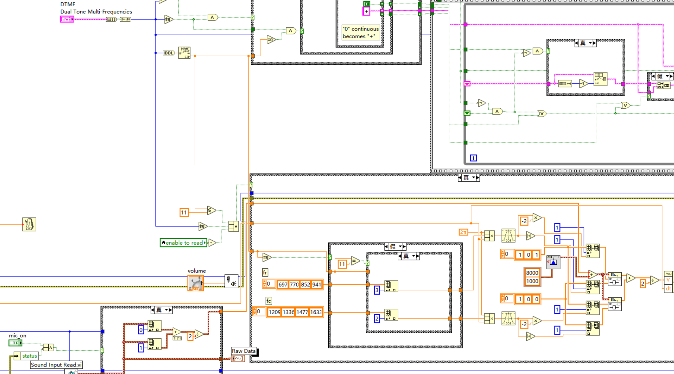
程序5:基于labview的DTMF
labview
上一篇:
Java基础知识总结(超详细整理)
下一篇:
Java IO框架
相关推荐
Kay.Wen
1 天前
LabVIEW 转换 XML文本
xml
·
labview
LabVIEW开发
6 天前
LabVIEW插值应用
算法
·
labview
·
labview知识
·
labview功能
·
labview程序
LabVIEW开发
7 天前
LabVIEW控制阀性能测试评估系统
人工智能
·
labview
·
labview知识
·
labview功能
·
labview程序
LabVIEW开发
8 天前
LabVIEW振动信号采集分析
fpga开发
·
labview
·
labview知识
·
labview功能
·
labview程序
LabVIEW开发
10 天前
LabVIEW PID VI 温控参数全解与应用
labview
·
labview知识
·
labview功能
·
labview程序
俊俊谢
13 天前
LabVIEW如何排查和修复dll缺失问题
驱动开发
·
.net
·
labview
·
dll
unicrom_深圳市由你创科技
13 天前
LabVIEW和C#在工业控制中的应用差异是什么?
fpga开发
·
c#
·
labview
电气_空空
13 天前
基于 LabVIEW 串口通信的研究
单片机
·
嵌入式硬件
·
毕业设计
·
labview
电气_空空
13 天前
基于 LabVIEW 的 PID 控制系统设计与实现
嵌入式硬件
·
毕业设计
·
labview
LabVIEW开发
14 天前
LabVIEW线性规划单纯形法实现
labview
·
labview知识
·
labview功能
·
labview程序
热门推荐
01
2026年4月技术前沿:AI大模型爆发、智能体革命与量子安全新纪元
02
GitHub 镜像站点
03
一周AI热点速览(2026.03.31-04.06):GPT-6曝光、谷歌开源Gemma 4、资本狂飙与模型军备竞赛
04
基于 Docker 部署 Hermes Agent 并接入飞书机器人的完整指南
05
免费!不限量!用opencode接入英伟达(NVIDIA)大模型,轻松打造你的 AI 编程助手
06
Oh My Codex 快速使用指南
07
CodeBuddy与WorkBuddy深度对比:腾讯两款AI工具差异及实操指南
08
AI Weekly | 2026年4月第二周 · GitHub热门项目与AI发展趋势深度解析
09
从限购到畅通:GLM-5.1 Coding Plan接入攻略
10
LLM Wiki:让大模型替你打理知识库的完整指南