目录
[一 555定时器基础知识](#一 555定时器基础知识)
[1. 单稳态模式:](#1. 单稳态模式:)
[2. 双稳态模式(需要外部电路辅助):](#2. 双稳态模式(需要外部电路辅助):)
[3. 无稳态模式(多谐振荡器):](#3. 无稳态模式(多谐振荡器):)
[4. 可控脉冲宽度调制(PWM)模式:](#4. 可控脉冲宽度调制(PWM)模式:)
[二 555无稳态触发器](#二 555无稳态触发器)
[三 555单稳态触发器](#三 555单稳态触发器)
[四 555双稳态触发器](#四 555双稳态触发器)
[五 555方波振荡器](#五 555方波振荡器)
一 555定时器基础知识


555定时器是一种非常经典的集成电路,广泛应用于各种电子电路中。
- 基本结构

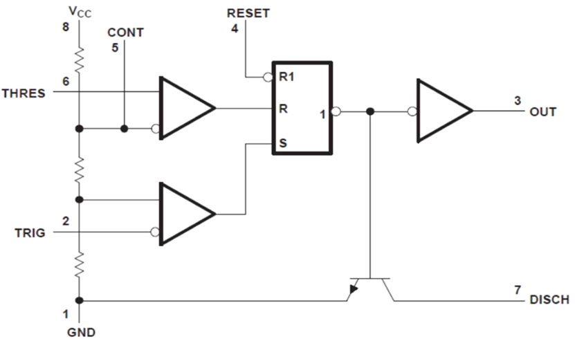
555定时器是一种模拟 数字混合集成电路,其内部主要包含以下部分:
- 两个电压比较器:
一个是同相输入端为2/3Vcc(Vcc是电源电压),反相输入端为阈值输入端(TH)的比较器。
另一个是同相输入端为1/3Vcc,反相输入端为触发输入端(TR)的比较器。
-
一个基本RS触发器:由两个比较器的输出控制。
-
一个放电晶体管:其集电极接在放电端(DIS),发射极接地,用于在某些模式下对电容放电。
-
一个输出缓冲器:提供稳定的输出信号。
二、引脚功能
555定时器通常有8个引脚,其功能如下:
-
1号引脚(GND):接地端。
-
2号引脚(TR):触发端,当输入电压低于1/3Vcc时,比较器输出高电平,使RS触发器置位,输出高电平。
-
3号引脚(OUT):输出端,提供定时器的输出信号。
-
4号引脚(RESET):复位端,当输入低电平时,可使定时器复位,输出低电平。
-
5号引脚(CV):控制电压端,可用于改变比较器的基准电压,通常通过电容接地以防止干扰。
-
6号引脚(TH):阈值端,当输入电压高于2/3Vcc时,比较器输出高电平,使RS触发器复位,输出低电平。
-
7号引脚(DIS):放电端,与放电晶体管相连,可用于对电容放电。
-
8号引脚(Vcc):电源正极。
三、工作模式
555定时器主要有以下几种工作模式:
1. 单稳态模式:
当触发端(TR)输入一个低电平脉冲时,输出端(OUT)会输出一个高电平脉冲,脉冲宽度由外部电容和电阻决定。
该模式常用于脉冲整形、延时等应用。
2. 双稳态模式(需要外部电路辅助):
通过外部电路,可使555定时器在两个稳定状态之间切换,类似于一个触发器。
3. 无稳态模式(多谐振荡器):
输出端(OUT)会产生连续的方波信号,频率由外部电容和电阻决定。
该模式常用于产生时钟信号、驱动蜂鸣器等。
4. 可控脉冲宽度调制(PWM)模式:
通过改变控制电压端(CV)的电压,可调节输出脉冲的占空比。
该模式常用于调光、调速等应用。
四、典型应用
-
定时电路:可用于延时控制,例如延时启动、延时关闭等。
-
振荡电路:产生方波信号,可用于驱动电机、蜂鸣器等。
-
脉冲整形电路:将不规则的脉冲信号整形为标准的方波信号。
-
PWM调制电路:用于调光、调速等应用。
-
其他应用:如电子琴、电子宠物等。
五、优点
-
成本低:555定时器价格低廉,易于获取。
-
使用简单:电路简单,易于理解和设计。
-
可靠性高:在适当的条件下,工作稳定可靠。
-
兼容性强:可与多种电路兼容,应用范围广泛。
二 555无稳态触发器

如上图所示,红色线表示输出,开关切换至小灯作为负载,小灯闪烁。

如上图所示,开关切换至蜂鸣器作为负载,蜂鸣器工作。
如上图所示,在无稳态模式下,555定时器担当电子振荡器作用。其输出依据配置的周期从逻辑高电平连接切换到逻辑低电平。可用于脉冲生成、逻辑时钟生成、LED和闪光灯。
三 555单稳态触发器

如上图所示,单稳态也称为"一次性"模式,触发时(当触发端(TR)输入一个低电平脉冲时,输出端(OUT)会输出一个高电平脉冲),定时仅产生一个输出脉冲并返回到稳定状态,用途包括时间延迟生成,触摸开关、脉冲宽度调制等等。
四 555双稳态触发器
如下图所示,开关S1和S2的不同组合状态可以产生不一样的输出结果。




如上图所示,在双稳态模式下,定时器充当触发器,因为有2种稳定模式,所以可以使用定时器存储1位数据。
五 555方波振荡器

调节占空比滑动变阻器为90%,对应输出为红色线所示,占空比较小。

调节占空比滑动变阻器为30%,对应输出为红色线所示,占空比较大。
555定时器构成的方波振荡器是一种非常实用的电路,能够产生稳定的方波信号。这种电路广泛应用于时钟信号源、驱动电路、音频信号发生器等领域。
一、电路原理
555方波振荡器通常工作在无稳态模式(也称为多谐振荡器模式)。在这种模式下,555定时器的输出端(3号引脚)会输出一个连续的方波信号,其频率和占空比可以通过外部电阻和电容来调节。
(一)电路连接
- 电源连接:
8号引脚(Vcc)接电源正极。
1号引脚(GND)接地。
- 核心连接:
2号引脚(触发端)和6号引脚(阈值端)短接,作为输入端。
7号引脚(放电端)通过电阻R2连接到电源Vcc。
6号引脚(阈值端)通过电阻 R1连接到电源Vcc。
在6号引脚和地之间连接一个电容C。
输出端(3号引脚)可以连接到负载或其他电路。
(二)工作过程
- 初始状态:
电容 C 通过电阻R1和R2向电源Vcc充电。
当电容C的电压上升到2/3Vcc时,6号引脚(阈值端)检测到高电平,比较器输出高电平,使RS触发器复位。
输出端(3号引脚)输出低电平,同时7号引脚(放电端)的放电晶体管导通。
- 放电过程:
电容C通过电阻R2和7号引脚(放电端)放电。
当电容C的电压下降到1/3Vcc时,2号引脚(触发端)检测到低电平,比较器输出高电平,使RS触发器置位。
输出端(3号引脚)输出高电平,同时7号引脚(放电端)的放电晶体管截止。
- 充电过程:
电容C再次通过电阻R1和R2向电源Vcc充电,重复上述过程。
如此循环,形成连续的方波信号。
二、频率和占空比计算
(一)振荡频率
振荡频率f取决于电阻R1、R2和电容C的值,计算公式为:
f =1.44/((R1+2R2)*C)
其中:
R1和R2的单位为欧姆(Ω)。
C的单位为法拉(F)。
f的单位为赫兹(Hz)。
(二)占空比
占空比D是高电平时间与周期之比,计算公式为:
D =(R1+R2)/(R1 + 2R2)
当R1远大于R2时,占空比接近100%。
当R2远大于R1时,占空比接近50%。
(三)高电平时间和低电平时间
高电平时间tH:
tH=0.693*(R1+R2)*C
低电平时间tL:
tL=0.693 *R2* C
硬件工程师笔试面试相关文章链接
1、硬件工程师笔面试真题汇总(2025版本)_硬件工程师面试题-CSDN博客
https://blog.csdn.net/XU157303764/article/details/140742900?spm=1011.2415.3001.53312、硬件工程师笔试面试汇总_硬件工程师面试题-CSDN博客
https://blog.csdn.net/XU157303764/article/details/141904858?spm=1011.2415.3001.5331硬件工程师笔试面试学习汇总------器件篇目录_硬件工程师笔试基础知识-CSDN博客
https://blog.csdn.net/XU157303764/article/details/142316204?spm=1011.2415.3001.5331硬件工程师笔试面试知识器件篇------电阻_硬件工程师笔试基础知识-CSDN博客
https://blog.csdn.net/XU157303764/article/details/141874163?spm=1011.2415.3001.5331硬件工程师笔试面试知识器件篇------电容-CSDN博客
https://blog.csdn.net/XU157303764/article/details/141899789?spm=1011.2415.3001.5331硬件工程师笔试面试知识器件篇------电感_硬件工程师电感-CSDN博客
https://blog.csdn.net/XU157303764/article/details/141902660?spm=1011.2415.3001.5331硬件工程师笔试面试知识器件篇------三极管_三极管面试-CSDN博客
https://blog.csdn.net/XU157303764/article/details/141903838?spm=1011.2415.3001.5331硬件工程师笔试面试知识器件篇------二极管_二极管面试问题-CSDN博客
https://blog.csdn.net/XU157303764/article/details/141903198?spm=1011.2415.3001.5331硬件工程师笔试面试------上拉电阻、下拉电阻_硬件面试一般问哪些 上拉电阻-CSDN博客
https://blog.csdn.net/XU157303764/article/details/141904259?spm=1011.2415.3001.5331硬件工程师笔试面试------继电器_固态继电器考试题-CSDN博客
https://blog.csdn.net/XU157303764/article/details/141942261?spm=1011.2415.3001.5331硬件工程师笔试面试------IGBT_igbt面试题目-CSDN博客
https://blog.csdn.net/XU157303764/article/details/142070424?spm=1011.2415.3001.5331硬件工程师笔试面试------MOS管_mos管面试问题-CSDN博客
https://blog.csdn.net/XU157303764/article/details/142073376?spm=1011.2415.3001.5331硬件工程师笔试面试------变压器_变压器电子工程师面试题目以及答案-CSDN博客
https://blog.csdn.net/XU157303764/article/details/142313787?spm=1011.2415.3001.5331硬件工程师笔试面试------保险丝_硬件设计保险丝-CSDN博客
https://blog.csdn.net/XU157303764/article/details/142314695?spm=1011.2415.3001.5331硬件工程师笔试面试------开关_开关电源面试笔试题-CSDN博客
https://blog.csdn.net/XU157303764/article/details/142314758?spm=1011.2415.3001.5331硬件工程师笔试面试------滤波器_滤波器面试-CSDN博客
https://blog.csdn.net/XU157303764/article/details/142314811?spm=1011.2415.3001.5331硬件工程师笔试面试------晶振_有源晶振笔试题-CSDN博客
https://blog.csdn.net/XU157303764/article/details/142314968?spm=1011.2415.3001.5331硬件工程师笔试面试------显示器件_显示器件设计工程师笔试-CSDN博客
https://blog.csdn.net/XU157303764/article/details/142315003?spm=1011.2415.3001.5331硬件工程师笔试面试------无线通讯模块_关于wifi 的硬件工程师面试题-CSDN博客
https://blog.csdn.net/XU157303764/article/details/142315034?spm=1011.2415.3001.5331硬件工程师笔试面试------存储器件-CSDN博客
https://blog.csdn.net/XU157303764/article/details/142315081?spm=1011.2415.3001.5331硬件工程师笔试面试------集成电路_集成电路理论题库-CSDN博客
https://blog.csdn.net/XU157303764/article/details/142315158?spm=1011.2415.3001.5331硬件工程师笔试面试------电机_电机控制器硬件工程师面试-CSDN博客
https://blog.csdn.net/XU157303764/article/details/142315183?spm=1011.2415.3001.5331电器元件符号及封装大全_海尔电视逻辑板上的22oj3是什么元件-CSDN博客
https://blog.csdn.net/XU157303764/article/details/144897502?spm=1011.2415.3001.5331运算放大电路汇总及电路仿真_用qucs仿真运算放大器-CSDN博客
https://blog.csdn.net/XU157303764/article/details/144974369?spm=1011.2415.3001.5331半波整流和全波整流电路汇总及电路仿真_半波整流电路和滤波电路仿真与调试的区别-CSDN博客
https://blog.csdn.net/XU157303764/article/details/145379301?spm=1011.2415.3001.5331滤波电路汇总_视频滤波电路-CSDN博客
https://blog.csdn.net/XU157303764/article/details/145382488?spm=1011.2415.3001.5331开关电路汇总-CSDN博客
https://blog.csdn.net/XU157303764/article/details/145388966?spm=1011.2415.3001.5331AD电路仿真_ad仿真图什么意思-CSDN博客
https://blog.csdn.net/XU157303764/article/details/145391047?spm=1011.2415.3001.533120个整流电路及仿真实验汇总-CSDN博客
https://blog.csdn.net/XU157303764/article/details/145401280?spm=1011.2415.3001.5331万用表使用-CSDN博客
https://blog.csdn.net/XU157303764/article/details/145402665?spm=1011.2415.3001.53312024美团秋招硬件开发笔试真题及答案解析_美团硬件开发笔试-CSDN博客
https://blog.csdn.net/XU157303764/article/details/145430040?spm=1011.2415.3001.53312024美团春招硬件开发笔试真题及答案解析_美团2025年春招第一场笔试【硬件开发方向】-CSDN博客
https://blog.csdn.net/XU157303764/article/details/145430447?spm=1011.2415.3001.53312024联想春招硬件嵌入式开发真题及答案解析_联想硬件笔试题-CSDN博客
https://blog.csdn.net/XU157303764/article/details/145430556?spm=1011.2415.3001.53312023联想电子电路真题及答案解析_电子电路模拟卷及答案-CSDN博客
https://blog.csdn.net/XU157303764/article/details/145432109?spm=1011.2415.3001.53312022联想硬件真题及答案解析-CSDN博客
https://blog.csdn.net/XU157303764/article/details/145435275?spm=1011.2415.3001.5331网易校招硬件研发工程师提前批真题及答案解析-CSDN博客
https://blog.csdn.net/XU157303764/article/details/145435462?spm=1011.2415.3001.5331网易校招硬件工程师正式批-CSDN博客
https://blog.csdn.net/XU157303764/article/details/145464105?spm=1011.2415.3001.53312019京东校招电气工程师真题及答案解析-CSDN博客
https://blog.csdn.net/XU157303764/article/details/145540559?spm=1011.2415.3001.53312018京东秋招电气工程师真题及答案解析_如图所示复合管,已知v1的放大倍数为10-CSDN博客
https://blog.csdn.net/XU157303764/article/details/145560334?spm=1011.2415.3001.5331Altium Designer(AD)仿真实验操作指南_altiumdesigner仿真教程-CSDN博客
https://blog.csdn.net/XU157303764/article/details/145694520?spm=1011.2415.3001.5331AD(Altium Designer)中英文界面切换操作指南_altium designer怎么改中文-CSDN博客
https://blog.csdn.net/XU157303764/article/details/145694259?spm=1011.2415.3001.5331AD(Altium Designer)创建及完成项目操作指南_altium designer新建项目-CSDN博客
https://blog.csdn.net/XU157303764/article/details/145716291?spm=1011.2415.3001.5331AD(Altium Designer)器件封装------立创商城导出原理图和PCB完成器件封装操作指南_复制立创商城模型-CSDN博客
https://blog.csdn.net/XU157303764/article/details/145741894?spm=1011.2415.3001.5331AD(Altium Designer)三种方法导入图片_ad导入图片-CSDN博客
https://blog.csdn.net/XU157303764/article/details/145766000?spm=1011.2415.3001.5331AD(Altium Designer)已有封装库的基础上添加器件封装_altium designer pcb库封装-CSDN博客
https://blog.csdn.net/XU157303764/article/details/146427258?spm=1011.2415.3001.5331AD(Altium Designer)更换PCB文件的器件封装_altium designer设计里已经生成pcb怎么更改-CSDN博客
https://blog.csdn.net/XU157303764/article/details/146448192?spm=1011.2415.3001.5331