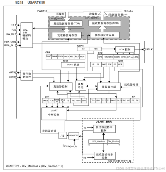
USART框图

TX RX引脚

TX:发送引脚
RX:接收引脚
SW_RX,IRDA_OUT,IRDA_IN:

智能卡和IrDA通信的引脚
发送移位寄存器和接收移位寄存器

发送移位寄存器:把一个字节的数据一位一位地从"发送数据寄存器 " 加载到 "发送移位寄存器" 中。
接收移位寄存器:通过RX引脚,从外部设备一位一位地接收串行数据。
当接收完一个完整的数据帧(例如,8个数据位)后,接收移位寄存器 中组装好的整个字节数据会被一次性并行 地转移到"接收数据寄存器" 中,以便CPU或DMA来读取。
发送数据寄存器(TDR)和接收数据寄存器(RDR)

发送数据寄存器TDR:
当需要发送数据时,CPU或DMA将数据写入发送数据寄存器 。一旦发送移位寄存器 空闲(即前一个数据已发送完毕 ),TDR中的内容会自动、并行地 加载到发送移位寄存器 中。
接收数据寄存器RDR:
当接收移位寄存器 从RX引脚 完整地接收完一个字节的串行数据后,会将这个并行数据自动转移到接收数据寄存器 中。
TDR和RDR占用一个地址,在程序上只表现为一个寄存器(数据寄存器DR),但实际硬件中是分成了两个寄存器:一个用于发送TDR(只写),一个用于接收RDR(只读)。
当进行写操作时 数据写入到TDR,当进行读操作时,数据从RDR读出来
这TDR和RDR两个寄存器如何操作
发送端

当我们在某个时刻给TDR写入了0X55这个数据,在寄存器里面就是二进制存储0101 0101。
此时硬件检测到你写入数据了,那么它就会检查发送移位寄存器里面是不是有数据正在移位。
如果当前发送数据寄存器没有移位数据,那么这个0101 0101就会移动到发送移位寄存器。
当数据从发送数据寄存器(TDR)移动到发送移位寄存器时,就会置一个 TXE标志位。
当我们检查这个标志位TXE,如果置1了,那么就表示发送数据寄存器(TDR)为空,此时我们就可以在TDR写入下一个数据了。
注意:当TXE标志位置1(发送数据寄存器(TDR)为空)时,此时数据其实还没有发送出去(因为此时数据还在发送移位寄存器中)。
数据传入发送移位寄存器时,发送移位寄存器就会在发生器控制的驱动下,向右移位,然后一位一位地将数据输出到TX引脚。

当数据移位完成之后,新的数据就会再次自动地从TDR转移到发送数据寄存器里面来。
如果当前移位寄存器还没有完成,TDR的数据就会进行等待 ,一旦移位完成,就会立刻转移过来。有了TDR和移位寄存器的双重缓存 ,可以保证连续发送数据的时候 ,数据帧之间不会有空闲 ,提高了工作效率。
简单地说,就是你数据一旦从TDR 转移到移位寄存器了,管你有没有移位完成,我就立刻把下一个数据放在TDR等着,一旦移完了,新的数据就会立刻跟上。
接收端

数据从RX引脚通向接收移位寄存器(RDR),在接收器控制的驱动下,
一位位地读取RX电平,先放在最高位 ,然后往右 移,移位8次之后,就能接收一个字节了。
同样,因为串口协议规定是低位先行 ,所以接收移位寄存器是从高位往低位 这样方向移动的。之后,当一个字节移位完成之后,这一个字节的数据就会整体地 ,一下子转移到接收数据寄存器 RDR里来。在转移的过程中,也会置一个标志位,叫RXNE

当我们检测到RXNE置1后(RDR寄存器(接收数据寄存器)是"满"的。即里面有新到的,CPU还没读取的数据,此时就可以把数据读走了。当数据从移位寄存器转移到RDR时,只要CPU或DMA及时读走RDR中的数据,接收移位寄存器就可以直接移位接收下一次的数据了。
这是我的部分见解,有什么问题欢迎指正,大家共同进步!