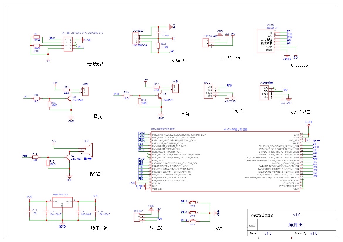
1)硬件端
1.ESP8266-01s:使用wifi模块进行联网使用;
2.STM32F103C8T6:用于所有程序的中控和模块数据通信;
3.温湿度传感器(DS18B20):用于检测环境的温度;
4.风扇控制:在检测到烟雾或有害气体浓度过高时,自动启动风扇进行通风。
5.自动喷水灭火:在检测到火灾时,自动启动喷水灭火系统(水泵)进行灭火。
6.0.96OLED显示器:显示厨房状态等信息
7.火焰传感器:用于检测厨房是否存在明火;
8.MQ-2:用于检测环境的的有害气体浓度是否超过阈值;
9.蜂鸣器与LED:实现声光报警,用于异常数据的报警处理(火灾,有害);
10.按键:可以进行电器的一键控制;
11.ESP32-CAM:可以使用APP进行图像获取
(2)APP端
1.使用MQTT协议与设备进行信息交互;
2.可采集到底层设备数据并且展示到界面UI;
3.可以远程设置温度报警阈值、有害气体浓度阈值;
4.可以远程查看数据是否超标,界面会出现提示信息;
5.可以一键控制排风扇开启和关闭;
6.可以设置对应的图像IP地址进行图像获取
(3)ESP32端
APP填写对应的IP地址,即可查看图像






