永磁同步电机(pmsm)匝间短路故障simulink仿真。 提供文档参考说明,

永磁同步电机(PMSM)作为现代工业中广泛应用的一种电动机,在高精度、高效率和高可靠性的应用场景中占据重要地位。然而,由于其结构复杂,运行环境多变,电机容易受到各种故障的影响,其中匝间短路故障是一种较为常见的故障形式。匝间短路故障不仅会降低电机的性能,还可能引发更严重的设备损坏,因此对其的仿真和分析尤为重要。本文将通过Simulink仿真工具,模拟永磁同步电机的匝间短路故障,并结合仿真结果进行分析。
一、背景介绍
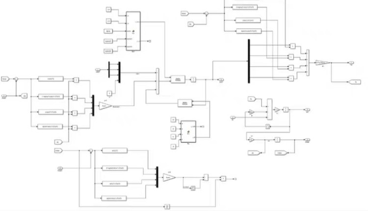
永磁同步电机的匝间短路故障通常是由于绕组绝缘损坏、振动或机械应力过大等原因导致的。在匝间短路的情况下,部分绕组的电流路径发生变化,导致电流分配不均,进而影响电机的输出特性。为了更好地理解这种故障的影响,我们可以通过Simulink搭建一个PMSM模型,并在模型中引入匝间短路故障,进行动态仿真。
二、模型搭建
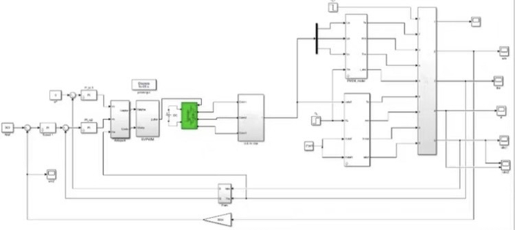
首先,我们在Simulink中搭建一个永磁同步电机的模型。模型包括电机本体、电源模块、控制模块以及故障注入模块。以下是模型搭建的简要代码框架:
matlab
% 永磁同步电机模型搭建
function pmsm_model
% 创建一个新的Simulink模型
new_system('PMSM_Fault_Simulation');
% 添加永磁同步电机模块
add_block(' SimsPowerSystems/Electric Drives/ Motors/ Permanent Magnet Synchronous Motor','PMSM_Fault_Simulation/PMSM');
% 添加交流电源模块
add_block(' SimsPowerSystems/Elements/AC Voltage Source','PMSM_Fault_Simulation/AC Source');
% 添加控制模块
add_block(' SimsPowerSystems/Controls/Standard PI','PMSM_Fault_Simulation/Current Controller');
% 添加故障注入模块
add_block(' SimsPowerSystems/Common Components/Switch','PMSM_Fault_Simulation/Fault Switch');
end
三、故障注入
为了模拟匝间短路故障,我们可以在电机的绕组中引入一个短路开关。通过控制开关的开启和闭合,我们可以模拟匝间短路的发生和恢复。以下是故障注入模块的代码:
matlab
% 匝间短路故障注入
function pmsm_fault_simulation
% 设置故障发生的时刻
t_fault_on = 0.1; % 秒
t_fault_off = 0.3; % 秒
% 生成控制信号
t = 0:0.001:0.5; % 时间向量
control_signal = zeros(size(t));
control_signal(t >= t_fault_on & t <= t_fault_off) = 1;
% 仿真控制信号对电机的影响
% ...
end
四、仿真结果分析
通过仿真,我们可以观察到匝间短路故障对电机性能的影响。如下图所示,在故障发生时,电机的三相电流发生了显著变化。特别是受影响的相电流出现了幅度减小和波形畸变,这表明故障已经影响了电流的正常分布。
matlab
% 绘制相电流时域波形
function plot_phase_current
% 加载仿真结果
load('simulation_results.mat');
% 绘制三相电流
figure;
subplot(3,1,1); plot(t, i_a); title('Phase A Current');
subplot(3,1,2); plot(t, i_b); title('Phase B Current');
subplot(3,1,3); plot(t, i_c); title('Phase C Current');
xlabel('Time (s)'); ylabel('Current (A)');
end
从仿真结果可以看出,故障发生时,三相电流的平衡状态被打破,受影响的相电流幅值明显下降,且波形出现了失真。这表明匝间短路故障确实对电机的正常运行造成了较大影响。
五、总结
通过Simulink仿真,我们成功模拟了永磁同步电机的匝间短路故障,并分析了其对电机性能的影响。仿真结果表明,匝间短路故障会导致电流分配不均,从而降低电机的性能。这种仿真方法为故障诊断和保护策略的开发提供了有力支持。

总体来说,Simulink不仅仅是一个仿真工具,更是一个帮助我们理解复杂系统行为的有效工具。通过代码与仿真的结合,我们可以更直观地理解故障机理,并为实际应用提供理论支持。希望这篇博文能对大家理解永磁同步电机的故障分析有所帮助!

