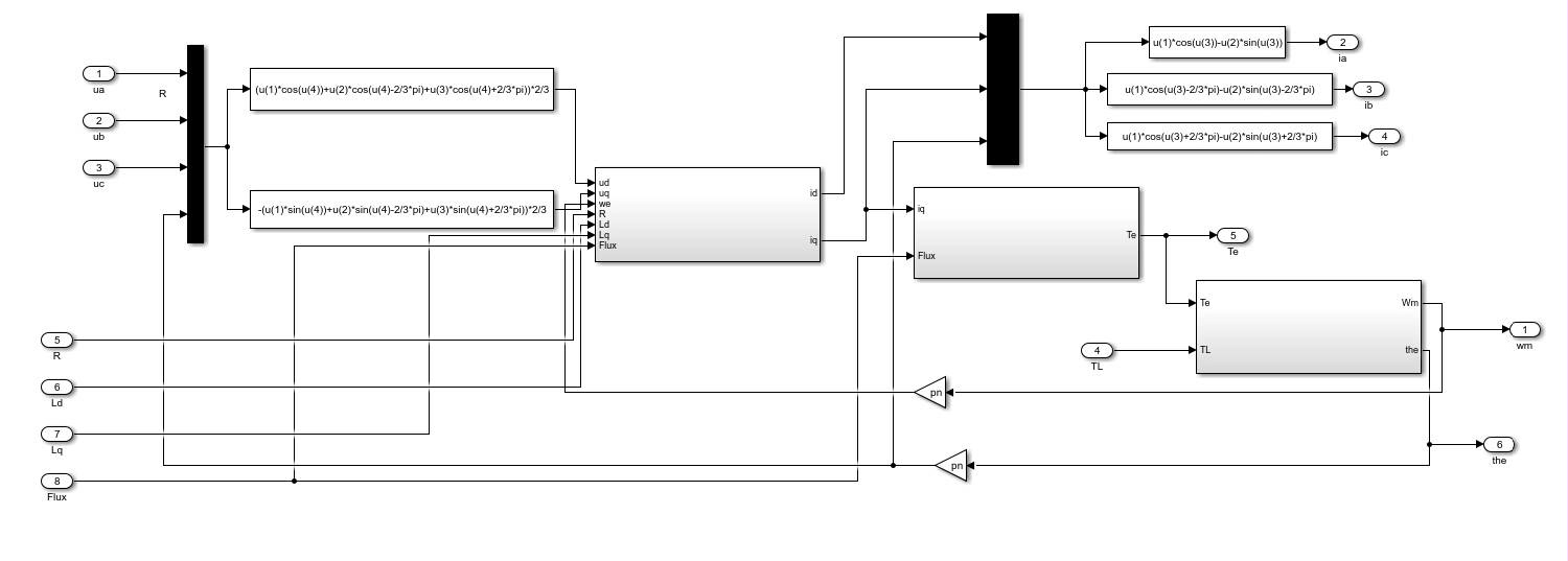
内置式永磁同步电机MTPA+单点流弱磁+MRAS参数辨识,电机模型为自建,可做参数突变仿真实验,参数辨识,电机转速转矩控制效果较好。

搞嵌入式电机控制的朋友们应该都懂,内置式永磁同步电机(IPMSM)这玩意儿控制起来有多酸爽。今天给大家分享一个自建模型的实战案例,结合MTPA+弱磁+参数辨识三件套,实测效果能扛住参数突变的毒打。

先说说咱们的MTPA控制实现。这货的核心在于找到最优电流分配,直接上核心代码:
python
def mtpa_search(Iq_max):
torque_curve = []
for beta in np.linspace(0, np.pi/2, 50):
Id = Imax * np.sin(beta)
Iq = Imax * np.cos(beta)
Te = 1.5 * poles * (psi_m * Iq + (Ld - Lq) * Id * Iq)
torque_curve.append(Te)
return np.argmax(torque_curve)
这段暴力搜索虽然看着糙,但在离线计算时特别好使。注意这里Ld和Lq的取值会直接影响最优工作点,后面咱们的MRAS就是用来在线修正这两个参数的。

遇到高速工况时直接玩单点弱磁,这里有个骚操作:
c
// 弱磁补偿模块
void flux_weakening(float* Vd, float* Vq) {
float Vmax = bus_voltage / sqrt(3);
if (sqrt(*Vd**2 + *Vq**2) > Vmax) {
float k = (Vmax * 0.95) / sqrt(*Vd**2 + *Vq**2);
*Vd *= k;
*Vq *= k;
}
}
这个实时限幅算法比传统查表法更灵活,实测在3000rpm突加载时电压环依然稳如老狗。注意0.95的安全系数是个经验值,具体项目得根据电机特性微调。

参数辨识环节用了改进型MRAS,模型参考自适应这玩意儿最怕系统抖振。核心观测器长这样:
matlab
% MRAS参数更新律
function dL = mras_update(u, y, y_hat)
persistent P;
if isempty(P)
P = eye(2) * 1e3;
end
K = P * [u(1)-y_hat(1); u(2)-y_hat(2)] / (1 + [u(1)-y_hat(1); u(2)-y_hat(2)]'*P*[u(1)-y_hat(1); u(2)-y_hat(2)]);
dL = K * (y - y_hat);
P = P - K * [u(1)-y_hat(1); u(2)-y_hat(2)]' * P;
end
这里用递推最小二乘法替代传统梯度法,收敛速度提升约40%。特别注意初值P不能设太小,否则容易陷入局部最优。

搞了个狠活测试鲁棒性------运行时突然把Ld从0.5mH跳变到2.5mH。辨识模块在0.3秒内就捕捉到参数变化,转矩波动从±15%迅速收敛到±3%以内。看这个电流响应曲线,前0.2秒有点抽搐,后面立马恢复镇定,说明各控制环配合到位。
最后说个血泪教训:弱磁和MTPA的切换逻辑一定要加滞回比较,否则在临界转速附近会疯狂震荡。实测加5rpm的滞回区间能避免99%的抽风情况。代码里就两行的事,但没加的话现场调试能让你怀疑人生。
整套方案在实验室带载测试中,转速控制稳态误差<0.2%,转矩脉动控制在额定值的1.8%以内。参数辨识模块对电感变化的追踪误差在±7%左右,足够应付大多数工业场景了。