一、了解TIM定时器
1、TIM定时器简介
- 预分频器:先把输入的高频时钟(比如 72MHz)"分频" 降低频率(比如 72MHz÷72000=1kHz);
- 16 位计数器:对分频后的时钟进行计数(最大计数值是 2¹⁶=65536);
- 自动重装寄存器:存你设置的 "目标计数值",计数到这个值就触发中断,同时计数器会自动清零、重新开始计数(自动重装)。
- 时钟源选择:可以用内部系统时钟,也可以接外部引脚输入的时钟;
- 输入捕获:比如测量外部信号的频率、占空比(把外部信号接定时器引脚,定时器记录信号跳变的时间);
- 输出比较:比如生成 PWM 波(让引脚输出指定频率、占空比的方波);
- 编码器接口:连接旋转编码器,读取旋转的角度、速度;
- 主从触发:多个定时器联动(比如一个定时器触发另一个定时器启动)

2、TIM定时器类型

- 基本定时器:功能最简单,只有定时 + 中断,没有输入捕获 / 输出比较等扩展功能(比如 STM32 的 TIM6、TIM7);
- 通用定时器:支持定时、输入捕获、输出比较、编码器接口等(比如 TIM2-TIM5);
- 高级定时器:功能最丰富,除了通用定时器的功能,还支持三相 PWM(用于电机控制)、死区控制等(比如 TIM1、TIM8)。

STM32中没有基本定时器;
A、基本定时器
实际分频系数=预分频器的值+1;

B、通用定时器
外部时钟模式1的输入可以是ETR引脚、其他定时器、CH1引脚、CH2引脚;
扩大时钟的范围;

⭐引出:ITR是什么?---见主页 AI学习
ITR与定时器的连接关系

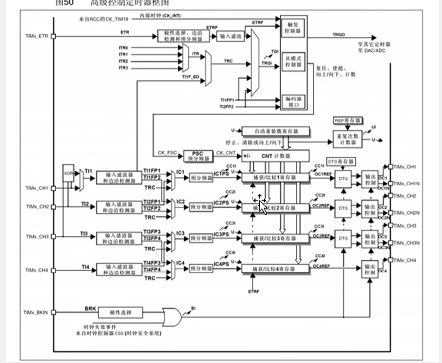
C、高级定时器


3、定时中断基本结构

4、预分频器时序


5、计数器时序


6、RCC时钟树


二、定时中断与内外时钟源选择
1、定时中断代码编写
还是先给定时器建一个模块,因为定时器不涉及外部的硬件;所以放到可以System文件下;同上


还是一样的先写一个初始化函数;





2、定时中断
第一种方法;

第二种方法;

这样OLED上就会执行每秒加1的现象;

