基于51单片机智能家居环境检测设计_烟雾温度GSM短信提示报警器
本设计包含原理图+程序代码+proteus仿真+PCB
📚开发环境
原理图:Altium Designer
仿真版本:proteus7.8
程序编译器:keil 4
设计编号:C0039
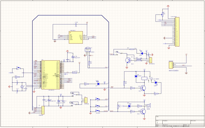
📚功能介绍
1、单片机采用内置AD的51系列单片机,型号为STC89c52;
2、温度采集采用DS18B20传感器;
3、火灾烟雾检测采用MQ-2传感器,此传感器输出量也为模拟量,需接到单片机的AD端口上进行采集;
4、防盗检测采用HC-SR501热释电红外感应传感器,通过配合板载设防开关进行防盗的检测;
5、报警部分分为板载蜂鸣器鸣笛报警和GSM短信报警功能,GSM采用SIM800模块,当温度,烟雾浓度,防盗触发时GSM短信模块发送报警短信到指定的手机号码上。
6、手机可以发送指令关闭继电器或打开继电器,给单片机打电话会回复短信单片机检测的当前温度

📚仿真图

📚原理图

📚PCB

📚程序代码

📚资料清单&下载链接
