模拟电子技术基础 童诗白
- [第7章 波形的发生和信号的转换](#第7章 波形的发生和信号的转换)
-
- [7.1 正弦波振荡电路](#7.1 正弦波振荡电路)
-
- [7.1.1 概述](#7.1.1 概述)
-
- [1. 产生正弦波振荡的条件](#1. 产生正弦波振荡的条件)
- [2. 正弦波振荡电路的组成及分类](#2. 正弦波振荡电路的组成及分类)
- [3. 判断电路是否产生正弦波振荡的步骤](#3. 判断电路是否产生正弦波振荡的步骤)
- [7.1.2 R C RC RC 正弦波振荡电路](#7.1.2 R C RC RC 正弦波振荡电路)
-
- [1. R C RC RC 串并联选频网络](#1. R C RC RC 串并联选频网络)
- [2. R C RC RC 桥式正弦波振荡电路(文氏桥振荡电路)](#2. R C RC RC 桥式正弦波振荡电路(文氏桥振荡电路))
- [3. 振荡频率可调电路](#3. 振荡频率可调电路)
- [例题7.1.1 解析](#例题7.1.1 解析)
- [7.1.3 L C LC LC 正弦波振荡电路](#7.1.3 L C LC LC 正弦波振荡电路)
-
- [1. L C LC LC 谐振回路的频率特性](#1. L C LC LC 谐振回路的频率特性)
- [2. 变压器反馈式振荡电路](#2. 变压器反馈式振荡电路)
- [3. 电感反馈式振荡电路(电感三点式)](#3. 电感反馈式振荡电路(电感三点式))
- [4. 电容反馈式振荡电路(电容三点式)](#4. 电容反馈式振荡电路(电容三点式))
- [7.1.4 石英晶体正弦波振荡电路](#7.1.4 石英晶体正弦波振荡电路)
-
- [1. 石英晶体的核心特性](#1. 石英晶体的核心特性)
- [2. 两种典型电路](#2. 两种典型电路)
- [7.2 电压比较器](#7.2 电压比较器)
-
- [7.2.1 概述](#7.2.1 概述)
-
- [1. 核心特性](#1. 核心特性)
- [2. 理想运放非线性工作区特点](#2. 理想运放非线性工作区特点)
- [3. 分类](#3. 分类)
- [7.2.2 单限比较器](#7.2.2 单限比较器)
-
- [1. 过零比较器](#1. 过零比较器)
- [2. 一般单限比较器(带参考电压)](#2. 一般单限比较器(带参考电压))
- [7.2.3 滞回比较器](#7.2.3 滞回比较器)
-
- [1. 基本电路(反相输入)](#1. 基本电路(反相输入))
- [2. 带参考电压的滞回比较器](#2. 带参考电压的滞回比较器)
- [7.2.4 窗口比较器](#7.2.4 窗口比较器)
- [7.2.5 集成电压比较器](#7.2.5 集成电压比较器)
- [7.3 非正弦波发生电路](#7.3 非正弦波发生电路)
-
- [7.3.1 矩形波发生电路(方波发生电路)](#7.3.1 矩形波发生电路(方波发生电路))
-
- [1. 电路组成](#1. 电路组成)
- [2. 工作原理](#2. 工作原理)
- [3. 主要参数](#3. 主要参数)
- [4. 占空比可调电路](#4. 占空比可调电路)
- [7.3.2 三角波发生电路](#7.3.2 三角波发生电路)
-
- [1. 电路组成](#1. 电路组成)
- [2. 工作原理](#2. 工作原理)
- [3. 主要参数](#3. 主要参数)
- [7.3.3 锯齿波发生电路](#7.3.3 锯齿波发生电路)
-
- [1. 电路组成](#1. 电路组成)
- [2. 主要参数](#2. 主要参数)
- [7.3.4 波形变换电路](#7.3.4 波形变换电路)
-
- [1. 三角波→锯齿波](#1. 三角波→锯齿波)
- [2. 三角波→正弦波](#2. 三角波→正弦波)
- [7.3.5 函数发生器(ICL8038)](#7.3.5 函数发生器(ICL8038))
- [7.4 利用集成运放实现的信号转换电路](#7.4 利用集成运放实现的信号转换电路)
-
- [7.4.1 电压-电流转换电路](#7.4.1 电压-电流转换电路)
-
- [1. 负载接地型电路(实用型)](#1. 负载接地型电路(实用型))
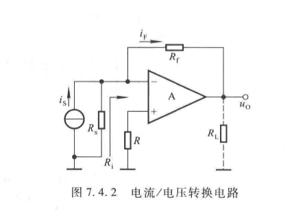
- [2. 电流-电压转换电路](#2. 电流-电压转换电路)
- [7.4.2 精密整流电路](#7.4.2 精密整流电路)
-
- [1. 半波精密整流电路](#1. 半波精密整流电路)
- [2. 全波精密整流电路(绝对值电路)](#2. 全波精密整流电路(绝对值电路))
- [7.4.3 电压-频率转换电路(VFC/压控振荡VCO)](#7.4.3 电压-频率转换电路(VFC/压控振荡VCO))
-
- [1. 电荷平衡式(核心类型)](#1. 电荷平衡式(核心类型))
- [2. 复位式](#2. 复位式)
- [3. 集成VFC](#3. 集成VFC)
- [7.5 Multisim应用举例](#7.5 Multisim应用举例)
-
- [1. R C RC RC 桥式正弦波振荡电路调试](#1. R C RC RC 桥式正弦波振荡电路调试)
- [2. 滞回比较器电压传输特性测量](#2. 滞回比较器电压传输特性测量)
- [3. 压控振荡电路测试](#3. 压控振荡电路测试)
- 本章总结
第7章 波形的发生和信号的转换
本章核心围绕"波形产生"和"信号转换"两大核心,涵盖正弦波/非正弦波振荡电路、电压比较器、信号转换电路等核心内容,解决"如何产生特定波形""如何实现信号形式转换"两大关键问题,是模拟电子电路中信号生成与处理的核心章节。
7.1 正弦波振荡电路
正弦波振荡电路是无外加输入信号时,依靠自激振荡产生正弦波输出的电路,广泛应用于测试、通信、控制等领域。

7.1.1 概述
1. 产生正弦波振荡的条件
- 核心结论:正弦波振荡的本质是"正反馈+选频",需满足平衡条件和起振条件。
- 平衡条件(稳态振荡): A ˙ F ˙ = 1 \dot{A}\dot{F} = 1 A˙F˙=1,分解为两部分:
- 幅值条件: ∣ A F ∣ = 1 |A F| = 1 ∣AF∣=1(放大倍数与反馈系数的幅值乘积为1)
- 相位条件: φ A + φ F = 2 n π \varphi_A + \varphi_F = 2n\pi φA+φF=2nπ( n n n为整数,总相移为360°或0°,保证正反馈)
- 起振条件: ∣ A F ∣ > 1 |A F| > 1 ∣AF∣>1(合闸后输出从微小扰动逐渐增大,直至稳态)
- 关键说明:负反馈放大电路的自激振荡是"有害的"(频率不可控),而正弦波振荡电路的自激是"有益的"(通过选频网络固定频率)。
2. 正弦波振荡电路的组成及分类
- 四大核心组成部分:
- 放大电路:提供能量放大,实现从起振到稳态的幅值增长
- 选频网络:确定振荡频率,保证输出单一频率正弦波
- 正反馈网络:引入正反馈,使反馈量等于输入量
- 稳幅环节:限制输出幅值,避免失真(可利用晶体管非线性或专用元件)
- 分类(按选频网络元件):
- R C RC RC 正弦波振荡电路:振荡频率≤1MHz(低频)
- L C LC LC 正弦波振荡电路:振荡频率≥1MHz(高频)
- 石英晶体正弦波振荡电路:频率稳定性极高( Δ f / f 0 \Delta f/f_0 Δf/f0 可达 10 − 11 10 − 10 10^{-11}~10^{-10} 10−11 10−10)
3. 判断电路是否产生正弦波振荡的步骤
- 检查组成:是否包含放大电路、选频网络、正反馈网络、稳幅环节
- 放大电路有效性:是否有合适静态工作点,动态信号能否正常输入/输出/放大
- 相位条件判断(瞬时极性法):
- 断开反馈端,在放大电路输入端加 f = f 0 f=f_0 f=f0 的正弦波 U ˙ i \dot{U}_i U˙i,标注瞬时极性
- 推导输出 U ˙ o \dot{U}_o U˙o 极性,再推导反馈 U ˙ f \dot{U}_f U˙f 极性
- 若 U ˙ f \dot{U}_f U˙f 与 U ˙ i \dot{U}_i U˙i 极性相同,满足相位条件;否则不满足
- 幅值条件判断:仅相位条件满足时,计算 ∣ A ˙ F ˙ ∣ |\dot{A}\dot{F}| ∣A˙F˙∣,若 > 1 >1 >1 则能起振
7.1.2 R C RC RC 正弦波振荡电路
1. R C RC RC 串并联选频网络
-
结构: R 1 R_1 R1 与 C 1 C_1 C1 串联、 R 2 R_2 R2 与 C 2 C_2 C2 并联(通常取 R 1 = R 2 = R R_1=R_2=R R1=R2=R, C 1 = C 2 = C C_1=C_2=C C1=C2=C)

-
核心功能:同时实现选频和正反馈
-
频率特性:
- 谐振频率(唯一满足相位条件的频率): f 0 = 1 2 π R C f_0 = \frac{1}{2\pi RC} f0=2πRC1
- 幅值反馈系数: ∣ F ˙ ∣ = 1 3 |\dot{F}| = \frac{1}{3} ∣F˙∣=31( f = f 0 f=f_0 f=f0 时)
- 相移: φ F = 0 ∘ \varphi_F = 0^\circ φF=0∘( f = f 0 f=f_0 f=f0 时, U ˙ f \dot{U}_f U˙f 与 U ˙ o \dot{U}_o U˙o 同相)

2. R C RC RC 桥式正弦波振荡电路(文氏桥振荡电路)
-
电路组成: R C RC RC 串并联选频网络(正反馈)+ 同相比例运算电路(放大电路)+ 负反馈网络( R 1 R_1 R1、 R f R_f Rf)

-
核心要求:放大电路电压放大倍数 A ˙ u ≥ 3 \dot{A}_u \geq 3 A˙u≥3(满足起振条件 ∣ A F ∣ > 1 |A F| > 1 ∣AF∣>1)
-
放大倍数推导:同相比例运算电路的放大倍数 A ˙ u = 1 + R f R 1 \dot{A}_u = 1 + \frac{R_f}{R_1} A˙u=1+R1Rf,结合 ∣ F ˙ ∣ = 1 / 3 |\dot{F}|=1/3 ∣F˙∣=1/3,得 1 + R f R 1 ≥ 3 1 + \frac{R_f}{R_1} \geq 3 1+R1Rf≥3,即 R f ≥ 2 R 1 R_f \geq 2R_1 Rf≥2R1
-
稳幅措施:
- 采用正温度系数热敏电阻 R t R_t Rt 替代 R 1 R_1 R1: U o U_o Uo 增大 → R t R_t Rt 升温 → 阻值增大 → A ˙ u \dot{A}_u A˙u 减小 → 稳定 U o U_o Uo
- 采用负温度系数热敏电阻替代 R f R_f Rf,或在 R f R_f Rf 回路串联并联二极管(利用二极管动态电阻随电流变化的特性)
3. 振荡频率可调电路
- 调节方式:
- 粗调:用波段开关切换不同电容 C C C
- 微调:用同轴电位器调节电阻 R R R
- 频率范围:几赫兹 ~ 几百千赫

例题7.1.1 解析
已知 C C C 取值为 0.01 μ F 、 0.1 μ F 、 1 μ F 、 10 μ F 0.01\mu F、0.1\mu F、1\mu F、10\mu F 0.01μF、0.1μF、1μF、10μF, R = 50 Ω R=50\Omega R=50Ω,电位器 R w = 10 k Ω R_w=10k\Omega Rw=10kΩ,求 f 0 f_0 f0 调节范围:
- 最小频率(最大 R R R 和最大 C C C): f 0 min = 1 2 π ( R + R w ) C max = 1 2 π × ( 50 + 10 4 ) × 10 × 10 − 6 ≈ 1.59 Hz f_{0\text{min}} = \frac{1}{2\pi (R+R_w)C_{\text{max}}} = \frac{1}{2\pi \times (50+10^4) \times 10\times 10^{-6}} \approx 1.59\text{Hz} f0min=2π(R+Rw)Cmax1=2π×(50+104)×10×10−61≈1.59Hz
- 最大频率(最小 R R R 和最小 C C C): f 0 max = 1 2 π R C min = 1 2 π × 50 × 0.01 × 10 − 6 ≈ 318 kHz f_{0\text{max}} = \frac{1}{2\pi R C_{\text{min}}} = \frac{1}{2\pi \times 50 \times 0.01\times 10^{-6}} \approx 318\text{kHz} f0max=2πRCmin1=2π×50×0.01×10−61≈318kHz
- 调节范围: 1.59 Hz 318 kHz 1.59\text{Hz} ~ 318\text{kHz} 1.59Hz 318kHz
7.1.3 L C LC LC 正弦波振荡电路
1. L C LC LC 谐振回路的频率特性
-
结构: L L L 与 C C C 并联(理想无损耗,实际等效串联电阻 R R R)

-
谐振频率( Q ≫ 1 Q \gg 1 Q≫1 时): f 0 ≈ 1 2 π L C f_0 \approx \frac{1}{2\pi \sqrt{LC}} f0≈2πLC 1
-
品质因数: Q ≈ 1 R L C Q \approx \frac{1}{R}\sqrt{\frac{L}{C}} Q≈R1CL , Q Q Q 越大,选频特性越陡,振荡频率越稳定
-
阻抗特性: f = f 0 f=f_0 f=f0 时呈纯阻性且阻抗最大; f < f 0 f<f_0 f<f0 时呈感性; f > f 0 f>f_0 f>f0 时呈容性

2. 变压器反馈式振荡电路
-
结构:共射放大电路 + L C LC LC 选频网络 + 变压器正反馈

-
相位条件:通过变压器同名端保证(标注"·"端,确保 U ˙ f \dot{U}_f U˙f 与 U ˙ i \dot{U}_i U˙i 同相)
-
振荡频率( Q ≫ 1 Q \gg 1 Q≫1 时): f 0 ≈ 1 2 π L 1 ′ C f_0 \approx \frac{1}{2\pi \sqrt{L_1' C}} f0≈2πL1′C 1( L 1 ′ L_1' L1′ 为一次侧等效电感)
-
优缺点:易起振、波形好;耦合松散、损耗大、频率稳定性一般
3. 电感反馈式振荡电路(电感三点式)
-
结构:将变压器一次/二次线圈合并为带中间抽头的电感, L 1 L_1 L1(集电极端)、 L 2 L_2 L2(发射极端)、 C C C 构成选频网络

-
相位条件:中间抽头为交流地, L 1 L_1 L1 和 L 2 L_2 L2 同名端保证正反馈
-
振荡频率( Q ≫ 1 Q \gg 1 Q≫1 时): f 0 ≈ 1 2 π ( L 1 + L 2 + 2 M ) C f_0 \approx \frac{1}{2\pi \sqrt{(L_1+L_2+2M)C}} f0≈2π(L1+L2+2M)C 1( M M M 为互感)
-
优缺点:耦合紧密、振幅大、频率可调(换 C C C);输出波形含高次谐波(反馈取自电感)

4. 电容反馈式振荡电路(电容三点式)
-
结构: C 1 C_1 C1(集电极端)、 C 2 C_2 C2(发射极端)、 L L L 构成选频网络,中间抽头接地

-
相位条件: C 1 C_1 C1 和 C 2 C_2 C2 分压提供正反馈
-
振荡频率( Q ≫ 1 Q \gg 1 Q≫1 时): f 0 ≈ 1 2 π L ⋅ C 1 C 2 C 1 + C 2 f_0 \approx \frac{1}{2\pi \sqrt{L \cdot \frac{C_1 C_2}{C_1+C_2}}} f0≈2πL⋅C1+C2C1C2 1
-
优缺点:输出波形好(反馈取自电容,抑制高次谐波);频率稳定;频率调节不便(换 C C C 影响起振条件)

7.1.4 石英晶体正弦波振荡电路
1. 石英晶体的核心特性
- 压电效应:交变电场 → 机械振动 → 交变电场(共振时振幅最大)
- 等效电路:含静态电容 C 0 C_0 C0、振动等效电感 L L L、弹性等效电容 C C C、损耗电阻 R R R( C ≪ C 0 C \ll C_0 C≪C0)

- 谐振频率:
- 串联谐振频率: f s = 1 2 π L C f_s = \frac{1}{2\pi \sqrt{LC}} fs=2πLC 1( L 、 C 、 R L、C、R L、C、R 支路谐振,呈纯阻性)
- 并联谐振频率: f p = f s 1 + C C 0 ≈ f s f_p = f_s \sqrt{1+\frac{C}{C_0}} \approx f_s fp=fs1+C0C ≈fs( L C LC LC 支路感性与 C 0 C_0 C0 谐振)
- 频率特性:仅 f s < f < f p f_s < f < f_p fs<f<fp 范围内呈感性,其余范围呈容性

2. 两种典型电路
- 并联型:石英晶体工作在 f s < f < f p f_s < f < f_p fs<f<fp 区域(呈感性),替代 L C LC LC 振荡电路中的电感,构成电容三点式电路,振荡频率 f 0 ≈ f s f_0 \approx f_s f0≈fs
- 串联型:石英晶体工作在串联谐振频率 f s f_s fs(呈纯阻性),作为正反馈通路,振荡频率严格等于 f s f_s fs
7.2 电压比较器
电压比较器是将模拟信号转换为二值信号(高电平/低电平)的电路,是构成非正弦波振荡电路的核心单元,广泛应用于测量、控制领域。
7.2.1 概述
1. 核心特性
- 集成运放工作状态:开环或正反馈(非线性区)
- 输出状态:仅两种可能------高电平 U O H U_{OH} UOH 或低电平 U O L U_{OL} UOL
- 电压传输特性三要素:
- 输出高/低电平 U O H U_{OH} UOH、 U O L U_{OL} UOL(由运放最大输出或限幅电路决定)
- 阈值电压 U T U_T UT(使输出跃变的输入电压)
- 跃变方向( u I u_I uI 过 U T U_T UT 时, U O H ↔ U O L U_{OH} \leftrightarrow U_{OL} UOH↔UOL 的转换方向)

2. 理想运放非线性工作区特点
- 若 u P > u N u_P > u_N uP>uN,则 u O = + U O M u_O = +U_{OM} uO=+UOM;若 u N > u P u_N > u_P uN>uP,则 u O = − U O M u_O = -U_{OM} uO=−UOM( U O M U_{OM} UOM 为运放最大输出电压)
- 净输入电流为零: i P = i N = 0 i_P = i_N = 0 iP=iN=0
3. 分类
- 单限比较器:1个阈值电压,输入单向变化时输出跃变1次
- 滞回比较器:2个阈值电压,输入单向变化时输出跃变1次(抗干扰)
- 窗口比较器:2个阈值电压,输入单向变化时输出跃变2次(检测信号是否在区间内)

7.2.2 单限比较器
1. 过零比较器
-
结构:运放开环,反相端接 u I u_I uI、同相端接地(或反之)

-
阈值电压: U T = 0 V U_T = 0V UT=0V
-
传输特性:
- 反相输入: u I < 0 u_I < 0 uI<0 时 u O = + U O M u_O = +U_{OM} uO=+UOM; u I > 0 u_I > 0 uI>0 时 u O = − U O M u_O = -U_{OM} uO=−UOM
- 同相输入:跃变方向相反
-
保护措施:输入级加二极管限幅(防止差模电压过大),输出级加稳压管限幅(获得固定 U O H U_{OH} UOH、 U O L U_{OL} UOL)

2. 一般单限比较器(带参考电压)
-
结构:反相端接 u I u_I uI 和 R 1 R_1 R1,同相端接参考电压 U R E F U_{REF} UREF 和 R 2 R_2 R2

-
阈值电压推导(叠加原理):
反相端电位 u N = R 2 R 1 + R 2 u I + R 1 R 1 + R 2 U R E F u_N = \frac{R_2}{R_1+R_2}u_I + \frac{R_1}{R_1+R_2}U_{REF} uN=R1+R2R2uI+R1+R2R1UREF,令 u N = u P = 0 u_N = u_P = 0 uN=uP=0,得:
U T = − R 2 R 1 U R E F U_T = -\frac{R_2}{R_1}U_{REF} UT=−R1R2UREF -
传输特性: u I < U T u_I < U_T uI<UT 时 u O = U O H u_O = U_{OH} uO=UOH; u I > U T u_I > U_T uI>UT 时 u O = U O L u_O = U_{OL} uO=UOL(反相输入)
7.2.3 滞回比较器
1. 基本电路(反相输入)
-
结构:运放反相端接 u I u_I uI 和 R C RC RC 电路,同相端接 R 1 R_1 R1(接地)和 R 2 R_2 R2(接输出 u O u_O uO),输出加稳压管限幅( u O = ± U Z u_O = \pm U_Z uO=±UZ)

-
阈值电压推导:
同相端电位 u P = R 1 R 1 + R 2 u O u_P = \frac{R_1}{R_1+R_2}u_O uP=R1+R2R1uO,令 u N = u P u_N = u_P uN=uP,得:
± U T = ± R 1 R 1 + R 2 U Z \pm U_T = \pm \frac{R_1}{R_1+R_2}U_Z ±UT=±R1+R2R1UZ -
传输特性:
- u I u_I uI 从 − ∞ -\infty −∞ 增大: u I < − U T u_I < -U_T uI<−UT 时 u O = + U Z u_O = +U_Z uO=+UZ; u I > + U T u_I > +U_T uI>+UT 时 u O u_O uO 跃变为 − U Z -U_Z −UZ
- u I u_I uI 从 + ∞ +\infty +∞ 减小: u I > + U T u_I > +U_T uI>+UT 时 u O = − U Z u_O = -U_Z uO=−UZ; u I < − U T u_I < -U_T uI<−UT 时 u O u_O uO 跃变为 + U Z +U_Z +UZ
-
回差电压: Δ U = U T 2 − U T 1 = 2 R 1 R 1 + R 2 U Z \Delta U = U_{T2} - U_{T1} = 2\frac{R_1}{R_1+R_2}U_Z ΔU=UT2−UT1=2R1+R2R1UZ, Δ U \Delta U ΔU 越大抗干扰能力越强,灵敏度越低
2. 带参考电压的滞回比较器
-
结构:同相端接参考电压 U R E F U_{REF} UREF、 R 1 R_1 R1、 R 2 R_2 R2

-
阈值电压:
U T 1 = R 2 R 1 + R 2 U R E F − R 1 R 1 + R 2 U Z U_{T1} = \frac{R_2}{R_1+R_2}U_{REF} - \frac{R_1}{R_1+R_2}U_Z UT1=R1+R2R2UREF−R1+R2R1UZ
U T 2 = R 2 R 1 + R 2 U R E F + R 1 R 1 + R 2 U Z U_{T2} = \frac{R_2}{R_1+R_2}U_{REF} + \frac{R_1}{R_1+R_2}U_Z UT2=R1+R2R2UREF+R1+R2R1UZ -
功能:通过 U R E F U_{REF} UREF 平移电压传输特性曲线
7.2.4 窗口比较器
- 结构:两个单限比较器 + 二极管逻辑电路 + 稳压管限幅
- 参考电压: U R H > U R L U_{RH} > U_{RL} URH>URL(上、下阈值)
- 传输特性:
- u I < U R L u_I < U_{RL} uI<URL 或 u I > U R H u_I > U_{RH} uI>URH 时, u O = U O H u_O = U_{OH} uO=UOH(稳压管电压 U Z U_Z UZ)
- U R L < u I < U R H U_{RL} < u_I < U_{RH} URL<uI<URH 时, u O = U O L u_O = U_{OL} uO=UOL(0V)
- 应用:检测输入信号是否在 [ U R L , U R H ] [U_{RL}, U_{RH}] [URL,URH] 区间内(如过压/欠压报警)

7.2.5 集成电压比较器
- 特点:响应速度快、传输延迟短,可直接驱动TTL/CMOS数字电路,部分带选通端
- 典型型号:
- AD790(通用型):单电源/双电源供电,带锁存控制端
- LM119(双比较器):集电极开路输出,可实现"线与"逻辑(构成窗口比较器)
- 基本接法:需外接电源、去耦电容,集电极开路输出需接下拉电阻

7.3 非正弦波发生电路
非正弦波发生电路(矩形波、三角波、锯齿波等)由"滞回比较器(状态转换)+ 延迟环节( R C RC RC 或积分电路)"组成,核心是通过延迟环节实现输出状态的周期性转换。
7.3.1 矩形波发生电路(方波发生电路)
1. 电路组成
- 反相输入滞回比较器(状态转换)+ R C RC RC 充放电电路(延迟环节)
- 滞回比较器输出: u O = ± U Z u_O = \pm U_Z uO=±UZ,阈值电压 ± U T = ± R 1 R 1 + R 2 U Z \pm U_T = \pm \frac{R_1}{R_1+R_2}U_Z ±UT=±R1+R2R1UZ

2. 工作原理
- u O = + U Z u_O = +U_Z uO=+UZ 时, R C RC RC 正向充电 → u C u_C uC(反相端电位)升高 → u C = + U T u_C = +U_T uC=+UT 时, u O u_O uO 跃变为 − U Z -U_Z −UZ
- u O = − U Z u_O = -U_Z uO=−UZ 时, R C RC RC 反向放电 → u C u_C uC 降低 → u C = − U T u_C = -U_T uC=−UT 时, u O u_O uO 跃变为 + U Z +U_Z +UZ
- 循环往复,产生自激振荡

3. 主要参数
- 振荡周期( R C RC RC 充放电时间常数相同): T = 2 R 3 C ln ( 1 + 2 R 1 R 2 ) T = 2R_3C \ln\left(1+\frac{2R_1}{R_2}\right) T=2R3Cln(1+R22R1)( R 3 R_3 R3 为充放电电阻)
- 振荡频率: f = 1 T f = \frac{1}{T} f=T1
- 占空比: q = T 1 T = 50 % q = \frac{T_1}{T} = 50\% q=TT1=50%(方波)
4. 占空比可调电路
- 改进:用二极管引导充放电通路,使正向充电时间常数 τ 1 = ( R w 1 + R 3 ) C \tau_1 = (R_{w1}+R_3)C τ1=(Rw1+R3)C、反向放电时间常数 τ 2 = ( R w 2 + R 3 ) C \tau_2 = (R_{w2}+R_3)C τ2=(Rw2+R3)C
- 占空比: q = T 1 T ≈ R w 1 + R 3 R w + 2 R 3 q = \frac{T_1}{T} \approx \frac{R_{w1}+R_3}{R_w+2R_3} q=TT1≈Rw+2R3Rw1+R3( R w = R w 1 + R w 2 R_w = R_{w1}+R_{w2} Rw=Rw1+Rw2),调节 R w R_w Rw 可改变占空比,周期不变

7.3.2 三角波发生电路
1. 电路组成
- 同相输入滞回比较器(产生方波)+ 积分运算电路(方波→三角波),两者输出互为输入
- 滞回比较器阈值电压: ± U T = ± R 1 R 2 U Z \pm U_T = \pm \frac{R_1}{R_2}U_Z ±UT=±R2R1UZ
- 积分电路输出: u O = − 1 R 3 C ∫ u O 1 d t u_O = -\frac{1}{R_3C}\int u_{O1}dt uO=−R3C1∫uO1dt( u O 1 u_{O1} uO1 为方波输出)

2. 工作原理
- u O 1 = + U Z u_{O1} = +U_Z uO1=+UZ 时,积分电路反向积分 → u O u_O uO 线性下降 → u O = − U T u_O = -U_T uO=−UT 时, u O 1 u_{O1} uO1 跃变为 − U Z -U_Z −UZ
- u O 1 = − U Z u_{O1} = -U_Z uO1=−UZ 时,积分电路正向积分 → u O u_O uO 线性上升 → u O = + U T u_O = +U_T uO=+UT 时, u O 1 u_{O1} uO1 跃变为 + U Z +U_Z +UZ
- 输出 u O 1 u_{O1} uO1 为方波, u O u_O uO 为三角波

3. 主要参数
- 振荡周期: T = 4 R 1 R 3 C R 2 T = \frac{4R_1R_3C}{R_2} T=R24R1R3C
- 振荡频率: f = R 2 4 R 1 R 3 C f = \frac{R_2}{4R_1R_3C} f=4R1R3CR2
- 三角波幅值: ± U T = ± R 1 R 2 U Z \pm U_T = \pm \frac{R_1}{R_2}U_Z ±UT=±R2R1UZ
7.3.3 锯齿波发生电路
1. 电路组成
- 改进三角波电路:积分电路正向/反向积分时间常数差异显著( τ 1 ≪ τ 2 \tau_1 \ll \tau_2 τ1≪τ2 或反之)
- 实现方式:用二极管引导积分通路, R w ≫ R 3 R_{w} \gg R_3 Rw≫R3(正向积分时间常数 τ 1 = R 3 C \tau_1 = R_3C τ1=R3C,反向积分时间常数 τ 2 = ( R 3 + R w ) C \tau_2 = (R_3+R_w)C τ2=(R3+Rw)C)

2. 主要参数
- 振荡周期: T ≈ 2 R 1 ( R 3 + R w ) C R 2 T \approx \frac{2R_1(R_3+R_w)C}{R_2} T≈R22R1(R3+Rw)C
- 占空比: T 1 T ≈ R 3 2 R 3 + R w \frac{T_1}{T} \approx \frac{R_3}{2R_3+R_w} TT1≈2R3+RwR3
- 特点:上升/下降斜率差异大,形成锯齿波

7.3.4 波形变换电路
1. 三角波→锯齿波
- 原理:利用电子开关改变比例系数(上升时 k = 1 k=1 k=1,下降时 k = − 1 k=-1 k=−1)
- 电路:比例运算电路 + 电子开关(由三角波微分得到的方波控制)

2. 三角波→正弦波
- 滤波法:三角波傅里叶展开含基波和奇次谐波,用低通滤波器滤除高次谐波(适用于固定频率)
- 折线法:将三角波分段衰减,模拟正弦波幅度变化(不受频率限制,便于集成)


7.3.5 函数发生器(ICL8038)
- 功能:同时产生方波、三角波、正弦波
- 性能参数:频率范围 0.001 Hz 300 kHz 0.001\text{Hz}~300\text{kHz} 0.001Hz 300kHz,方波占空比 2 % 98 % 2\%~98\% 2% 98%,正弦波失真度 < 1 % <1\% <1%
- 基本接法:单电源/双电源供电,通过 R A R_A RA、 R B R_B RB 调节频率和占空比( R A = R B R_A=R_B RA=RB 时方波占空比 50 % 50\% 50%)
7.4 利用集成运放实现的信号转换电路
信号转换电路实现"电压→电流""电流→电压""交流→直流""电压→频率"等转换,是模拟信号处理的关键环节。
7.4.1 电压-电流转换电路
1. 负载接地型电路(实用型)
- 结构:两个运放( A 1 A_1 A1 同相求和, A 2 A_2 A2 电压跟随器), R 1 = R 2 = R 3 = R 4 = R R_1=R_2=R_3=R_4=R R1=R2=R3=R4=R
- 输出电流: i O = u I R 0 i_O = \frac{u_I}{R_0} iO=R0uI(与负载电阻无关,恒流特性)

2. 电流-电压转换电路
- 结构:运放反相输入,引入电压并联负反馈
- 输出电压: u O = − i S R f u_O = -i_S R_f uO=−iSRf( i S i_S iS 为输入电流, R f R_f Rf 为反馈电阻)
- 关键:输入电阻极低, i S ≈ i f i_S \approx i_f iS≈if(反馈电流)

7.4.2 精密整流电路
1. 半波精密整流电路
- 结构:反相比例运算电路 + 二极管 D 1 D_1 D1、 D 2 D_2 D2
- 工作原理:
- u I > 0 u_I > 0 uI>0 时, u O ′ < 0 u_O' < 0 uO′<0 → D 2 D_2 D2 导通、 D 1 D_1 D1 截止 → u O = − R f R u I u_O = -\frac{R_f}{R}u_I uO=−RRfuI
- u I < 0 u_I < 0 uI<0 时, u O ′ > 0 u_O' > 0 uO′>0 → D 1 D_1 D1 导通、 D 2 D_2 D2 截止 → u O = 0 u_O = 0 uO=0
- 优势:克服普通整流电路死区(运放开环增益大,微小 u I u_I uI 即可驱动二极管导通)

2. 全波精密整流电路(绝对值电路)
- 结构:半波整流电路 + 反相求和电路
- 输出电压: u O = ∣ u I ∣ u_O = |u_I| uO=∣uI∣(无论 u I u_I uI 正负,输出均为正的整流电压)

7.4.3 电压-频率转换电路(VFC/压控振荡VCO)
1. 电荷平衡式(核心类型)
- 结构:积分器 + 滞回比较器 + 电子开关 + 恒流源
- 工作原理:
- 积分器对 u I u_I uI 正向积分 → u O 1 u_{O1} uO1 升高 → 滞回比较器输出跃变 → 电子开关闭合 → 恒流源反向积分(快速放电)
- 循环往复,振荡频率与 u I u_I uI 幅值成正比
- 振荡频率( u I < 0 u_I < 0 uI<0 时): f ≈ R 2 2 R 1 R w C U Z ∣ u I ∣ f \approx \frac{R_2}{2R_1R_wC U_Z}|u_I| f≈2R1RwCUZR2∣uI∣

2. 复位式
- 结构:积分器 + 单限比较器 + 模拟开关
- 工作原理:积分器对 u I u_I uI 积分 → u O 1 u_{O1} uO1 过阈值 → 比较器输出跃变 → 开关闭合复位电容 → 重复振荡
- 特点:电路简单,精度低于电荷平衡式

3. 集成VFC
- 典型型号:AD650(电荷平衡式,满刻度频率1MHz,非线性0.005%)、AD654(多谐振荡器式,功耗低)
7.5 Multisim应用举例
1. R C RC RC 桥式正弦波振荡电路调试
- 仿真内容:调节 R f R_f Rf 起振,观察起振过程,测量 U o p U_{op} Uop、 U + p U_{+p} U+p 等参数
- 结论: R f ≈ 1.8 k Ω R_f \approx 1.8k\Omega Rf≈1.8kΩ 时起振,稳定振荡时 U + p = 1 3 U o p U_{+p} = \frac{1}{3}U_{op} U+p=31Uop,二极管动态电阻影响稳幅
2. 滞回比较器电压传输特性测量
- 方法:输入低频三角波(10Hz,10V),示波器B/A模式显示传输特性
- 结论:阈值电压与理论值一致,输入信号需覆盖阈值范围以显示完整特性
3. 压控振荡电路测试
- 仿真结果:输出频率与输入电压幅值成正比( u I = − 6 V u_I=-6V uI=−6V 时 f ≈ 233.7 H z f≈233.7Hz f≈233.7Hz, u I = − 3 V u_I=-3V uI=−3V 时 f ≈ 469 H z f≈469Hz f≈469Hz)
- 应用:实现模拟信号→数字信号转换(驱动计数器计数)
本章总结
核心框架
-
正弦波振荡电路:
- 核心条件: A ˙ F ˙ = 1 \dot{A}\dot{F}=1 A˙F˙=1(幅值+相位),四大组成部分(放大、选频、正反馈、稳幅)
- 分类: R C RC RC(低频)、 L C LC LC(高频)、石英晶体(高稳定)
-
电压比较器:
- 核心功能:模拟→二值信号转换,三要素(输出电平、阈值电压、跃变方向)
- 类型:单限(灵敏)、滞回(抗干扰)、窗口(区间检测)
-
非正弦波发生电路:
- 核心结构:滞回比较器(状态转换)+ 延迟环节( R C RC RC/积分)
- 典型波形:矩形波(方波)→ 三角波(积分)→ 锯齿波(不等时间常数积分)
-
信号转换电路:
- 核心转换关系:电压↔电流、交流→直流(精密整流)、电压→频率(VFC)
关键区别与联系
- 正弦波vs非正弦波振荡:前者需选频网络(单一频率),后者需状态转换+延迟(周期性波形)
- 比较器vs放大电路:前者工作在非线性区(二值输出),后者工作在线性区(模拟输出)
- 信号转换的本质:利用反馈、非线性元件(二极管)、积分/微分等运算实现信号形式变换
应用场景
- 正弦波:测试信号、通信载波、电源振荡
- 非正弦波:数字电路时钟、波形显示、控制信号
- 信号转换:传感器信号预处理、数字化测量、遥控遥测