书籍:Matlab实用教程
工具:Matlab2021a
电脑信息:Intel® Xeon® CPU E5-2603 v3 @ 1.60GHz
系统类型:64位操作系统,基于X64的处理器 windows10 专业版
第7章 simulink仿真环境
7.5 复杂系统仿真与分析
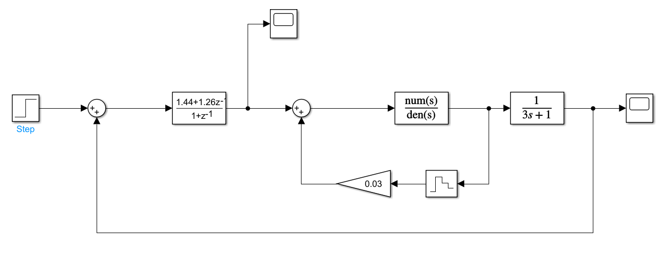
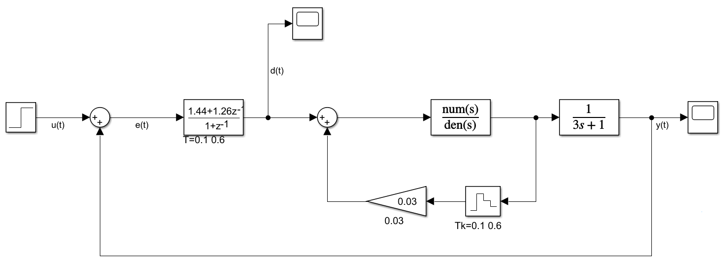
7.5.3 离散系统仿真









7.5.4 仿真结构参数化

cpp
%Ex0705_01
T=0.1;
Tk=0.6;
k=0.03;
zt1=1.44;
zt2=-1.26;
zt3=1;
zt4=-1;
tf11=6.7;
tf12=0.1;
tf13=1;
tf21=1;
tf22=3;
tf23=1;
cpp
>> Ex0705_01
