书籍:Matlab实用教程
工具:Matlab2021a
电脑信息:Intel® Xeon® CPU E5-2603 v3 @ 1.60GHz
系统类型:64位操作系统,基于X64的处理器 windows10 专业版
第7章 simulink仿真环境
7.5 复杂系统仿真与分析
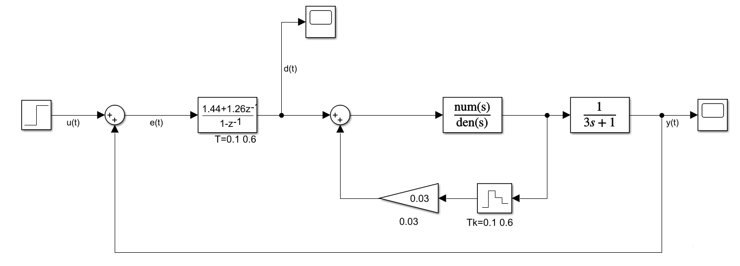
1、Difference


2、Discrete Derivative


3、Zero-Order Hold


7.6 子系统与封装
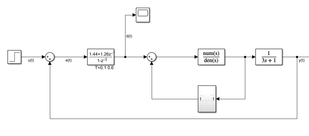
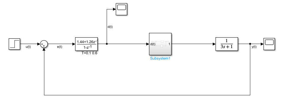
7.6.1 建立子系统
1、在已建立的模型中新建子系统





2、在已有的子系统基础上建立



7.6.2 条件执行子系统
1、使能子系统

2、触发子系统


3、使能触发子系统
7.6.3 子系统的封装
1、封装子系统的步骤
2、Icon选项卡
3、Parameters选项卡
4、initialization 选项卡
5、Documentation选项卡
6、按钮