唐雪阳
安科瑞电气股份有限公司 上海嘉定 201801
**摘要:**为实现电气防火限流保护器电气性能的自动测试,研制了一套基于LabVIEW的电气防火限流保护器电气性能自动测试装置。该装置可以实现对0-40A、0-63A、160-250A等多种规格的电气防火限流保护器电气性能自动测试。测试内容包括短路限流试验、过负荷保护试验和电压波动试验。测试装置可以自动捕获短路限流试验波形和过负荷保护试验波形,准确计算短路限流时间和过负荷保护时间,并存储波形、数据和生成测试报告。选用额定工作电压220 V、电流10A的电气防火限流保护器作为被测试样例进行测试,测试结果表明,所开发的测试装置提高了测试效率和安全性能,降低了测试成本,实现了电气防火限流保护器电气性能测试的自动化和智能化。
关键词:电气防火限流保护器;短路限流
一、引言
近年来,因线路短路、过负荷及电气设备故障等原因引发的电气火灾已成为所有火灾中发生频率较高、造成损失较大的一类火灾,根据发布的中国消防年鉴显示,2014---2017年电气火灾数量占总体火灾数量的比重呈逐年上升趋势,2017年达到了35.7%,给人民的生命财产安全带来极大的威胁。电气线路短路时,由于现有的机械式断路器存在关断速度慢、无法限制短路电流、开断时会产生电弧等问题,往往会造成事故扩大,诱发电气火灾,例如哈尔滨"8·25"和北京大兴"11·18"两起造成重大人员伤亡的火灾事故均是由电气线路短路、机械断路器未能可靠保护、引燃周围可燃物所致。为了降低火灾隐患,全国消防标准化技术委员会火灾探测与报警分技术委员会联合相关企业制定了相应的国家标准《电气火灾监控系统第6部分:电气防火限流式保护器》,要求电气防火限流保护器完成短路限流时间应不大于150μs。能够对电气短路故障实现微秒级限流保护,可以大大降低因电气线路短路造成的火灾事故。目前该标准正处于报批阶段。
为了实现测试装置的研发与测试标准的报批同步进行,为标准正式出台后的顺利实施奠定基础。为此,在满足测试标准要求的测试方法基础上,进一步提高测试效率,降低测试成本,设计开发了一套基于LabVIEW的电气防火限流保护器电气性能自动测试装置,利用该测试装置可以实现对多种规格的电气防火限流保护器电气性能自动测试,测试内容包括短路限流测试、过负荷保护测试和电压波动测试。在测试结束之后自动生成测试报告,实现了对电气防火限流保护器电气性能测试的自动化和智能化。
二、整体方案设计
2.1 方案设计依据
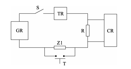
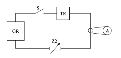
依据标准中对电气防火限流保护器电气性能测试的相关规定,短路限流测试电路如图1所示,过负荷保护测试电路如图2所示。图1和图2中的GR为电压源、TR为被测试样、S为单刀单掷开关、R为0.01Ω无感取样电阻、CR为示波器、T为按钮开关、Z1为3~6A阻性负载,图2中A为钳式电流表、Z2为25~50A阻性负载。
短路限流测试步骤:将被测试样按图1所示与设备连接,闭合开关S,保护器正常工作,按通按钮开关T,记录并观察闭合瞬间示波器显示的R两端电压波形,记录被测试样完成短路限流时间。

图1 短路限流测试电路
过负荷保护测试步骤:将被测试样按图2所示与设备连接,导线上套入钳式电流表A,将开关S接通后,记录试样完成过负荷保护时间。
电压波动测试步骤:将被测试样按正常工作要求进行布置,分别按额定电压的110%和85%给试样供电,重复上述短路限流测试和过负荷保护测试。

图2 过负荷保护测试电路
2.2 整体设计方案
根据标准中规定的测试方法,设计了一套基于LabVIEW的电气防火限流保护器电气性能自动测试装置,装置整体方案设计框图如图3所示。基于LabVIEW的测试软件安装在工控机上,测试软件通过电压检测模块、高速电流采集模块分别采集调压器输出侧的电压和线路中的电流,根据测试内容自动控制调压器输出电压、可调负载切换阻值、接触器KM开关状态以及短路支路是否短路。

图3 整体方案设计框图
三、硬件设计
硬件设计主要包括工控机、供电单元、可调负载、高速电流采集模块、短路支路和电压检测模块的选择与设计。工控机选用研华公司的IPC-610L;可调负载型号为RXF-AC220V 1-64A交流负载,可调负载上安装有DC24V继电器,可通过控制继电器进行阻值切换;高速电流采集模块选用固纬MDO-2000E系列多功能混合域示波器,频率带宽200MHz,较大实时采样率可以达到1GSa/s。
3.1 供电单元设计
在对电气防火限流保护器进行电气性能测试时,需要进行电压波动测试,分别按额定电压的110%(约242V)和85%(约187V)给被测试电气防火限流保护器供电。因此,供电单元应满足输入电压为交流220V,输出电压为0~250V的要求,用于给被测试样以及整个装置供电。供电单元硬件电路如图4所示。

图4 供电单元硬件电路图
供电单元由调压器、步进电机和步进电机驱动器组成。所选用的调压器型号为TEGGC2J-30KVA,输入电压为单相220V,输出电压0~250V,输出额定工作电流为120 A;选用的步进电机驱动器型号为HST884A,采用直流24~50V供电。工控机可通过控制步进电机调节调压器的输出电压,避免了手动操作。
3.2 短路支路设计
在进行短路限流测试时,接触器和双向可控硅构成短路支路。选用双向可控硅作为短路支路时,可以准确控制短路发生的相位角,但是因为可控硅导通时存在通态压降,在一定程度上会限制短路电流的增长。接触器在导通时电阻小,不会因为接触器的原因影响短路电流的大小,但是无法控制短路发生的相位角。当对短路发生的相位角有要求时,选用双向可控硅作为短路支路;当对短路发生的相位角没有要求时,选用接触器作为短路支路。短路支路硬件电路如图5所示,所选用的双向可控硅TRIAC型号为MTC1000A,额定电流1000A,额定电压1600V;可控硅触发器型号为SCR-Y,触发功率大,可以直接触发3000A以内的可控硅。在进行过负荷保护测试时,控制器控制可控硅触发器脉冲信号,双向可控硅不导通,或断开接触器,短路支路断开;在进行短路限流测试时,控制器控制可控硅触发器发出脉冲信号,使双向可控硅处于导通状态或闭合接触器,将负载短路。

图5 短路支路电路
3.3 电压检测模块的选择与设计
利用电压检测模块对供电单元输出侧的交流电压进行检测,所选用的电压检测模块型号为KBM-44交流电压隔离变送器,该交流电压隔离变送器电压检测范围为0~250 V,支持modbus通信协议,可以直接和上位机之间进行通信,将检测到的交流电压有效值上传给上位机测试软件。
- 软件设计
为了充分利用LabVIEW图形化的编程特点以及灵活、有效的仪器控制方式,使开发的测试软件具有更高的可靠性,基于LabVIEW 2018开发了装置的测试软件。LabVIEW由美国国家仪器(NI)公司研制开发,它以G编程语言为基础,是开发测试、测量以及仪器控制的理想选择,适用于数据采集、控制、数据分析和图像显示等,目前已广泛应用于各种测试领域。
测试软件由测试界面和测试程序两部分组成。测试界面用于对测试参数和测试内容进行设置;测试程序则根据设置的测试参数和测试内容执行相应的操作,主要包括供电程序、短路限流测试程序、过负荷保护测试程序和时间计算子程序。
4.1 测试软件界面设计
测试软件界面如图6所示,左侧设置有供电电压单选按钮、参数确认按键和供电电压确认按键,针对电压波动测试,在供电电压单选按钮中设置了187、220、242V三个电压,可根据测试内容进行选择。右侧设置有额定工作电流枚举按钮、短路限流测试按键、过负荷保护测试按键和生成报告按键,额定工作电流枚举按钮中设置了10、20、32、63A四个规格,可根据被测试样的规格选择对应的额定工作电流。

图6 测试软件界面
4.2 供电程序设计
测试装置供电程序流程图如图7所示。在对电气防火限流保护器进行电压波动测试时,调压器输出侧需要提供187V和242V电压;在进行短路限流测试和过负荷保护测试时,调压器输出侧需要提供220V电压。在测试软件界面选定供电电压之后,软件通过电压检测模块实时读取调压器输出侧的电压有效值,并判断其是否在设定的电压范围之内,若在范围之内,则调压结束;反之,继续进行调整,判断其是否大于设定范围的较大值。若大于,则使步进电机反转,减小调压器输出侧电压;反之,使步进电机正转,增大调压器输出侧电压。重复上述操作,直至调压器输出侧电压调整到设定范围之内,保证供电电压的准确性。

图7 测试装置供电程序流程图
4.3 短路限流测试和过负荷保护测试程序设计
短路限流测试程序流程和过负荷保护测试程序流程分别如图8和图9所示。对测试装置的供电电压进行调整确认之后,在测试软件界面点击短路限流测试按键或过负荷保护测试按键,便可以进行短路限流测试或过负荷保护测试,执行相应的流程,得到短路电流波形、过负荷电流波形、短路限流时间和过负荷保护时间,并将波形和数据保存,用于后期生成测试报告。

图8 短路限流测试程序流程图
图9 过负荷保护测试程序流程图
4.4 时间计算子程序设计
电气防火限流保护器完成短路限流时间为从流过保护器的短路故障电流值超过短路保护整定电流报警值时到短路故障电流降到其值5%时的时间间隔。短路限流时间计算子程序如图10所示。

图10 短路限流时间计算子程序流程图
过负荷保护时间为从流过保护器的负载电流值超过过负荷保护整定电流报警值时到负载电流降到其值5%时的时间间隔。过负荷保护时间计算子程序流程和短路限流时间计算程序类似,只是过负荷时高速电流采集模块的采样率和短路时设置不同。
五、安科瑞电气防火限流式保护器
5.1 概述
ASCP系列电气防火限流式保护器可有效克服传统断路器存在的短路电流大、动作时间长、短路电弧大、使用寿命短等弊端。发生短路故障时,能以微秒级速度快速限制短路电流以实现灭弧保护,从而能显著减少电气火灾事故,保障使用场所人员和财产的安全。
5.2 功能特点

1)短路限流:当线路发生短路故障时,能在150us内实现快速限流保护,因短路电流过大所引起的电气火灾事故。
2)过载限流:当被保护线路的电流超过额定电流,线路过载且过载持续时间超过设定时间(3-60秒)时,保护器进行限流保护。
3)超温限流:当保护器的内部元器件温度超过设定值时,产品启动超温限流保护功能,防止因温度过高造成产品损坏。
4)过/欠压保护:当保护器检测到线路电压欠压或过压时,保护器发出声光报警信号,可预先设置是否启动限流保护。
5)线缆温度监测:当被监测线缆温度超过报警设定值时,保护器发出声光报警信号,可预先设置是否启动限流保护。
6)漏电流监测:当被监测的线路漏电超过报警设定值时,保护器发出声光报警信号,可预先设置是否启动限流保护。
7)通讯功能:具有1路RS485接口,1路2G无线通讯,可以将数据发送到后台监控系统,实现远程监控。监控后台可以是安科瑞Acrel-6000/B电气火灾监控主机,也可以是安科瑞Acrel-6000安全云平台,或第三方监控软件或平台。
5.3 设备选型 

六、结束语
本文研制的一套基于LabVIEW的电气防火限流保护器电气性能自动测试装置可以实现对0-40A、0-63A、160-250A等多种规格的电气防火限流保护器电气性能自动测试,可以自动捕获短路限流试验波形和过负荷保护试验波形,准确计算得到短路限流时间和过负荷保护时间,并能生成测试报告。测试表明,该测试装置提高了测试效率和安全性能,降低了测试成本,实现了电气性能测试的自动化和智能化。