目录
一、前言
结合之前所撰文章,一个低功耗温湿度计的轮廓隐约显现出来:采用STM32L051单片机为主控,低功耗温湿度芯片HDC2080作为温湿度采集,系统使用纽扣电池供电,墨水屏显示当前温湿度值,断电仍然显示。原理图如下所示



二、cubeMX配置

使用的外设如下
|------|---------------------|--------------|
| 外设 | 相关引脚 | 功能 |
| GPIO | PB0 | 控制墨水屏供电 |
| GPIO | PA3 | 读取墨水屏状态 |
| IWDG | / | 防止程序跑飞 |
| NVIC | / | 中断 |
| SYS | / | 烧录和调试 |
| RTC | / | 定时唤醒 |
| I2C | PB6,PB7 | 与HDC2080芯片通信 |
| SPI | PA4,PA5,PA6,PA7,PA8 | 墨水屏显示控制 |
I2C

标准模式,速率100kHz
SPI

波特率4MBits/s,无DMA
时钟

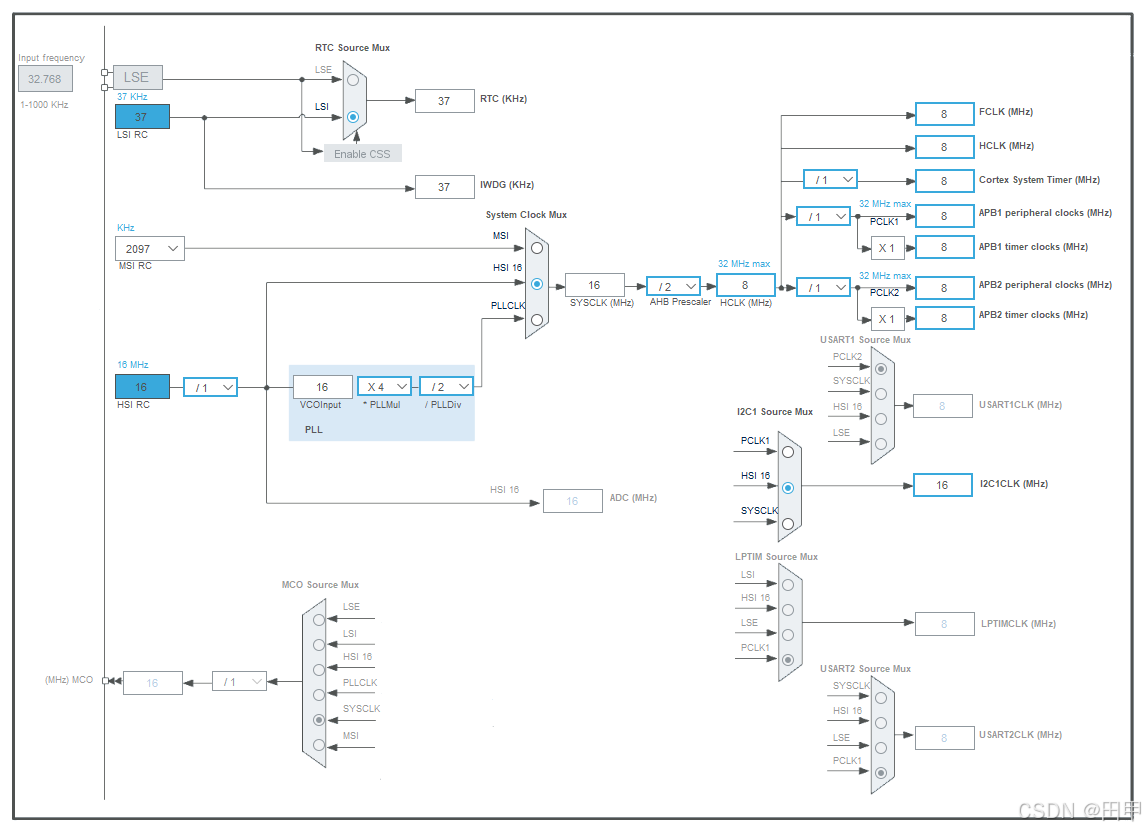
使用HSI,如果换成外部晶振,功耗会增加还是进一步降低?
RTC

设置自动唤醒为5s
独立看门狗

GPIO

用于墨水屏的控制和显示
三、总体设计
MCU默认状态为休眠,当RTC的5s时间到达,MCU唤醒,先喂狗,再读取当前温湿度。
将当前温湿度与EEPROM中存储的当前屏幕显示的温湿度比较,如果超过一定范围就刷新屏幕,并把新的显示值存入EEPROM,刷新完毕后先让墨水屏下电,再MCU进休眠,等待下一次唤醒到来。流程图如下:

四、代码编写
cpp
/* Includes ------------------------------------------------------------------*/
#include "main.h"
#include "i2c.h"
#include "iwdg.h"
#include "rtc.h"
#include "spi.h"
#include "gpio.h"
/* Private includes ----------------------------------------------------------*/
/* USER CODE BEGIN Includes */
#include "epd.h"
#include "hdc2080.h"
#include "GUI.h"
/* USER CODE END Includes */
/* Private typedef -----------------------------------------------------------*/
/* USER CODE BEGIN PTD */
/* USER CODE END PTD */
/* Private define ------------------------------------------------------------*/
/* USER CODE BEGIN PD */
#define TEMP_INTERVAL 0.2f
#define HUMID_INTERVAL 3.0f
/* USER CODE END PD */
/* Private macro -------------------------------------------------------------*/
/* USER CODE BEGIN PM */
/* USER CODE END PM */
/* Private variables ---------------------------------------------------------*/
/* USER CODE BEGIN PV */
float temp;
float humidity;
char str[20];
float Showtemp;
float Showhumidity;
uint32_t refreshCnt;
extern GUI_CONST_STORAGE GUI_CHARINFO_EXT GUI_FontMicrosoftYaHeiUI72_CharInfo[13];
#define FONT GUI_FontMicrosoftYaHeiUI72_CharInfo
/* USER CODE END PV */
/* Private function prototypes -----------------------------------------------*/
void SystemClock_Config(void);
/* USER CODE BEGIN PFP */
/* USER CODE END PFP */
/* Private user code ---------------------------------------------------------*/
/* USER CODE BEGIN 0 */
float abs(float a, float b)
{
if (a > b)
{
return a - b;
}
else
{
return b - a;
}
}
/* USER CODE END 0 */
/**
* @brief The application entry point.
* @retval int
*/
int main(void)
{
/* USER CODE BEGIN 1 */
/* USER CODE END 1 */
/* MCU Configuration--------------------------------------------------------*/
/* Reset of all peripherals, Initializes the Flash interface and the Systick. */
HAL_Init();
/* USER CODE BEGIN Init */
/* USER CODE END Init */
/* Configure the system clock */
SystemClock_Config();
/* USER CODE BEGIN SysInit */
/* USER CODE END SysInit */
/* Initialize all configured peripherals */
MX_GPIO_Init();
MX_I2C1_Init();
MX_SPI1_Init();
MX_RTC_Init();
MX_IWDG_Init();
/* USER CODE BEGIN 2 */
__HAL_PWR_CLEAR_FLAG(PWR_FLAG_WU);
HAL_GPIO_WritePin(EPD_EN_GPIO_Port, EPD_EN_Pin, GPIO_PIN_SET);
HDC2080_Reset();
HDC2080_WR_Reg(0xE, 0x0);
HDC2080_Trigger();
HAL_IWDG_Refresh(&hiwdg);
HAL_Delay(1);
HDC2080_RD_Temperature(&temp);
HDC2080_RD_Humidity(&humidity);
Showtemp = *(float*)(0x8080000);
Showhumidity = *(float*)(0x8080004);
#ifdef EPD_REFRESH_CNT
refreshCnt = *(uint32_t*)(0x8080008);
#endif
if (abs(Showtemp, temp) > TEMP_INTERVAL || abs(Showhumidity, humidity) > HUMID_INTERVAL)
{
Showhumidity = humidity;
Showtemp = temp;
__disable_irq();
HAL_FLASHEx_DATAEEPROM_Unlock();
HAL_FLASHEx_DATAEEPROM_Program(FLASH_TYPEPROGRAMDATA_WORD, 0x8080000, *(uint32_t*)(&Showtemp));
HAL_FLASHEx_DATAEEPROM_Program(FLASH_TYPEPROGRAMDATA_WORD, 0x8080004, *(uint32_t*)(&Showhumidity));
HAL_FLASHEx_DATAEEPROM_Lock();
__enable_irq();
}
else
{
HAL_PWR_EnterSTANDBYMode();
}
EPD_Init();
EPD_BufReset();
sprintf(str, "%.2f", Showtemp);
EPD_DrawStr(0, 40, str, FONT, '-');
sprintf(str, "%.0f", Showhumidity);
EPD_DrawStr(230, 40, str, FONT, '-');
EPD_Refresh();
HAL_PWR_EnterSTANDBYMode();
/* USER CODE END 2 */
/* Infinite loop */
/* USER CODE BEGIN WHILE */
while (1)
{
/* USER CODE END WHILE */
/* USER CODE BEGIN 3 */
}
/* USER CODE END 3 */
}

用逻辑分析仪监测I2C引脚,发现每隔5s读取当前温湿度值,符合预期

测得休眠电流约2.8uA
