当智能硬件走向"高算力+低功耗+丰富外设"时代,8位机常常力不从心,而主流32位MCU又面临成本敏感、封装庞大、开发复杂等痛点。辉芒微推出的 FT32F072xx 系列(含 RBAT7/CBAT7/KBBT7/KBBU7/KBCW7 等子型号)恰逢其时:Cortex-M0 内核跑 96 MHz,2.0-5.5 V 超宽压,24×Touch Key、1×USB 2.0、双运放、四比较器、1 Msps ADC 全部塞进最小 4 mm×4 mm QFN32。一颗芯片即可覆盖家电控制、工业节点、便携测量、健康美容、USB Dongle 等海量应用,且现场 BOM 成本与 8 位机几乎持平------"加量不加价"的升级方案,由此展开。
家族总览与快速选型
| 子型号 | Flash/SRAM | GPIO | ADC 通道 | 封装 | 特色应用 |
|---|---|---|---|---|---|
| RBAT7 | 128 k/24 k | 51 | 16 ext+6 int | LQFP64 | 高 IO 数,工业 HMI |
| CBAT7 | 128 k/24 k | 37 | 10 ext+6 int | LQFP48 | 平衡型,伺服控制 |
| KBBT7 | 128 k/24 k | 25 | 10 ext+6 int | LQFP32 | 小体积,家电主板 |
| KBBU7 | 128 k/24 k | 25 | 10 ext+6 int | QFN32-B | 超薄无线 Dongle |
| KBCW7 | 128 k/24 k | 25 | 10 ext+6 int | QFN32-C | 底部散热焊盘,美容仪 |
→ 全系硬件兼容:外设地址、引脚排列、寄存器位域保持一致,工程师可"大封装调试→小封装量产",无需修改原理图。

内核与存储
-
Cortex-M0 单周期 32×32 乘法器,96 MHz 主频下 CoreMark 达 2.42/MHz,轻松应对 PID 运算、电机 SVPWM、USB 数据搬运。
-
128 kB Flash + 12 kB Bootloader 支持 IAP/OTA;24 kB SRAM 可并行 DMA,ADC 采样→内存→USB 上传无需 CPU 干预。
-
2.0-5.5 V 超宽压,直连 3×AA/单锂电/5 V 适配器;待机 2.2 µA,RTC+1 kB 备份寄存器保持时钟与数据,电池设备 10 年不换电。
丰富外设"全家桶"
-
模拟"三件套"
- 1 Msps 12-bit ADC(16 外部+6 内部通道),7 位 DAC×2,3×高速比较器,2×运放(GBW=2.49 MHz,PSRR=100 dB),省去外部运放/比较器。
-
电机与电源
- TIM1 高级定时器带 3 对互补 PWM+死区+刹车,可直接驱动半桥/全桥 MOSFET;霍尔接口 ETR 完成无刷电机闭环。
-
触控+LED 驱动
- 24 通道电容触摸,支持 1 mm 亚克力面板;PA8-PA10/PA13-15/PB0-PB7 共 14 脚具备 51 mA 大电流驱动,可直接推 LED 灯串,省掉三极管。
-
通讯"三剑客"
- USB 2.0 Full-Speed 12 Mbps(内置 PHY+上拉),支持 USB CDC/HID/MSC 协议栈;双 USART 带 RS-485 硬件 DE 信号;双 I²C(1 MHz FM+)。
-
安全与校准
- PVD 可编程电压检测(16 档 1.7-4.1 V),Flash 读保护/写保护,96 位唯一 ID,CRC-32 硬件单元,满足家电安规与固件版权需求。
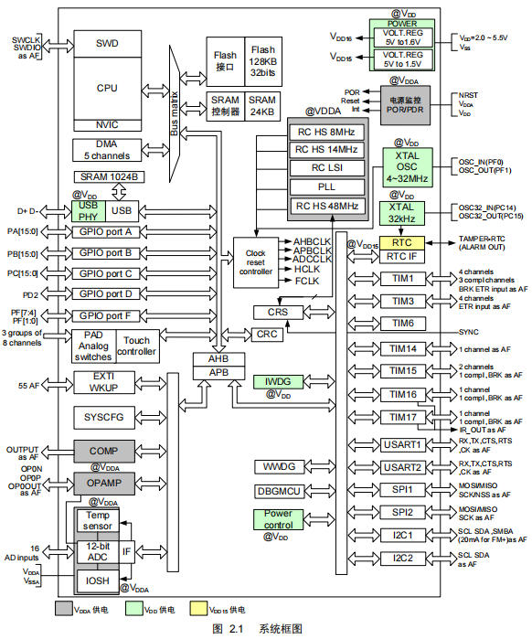
功能框图与引脚分布
-
系统框图亮点
-
多时钟源:4-32 MHz 晶振、48 MHz 内置 RC、40 kHz LSI、32.768 kHz LSE,PLL 最高 96 MHz;外设独立门控,节能精细化。
-
DMA 5 通道:ADC、USART、SPI、I²C、TIM 均可触发,实现"零 CPU"数据搬运。
-
触摸控制器:硬件电荷转移,最大灵敏度 1 pF,中断阈值自整定,防水抗干扰。
-
-
引脚定义精髓
-
LQFP64 提供 51 GPIO,适合工业 HMI;LQFP48 保留 37 GPIO,兼顾成本与功能;QFN32 仅 4 mm×4 mm,却仍有 25 GPIO 与 USB,是空间敏感型(TWS 充电盒、指纹 U 盘)首选。
-
所有封装均引出 VBAT、NRST、SWDIO、SWCLK,调试/烧录/低功耗模式切换无压力。
-

供电方案与电源树
-
单电源方案
- VDD=2.0-5.5 V,VDDA 与 VDD 直连,内部 1.6 V/1.5 V LDO 为内核与模拟供电;>2.7 V 时 ADC 可达全速 1 Msps。
-
双电源隔离方案
- 数字部分 VDD 2.0-5.5 V,模拟部分 VDDA 2.4-5.5 V,二者通过 10 Ω+100 nF π 型滤波,提升 ADC/DAC 信噪比 6 dB。
-
备份域供电
- VBAT 2.0-5.5 V 直接接纽扣电池,RTC、32×16 bit 备份寄存器、LSE 晶振持续运行;主电掉电时电流仅 0.5 µA。
-
USB 供电方案
- USB 工作电压 3.0-3.6 V,5 V 总线经 LDO 降至 3.3 V 后给 MCU;LDO 使能脚由 VBUS 检测,插入自动上电,拔出自动进入待机。

典型应用速写
-
工业控制:LQFP64 + TIM1 互补 PWM → 驱动 3 相 24 V 无刷电机,ADC 采样相电流,运放做差分放大,USB CDC 上传实时波形。
-
健康美容:QFN32 + 触摸滑条 + 大电流 LED → 便携式射频美容仪,手指滑动调功率,RGB 灯环指示温度档。
-
智能家居:LQFP48 + 触摸面板 + RS-485 → 86 盒智能温控器,Modbus-RTU 对接全屋 PLC,掉电 RTC 维持定时开关。
-
USB 配件:KBBU7 + USB HID → 8 路可编程 GPIO 小工具,PC 端 Python 脚本即可读写控制,开发调试神器。