作为Redis对象中特别重要的ZSet的底层实现原理,理解跳表特别重要。那么我们接下来来介绍一下跳表;
1.什么是跳表
跳表的本质还是链表,普通链表的结构如下所示:

这种结构虽然简单清晰,但是查询某个节点的效率比较低,而在有序集合场景,无论是查找还是添加删除元素,我们是需要能快速通过score定位到具体位置,如果用链表那时间复杂度其实就是O(N),N是节点个数。为了提升查找的性能,Redis就引入了跳表,跳表在链表的基础上,给链表增加了多级的索引,通过索引可以一次实现多个节点的跳跃,提高性能。
跳跃表是一种支持多级索引的结构,查询效率可以媲美二分查找,它插入一条数据 也是需要先查找,找到之后会进行索引的重建,整体平均时间复杂度是O(logN)
|------------|------|----------|
| 是什么 | 场景 | 特点 |
| 有序多索链表 | ZSet | 有序;查询性能高 |
2.跳表的结构

可以看到,这个图某些节点不光只有一层,如果只用普通链表,只能一步一步往后走,如果用这种有高层的节点,那是不是可以一次多走几步,理论上,层次越高平均步长越大,但并不完全像示意图一样是绝对均衡的,节点的层高其实是概率随机的。为了理解这个结构有什么好处,我们分几个场景来分析
场景一:查找分数为45的数据
如果只有原始的链表,那需要走4步,如果有图中的二级索引,只用走2步,那如果找45呢,其实就是从第1个节点出发,通过二级索引走到35,再查看到下一个节点是65,已经超过了,所以降低到下方的索引,也就是一级索引,往后走一次就可以找到45。
由此可见,跳表的查找过程为从高级索引往后查找,如果下个节点的数值比目标节点小,则继续找,否则不跳过去,而是用下级索引往下找。
场景二:插入一条score为36的数据
首先,定位到第一个比score大的位置,这里是45,定位方式和查询类似.然后,构造一个新的节点,这里我们假设节点层高随机到3,最后,将各层链表补齐,其实就是在每一层进行链接,效果如图

标准的跳表有如下限制:
- score值不能重复
- 只有向前的指针,没有回退的指针;
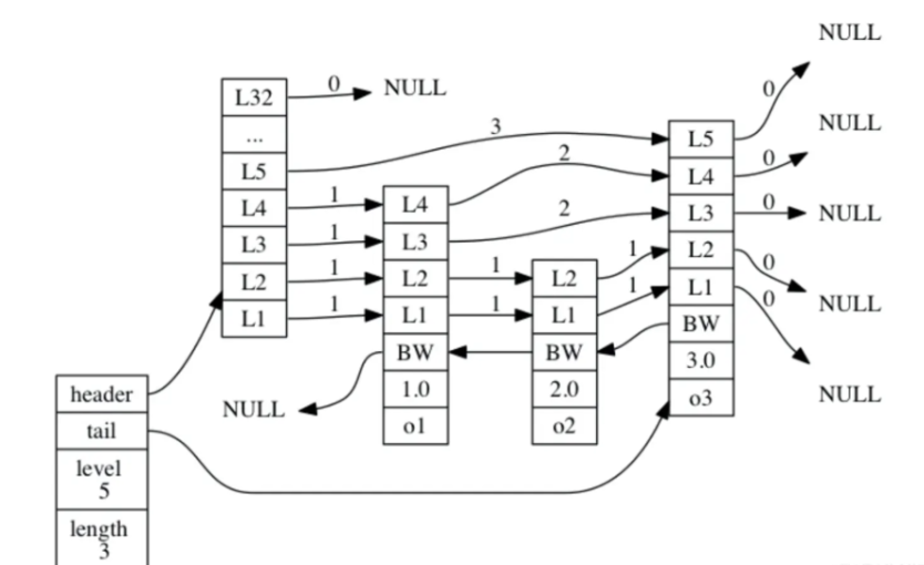
但是Redis并不是标准的跳表,上面的两个限制都不存在;它的最下面一层就是双向链表

cs
/* ZSETs use a specialized version of SkipLists */
typedef struct zskiplistNode {
sds ele;
double score;
struct zskiplistNode *backward;
struct zskiplistLevel {
struct zskiplistNode *forward;
unsigned long span;
} level[];
} zskiplistNode;
我们现在来看一下字段的含义:
- ele:很熟悉的SDS结构,用来存储数据。
- score:节点的分数,从小到大排序,浮点型数据,是节点排序的重要指标
- backward:指向上一个节点的回退指针,支持从表尾向表头遍历,也就是ZREVRANGE命
- level:是个zskiplistLevel结构体数组,zskiplistLevel这个结构体包含了两个字段,一个是forward,指向该层下个能跳到的节点,span记录了距离下个节点的步数,是站在最底下的数据节点的角度来看的。数组结构就表示每个节点都可能是个多层结构。

那么,Redis跳表单个节点有几层呢?
层次的决定,需要比较随机,才能在各个场景表现出较为平均的性能,这里Redis使用概率均衡的思路来确定新插入节点的层数:Redis跳表决定每一个节点,是否能增加一层的概率为25%,而最大层数限制在Redis 5.0是64层,在Redis7.0是32层。
简而言之。每个节点在创建时会随机得到一个层数(Redis7.0是1到32层),层数越高的节点越少。插入时,新节点总是放在最底层,然后根据它的随机层数,把对应层的指针连接到跳表中。高层节点就像"快速通道",可以跳过许多节点,使得查找效率很高,同时又很简单高效。
因此跳表插入数据不会影响其它节点层高,因为节点层高在创建时就确认了,不会被新插入的节点影响。新插入的节点只会影响每一层前一跳,后一跳的关联指针。
声明: 本篇笔记仅为学习时整理的笔记以及疑问解决点,无其他任何商业用途,如有侵权联系即删。