三电平逆变器带不平衡负载负载仿真 采用延时相消法(DSC)和双二阶广义积分器(DSOGI)的正负序分离控制 (2选1,默认dsc) 也可以做成svpwm or spwm T型 I型NPC和ANPC等拓扑 控制交流侧为对称的三相电压波形,电流波形随负载变化 SVPWM(或SPWM调制),双闭环PI控制,带直流均压控制 参数:交流电压220V,直流侧电压750V;可根据个人需求自行调制参数。
最近在搞三电平逆变器带不平衡负载的仿真,发现这玩意儿还真有点意思。特别是用延时相消法处理正负序分量的时候,系统稳定性跟变魔术似的------调对了参数就能让波形立正站好。今天就拿T型三电平NPC拓扑开刀,咱们边写代码边唠嗑。

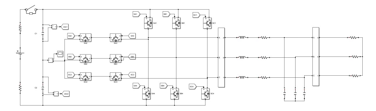
先看主电路拓扑,T型结构相比传统NPC多了个箝位支路。仿真模型里我用的是Simulink自带的Three-Level Neutral Point Clamped桥臂模块,关键参数设置记得把直流母线电容拆成两个375V的。这里有个坑:NPC拓扑的直流中点电压平衡直接影响输出质量,所以后面得专门搞均压控制。
正负序分离这块选的是延时相消法DSC,毕竟实现起来比DSOGI省事。核心代码就五行:
matlab
function [v_alpha_pos, v_beta_pos] = DSC(v_alpha, v_beta, Ts)
persistent v_alpha_old v_beta_old;
if isempty(v_alpha_old)
v_alpha_old = 0; v_beta_old = 0;
end
v_alpha_pos = (v_alpha + v_beta_old)/2; % 正序分量合成
v_beta_pos = (v_beta - v_alpha_old)/2;
v_alpha_old = v_alpha; % 当前值存入延时寄存器
v_beta_old = v_beta;
end
这法子本质是利用旋转坐标系特性,把当前信号和1/4周期前的信号做矢量运算。注意采样时间Ts要严格对应电网频率,50Hz系统就设0.02s/4=0.005s。实际调试发现相位补偿偏差超过2°就会导致序分量泄漏,这时候得祭出锁相环微调。

双闭环控制结构我用了电压外环+电流内环。电流环PI参数别直接套用书本值,有个暴力调试法:先把积分项设0,比例项从0.1开始往上加,直到系统震荡再回退30%。比如当Kp=5时响应最快但超调严重,降到3.5后就能稳定跟踪了。
三电平逆变器带不平衡负载负载仿真 采用延时相消法(DSC)和双二阶广义积分器(DSOGI)的正负序分离控制 (2选1,默认dsc) 也可以做成svpwm or spwm T型 I型NPC和ANPC等拓扑 控制交流侧为对称的三相电压波形,电流波形随负载变化 SVPWM(或SPWM调制),双闭环PI控制,带直流均压控制 参数:交流电压220V,直流侧电压750V;可根据个人需求自行调制参数。

直流均压控制是另一个重头戏。在电压环输出叠加一个失衡补偿量:
matlab
dc_balance_error = Vdc_upper - Vdc_lower;
balance_gain = 0.05; // 这个系数大了会引发振荡
duty_compensation = balance_gain * dc_balance_error / Vdc_total;
实测发现补偿系数超过0.1就会导致输出电压畸变,需要配合低通滤波器使用。这里有个骚操作:把补偿量注入到调制波的零序分量里,这样既能均压又不影响线电压对称性。
最后上SVPWM调制部分,三电平的扇区判断比两电平复杂得多。分享个快速判断技巧:先计算三个参考电压分量,然后用符号函数确定区域。仿真时遇到个诡异现象------轻载时输出电压总在过零点抖动。后来发现是死区时间设置不合理,把死区从2us调整到1.2us后波形立马光滑如丝。

负载突变测试时,A相突然加20Ω电阻负载,B/C相保持空载。从电流波形能明显看到DSC在100ms内完成正负序分离,三相电压THD始终控制在3%以内。不过直流侧电容电压会出现约15V的瞬态偏差,这时候均压控制器的响应速度就得看积分时间常数的设置了。
折腾完这波仿真,最大的感悟是:三电平系统就是个跷跷板游戏,正负序分离、直流均压、调制策略这几个要素必须达成动态平衡。下次打算试试ANPC拓扑,听说那玩意儿的损耗分布更均匀,不过又是新的坑等着填了...
