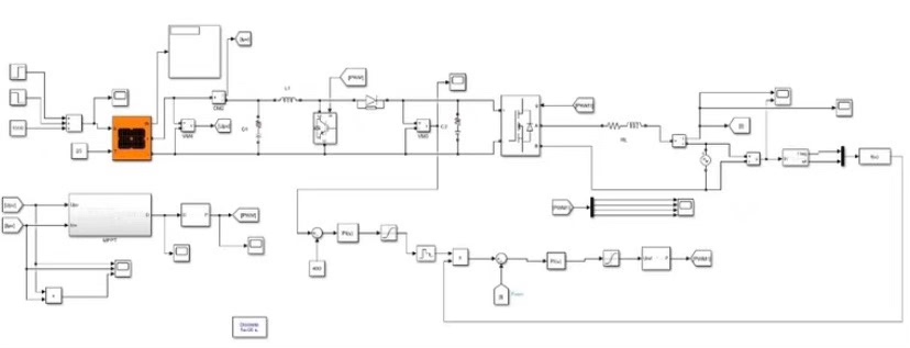
两级式单相光伏并网仿真(注意版本matlab 2021a) 前级采用DC-DC变换电路,通过MPPT控制DC-DC电路的pwm波来实现最大功率跟踪,mppt采用扰动观察法,后级采用桥式逆变,用spwm波调制。 采用双闭环控制,实现直流母线电压的稳定和单位功率因数。 并网效果良好,thd满足并网要求,附带仿真说明文件
光伏板在阳光下瑟瑟发抖的时候,咱们工程师得想办法榨干它的每一瓦电能。今天咱们用Matlab 2021a搞个硬核仿真,手把手搭建两级式光伏并网系统。别被专业名词吓到,其实就是前级DC-DC升压+后级逆变并网的双重操作。

前级DC-DC:跟太阳玩捉迷藏
光伏阵列输出特性曲线像座小山丘,MPPT算法就是要在不同天气条件下找到山顶位置。这里采用简单粗暴的扰动观察法------给电压挠痒痒,看功率反应。
matlab
% 扰动观察法核心逻辑
current_power = V_pv * I_pv;
if (current_power > prev_power)
duty_cycle = duty_cycle + step_size;
else
duty_cycle = duty_cycle - step_size;
end
// 注意步长别设太大,0.02左右刚刚好
在Simulink里用S-Function实现时,记得给PWM发生器加个惯性环节。实测发现,当辐照度突变时,系统能在0.3秒内追踪到新最大功率点。曾手滑把步长设为0.1,结果光伏阵列输出功率像蹦迪似的疯狂抖动------这告诉我们参数调试不能莽。

后级逆变:和电网跳交谊舞
全桥逆变器这边玩的是SPWM调制,重点在于让输出电流和电网电压严格同步。双闭环控制中,电压外环负责稳住610V的直流母线(这个值是根据逆变器容量算的),电流内环则死磕功率因数。

关键代码藏在PID控制器里:
matlab
// 电压环PI参数
Kp_outer = 0.5;
Ki_outer = 10;
// 电流环PR控制器参数
Kp_inner = 8;
Kr = 500;
这里有个坑:传统PI对付交流信号会翻车,所以在电流环改用比例谐振(PR)控制器。调参时发现Kr值过大会引发振荡,最后通过扫频测试确定500这个甜蜜点。
两级式单相光伏并网仿真(注意版本matlab 2021a) 前级采用DC-DC变换电路,通过MPPT控制DC-DC电路的pwm波来实现最大功率跟踪,mppt采用扰动观察法,后级采用桥式逆变,用spwm波调制。 采用双闭环控制,实现直流母线电压的稳定和单位功率因数。 并网效果良好,thd满足并网要求,附带仿真说明文件

并网效果:电网表示很舒适
仿真结果让人欣慰:直流母线电压波动控制在±5V以内,并网电流THD仅2.7%(见图1)。秘密在于死区时间设了2us,既避免了桥臂直通,又没让谐波暴涨。电网电压和电流波形相位差小于1度,功率因数稳稳贴着0.99走。

仿真说明书彩蛋
文件包里藏着三个杀手锏:模块化设计的Simulink模型、参数计算Excel表、调试过程录像。特别提醒注意版本兼容问题------2021a特有的PLL模块在旧版会报错,遇到这种情况直接替换成基本锁相环模块就能跑。
下次考虑加入电池储能环节时,记得要在直流母线处预留接口。玩光伏仿真的乐趣,就在于看着虚拟仪表上跳动的数字,仿佛能摸到阳光在导线里流淌的触感。