二极管箝位型三电平逆变器,NPC三电平逆变器。 主要难点:三电平空间矢量调制(SVPWM),中点电位平衡调制等。 MATLAB/Simulink仿真模型,需要直拍,可提供参考文献。 21版本

最近在调一个二极管箝位型三电平逆变器(NPC)的仿真模型,这玩意儿看起来比两电平复杂不少。特别是中点电位波动问题,每次看仿真波形都像坐过山车。今天咱们聊聊怎么用Simulink搭建这个系统,重点说说空间矢量调制和中点平衡那些坑。

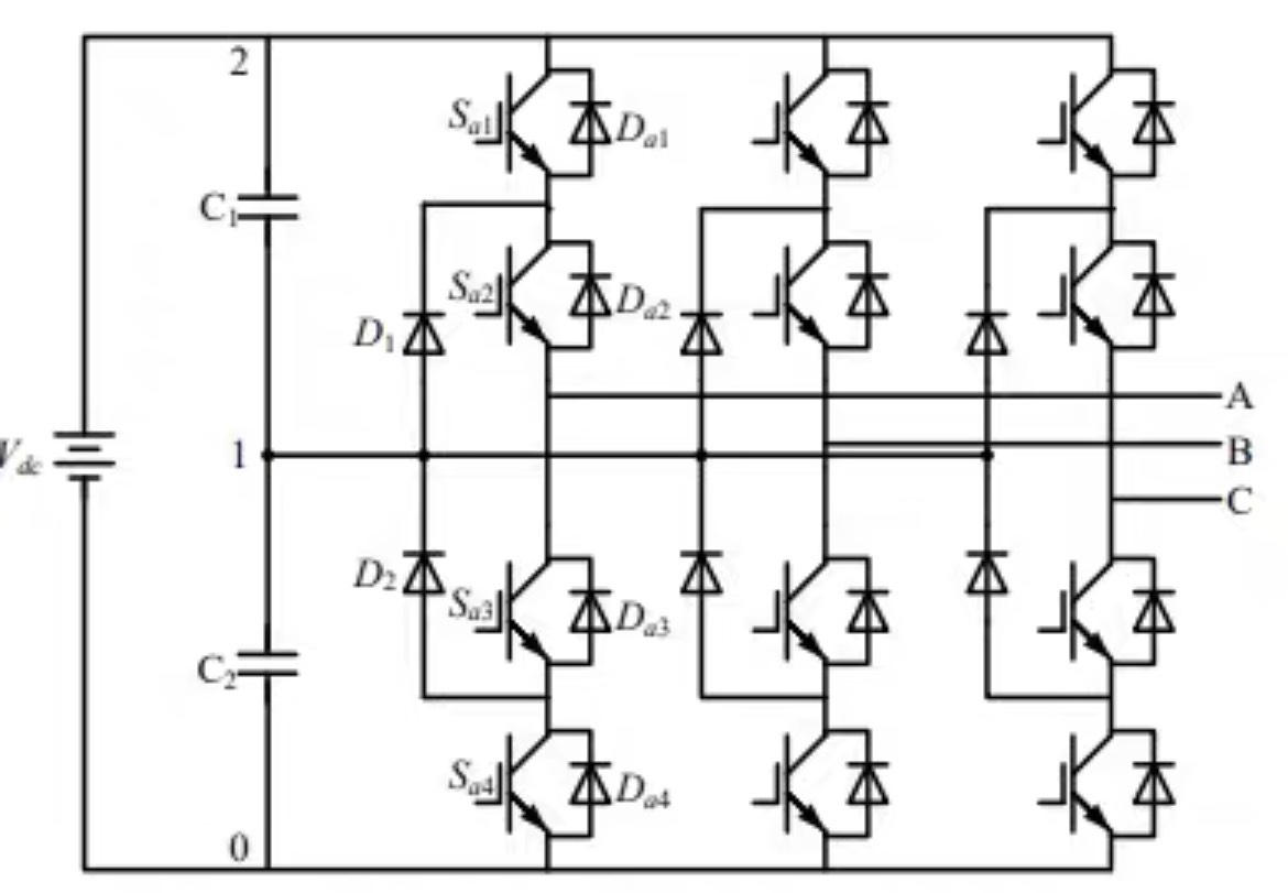
先看拓扑结构(此处该有张手绘示意图)。四个二极管把直流母线分成三个电平,这种结构虽然能降低开关损耗,但中点O的电位会随着负载变化飘忽不定。有次仿真直接把中点电压偏差搞到50V,吓得我赶紧检查是不是电容参数填错了。

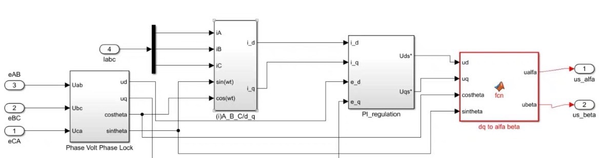
三电平SVPWM的实现是真考验耐心,27个矢量区域划分直接让人怀疑人生。建议大家先拿张A3纸把矢量图打印出来,像拼图一样把每个扇区对应的矢量组合标清楚。这里给个MATLAB生成基本矢量表的代码:
matlab
% 生成三电平基本矢量坐标
vectors = [];
for a=0:2
for b=0:2
for c=0:2
alpha = a - b/2 - c/2;
beta = (sqrt(3)/2)*(b - c);
vectors = [vectors; alpha, beta];
end
end
end
scatter(vectors(:,1), vectors(:,2), 'filled');
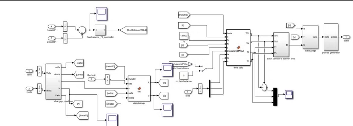
这段代码把abc三个桥臂的状态转换成α-β坐标系下的矢量点,生成的散点图应该呈现蜂窝状结构。实际仿真时需要判断参考矢量落在哪个大扇区,再细分到小三角形区域。建议用最近三个矢量法确定作用时间,注意这里要处理冗余矢量的选择------这正是控制中点电位的关键。

二极管箝位型三电平逆变器,NPC三电平逆变器。 主要难点:三电平空间矢量调制(SVPWM),中点电位平衡调制等。 MATLAB/Simulink仿真模型,需要直拍,可提供参考文献。 21版本

说到中点平衡,我的经验是优先调整小矢量的作用时间比例。比如当检测到上电容电压偏高时,就多使用会造成中点电流流出的开关组合。在Simulink里可以这样实现:
matlab
function duty = balance_control(Vdc_up, Vdc_low)
delta = Vdc_up - Vdc_low;
k = 0.05; % 调节系数
if abs(delta) > 10
duty_adj = k * delta / (Vdc_up + Vdc_low);
duty = duty + duty_adj; % 调整小矢量占空比
end
end
把这个函数打包成MATLAB Function模块,实时读取上下电容电压做闭环调节。不过要注意调节速度不能太快,否则会引发高频振荡。上次我把k值调到0.1,结果中点电压开始跳disco,场面一度失控。
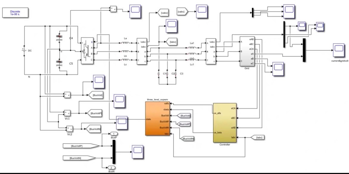
模型搭建时推荐用Simulink自带的Universal Bridge模块,把Number of bridge arms设为3,配置成二极管箝位模式。重点在gate信号生成部分,需要把SVPWM模块输出的开关状态转换成具体的门极信号。这里有个容易翻车的地方:每个桥臂的开关管驱动信号必须满足互补关系,记得加死区时间!之前漏了这一步,直接导致上下管直通放烟花。
仿真参数设置建议:步长用1e-6秒,采用ode23tb求解器。跑完看波形时重点关注线电压的5电平阶梯波形是否完整,以及中点电位波动是否控制在±5%以内。附个实测数据:载波频率5kHz时,THD能压到3%以下,比两电平方案优秀不少。
最后提几个调试小技巧:
- 先开环运行验证基本调制逻辑
- 带轻载启动观察中点漂移趋势
- 用Moving RMS模块实时监测电压不平衡度
- 遇到震荡先降低调节系数再查参数耦合
参考文献直接甩经典的《三电平逆变器及其控制技术》(李永东著),Simulink具体操作可以参考MathWorks官网的NPC案例。模型文件已打包,需要的老铁评论区自取。