对于智能照明、调光电源领域的硬件工程师、采购及企业老板而言,核心芯片停产无疑是项目推进中的"致命卡点"。近期,应用广泛的LED驱动芯片FP7125停产,不少依赖该芯片的调光电源、智能照明项目陷入选型困境------重新选型需改板、验证,耗时耗力还增加成本;盲目找替代料又怕参数不兼容、性能不达标。今天,我们就来科普一款专为FP7125停产场景量身打造的替代芯片------FP7135,从技术参数、替代优势、应用场景三个核心维度,帮行业从业者彻底解决选型难题。
一、核心背景:FP7125停产,为何FP7135能成为首选替代?
FP7125作为一款经典的LED恒流调光芯片,曾广泛应用于智能照明、护眼灯、LED调光驱动等场景,凭借稳定的性能赢得了行业认可。但随着原厂产能调整,FP7125正式停产,市场出现断供危机,给下游企业带来两大核心痛点:一是现有项目因缺料被迫停滞,二是重新选型需投入大量人力、物力进行PCB改板、性能验证,严重影响项目周期。
而FP7135的推出,恰好精准解决了这一行业痛点------它采用与FP7125完全一致的引脚定义,实现pin to pin无缝替代,无需修改PCB布局、无需重新开模,直接焊接即可投入使用,同时在核心技术参数上实现升级,兼顾兼容性与性能优势,且已实现批量量产,交期稳定,成为FP7125停产之后的最优替代方案。
二、技术参数深度解析:FP7135 vs FP7125,升级不止一点点
作为技术科普,我们重点拆解FP7135的核心技术参数,对比FP7125的差异,让工程师清晰了解其性能优势,同时明确其适配场景。以下为两款芯片的核心参数对比及FP7135的关键参数详解:
(一)核心参数对比表

(二)FP7135关键参数重点解读
-
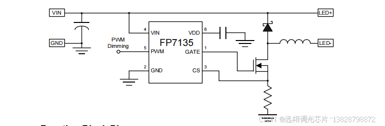
0.1% PWM调光深度:这是FP7135最核心的升级点。对于智能照明、护眼灯等场景而言,调光深度直接决定了照明体验------FP7125 1%的调光深度,在低亮度场景下易出现频闪、亮度不均匀的问题,而FP7135将调光深度提升至0.1%,暗场表现更细腻,无频闪、无眩光,完全满足高端智能照明、医用照明、护眼灯的严苛需求,这也是其相较于其他替代料的核心竞争力。
-
8-100V宽压+8A大电流:宽电压范围使其适配各类调光电源场景,无论是家用智能灯、商用照明,还是工业级调光设备,都能稳定工作;8A最大输出电流,可满足大功率LED驱动需求,无需额外扩容,与FP7125完全兼容,避免了选型时的参数匹配难题。
-
零改板pin to pin替代:这是工程师最关注的核心优势。FP7135的引脚定义与FP7125完全一致,意味着现有项目的PCB板无需任何修改,直接将FP7135替换FP7125焊接即可,省去了重新布局、打样、验证的流程,大幅缩短项目周期,降低研发成本。
-
低功耗+双重保护:0.5mA的静态功耗,相较于FP7125更节能,适配智能照明设备的低功耗需求,延长设备续航;同时新增过流保护功能,搭配原有过热保护,进一步提升芯片稳定性,降低因电流过大、温度过高导致的电源损坏风险,提升产品合格率。


三、应用场景详解:FP7135适配哪些智能照明及调光电源场景?
基于其核心参数优势,FP7135主要适配各类需要调光功能的电源场景,尤其适合依赖FP7125的原有项目升级及新项目选型,具体应用场景如下:
-
智能照明领域:包括家用智能吸顶灯、智能筒灯、智能射灯等,借助0.1%的高精度调光,实现亮度的细腻调节,搭配智能控制系统,满足不同场景的照明需求(如夜间低亮、阅读高亮),同时低功耗特性适配智能设备的节能需求。
-
护眼灯/教育照明:护眼灯对调光精度和无频闪要求极高,FP7135 0.1%的调光深度的无频闪设计,可有效减少眼部疲劳,符合国家护眼灯标准,是护眼灯、教室照明等场景的理想芯片选择。
-
商用调光电源:如商场、酒店、写字楼的商用照明调光系统,FP7135的宽压、大电流特性,可适配不同功率的商用照明设备,同时稳定的性能和批量量产优势,保障商用项目的大规模落地。
-
工业级调光设备:工业场景中的LED照明、设备指示灯等,对芯片的稳定性和抗干扰能力要求较高,FP7135的双重保护功能,可适应工业场景的复杂环境,确保设备稳定运行。
四、工程师选型建议:为什么FP7135是FP7125停产的最优替代?
对于硬件工程师而言,选型的核心需求是"兼容、稳定、高效",而FP7135恰好满足这三点:
第一,兼容性拉满:pin to pin引脚定义,零改板替代,无需重新验证电路,直接复用原有PCB设计,大幅提升选型效率,避免因改板导致的项目延误;
第二,性能更优:在核心参数兼容的基础上,调光精度、功耗控制、保护功能均实现升级,不仅能替代FP7125,还能提升产品性能,增强产品竞争力;
第三,量产有保障:已实现批量供货,交期稳定,彻底解决FP7125停产带来的断供痛点,避免因缺料导致的生产线停摆、项目违约。
对于企业老板而言,FP7135的替代优势更直接------无需投入额外的研发、改造成本,就能保障项目正常推进,同时借助其性能升级,可提升产品品质,抢占高端智能照明市场,实现降本增效双赢。
五、总结
FP7125的停产,虽给智能照明、调光电源行业带来了短期的选型困境,但FP7135的推出,不仅实现了无缝替代,更在性能上实现了升级,成为解决行业痛点的"救星"。从技术参数来看,它完美兼容FP7125,同时在调光精度、功耗、保护功能上更具优势;从应用场景来看,它广泛适配各类调光电源、智能照明场景,满足不同行业的需求;从量产状态来看,批量供货、交期稳定,彻底解决断供难题。
对于硬件工程师、采购及企业而言,选择FP7135作为FP7125的替代芯片,不仅能节省选型、改板成本,还能提升产品性能,保障项目顺利推进。未来,随着智能照明行业的不断发展,高精度、低功耗、高稳定性的调光电源芯片将成为市场主流,而FP7135凭借其核心优势,有望成为智能照明调光领域的核心选择。