第一章
一.常用半导体器件
1.半导体
导电能力介于导体与绝缘体之间的材料
1.1本征半导体
具有晶体结构的半导体
1.1.1本征半导体的晶体结构

那半导体是怎么导电的呢,主要是通过载流子,再半导体中一个有两种载流子一种是自由电子,另一种是空穴。
半导体结构中不是只要价电子嘛,其中自由电子是哪里来的呢。这就涉及到一个知识点叫做本征激发,本征激发指的是价电子中的电子再热运动的激发下脱离了共价键的束缚导致产生两种载流子:自由电子和空穴,自由电子自由运动形成电流就可以导电了。
那自由电子就一直能在外面跑嘛,并不是。自由电子在自由运动的过程中会重新运动回空穴中,这种现象叫做复合运动
本征激发和复合的速度以及温度会决定载流子的浓度。
温度和本征激发以及复合速度是怎么影响载流子浓度的呢,过程如下:加热半导体导致温度升高,温度升高导致越来越多的自由电子摆脱共价键的束缚本征激发速度加快,从而载流子浓度升高。然后载流子浓度升高导致复合运动发生的概率加大,复合速度加快,一定时间后本征激发和复合运动速度达到一致,载流子浓度不再升高从而达到平衡。但由于实际上的载流子浓度是非常低的还是无法导电所以我们提出了杂质半导体
1.2杂质半导体
本征半导体掺入少量杂质元素
1.2.1N型半导体
掺入磷元素

其中多数载流子(多子):自由电子,少数载流子(少子):空穴。温度对多子影响不大,对少子影响大。
2.2P型半导体
掺入硼元素
其中多数载流子(多子):空穴,少数载流子(少子):自由电子。
2.3PN结
2.3.1PN结的形成

大家看当我们把P型半导体和N型半导体合在一块时由于N型半导体掺入的是磷元素导致N区自由电子多,P型半导体掺入硼元素导致P区空穴多,这时由于两边的浓度差就会导致扩散运动。
扩散运动指的是粒子浓度高的一边向粒子浓度低的一边进行扩散
所以自由电子就像P区进行扩散与P区空穴进行复合,空穴向N区扩散与N区自由电子复合。最终在中间形成了一个空间电荷区,空间电荷区形成空间电场阻碍两者之间的复合。
故空间电荷去又叫做耗尽层,阻碍层,PN结。
PN结具有单向导电性

其中IS为反向饱和电流
硅管导通电压0.2-0.3
锗管导通电压0.6-0.7
PN结的伏安特性
正向特性
死区:即正半轴电流没有的那段区域
反向特性
反向截止:即负半轴电流几乎没有的那段区域
反向击穿:即当电压增加要一定程度后再次增加电压会导致电流急速变大的区域。
反向击穿分为雪崩击穿和齐纳击穿
雪崩击穿
发生在参杂浓度低的时候,反向电场距离加大,PN结加宽。此时的PN结相当于粒子加速器因为有电场就有电场力,当一个粒子进入PN结就是再电场力的作用下做加速运动,当速度足够快时粒子撞上价电子就会把价电子装散从而一个自由电子变成两个以此类推,就会产生越来越多的自由电子从而使得电流迅速增大这就是雪崩击穿。但是雪崩击穿要求场强要足够大
齐纳击穿
发生再参杂浓度较高的半导体中,参杂浓度高PN结窄,反向电场距离近当提高微小电压时就会产生很高的电场,可以直接将价电子从共价键中拉出,也会把PN结击穿。
温度越高,雪崩击穿所需要的击穿电压越高,齐纳击穿所需要的击穿电压越低。
PN结的电容特性
大家看PN结那个图,P区和耗尽层以及N区和耗尽层的交界处像不像电容的电极板。
电容效应指的是,当施加再电容两端的电压发生变化时,电容内的电荷量也会发生变化。
当施加再PN结两端的电压发生变化时,PN结内部的电荷量也会发生变化所以说PN结具有电容特性。由于PN结处在一个势垒内所以这个电容又叫势垒电容

除了势垒电容我没还有扩散电容。当PN结处于正向导通状态时N区的自由电子会扩散到P区同理P区的空穴也会扩散到N区,且扩散的浓度和PN结两端施加的电压相关这种是扩散电容

由PN结引出我们第一个二极管
半导体二极管

二极管的几种结构

图一,图二,图三分别为点接触型,面接触型,平面型。
二极管的伏安特性

与PN结伏安特性相比二极管伏安特性曲线有什么不同呢
1.由于体电阻的存在,电流比PN结小一些
2.反向电流比PN结大一点
温度对特性的影响
电压相同,温度升高时,正向导通电流变大,反向饱和电流增大
在室温下温度每升高1度正向压降下降2-2.5V
没升高10度,反向电流增加一倍
二极管的主要参数
1.IF最大整流电流:即二极管长期工作的能够通过的正向平均电流的最大值。
2.UR最高反向工作电压,一般为反向击穿电压UBR的50%
3.IR反向电流,IR越小反向截止特性越好。
4.fm,最高工作频率(上限频率)
二极管的等效电路
等效电路:将非线性元件用线性元件表诉出来,分为两种
一种是用与非线性元件外在特性即电流,电压输出关系等效的元件替代
第二种是物理等效模型,即根据非线性元件的原理做出一个和他等效的模型

(a)图为理想的二极管,这类二极管没有导通压降
(b)图为常用的二极管它有一个开通电压
这些等效电路是用于二极管在直流电路下的情况的。

给大家这个图大家能画出输出UO的波形吗

其实二极管无非就是三种状态,正向导通,反向截止和反向击穿。一般情况下反向击穿这种情况不考虑
那么假设二极管的导通压降为UN,二极管两端的电压是不是等于US-U1。当US-U1<UN时二极管处于截止状态此时UO=US,当US-U1>UN时二极管处于导通状态此时UO=U1+UN所以U0最终波形如下:

起到了一个削波的作用,上面的电路就是一个限幅电路。

大家自己画一下这个电路的UO,注意这个二极管中间没横线是理想二极管没有导通压降。
UO波形图如下:

所以此电路起到一个整流作用

解释一下上面的图就是相当于我们的二极管不是理想二极管假设二极管有一个0.6V的导通压降然后我们提供了一个10mv的交流电源此时二极管处于绝对的截止状态,那我们如果想要在输出处检测到这个小交流应该怎么办呢?

如下图我们应该想办法把小交流从死区移到导通区,那我们就只能通过在添加一个大点的直流电源来完成这个任务了,然后交流和直流相互叠加就出现了下图导通区的正弦波。

二极管的反向特性
稳压二极管
特点:
1.稳压二极管可以工作在反向击穿状态下,这是因为反向击穿并不一定会损坏稳压二极管只有热击穿才会损坏二极管,这也规定了当我们使用稳压二极管时要注意给二极管散热。
2.稳压二极管当电流发生较大变化时,二极管两端电压几乎不发生变化或者只发生很小的变化
3.反向击穿状态和稳压二极管与正向导通时的稳压二极管是不同的,正向导通的稳压二极管电压只有固定的哪几种而反向击穿的稳压二极管可以通过改变参杂浓度制作出不同的稳压二极管
稳压二极管的伏安特性

稳压二极管的使用

UZ=6V,R=0.2K.RL=0.8K,求IDZ

现在改一下数值在进行计算
UZ=6V,R=0.8K.RL=0.2K,求IDZ
结果如下:

那为什么会出现这种情况呢,这是因为当RL=0.2K时UO分压才2V根本没有使得二极管反向击穿。
所以我们在分析稳压二极管的工作状态时要首先判断二极管是否被击穿再进行计算
双极晶体管的结构与放大原理
双极晶体管也叫半导体三极管,空穴和自由电子都参与导电
结构及类型
构成方式
晶体管的几种常见外形

结构

分为三个区域:发射区,基区,集电区连出三个极,发射极,基极,集电极;两个PN结:发射区和基区中间的PN结叫发射结,基区和集电区之间的PN结叫集电结
那我们怎么区分到底是"pnp"还是"NPN"型的三极管呢记住箭头是发生结导通的方向即箭头方向是由P指向N
顾名思义,发射区是发射载流子的地方要求参杂浓度要高,基区是一个控制区参杂浓度低,集电区是收集载流子的地方参杂浓度低,且集电区面积打
放大电路的作用
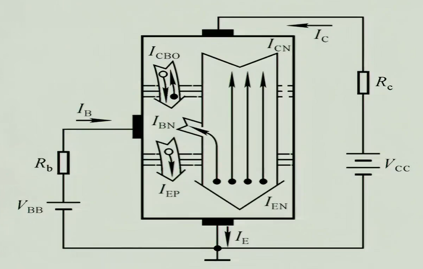
基本共射放大电路

看这个基本共射放大电路的图在其中Rb是一个限流电阻主要作用是防止VBB也就是直流电压烧毁三极管,然后这个电路在发射极和集电极之间添加了VCC看图可以明显观察到VCC的值一定比VBB大由此可以发射结处于正向偏置的状态,集电结处于反向偏置的状态
内部载流子的运动

现在我们来描述一下这个过程:
当发射极正偏时会出现什么情况呢,当发射极正偏势垒就会被消除,扩散运动就会恢复,由于自由电子在发射区是多子且发射区参杂浓度高由于浓度差发射区的自由电子就会扩散到基区,扩散到基区的自由电子一部分还是遵循扩散运动继续扩散到了集电区,由于集电区处于反偏状态,反偏状态下会加剧漂移运动导致集电区的空穴漂移到基区,而自由电子被集电区快速吸收从而控制浓度确保扩散运动的速度达到一个稳定值,另一部分自由电子被基区吸收。从而达到一个稳定的放大值,从中我们就得到了放大系数。而在基区中的多子空穴也会由于浓度梯度向发射区扩散但是值非常小与IEN相比可以忽略不记
放大系数

上面的是直流放大系数
下面的是交流放大系数
2.ICEO:这个是基极开路时的电流
3.ICBO:这个是反向电流