一、参数
|------|-----------------------------------------------|
| 参数 | 数值 |
| 检测范围 | -55℃~125℃ |
| 精度 | ±0.5v |
| 工作电压 | 3v~5.5v |
| 分辨率 | 9位:0.5℃ 10位:0.25℃ 11位:0.0125℃ 12位(默认): 0.0625 |
二、操作ROM指令
读 ROM(0x33)
搜索ROM(0xF0)
匹配ROM(0x55)
跳过ROM(0xCC)
报警搜索(0xEC)

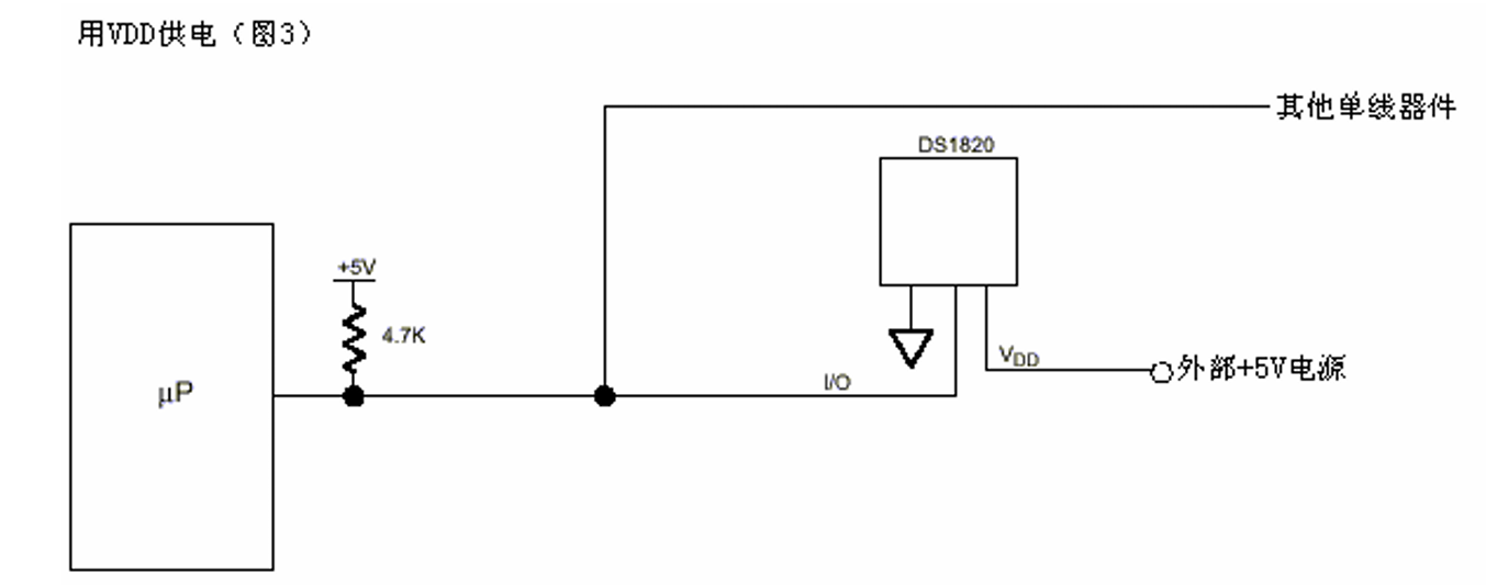
接上拉电阻的目的;
51单片机拉高,DS18B20拉高,引脚保持高电平
三、温度采集流程
复位:发送复位脉冲,拉低总线,然后释放,等待传感器响应脉冲
发送0xCC,跳过ROM:单总线指令,跳过ROM寻址,直接操作芯片
发送0x44,开启温度转换
延时1s:保证温度转换完成
复位:重新初始化总线,为读取数据做准备
发送0xCC,跳过ROM:再次跳过ROM,准备读取数据
发送0xBE,读取温度
读取两个字节温度:先读低字节,在读高字节,组合成最终温度值
四、DS18B20时序
复位: 
主机先将总线拉低至少480us,再释放总线(至少15us),代表主机发送了一个复位脉冲
主机如果在60~240us检测到总线出现低电平,代表DS18B20恢复了一个"存在脉冲"
DS18B20最终释放总线,总线为高电平
写时序:

写0时序:
主机总线拉低大于60us
DS18B20在60us内进行采样,如果采到低电平,代表主机发送了一个'0'
主机释放总线,将引脚拉高
写1时序:
主机将总线拉低大于1us
主机释放总线,将引脚拉高
DS18B20在45us内进行采样,如果采到高电平,代表主机发了一个1
读时序:

主机将总线拉低大于1us,释放总线,引脚变为高电平
主机在15u内采样
若采到一个高电平,代表读到1
若采到一个低电平,代表读到0
最终DS18B20释放总线
示例代码:
cpp
#include <reg51.h>
#include "bs18b20.h"
#include "delay.h"
#include "uart.h"
#include <intrins.h>
#include <stdio.h>
#define PIN_HIGH (P3 |= (1 << 7)) //将P37引脚拉高
#define PIN_LOW (P3 &= ~(1 << 7)) //将P37引脚拉低
#define PIN_CHECK ((P3 & (1 << 7))!= 0) //判断是否为高电平
//复位
int Bs18b20_Reset(void)
{
int time = 0;
//发送一个复位脉冲
PIN_LOW;
Delay10us(70);
PIN_HIGH;
Delay10us(5);
//等待低电平到来
while(PIN_CHECK && time < 30)
{
Delay10us(1);
time++;
}
if(time >= 30)
{
UartSendStr("wait ds18b20_low timeout!\r\n");
return -1;
}
//等待高电平到来
time = 0;
while(!PIN_CHECK && time < 30)
{
Delay10us(1);
time++;
}
if(time >= 30)
{
UartSendStr("wait ds18b20_high timeout!\r\n");
return -2;
}
return 1;
}
//写时序
void Bs18b20_Write(unsigned char dat)
{
int i = 0;
for(i = 0; i < 8; i++)
{ //写1时序
if(dat & 1) //如果主机发了一个高电平
{
PIN_LOW;
_nop_();
_nop_();
PIN_HIGH;
Delay10us(5);
}
else //写0时序
{
PIN_LOW;
Delay10us(6);
PIN_HIGH;
}
dat >>= 1; //每次再右移一位 进循环判断
}
}
//读时序
unsigned char Bs18b20_Read(void)
{
int i = 0;
unsigned char dat = 0;
for(i = 0; i < 8; i++)
{
//进行采样
PIN_LOW;
_nop_();
_nop_();
PIN_HIGH;
//进行采样
_nop_();
_nop_();
_nop_();
//若采到高电平,将对应位置成1
if(PIN_CHECK)
{
dat |= (1 << i);
}
Delay10us(6);
}
return dat;
}
//获得温度(根据采集温度流程)
float Get_Temp(void)
{
unsigned char temp_low = 0;
unsigned char temp_high = 0;
short temp = 0;
Bs18b20_Reset(); //复位
Bs18b20_Write(0xCC); //跳过 ROM
Bs18b20_Write(0x44); //开启温度转换
Delay1ms(1000); //延时1s
Bs18b20_Reset(); //复位
Bs18b20_Write(0xCC); //跳过ROM
Bs18b20_Write(0xBE); //读取温度
temp_low = Bs18b20_Read(); //读低位
temp_high = Bs18b20_Read(); //读高位
temp = temp_high << 8;
temp |= temp_low; //组合成最终温度值
return temp * 0.0625;
}
void Delay10us(unsigned int n) //@11.0592MHz
{
unsigned char data i;
_nop_();
_nop_();
_nop_();
i = 2 * n;
while (--i)
{
_nop_();
_nop_();
}
}
void delay(unsigned int n)
{
while(n--);
}
void Delay1ms(unsigned int n)
{
while(n--)
{
Delay10us(100);
}
}
xdata char RecvBuff[32];
int pos = 0;
//串口接收中断
void Uart_handler(void) interrupt 4
{
if((SCON & (1 << 0)) == 1) //判断是否接收到数据
{
if(pos < sizeof(RecvBuff))
{
RecvBuff[pos++] = SBUF;
RecvBuff[pos] = 0;
}
SCON &= ~(1 << 0);
}
}
void UartInit(void)
{
//配置串口工作模式为8位UART、波特率可变
SCON &= ~(3 << 6); //M1(bit6)、M0(bit7)清0
SCON &= ~(1 << 7); //M0清0
SCON |= (1 << 6); //M1置1
//允许串口接收数据
SCON |= (1 << 4); //REN(bit4)置1
//波特率翻倍,PCON寄存器的SMOD0和SMOD1共同指定串口工作方式
PCON &= ~(3 << 6);
PCON |= (1 << 7); //SMOD1(bit7)置1 波特率翻倍
PCON &= ~(1 << 6); //SMOD0(bit 6)清0 SMOD1共同指定串口工作方式
//配置定时器1工作模式为8位自动重装载(产生波特率)
TMOD &= ~(0x0F << 4); //高四位清零
TMOD &= ~(1 << 4); //M0(bit4)清0
TMOD |= (1 << 5); //M1(bit5)置1
//向TH1和TL1中装入定时器初值
TH1 = 232;
TL1 = 232;
//允许定时器1开始计数
TCON |= (1 << 6); //TR1(bit6)置1
//开启总中断
IE |= (1 << 7);
//允许串口产生中断
IE |= (1 << 4); //ES(bit4)置1
}
//发送单个字符
void UartSendAscii(unsigned char ch)
{
SBUF = ch; //发送字符
while((SCON & (1 << 1)) == 0); //判断是否发完
SCON &= ~(1 << 1); //将标志位清0
}
//发送字符串
void UartSendStr(const char *pstr)
{
while(*pstr != '\0')
{
UartSendAscii(*pstr++);
}
}
//发送指定长度的数据
void UartSendBuff(const char *pstr, int len)
{
while(len--)
{
UartSendAscii(*pstr++);
}
}
int main(void)
{
int ret = 0;
float temp = 0;
xdata unsigned char buff[32] = {0};
UartInit();
while(1)
{
temp = Get_Temp();
sprintf(buff, "temp = %.2f\r\n", temp);
UartSendStr(buff);
}
return 0;
}