利用线性元件建立模型,来描述一定条件下非线性器件的特性,称为建立等效电路模型。利用晶体管的等效电路来分析放大电路,称为等效电路法。
①分析静态工作点:ui=0时,仅有直流电源的作用------直流等效模型。
②分析电压放大倍数、输入电阻、输出电阻:即在静态的基础上加低频小信号------交流等效模型。
③分析电路的高频特性:即考虑结电容的影响,在静态的基础上加高频小信号------高频等效模型。

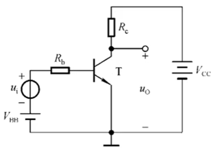
建立晶体管直流等效模型,求解Q点。利用估算法求解静态工作点,实质上利用了直流模型。
IBQ=(VBB-UBEQ)/Rb;
ICQ=beta*IBQ;
UCEQ=VCC-ICQ*Rc;
将晶体管的交流等效电路替换为交流通路中的晶体管即得放大电路的交流等效电路。

Ui=Ib*(Rb+rbe);
Uo=-Ic*Rc;
Au=Uo/Ui=-beta*Rc/(Rb+rbe);
Ri=Rb+rbe;