1.I2C
IICBus简称,中文名:集成电路总线
通信方式:串行、同步、半双工
总线结构:多主、多从
主机:通信发起方
从机:应答通信
悬空时为高电平
IIC硬件设计的注意事项
1.开漏高阻态的上拉电阻(4.7K-10K)
线与特性
引脚的实际电平状态由芯片以及外接电路共同决定
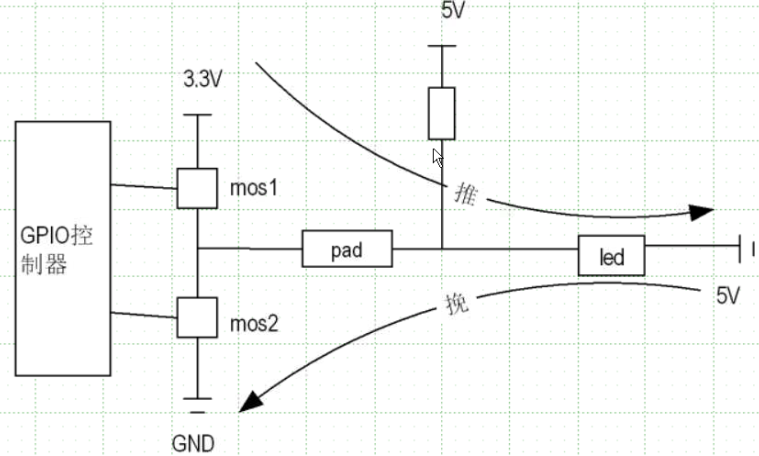
GPIO输出模式

|---|------|------|-------|
| | mos1 | mos2 | pad状态 |
| a | 1 | 0 | 1 |
| b | 0 | 1 | 0 |
| c | 0 | 0 | 高阻态 |
| | 1 | 1 | 不允许 |
推挽模式:允许a或b的输出方式,允许mos1、2导通
推挽:电流方向
若引脚接了负载,负载
开漏模式:允许b或c的输出方式,只允许mos2导通
通信
1.主机发起一次通信,首先要发start信号
- 总线为高电平时,主机在时钟线(SCL)为高电平时,在数据线(SDA)上产生一个下降沿,称为起始信号
2.发送数据
(8位数据 + 1(应答))
- 发送数据遵循MSB优先原则()
- SCL为低电平时,只允许发送方改变数据(SDA线),接收方不得采样SDA
- SCL为高电平时,只允许接收方采样数据(SDA线),发送方需保证SDA稳定
3.应答
- ACK:应答(真人回复)
- NACK:非应答(自动回复)
4.stop信号
- 主机不需要通信时,主机在时钟线(SCL)高电平时,其在数据线(SDA)上产生一个上升沿,称为停止信号
发完start信号,主机要发从机的地址;
A=0,主机发送,从机接收
A=1,从机发送,主机接收
时序
对于AT24C08传感器的时序
IIC 写时序(主机 → 从机)
完整流程: START → 从机地址 (7bit)+ 写位 (数据流向位:0) → ACK → 寄存器地址 → ACK → 数据 1 → ACK → 数据 2 → ACK → ... → STOP
IC 读时序(从机 → 主机)
必须用 RESTART!
完整流程:START → 从机地址 + 写位 (数据流向位:0) → ACK → 寄存器地址 → ACK → RESTART → 从机地址 + 读位 (数据流向位:1) → ACK → 读数据 1 → ACK → 读数据 2 → ACK → ... → 最后 1 字节发 NACK → STOP
配置
1.I2CR
失能
复位
使能
2.ADC
模拟到数字转换器(Analog-to-Digital Converter)
将连续变化的模拟信号转换为离散的数字信号,以便数字系统(如微处理器、微
控制器等)能够对其进行处理和分析
➢ 模拟信号一般是指连续变化的电压信号,其数值在一定范围内变化。而数字信号是由一系列离散的数字表示,只能取有限的值,通常以二进制形式表示。
逐次逼近ADC:速度和精度的良好平衡工作原理:
量程:由参考电压决定





