MCU配置
EB配置MCU模块需要哪些前提知识,为什么需要这些知识,配置的功能是什么,有什么作用?
提前准备工具:EB和MCAL包、TC275芯片手册。先了解mcu模块需要配置内容,先看包是否支持。
功能:初始化MCU的时钟以及外设时钟
1、时钟
CCU 提供多个 时钟域(Clock Domains) 和 分频器(Dividers),例如:
SPB(System Peripheral Bus)时钟:用于普通外设
SRI(System Resource Interconnect)时钟:用于内存访问
专用外设时钟:如 f_ADC, f_STM, f_GTM, f_ERAY 等
1.1、外部时钟(外部晶振提供)
一般由晶振提供,在MCU的附近。
1.2、系统时钟源(PLL倍频)

注:上图出自TC275芯片手册中Figure7-5 PLL Block Diagram图。
系统时钟源的工作模式:
1、正常模式:系统大多数时间使用的PLL模式;
2、自由模式:系统复位/SMU检测到时钟丢失;
3、预分频模式:经过简单分频,直接使用外部时钟的频率,一般不会使用。可认为是正常模式未进入VCO(压控振荡器)之前的阶段。
f P L L = ( N P ∗ K 2 ) f O S C f_{PLL} = (\frac {N}{P*K2} ) f_{OSC} fPLL=(P∗K2N)fOSC f P L L 2 = ( N P ∗ K 3 ) f O S C f_{PLL2} = (\frac{N}{P*K3})f_{OSC} fPLL2=(P∗K3N)fOSC
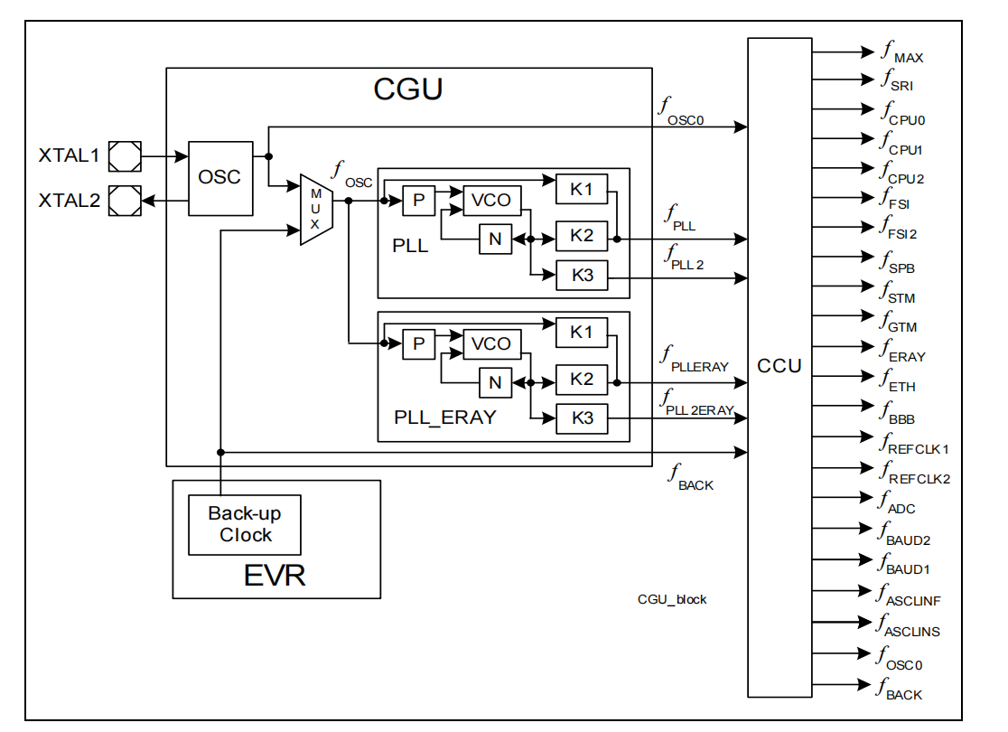
1.3、子系统时钟(CCU分频)

注:上图出自TC275芯片手册中Figure7-18 Clock Generation Unit Block Diagram图。

注:上图出自TC275芯片手册中Figure7-2 CCU allowed Clock Ratios图。
TC275的系统外部时钟配置,在MCAL包中UserManuals文件夹中,"Aurix_MC-ISAR_MCU_Clock_Calculator"excel表可以输入参数,自动配置。

配置操作如下:
1、确保excel中的计算公式和宏已启动,在打开文档之后,未进行任何操作,直接点击第三个表单,会提示没有进行选择,说明excel的计算和宏已启用,确保在输入参数之后,表中的数据是变化。

2、点击"Clear Table"清除表中的数据;

3、输入参数,进行配置;

4、点击"Calculate"按钮,可以得到时钟频率;

5、在生成的时钟频率下,选择一种想要的一列,输入"Y",可以根据"RESULTS"表中参数配置EB中的时钟参数。


1.4、总结
本文主要对MCU时钟的配置(也就是TC275的CCU模块),由外部晶振到倍频时钟到系统外设时钟的频率,而外设时钟的进一步分频是在TC275的GPT模块中。另外MCU模块还有初始化RAM区域、激活电源模式、激活复位、从硬件获得复位原因,具体参考MCAL手册《Aurix_MC-ISAR_UM_MCUDriver》。