背景
出租屋卫生间没有排气扇排气,想装个排气扇。又嫌得跑去关风扇,于是产生了做个定时关闭的排气扇想法。
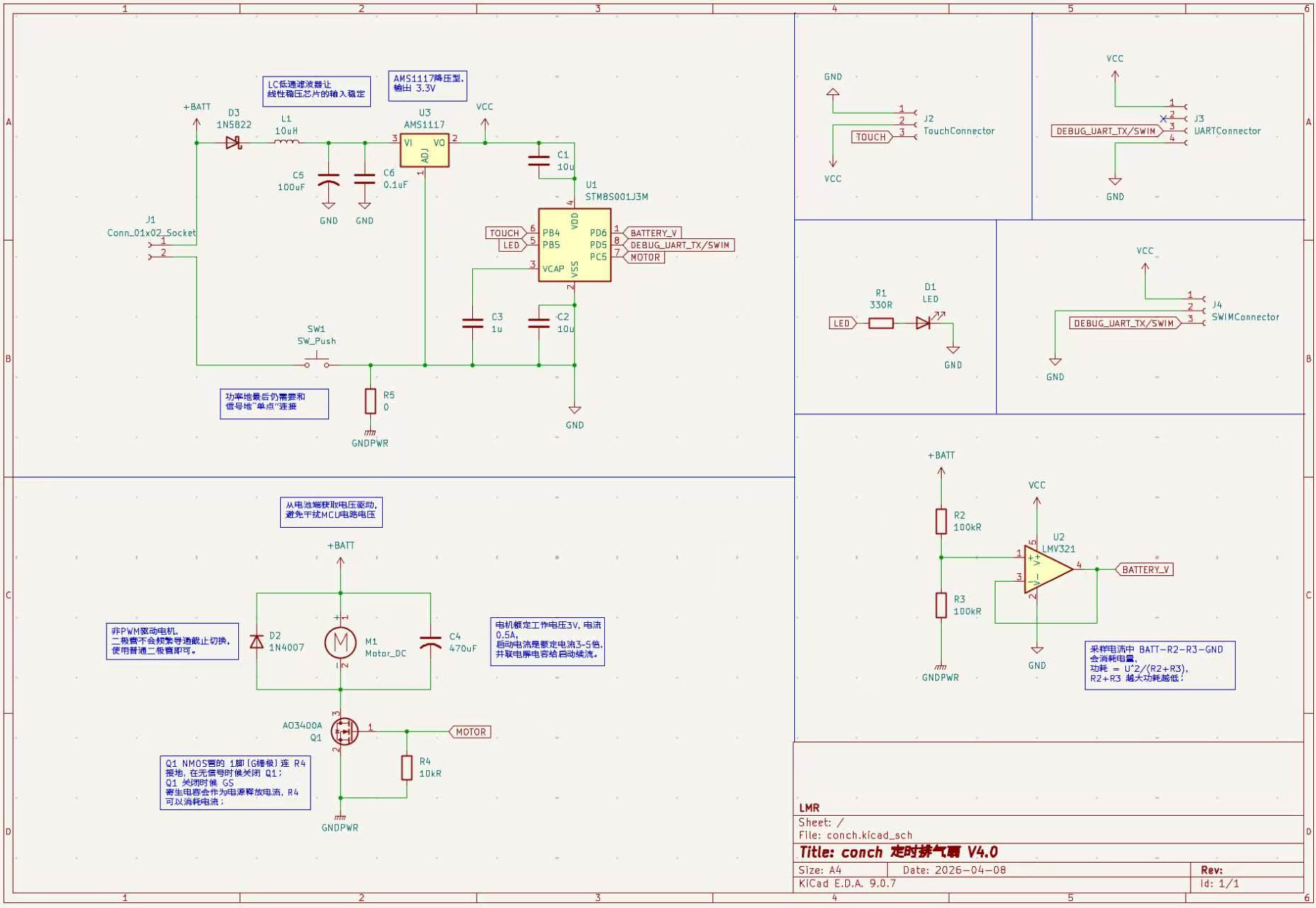
功能很简单:
- typeC 给一节锂电池充电
- 按一次触摸按键排气,定时一段时间后自动关闭。未到时间再按触摸按键主动关闭排气。
- 电池电压低红灯常亮
其中 typeC 充电模块是买现成的。
环境
ubuntu20.04 开发 stm8s001j3,window 的 solidworks 画结构,拓竹A1打印结构,kicad 画硬件电路,嘉立创打板。
ubuntu 开发嵌入式参考上篇文章 ubuntu20 开发 stm8s001j3
硬件

结构
conch装配体爆炸图
成品




conch 成品测试