PL3325 是原边反馈 PSR、内置 MOS 的 PWM 开关电源芯片,分PL3325C(CS/CD/CH/CE)与PL3325B(BE)两大系列。省去光耦与次级反馈,适合充电器、适配器、LED 驱动与小家电辅助电源。
定位区别
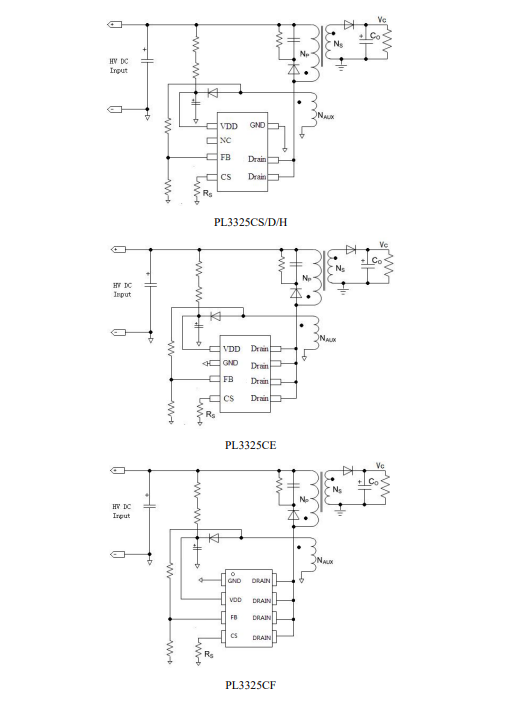
PL3325C(CS/CD/CH/CE)
定位:高精度版本
适合:充电器、需要严格 CV/CC 的电源、对电压 / 电流精度要求高的产品。
PL3325B(BE)
定位:低成本简化版本
适合:LED 驱动、普通适配器、对精度要求一般、追求性价比的场景。
怎么选?
做手机充电器、充电仓、需要严格恒流恒压
→ 选 PL3325C 系列(CS/CD/CE)
做 LED 驱动、小家电辅助电源、普通 5V/12V 适配器
→ 选 PL3325BE,成本更低,够用
选型建议
5--8W、SOP-7、低成本:选PL3325CS。
8--12W、DIP-7、高耐压:选PL3325CD。
6--10W、SOP-8、通用:选PL3325CE。
≤12W、SOP-8、极致性价比:选PL3325BE。
系列总览(C 系 vs B 系)
| 系列 | 封装 | 内置 MOS | 功率 | 典型应用 | |
|---|---|---|---|---|---|
| PL3325CS | SOP-7 | 650V/4.8Ω | 5--8W | 手机充电器 | |
| PL3325CD | DIP-7 | 900V/5.5Ω | 8--12W | 小家电辅助电源 | |
| PL3325CH | SOP-7 | 650V/4.8Ω | 5--8W | 同 CS,参数微调 | |
| PL3325CE | SOP-8 | 650V/4.8Ω | 6--10W | 智能锁、LED 驱动 | |
| PL3325BE | SOP-8 | 650V/4.8Ω | ≤12W | 适配器、LED 电源 |
核心性能差异
| 项目 | PL3325C 系列 | PL3325B 系列 |
|---|---|---|
| CV 精度 | ±3%~±4% | ±5% 左右 |
| CC 精度 | ±4%~±5% | ±5%~±8% |
| 线补 / 负载补偿 | 完整补偿,全电压范围更稳 | 简化补偿,精度略差 |
| 动态响应 | 更好 | 一般 |
| EMI 优化 | 频率抖动更优 | 基础 EMI 优化 |
| 价格 | 稍高 | 更低 |
核心共性参数(C/B 系)
控制方式:原边反馈 PSR,无光耦,省去次级 CV/CC 电路
精度:恒压 ±5%,恒流 ±5%(全电压范围)
工作模式:PWM+PFM 复合,轻载降频,空载功耗 < 75mW(符合 CoC V5)
保护:逐周期 OCP、VDD UVLO/OVP、OTP、输出短路 / 开路,自恢复
启动电流:5μA,支持大启动电阻 + 小 VDD 电容,降低待机损耗
开关频率:最高 120kHz,内置频率抖动,改善 EMI
C 系 vs B 系差异
PL3325C:高精度 CV/CC,线补偿、变压器电感补偿、输出线补偿,适合严格恒流 / 恒压场景(如手机充电器)。
PL3325B(BE):低成本简化版,性能略低,主打 ≤12W 通用适配器、LED 驱动,性价比更高.
典型应用电路:


典型应用电路要点
变压器:反激式,原边电感量按功率设定(如 5W 约 1mH)。
VDD 供电:辅助绕组 + 整流二极管 + 电容,典型 12--15V。
CS 电阻:设置峰值电流,决定输出功率。
FB 分压:设置输出电压(如 5V)。
吸收电路:RCD 或钳位,抑制漏极尖峰。