《MCU与DSP芯片笔记》一、DSP芯片TI C2000系列TMS320F28035
目录
- [《MCU与DSP芯片笔记》一、DSP芯片TI C2000系列TMS320F28035](#《MCU与DSP芯片笔记》一、DSP芯片TI C2000系列TMS320F28035)
-
- 1、TMS320F28035芯片概述
- 2、核心处理器与系统架构
- 3、存储资源
- [4 、时钟、电源与复位](#4 、时钟、电源与复位)
- 5、片内外设详解
- 6、电气特性与低功耗
- [7、封装与 GPIO](#7、封装与 GPIO)
- 8、典型应用
- 9、优势与设计要点
- 10、总结
- 11、更多内容
1、TMS320F28035芯片概述
TMS320F28035是德州仪器(TI)C2000系列中的一款32位定点数字信号处理器(DSP),专为实时控制应用设计。采用高性能的C28x内核,主频可达60MHz,集成浮点运算单元(FPU)和增强型PWM模块,适用于电机控制、电源转换和自动化系统等领域。

TMS320F28035 属于 TI C2000 Piccolo 系列 32 位实时控制微控制器,专为工业实时控制场景设计,融合 DSP 高速运算能力与 MCU 高集成、低功耗、易开发等优势。芯片主频最高 60MHz,采用 C28x 内核并搭配独立 CLA 协处理器,主要用于电机控制、数字电源、光伏储能、车载电子、工业逆变等高精闭环控制领域。
相比传统单片机,F28035 在浮点运算、高速 PWM、同步 ADC、运动控制接口方面优势明显,是中小功率电力电子设备的主流主控。器件支持宽温工作,部分型号符合汽车级 AEC‑Q100,工作温度 - 40℃~125℃,工业与车载场景适应性强。软硬件与同系列 F2803x 兼容,程序可无缝移植,降低产品迭代成本。

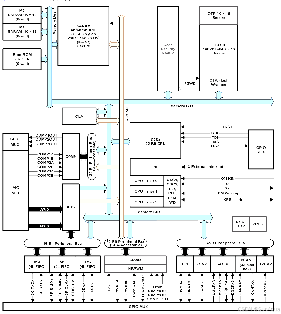
图1 功能框图
2、核心处理器与系统架构
- 主 CPU(C28x 内核)
32 位哈佛架构,独立程序 / 数据总线,并行访问效率高
硬件 MAC:16×16、32×32 位乘法累加,单周期完成
流水线执行,中断响应快,适合 PID、FOC、滤波等实时算法
最高 60MHz,单周期指令,实时性强 - CLA 并行协处理器(核心亮点)
32 位浮点加速器,完全独立于 CPU 并行运行
可独立执行控制环、采样计算、保护逻辑
分担 CPU 负载,提升系统响应与吞吐,典型 "双核" 效果 - 中断与系统控制
PIE 中断扩展:支持 96 路中断,优先级可配
多组硬件定时器:32 位系统定时器 + 外设专用定时,提供精准时序基准

3、存储资源
Flash:64K×16 位,存储程序 / 参数 / 查表;带 128 位 CSM 代码加密,防拷贝篡改
SARAM:10K×16 位,单周期高速读写,变量 / 算法缓存
OTP:1K×16 位,固化校准参数 / 唯一 ID / 出厂配置
Boot ROM:8K×16 位,固化启动程序,支持 Flash/RAM/ 串口启动

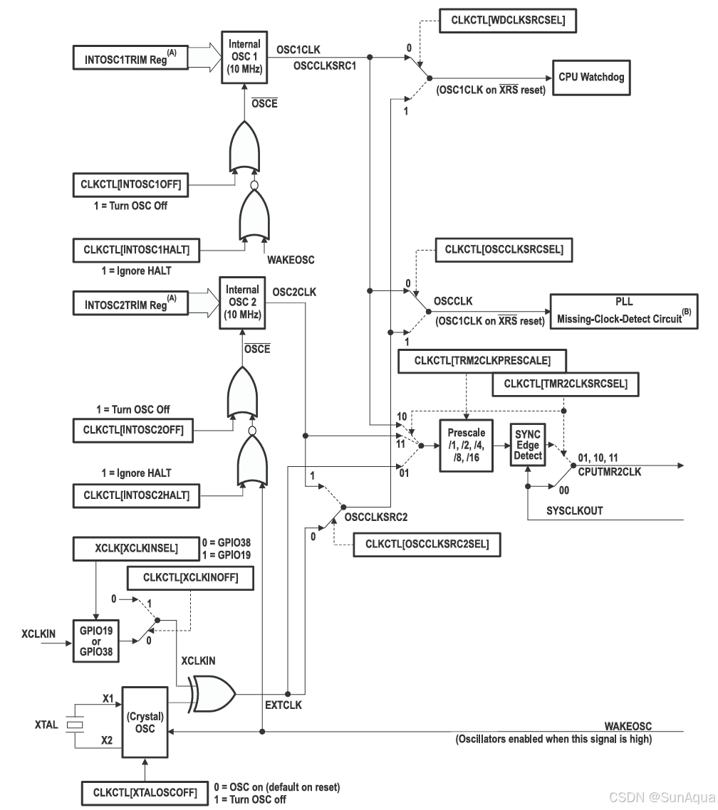
4 、时钟、电源与复位
-
电源
单 3.3V 供电,内部 LDO 生成 1.8V 内核电压,无需外部多级电源
IO 电压:2.97V~3.63V(典型 3.3V);内核:1.71V~1.995V
-
时钟
内部振荡器:2 路 10MHz 高精度零引脚振荡器
外部时钟:支持晶振 / 单边输入
PLL 倍频:最高 60MHz 系统时钟
时钟故障检测:异常时进入保护模式

-
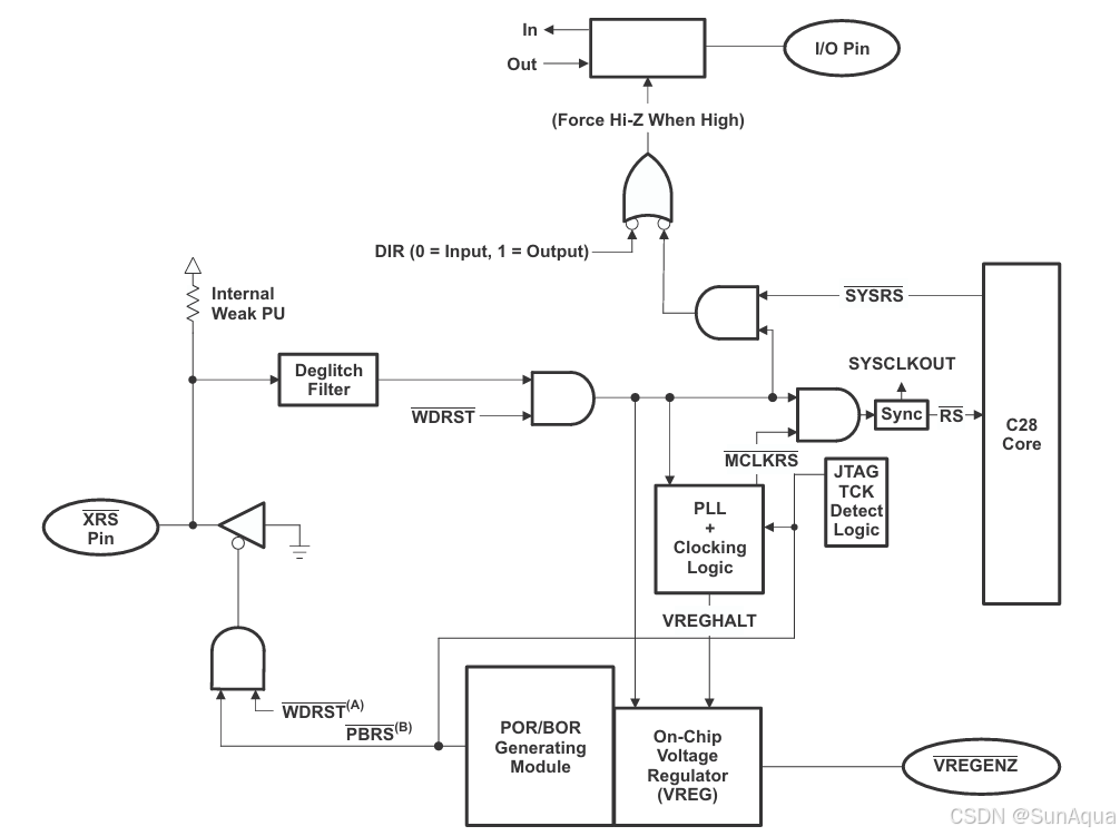
复位
上电复位(POR)、掉电复位(BOR),电压异常自动复位,防止程序跑飞

5、片内外设详解
-
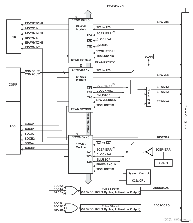
高精度 PWM 与运动控制(最核心外设)
ePWM:14 路标准 PWM,带死区、互补、移相、故障封锁
HRPWM:7 路高分辨率 PWM,最小分辨率 150ps,适合高精度电源 / 逆变
eCAP:高分辨率捕获;HRCAP:高频信号捕获
eQEP:正交编码器接口,精准测电机位置 / 转速

-
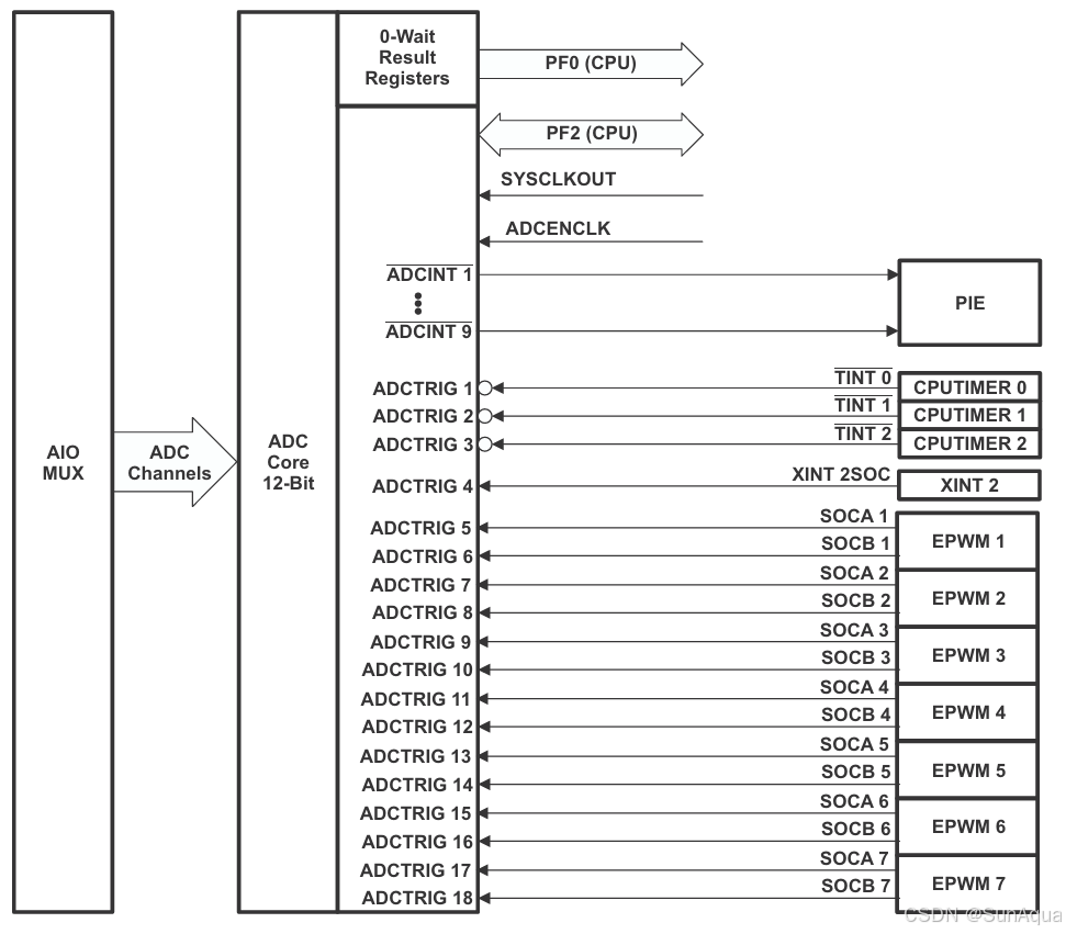
ADC 模拟采样
12 位 SAR 型,16 路模拟输入
双采样保持器,支持同步 / 顺序采样
最高 4.6MSPS,输入 0~3.3V
触发方式:ePWM 事件、定时器、软件
片内温度传感器,过热保护

-
模拟比较器(CMPSS)
3 路,每路带 10 位 DAC 基准
阈值可配,输出直接关断 PWM
硬件级过流 / 过压 / 急停保护,无需 CPU 干预
-
通信接口
SCI(UART):1 路异步串口
SPI:2 路高速同步
I2C:1 路
LIN:1 路
eCAN:1 路,CAN2.0B,32 邮箱,工业 / 车载总线常用
各接口带 FIFO,减少 CPU 中断
6、电气特性与低功耗
工业温度:-40℃~125℃
ESD 防护:HBM ±2kV,抗工业静电
低功耗模式:空闲、待机、停机(停机 < 50μA)
可关断闲置外设时钟、PLL、振荡器,适配电池供电设备
7、封装与 GPIO
封装:56‑VQFN、64‑TQFP、80‑LQFP
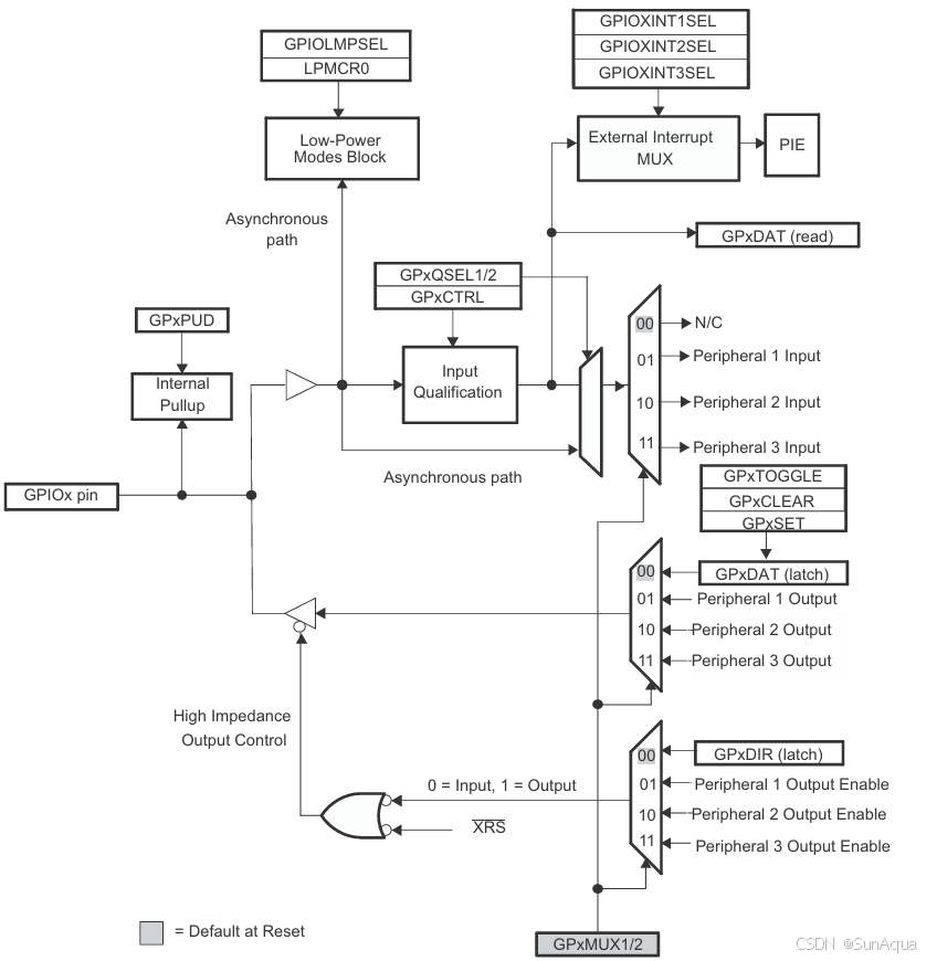
GPIO:最多 45 路复用引脚,支持数字 IO / 外设 / 模拟输入
输入滤波、上下拉可配,抗干扰强

8、典型应用
电机控制:变频驱动、风机水泵、电动工具、伺服、机械手
数字电源:DC‑DC、LLC、车载充电机、充电桩、UPS、光伏逆变
工业自动化:小型 PLC、远程 IO、智能传感器
车载电子:辅助电源、低压电机控制
9、优势与设计要点
1、核心优势
C28x+CLA 双核,实时性强
高精度 PWM + 高速 ADC + 运动控制外设集成度高
单电源设计,硬件简洁、BOM 成本低
宽温高可靠、代码加密、开发生态完善(CCS + 库 + 例程)
2、设计注意事项
模拟区与高频 PWM 走线隔离,减少干扰
电源引脚就近加高频去耦电容
合理配置 PLL 及时钟树
保护逻辑采用硬件比较器 + 软件双重防护
量产开启 CSM 加密,保护 IP
10、总结
TMS320F28035 作为 C2000 Piccolo 系列经典实时控制 MCU,以C28x+CLA 双核、高精度 PWM、高速 ADC、丰富运动控制外设、工业级可靠性为核心竞争力,高度匹配电力电子与运动控制需求。手册全面覆盖架构、存储、时钟、外设、电气参数、封装及应用,是硬件设计、软件开发、方案选型的核心参考。熟练掌握该手册,可高效完成数字电源、电机控制类产品的开发与优化。
11、更多内容
更多软硬件资料(设计代码、电路模块资料、设计报告等),有需要的可私信
在努力持续更新中。
可以一键三连催更哦。
简书地址:
https://www.jianshu.com/p/738e13966425
帮助信息文章地址:
https://blog.csdn.net/meenr/article/details/121452685