目录
[2.2 简略的微服务系统架构流程图](#2.2 简略的微服务系统架构流程图)
[2.2.1 用户访问层](#2.2.1 用户访问层)
[2.2.2 公网层(流量网关)](#2.2.2 公网层(流量网关))
[2.2.3 内网网关层](#2.2.3 内网网关层)
[2.2.4 微服务层](#2.2.4 微服务层)
[2.2.5 数据层](#2.2.5 数据层)
[2.2.6 安全与部署原则](#2.2.6 安全与部署原则)
[2.3 GitEgg Spring Cloud 微服务系统架构](#2.3 GitEgg Spring Cloud 微服务系统架构)
[2.3.1 用户访问与公网防御层](#2.3.1 用户访问与公网防御层)
[2.3.2 内网网关层(Gateway 集群)](#2.3.2 内网网关层(Gateway 集群))
[2.3.3 服务注册与微服务层](#2.3.3 服务注册与微服务层)
[2.3.4 中间件层](#2.3.4 中间件层)
[2.3.5 数据持久化层](#2.3.5 数据持久化层)
[2.3.6 监控与 DevOps](#2.3.6 监控与 DevOps)
[2.3.7 安全与部署原则](#2.3.7 安全与部署原则)
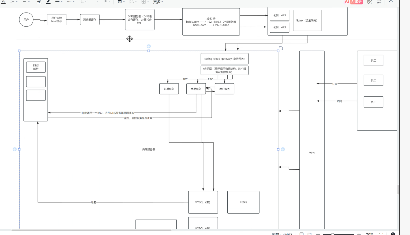
2.2 简略的微服务系统架构流程图


接下来,以上面图片为例进行解释。
2.2.1 用户访问层
以用户访问www.baidu.com为例。
解析流程:用户→用户本地 host 缓存→浏览器缓存→DNS 服务器(DNS也有缓存,大概10分钟)→获取域名对应 IP(如baidu.com对应192.168.0.1、192.168.0.2)。
注:这里的ip是公网ip。即,公网可访问的 Nginx 集群的入口 IP,用来定位 "公网流量网关" 的位置。
2.2.2 公网层(流量网关)
图中的 "Nginx(流量网关)" 是一个集群(多台 Nginx 服务器组成),只对外暴露443端口(HTTPS 协议的默认端口)。用户的请求会先到达这个 Nginx 集群:
- 它负责接收公网所有流量,是用户从互联网进入系统的 "第一道门"。
- 作为 "流量网关",它还会做负载均衡(把请求分摊到集群内的不同 Nginx 节点),防止单台服务器过载。
具体流程为:
DNS解析得到Nginx集群的公网IP → 请求发送到Nginx集群(公网443端口) → Nginx把流量转发到内网的后续服务。
2.2.3 内网网关层
- spring-cloud-gateway(业务网关):
功能:管控业务规则,如订单接口 QPS 限制(例:下单接口 QPS 设为 1 万,超 2 万时丢弃部分请求)。 - API 网关:
- 功能:规范数据结构,组装后台微服务接口,自身无数据库。
- 作用:避免前端直接调用微服务导致数据泄露(例:抖音用户详情接口若直接暴露手机号会引发严重事故);规范前后端参数交互(定义前端可传、后端可返的参数范围)。
- API网关通过RPC调用微服务,在整合。
- 例子:假设前端发来请求,要获取 "用户基本资料 + 粉丝数 + 作品列表",这三个数据分别存在「用户服务」「粉丝服务」「作品服务」里。
API 网关会先接收前端的请求,然后通过 RPC 分别调用这三个微服务,拿到各自的数据后,剔除手机号、身份证号等敏感信息,再组装成一个统一的响应结果返回给前端。
API 网关是 "数据整合者",而 RPC 是它和微服务之间的 "通信工具"。
2.2.4 微服务层
- 服务组成:订单服务、商品服务、用户服务等。
- 服务通信:通过 RPC 方式调用。
- 集群调用解决方案:
- 内网搭建 DNS 解析服务器,服务启动时自动注册(调用接口向 DNS 服务器添加记录)。
- DNS 服务器具备监控功能,实时检测服务状态,若服务挂掉则主动移除记录。
- 服务调用时通过域名访问(而非硬编码 IP),适配多集群部署(例:订单服务调用商品服务时,用域名http://商品服务域名:18088/product/list发起请求)。
- 注:
- 为什么内网需要搭建DNS服务器:
核心目的就是解决微服务集群(比如多实例的商品服务)的调用问题。
- 首先明确痛点
商品服务是集群(多个实例,IP 可能是 192.168.0.3、0.4、0.5...),如果用硬编码 IP 的方式调用,新增 / 减少实例时要改代码(比如从 3 个扩到 4 个,就得手动加 IP),又麻烦又容易出错,只适合极小系统。 - 内网 DNS 服务器的解决方案
用 "域名" 替代 "硬编码 IP",让 DNS 服务器来管理集群实例的 IP。
- 注册:商品服务每个实例启动时,会自动注册(即主动调用接口把自己的 IP、端口、服务名称等信息上报给内网 DNS);
- 监控与移除:DNS 服务器会持续监控这些实例,挂掉的会自动移除,保证记录的都是可用的;
- 调用时用域名:订单服务调用商品服务时,只需要用 "商品服务域名" 发起请求,DNS 会返回当前可用的实例 IP,不用管集群有多少个实例。
- 最终效果:不管商品服务集群扩到 10 个还是 20 个实例,订单服务的调用地址(域名)永远不变,彻底解决了集群调用的灵活性和维护性问题。
2.2.5 数据层
- MySQL(主备架构):
- 部署:纯内网环境,避免端口暴露(防止勒索病毒、数据泄露等风险)。
- 访问方式:通过域名(如mysql-server)访问,而非直接写 IP。其访问 URL 格式和 HTTP/HTTPS 类似,只是协议名称改为mysql(如mysql://mysql-server:3306/数据库名)。
- 架构特点:支持主备切换,主数据库负责日常读写,备数据库同步主库数据,主库故障时备库可自动切换为主库,保障数据服务不中断。
- Redis:
- 部署:纯内网环境,不暴露公网。
- 作用:作为缓存组件,专门存储常用数据(如商品库存、用户登录状态),能快速读取数据,减少 MySQL 的查询压力,提升系统响应速度。
- ClickHouse:
- 部署:纯内网环境,不暴露公网。
- 作用:用于大数据量的存储和分析(比如统计商品销售趋势、用户行为数据等),适合处理海量数据的查询分析需求,和 MySQL 的 "日常业务读写" 功能互补。
2.2.6 安全与部署原则
- 端口暴露原则:能不暴露端口就不暴露端口,端口暴露能少则少(例:订单服务、商品服务等 100% 部署在内网,避免因接口漏洞引发重大事故)。
- 数据层安全:MySQL、Redis、ClickHouse 等数据组件均部署于纯内网,不直接暴露公网(防止勒索病毒、数据泄露)。
- 员工公网访问安全边界:
- 核心逻辑:员工需通过VPN(虚拟专用网络) 接入内网,才能访问微服务、数据库等内部资源。
- 作用:VPN 相当于 "加密通道",能隔离公网的不安全环境,防止员工在外部网络(如家里、咖啡厅 WiFi)直接访问内网时,数据被窃取或篡改。
- 本质:是 "技术组件 + 安全规范" 的结合 ------VPN 是实现工具,"必须通过 VPN 访问内网" 是强制规范,共同构成公网到内网的安全边界。
- 部署前提:需先捋清从用户侧到内网的全链路(域名解析、网关、微服务、数据层),再明确各环节部署方式。
2.3 GitEgg Spring Cloud 微服务系统架构

上面的2.2其实就是在说的是这个图,只是2.2比较简略。
2.3.1 用户访问与公网防御层
- 用户端:手机、电脑等终端发起请求。
- DDoS 防护与防火墙:抵御 DDoS 攻击(如 "肉鸡" 大规模恶意访问,类似黄牛占满网站资源导致正常用户无法访问)。
- VIP、主备 HAProxy+Keepalived:实现负载均衡与高可用,保障流量分发稳定。
- 高防服务器:互联网企业、政府官网必须部署,是公网流量的第一道安全屏障,避免 Nginx 直接暴露公网。这里的高防服务器指的不是单一的硬件。而是通过软件策略(DDoS 防护规则、防火墙策略) + 服务集群(HAProxy+Keepalived 的高可用架构),模拟出 "高防服务器" 的抗攻击、保稳定效果。这种设计在微服务架构中很常见,用组件组合替代单一硬件,更灵活也更易扩展。图中

这些内容共同组成了 "高防体系",而不是说这些组件本身就是高防服务器。 - Nginx+Keepalived 负载均衡集群:承接公网流量,初步分发请求(与2.2架构图中公网 Nginx 集群逻辑一致)。
- CDN(内容分发网络):本质是遍布各地的高带宽文件服务器,只存文件、不做任何计算。专门放 HTML、CSS、JS、图片、视频等前端静态资源(这些资源不用实时运算,像普通文件一样)。把这些静态资源提前放到 CDN 的各地服务器上后,用户访问网站时,从离自己最近的 CDN 服务器拿资源,不用去远的源服务器,让页面加载更快,还能减轻源服务器的压力。
2.3.2 内网网关层(Gateway 集群)
- 功能:路由转发、流量限制(如秒杀时 QPS 超限则限流,出现 "当前服务过于火爆" 提示)、统一权限认证、请求过滤(与2.2架构图中 spring-cloud-gateway、API 网关的流量管控逻辑一致)。
- 关联组件:
- Ribbon:客户端负载均衡,选择合适的服务实例调用。
- Sentinel:实现限流、熔断、降级,保障服务稳定性。
- 注:
- 熔断:可以理解为电路的保险丝,当某一服务频繁调用失败(比如连续多次超时、报错),就会 "熔断" 这个服务的调用链路,暂时不再向它发请求,避免一直消耗资源却得不到响应,等一段时间后再尝试恢复调用。
- 降级:当系统压力过大时,把一些非核心功能的服务 "降级" 处理(比如返回默认数据、简化逻辑),优先保证核心功能(如订单支付)的正常运行,防止整个系统被拖垮。
2.3.3 服务注册与微服务层
- 服务注册中心(Nacos)
- 所有微服务(如订单、商品服务)启动时,自动注册(向 Nacos上报 IP、端口、服务名称等信息注册),其他服务通过Nacos发现并调用目标服务(与2.2架构图中内网 DNS 服务器的服务注册与发现逻辑一致,解决集群调用问题)。
- 这里的Nacos 在微服务架构中的作用,就相当于2.2里的的 "内网 DNS 服务器"------ 都是用来管理 "服务域名→可用 IP" 的映射,解决集群调用的问题。
- 上图有多个nacos,这是 Nacos 的集群部署,多台 Nacos 实例一起工作,既提升了注册中心的可用性(一台故障,其他还能工作),又能分担访问压力,保障服务注册与发现的稳定性。
- Nacos 主要负责服务注册 / 发现和配置管理,它不直接 "监控服务的健康状态、性能指标";而服务监控是由 Spring Boot Admin 这类专门的监控工具来完成的。
- SpringBoot 服务集群:多个 Server 实例(如 Server-A、Server-B)组成集群,共同处理业务,提升并发与容错能力(与2.2架构图中微服务集群逻辑一致)。
- 服务通信:通过 RPC 方式调用(与2.2架构图中微服务通信逻辑一致)。
- Fegin:是 RPC 的具体实现工具(属于 Spring Cloud 生态),它让微服务间的 RPC 调用变得更简单 ------ 你只需要写一个接口,Fegin 会自动帮你完成服务发现、请求发送、结果解析等操作,不用关心底层的 HTTP 通信细节。
2.3.4 中间件层
- Redis Cluster:分布式 Redis 集群,缓存热点数据(如商品库存),减轻数据库压力(与2.2架构图中 Redis 逻辑一致)。
- MongoDB Cluster:非关系型数据库,存储非结构化数据(如日志)。
- XXL-JOB 集群:分布式任务调度,执行定时任务(如每天凌晨执行数据统计)。
- 分布式文件存储(OSS、MinIO):存储用户头像、商品图片等文件资源。
- 消息中间件(RabbitMQ、RocketMQ、Kafka):实现服务间异步通信、解耦。
2.3.5 数据持久化层
关系型数据库(MySQL 主从架构):
- 主从复制与主备热切:主库处理读写请求,备库同步数据,主库故障时备库可切换为主库,保障数据服务不中断。(和2.2一致)
- MyCat 读写分离:实现数据库的读写分离,提升数据库的并发处理能力。
- JDBC、Druid/HikariCP:数据库连接池与驱动,优化数据库连接的管理。
- MyBatis、MyBatis-Plus:持久层框架,简化数据库操作。
- SEATA:分布式事务框架,保障分布式场景下数据的一致性。
2.3.6 监控与 DevOps
- Spring Boot Admin 监控:监控微服务健康状态与性能指标。
- Skywalking:分布式链路追踪,排查服务调用链路问题。
- 分布式日志管理平台(filebeat + es + kibana):采集、存储、分析应用日志,实现可视化查询。
- GitLab:代码仓库,进行版本管理与协作开发。
- Jenkins:一个功能强大的自动化服务器,它通过插件生态系统可以实现从代码构建、测试、打包(如 Docker 镜像)到部署的整个软件开发生命周期的自动化。它是持续集成(CI)和持续部署(CD)流程中不可或缺的核心工具。
- SonarQube:代码扫描工具,进行代码审计与漏洞检测。
- Harbor:私有镜像仓库,存储 Docker 镜像(比如从Jenkins生成的docker镜像),便于分发管理。像要下载docker镜像,就和从maven仓库里下载jar包一样,通过坐标下载。
- k8s(Kubernetes):容器编排平台,管理大规模容器化应用的部署与运维。
2.3.7 安全与部署原则
- 端口暴露原则:能不暴露端口就不暴露,微服务、数据库 100% 内网部署(与2.2架构图中安全原则一致)。
- 员工公网访问:需通过 VPN 接入内网,保障数据安全(与2.2架构图中安全原则一致)。