三菱伺服放大器MR-JET-10G与HG-KNS13J伺服电机接线教程

前言

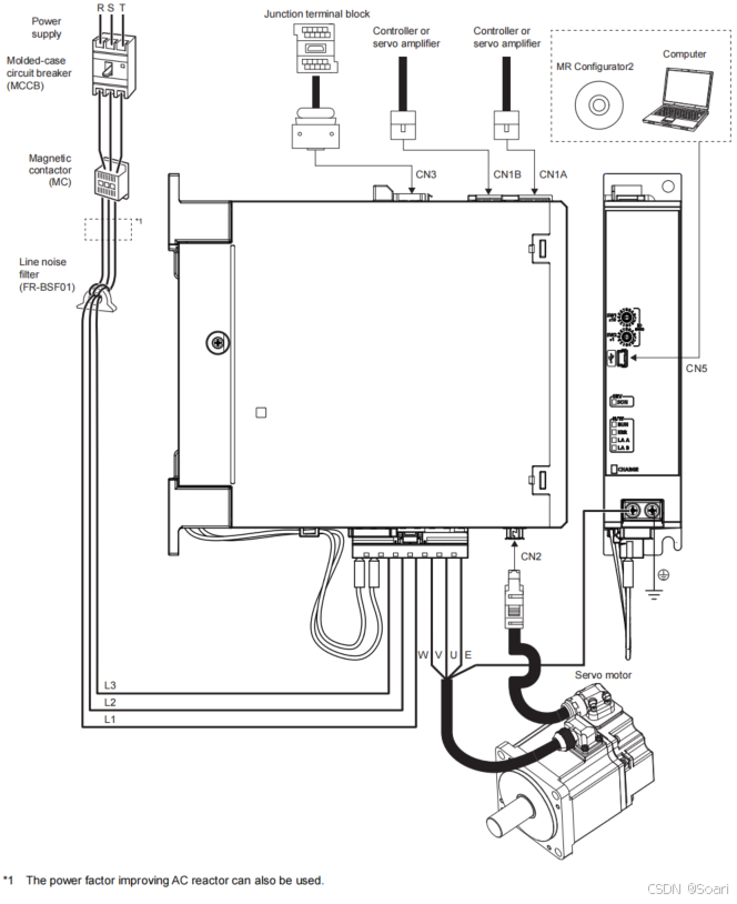
最近在搭建一个系统,旨在实现伺服数据可在运行过程中进行监控的目标。伺服放大器和伺服电机的运行状态可通过 CC-Link IE TSN 获取,并传输至 IT 系统或显示在网络中任何用户自定义的 GOT 屏幕上。其中,MR-JET-_G_x系列伺服放大器如何与HG-KNS13J伺服电机如何接线?参考官方指导文档MR-JET-G User's Manual (Introduction)。
From: MR-JET_Brochure_L03187ENG_G.pdf [Page 48]

连接示意图
伺服放大器 MR-JET Series User's Manual (Introduction).pdf [Page 68]

总结:本文介绍了基于CC-Link IETSN的伺服系统监控方案,重点说明MR-JET-G系列伺服放大器与HG-KNS13J伺服电机的接线方法。

相关推荐
汇智信科7 天前
未来战争混合现实体验系统,赋能信息化作战指挥
mr·hololens·混合现实·智能感知·未来作战能源·虚拟展示系统·信息化作战
听风吹等浪起13 天前
基于改进DenseUNet的交互式MR脊椎图像分割:融合点提示机制的多尺度特征网络
网络·mr
搜移IT科技15 天前
安洁科技(002635)切入苹果Vision Pro供应链,MR业务贡献新增量。
科技·apple vision pro·mr
仗剑_走天涯25 天前
hadoop 执行mr任务出现找不到主类或无法加载主类解决方案
hadoop·mr
万里长江横渡1 个月前
三菱MR-JE系列伺服报警信息查看
制造·mr
源远流长jerry1 个月前
RDMA Memory Region (MR) 机制详解:地址转换与内存保护
linux·服务器·网络·tcp/ip·架构·mr
C澒2 个月前
供应链产研交付提效:前端多业务线新增样板间页面统计方案
前端·mr
Sator12 个月前
Unity Pico MR注意事项
mr
weixin_421585012 个月前
如何将论文中的方法推广到脑肿瘤切除手术前的MR图像和切除手术后的超声图像
mr