目录
看完手册之后就可以开始敲代码
先看看最终效果

笔者用的是淘宝买的裸屏,分辨率240*240,自己焊接外围电路。

CubeMX配置
配置晶振,调试口等等就不赘述了
配置SPI
笔者的单片机SPI时钟最大可以到50MHz,为了便于演示,这里只开到6.25MHz,后面会有不同时钟下速率的对比

开DMA
屏幕的数据量还是挺大的,用DMA可以让MCU的负荷轻一些

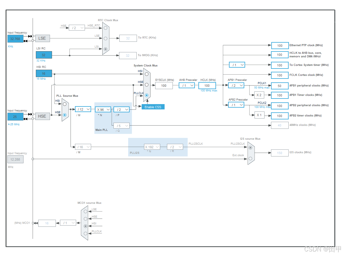
时钟树

堆栈大小
按默认的来也可以

至此,cubemx配置完毕,点击生成代码
Keil工程配置
添加两个group

ST7789用于存放即将编写的驱动,generate存放生成的文件
添加文件包含路径

驱动编写
写单字节函数
可以发命令或者数据,均为单字节
cpp
void ST7789_SendByte(uint8_t dat, ST7789_DCType DC)
{
ST7789_CS_LOW();
(DC == ST7789_DATA) ? ST7789_DC_HIGH() : ST7789_DC_LOW();
HAL_SPI_Transmit_DMA(ST7789_SPI, &dat, 1);
while (HAL_SPI_GetState(ST7789_SPI) == HAL_SPI_STATE_BUSY_TX);
ST7789_CS_HIGH();
}
写字函数
用于发送一个字
cpp
void ST7789_SendHalfWord(uint16_t dat)
{
uint8_t da[2];
ST7789_CS_LOW();
ST7789_DC_HIGH();
da[0] = dat >> 8;
da[1] = dat & 0xFF;
HAL_SPI_Transmit_DMA(ST7789_SPI, da, 2);
while (HAL_SPI_GetState(ST7789_SPI) == HAL_SPI_STATE_BUSY_TX);
ST7789_CS_HIGH();
}
写多字节函数
cpp
void ST7789_SendMultiByte(uint8_t* dat, uint16_t len)
{
ST7789_CS_LOW();
ST7789_DC_HIGH();
HAL_SPI_Transmit_DMA(ST7789_SPI, dat, len);
while (HAL_SPI_GetState(ST7789_SPI) == HAL_SPI_STATE_BUSY_TX);
ST7789_CS_HIGH();
}
初始化函数

复位低电平时间需要持续至少10us,然后拉高,接下来的最大120ms内是在reset
cpp
void ST7789_Init(void)
{
ST7789_BL_HIGH();
ST7789_CS_HIGH();
ST7789_RST_HIGH();
ST7789_RST_LOW();
HAL_Delay(1);
ST7789_RST_HIGH();
HAL_Delay(120);
ST7789_SendByte(0x11, ST7789_CMD);
ST7789_SendByte(0x3A, ST7789_CMD);
ST7789_SendByte(0x55, ST7789_DATA); // 5 565 6 666
ST7789_SendByte(0xB2, ST7789_CMD);
ST7789_SendByte(0x0C, ST7789_DATA);
ST7789_SendByte(0x0C, ST7789_DATA);
ST7789_SendByte(0x00, ST7789_DATA);
ST7789_SendByte(0x33, ST7789_DATA);
ST7789_SendByte(0x33, ST7789_DATA);
ST7789_SendByte(0xB7, ST7789_CMD);
ST7789_SendByte(0x35, ST7789_DATA);
ST7789_SendByte(0xBB, ST7789_CMD);
ST7789_SendByte(0x32, ST7789_DATA); //Vcom=1.35V
ST7789_SendByte(0xC2, ST7789_CMD);
ST7789_SendByte(0x01, ST7789_DATA);
ST7789_SendByte(0xC3, ST7789_CMD);
ST7789_SendByte(0x19, ST7789_DATA); //GVDD=4.8V
ST7789_SendByte(0xC4, ST7789_CMD);
ST7789_SendByte(0x20, ST7789_DATA); //VDV, 0x20:0v
ST7789_SendByte(0xC6, ST7789_CMD);
ST7789_SendByte(0x0F, ST7789_DATA); //0x0F:60Hz
ST7789_SendByte(0xD0, ST7789_CMD);
ST7789_SendByte(0xA4, ST7789_DATA);
ST7789_SendByte(0xA1, ST7789_DATA);
ST7789_SendByte(0xE0, ST7789_CMD);
ST7789_SendByte(0xD0, ST7789_DATA);
ST7789_SendByte(0x08, ST7789_DATA);
ST7789_SendByte(0x0E, ST7789_DATA);
ST7789_SendByte(0x09, ST7789_DATA);
ST7789_SendByte(0x09, ST7789_DATA);
ST7789_SendByte(0x05, ST7789_DATA);
ST7789_SendByte(0x31, ST7789_DATA);
ST7789_SendByte(0x33, ST7789_DATA);
ST7789_SendByte(0x48, ST7789_DATA);
ST7789_SendByte(0x17, ST7789_DATA);
ST7789_SendByte(0x14, ST7789_DATA);
ST7789_SendByte(0x15, ST7789_DATA);
ST7789_SendByte(0x31, ST7789_DATA);
ST7789_SendByte(0x34, ST7789_DATA);
ST7789_SendByte(0xE1, ST7789_CMD);
ST7789_SendByte(0xD0, ST7789_DATA);
ST7789_SendByte(0x08, ST7789_DATA);
ST7789_SendByte(0x0E, ST7789_DATA);
ST7789_SendByte(0x09, ST7789_DATA);
ST7789_SendByte(0x09, ST7789_DATA);
ST7789_SendByte(0x15, ST7789_DATA);
ST7789_SendByte(0x31, ST7789_DATA);
ST7789_SendByte(0x33, ST7789_DATA);
ST7789_SendByte(0x48, ST7789_DATA);
ST7789_SendByte(0x17, ST7789_DATA);
ST7789_SendByte(0x14, ST7789_DATA);
ST7789_SendByte(0x15, ST7789_DATA);
ST7789_SendByte(0x31, ST7789_DATA);
ST7789_SendByte(0x34, ST7789_DATA);
ST7789_SendByte(0x21, ST7789_CMD);
ST7789_SendByte(0x36, ST7789_CMD); //MX, MY, RGB mode
#if (ST7789_ROTATION == 0)
ST7789_SendByte(0x00, ST7789_DATA);
#elif (ST7789_ROTATION == 90)
ST7789_SendByte(0x60, ST7789_DATA);//90
#elif (ST7789_ROTATION == 180)
ST7789_SendByte(0xC0, ST7789_DATA);//180
#elif (ST7789_ROTATION == 270)
ST7789_SendByte(0xA0, ST7789_DATA);//270
#endif
ST7789_SendByte(0x2A, ST7789_CMD); //Column Address Set
ST7789_SendByte(0x00, ST7789_DATA);
ST7789_SendByte(0x00, ST7789_DATA); //0
ST7789_SendByte(0x00, ST7789_DATA);
ST7789_SendByte(0xEF, ST7789_DATA); //239
ST7789_SendByte(0x2B, ST7789_CMD); //Row Address Set
ST7789_SendByte(0x00, ST7789_DATA);
ST7789_SendByte(0x00, ST7789_DATA); //0
ST7789_SendByte(0x00, ST7789_DATA);
ST7789_SendByte(0xEF, ST7789_DATA); //239
ST7789_SendByte(0x29, ST7789_CMD);
}
设置窗口函数
cpp
void ST7789_Address_Set(uint16_t x1,uint16_t y1,uint16_t x2,uint16_t y2)
{
if(ST7789_ROTATION==0)
{
ST7789_SendByte(0x2a, ST7789_CMD);//列地址设置
ST7789_SendHalfWord(x1);
ST7789_SendHalfWord(x2);
ST7789_SendByte(0x2b, ST7789_CMD);//行地址设置
ST7789_SendHalfWord(y1);
ST7789_SendHalfWord(y2);
ST7789_SendByte(0x2c, ST7789_CMD);//储存器写
}
else if(ST7789_ROTATION == 90)
{
ST7789_SendByte(0x2a, ST7789_CMD);//列地址设置
ST7789_SendHalfWord(x1);
ST7789_SendHalfWord(x2);
ST7789_SendByte(0x2b, ST7789_CMD);//行地址设置
ST7789_SendHalfWord(y1);
ST7789_SendHalfWord(y2);
ST7789_SendByte(0x2c, ST7789_CMD);//储存器写
}
else if(ST7789_ROTATION == 180)
{
y1 += 80;
y2 += 80;
ST7789_SendByte(0x2a, ST7789_CMD);//列地址设置
ST7789_SendHalfWord(x1);
ST7789_SendHalfWord(x2);
ST7789_SendByte(0x2b, ST7789_CMD);//行地址设置
ST7789_SendHalfWord(y1);
ST7789_SendHalfWord(y2);
ST7789_SendByte(0x2c, ST7789_CMD);//储存器写
}
else if(ST7789_ROTATION == 270)
{
x1 += 80;
x2 += 80;
ST7789_SendByte(0x2a, ST7789_CMD);//列地址设置
ST7789_SendHalfWord(x1);
ST7789_SendHalfWord(x2);
ST7789_SendByte(0x2b, ST7789_CMD);//行地址设置
ST7789_SendHalfWord(y1);
ST7789_SendHalfWord(y2);
ST7789_SendByte(0x2c, ST7789_CMD);//储存器写
}
else
{
}
}
编写设置窗口函数,有些角度需要加80的偏移,这里简单解释一下
因为屏幕是240*240的但是芯片本身支持240*320

初始化的时候可以设置屏幕镜像旋转等参数,如下图所示
0度对应MV=0,MX=0,MY=0
90度对应MV=1,MX=1,MY=0
180度对应MV=0,MX=1,MY=1
270度对应MV=1,MX=0,MY=1

情况一:正常的0度旋转

黑色代表屏幕可见区域(240*240),红色是芯片RAM(240*320),蓝色是起始坐标,此时不需要偏移
情况二:顺时针90度旋转

黑色代表屏幕可见区域(240*240),红色是芯片RAM(240*320),蓝色是起始坐标,此时不需要偏移
情况三:180度旋转

黑色代表屏幕可见区域(240*240),红色是芯片RAM(240*320),蓝色是我们想要的起始坐标(0,0),紫色的是芯片的(0,0)坐标
此时如果setwindow(0,0),那么实际上是从紫色的地方开始的,这部分已经在屏幕外面,因此Y需要增加80
情况四:顺时针270度旋转

黑色代表屏幕可见区域(240*240),红色是芯片RAM(240*320),蓝色是我们想要的起始坐标(0,0),紫色的是芯片的(0,0)坐标
此时如果setwindow(0,0),那么实际上是从紫色的地方开始的,这部分已经在屏幕外面,因此X需要增加80
手册里镜像的操作读者可以自行编写,明白原理后都是相通的
清屏函数
cpp
void ST7789_Clear(uint16_t color)
{
uint16_t i,j;
ST7789_Address_Set(0,0,240-1,240-1);
for ( i = 0; i < ST7789_BUF_SIZE; i += 2)
{
ST7789_Buf[i] = color >> 8;
ST7789_Buf[i + 1] = color & 0xFF;
}
for ( i = 0; i < 240 * 240 * 2 / ST7789_BUF_SIZE; i++)
{
ST7789_SendMultiByte(ST7789_Buf, ST7789_BUF_SIZE);
}
}
效果
cpp
ST7789_Clear(BLUE);

逻辑分析仪测试波形如下,清屏耗费150ms和21ms


cpp
void ST7789_DrawPixel(uint16_t x,uint16_t y,uint16_t color)
{
ST7789_Address_Set(x,y,x,y);//设置光标位置
ST7789_SendHalfWord(color);
}
效果
cpp
ST7789_Clear(BLACK);
ST7789_DrawPixel(0, 100, WHITE);
ST7789_DrawPixel(239, 100, WHITE);

画单色水平线函数
cpp
void ST7789_DrawHLine(uint16_t xs, uint16_t xe,uint16_t y,uint16_t color)
{
uint16_t i,j;
ST7789_Address_Set(xs,y,xe,y);//设置光标位置
for ( i = 0; i < (xe - xs + 1) * 2; i += 2)
{
ST7789_Buf[i] = color >> 8;
ST7789_Buf[i + 1] = color & 0xFF;
}
ST7789_SendMultiByte(ST7789_Buf, (xe - xs + 1) * 2);
}
效果
cpp
ST7789_Clear(BLACK);
ST7789_DrawPixel(0, 100, WHITE);
ST7789_DrawPixel(239, 100, WHITE);
ST7789_DrawHLine(1,238,100,RED);

画单色垂直线函数
cpp
void ST7789_DrawVLine(uint16_t ys, uint16_t ye, uint16_t x, uint16_t color)
{
uint16_t i,j;
ST7789_Address_Set(x,ys,x,ye);//设置光标位置
for ( i = 0; i < (ye - ys + 1) * 2; i += 2)
{
ST7789_Buf[i] = color >> 8;
ST7789_Buf[i + 1] = color & 0xFF;
}
ST7789_SendMultiByte(ST7789_Buf, (ye - ys + 1) * 2);
}
效果
cpp
ST7789_Clear(BLACK);
ST7789_DrawPixel(0, 100, WHITE);
ST7789_DrawPixel(239, 100, WHITE);
ST7789_DrawHLine(1,238,100,RED);
ST7789_DrawVLine(0,199,100,BLUE);

区域填充函数
cpp
void ST7789_FillRect(uint16_t xs, uint16_t ys, uint16_t xe, uint16_t ye, uint16_t color)
{
uint16_t i,j;
uint32_t depth;
depth = (ye - ys + 1) * (xe - xs + 1) * 2;
ST7789_Address_Set(xs, ys, xe, ye);//设置光标位置
if (depth < ST7789_BUF_SIZE)
{
for ( i = 0; i < depth; i += 2)
{
ST7789_Buf[i] = color >> 8;
ST7789_Buf[i + 1] = color & 0xFF;
}
ST7789_SendMultiByte(ST7789_Buf, depth);
}
else
{
for ( i = 0; i < ST7789_BUF_SIZE; i += 2)
{
ST7789_Buf[i] = color >> 8;
ST7789_Buf[i + 1] = color & 0xFF;
}
for ( i = 0; i < depth / ST7789_BUF_SIZE; i++)
{
ST7789_SendMultiByte(ST7789_Buf, ST7789_BUF_SIZE);
}
if (depth % ST7789_BUF_SIZE != 0)
{
ST7789_SendMultiByte(ST7789_Buf, (depth % ST7789_BUF_SIZE));
}
else
{
}
}
}
效果
cpp
ST7789_Clear(BLACK);
ST7789_DrawPixel(0, 100, WHITE);
ST7789_DrawPixel(239, 100, WHITE);
ST7789_DrawHLine(1,238,100,RED);
ST7789_DrawVLine(0,199,100,BLUE);
ST7789_FillRect(101, 0, 200, 199, RED);

画彩色线函数
cpp
/**
* xsize is in [0,239]
*/
void ST7789_DrawBitLine16BPP(uint16_t xs, uint16_t y, uint8_t const * p, uint16_t xsize)
{
uint16_t i,j;
ST7789_Address_Set(xs, y, xs + xsize, y);//设置光标位置
for ( i = 0; i < xsize * 2; i+=2)
{
// ST7789_Buf[i] = *(p + i) >> 8;
// ST7789_Buf[i + 1] = *(p + i + 1) & 0xFF;
ST7789_Buf[i + 1] = *(p + i);
ST7789_Buf[i] = *(p + i + 1);
}
ST7789_SendMultiByte(ST7789_Buf, xsize * 2);
}
画图函数
cpp
void ST7789_DrawBitmap(uint16_t xs, uint16_t ys, uint16_t xsize, uint16_t ysize, uint8_t *p)
{
uint16_t i,j;
for ( i = 0; i < ysize; i++)
{
ST7789_DrawBitLine16BPP(xs, ys + i, p + i * xsize * 2, xsize);
}
}
效果
cpp
ST7789_DrawBitmap(0, 0, bmphonk.XSize, bmphonk.YSize, bmphonk.pData);

逻辑分析仪测试波形如下,画一张240*240的图耗费195ms和67ms


附录
ST7789.c
cpp
#include "ST7789.h"
/* at least 240*2 and can be divided wholely by 240*240*2 */
#define ST7789_BUF_SIZE (240 * 2)
uint8_t ST7789_Buf[ST7789_BUF_SIZE];
void ST7789_SendByte(uint8_t dat, ST7789_DCType DC)
{
ST7789_CS_LOW();
(DC == ST7789_DATA) ? ST7789_DC_HIGH() : ST7789_DC_LOW();
HAL_SPI_Transmit_DMA(ST7789_SPI, &dat, 1);
while (HAL_SPI_GetState(ST7789_SPI) == HAL_SPI_STATE_BUSY_TX);
ST7789_CS_HIGH();
}
void ST7789_SendHalfWord(uint16_t dat)
{
uint8_t da[2];
ST7789_CS_LOW();
ST7789_DC_HIGH();
da[0] = dat >> 8;
da[1] = dat & 0xFF;
HAL_SPI_Transmit_DMA(ST7789_SPI, da, 2);
while (HAL_SPI_GetState(ST7789_SPI) == HAL_SPI_STATE_BUSY_TX);
ST7789_CS_HIGH();
}
void ST7789_SendMultiByte(uint8_t* dat, uint16_t len)
{
ST7789_CS_LOW();
ST7789_DC_HIGH();
HAL_SPI_Transmit_DMA(ST7789_SPI, dat, len);
while (HAL_SPI_GetState(ST7789_SPI) == HAL_SPI_STATE_BUSY_TX);
ST7789_CS_HIGH();
}
void ST7789_Init(void)
{
ST7789_BL_HIGH();
ST7789_CS_HIGH();
ST7789_RST_HIGH();
ST7789_RST_LOW();
HAL_Delay(1);
ST7789_RST_HIGH();
HAL_Delay(120);
ST7789_SendByte(0x11, ST7789_CMD);
ST7789_SendByte(0x3A, ST7789_CMD);
ST7789_SendByte(0x55, ST7789_DATA); // 5 565 6 666
ST7789_SendByte(0xB2, ST7789_CMD);
ST7789_SendByte(0x0C, ST7789_DATA);
ST7789_SendByte(0x0C, ST7789_DATA);
ST7789_SendByte(0x00, ST7789_DATA);
ST7789_SendByte(0x33, ST7789_DATA);
ST7789_SendByte(0x33, ST7789_DATA);
ST7789_SendByte(0xB7, ST7789_CMD);
ST7789_SendByte(0x35, ST7789_DATA);
ST7789_SendByte(0xBB, ST7789_CMD);
ST7789_SendByte(0x32, ST7789_DATA); //Vcom=1.35V
ST7789_SendByte(0xC2, ST7789_CMD);
ST7789_SendByte(0x01, ST7789_DATA);
ST7789_SendByte(0xC3, ST7789_CMD);
ST7789_SendByte(0x19, ST7789_DATA); //GVDD=4.8V
ST7789_SendByte(0xC4, ST7789_CMD);
ST7789_SendByte(0x20, ST7789_DATA); //VDV, 0x20:0v
ST7789_SendByte(0xC6, ST7789_CMD);
ST7789_SendByte(0x0F, ST7789_DATA); //0x0F:60Hz
ST7789_SendByte(0xD0, ST7789_CMD);
ST7789_SendByte(0xA4, ST7789_DATA);
ST7789_SendByte(0xA1, ST7789_DATA);
ST7789_SendByte(0xE0, ST7789_CMD);
ST7789_SendByte(0xD0, ST7789_DATA);
ST7789_SendByte(0x08, ST7789_DATA);
ST7789_SendByte(0x0E, ST7789_DATA);
ST7789_SendByte(0x09, ST7789_DATA);
ST7789_SendByte(0x09, ST7789_DATA);
ST7789_SendByte(0x05, ST7789_DATA);
ST7789_SendByte(0x31, ST7789_DATA);
ST7789_SendByte(0x33, ST7789_DATA);
ST7789_SendByte(0x48, ST7789_DATA);
ST7789_SendByte(0x17, ST7789_DATA);
ST7789_SendByte(0x14, ST7789_DATA);
ST7789_SendByte(0x15, ST7789_DATA);
ST7789_SendByte(0x31, ST7789_DATA);
ST7789_SendByte(0x34, ST7789_DATA);
ST7789_SendByte(0xE1, ST7789_CMD);
ST7789_SendByte(0xD0, ST7789_DATA);
ST7789_SendByte(0x08, ST7789_DATA);
ST7789_SendByte(0x0E, ST7789_DATA);
ST7789_SendByte(0x09, ST7789_DATA);
ST7789_SendByte(0x09, ST7789_DATA);
ST7789_SendByte(0x15, ST7789_DATA);
ST7789_SendByte(0x31, ST7789_DATA);
ST7789_SendByte(0x33, ST7789_DATA);
ST7789_SendByte(0x48, ST7789_DATA);
ST7789_SendByte(0x17, ST7789_DATA);
ST7789_SendByte(0x14, ST7789_DATA);
ST7789_SendByte(0x15, ST7789_DATA);
ST7789_SendByte(0x31, ST7789_DATA);
ST7789_SendByte(0x34, ST7789_DATA);
ST7789_SendByte(0x21, ST7789_CMD);
ST7789_SendByte(0x36, ST7789_CMD); //MX, MY, RGB mode
#if (ST7789_ROTATION == 0)
ST7789_SendByte(0x00, ST7789_DATA);
#elif (ST7789_ROTATION == 90)
ST7789_SendByte(0x60, ST7789_DATA);//90
#elif (ST7789_ROTATION == 180)
ST7789_SendByte(0xC0, ST7789_DATA);//180
#elif (ST7789_ROTATION == 270)
ST7789_SendByte(0xA0, ST7789_DATA);//270
#endif
ST7789_SendByte(0x2A, ST7789_CMD); //Column Address Set
ST7789_SendByte(0x00, ST7789_DATA);
ST7789_SendByte(0x00, ST7789_DATA); //0
ST7789_SendByte(0x00, ST7789_DATA);
ST7789_SendByte(0xEF, ST7789_DATA); //239
ST7789_SendByte(0x2B, ST7789_CMD); //Row Address Set
ST7789_SendByte(0x00, ST7789_DATA);
ST7789_SendByte(0x00, ST7789_DATA); //0
ST7789_SendByte(0x00, ST7789_DATA);
ST7789_SendByte(0xEF, ST7789_DATA); //239
ST7789_SendByte(0x29, ST7789_CMD);
}
void ST7789_Address_Set(uint16_t x1,uint16_t y1,uint16_t x2,uint16_t y2)
{
if(ST7789_ROTATION==0)
{
ST7789_SendByte(0x2a, ST7789_CMD);//列地址设置
ST7789_SendHalfWord(x1);
ST7789_SendHalfWord(x2);
ST7789_SendByte(0x2b, ST7789_CMD);//行地址设置
ST7789_SendHalfWord(y1);
ST7789_SendHalfWord(y2);
ST7789_SendByte(0x2c, ST7789_CMD);//储存器写
}
else if(ST7789_ROTATION == 90)
{
ST7789_SendByte(0x2a, ST7789_CMD);//列地址设置
ST7789_SendHalfWord(x1);
ST7789_SendHalfWord(x2);
ST7789_SendByte(0x2b, ST7789_CMD);//行地址设置
ST7789_SendHalfWord(y1);
ST7789_SendHalfWord(y2);
ST7789_SendByte(0x2c, ST7789_CMD);//储存器写
}
else if(ST7789_ROTATION == 180)
{
y1 += 80;
y2 += 80;
ST7789_SendByte(0x2a, ST7789_CMD);//列地址设置
ST7789_SendHalfWord(x1);
ST7789_SendHalfWord(x2);
ST7789_SendByte(0x2b, ST7789_CMD);//行地址设置
ST7789_SendHalfWord(y1);
ST7789_SendHalfWord(y2);
ST7789_SendByte(0x2c, ST7789_CMD);//储存器写
}
else if(ST7789_ROTATION == 270)
{
x1 += 80;
x2 += 80;
ST7789_SendByte(0x2a, ST7789_CMD);//列地址设置
ST7789_SendHalfWord(x1);
ST7789_SendHalfWord(x2);
ST7789_SendByte(0x2b, ST7789_CMD);//行地址设置
ST7789_SendHalfWord(y1);
ST7789_SendHalfWord(y2);
ST7789_SendByte(0x2c, ST7789_CMD);//储存器写
}
else
{
}
}
void ST7789_Clear(uint16_t color)
{
uint16_t i,j;
ST7789_Address_Set(0,0,ST7789_HIGHT - 1,ST7789_WIDTH - 1);
for ( i = 0; i < ST7789_BUF_SIZE; i += 2)
{
ST7789_Buf[i] = color >> 8;
ST7789_Buf[i + 1] = color & 0xFF;
}
for ( i = 0; i < ST7789_HIGHT * ST7789_WIDTH * 2 / ST7789_BUF_SIZE; i++)
{
ST7789_SendMultiByte(ST7789_Buf, ST7789_BUF_SIZE);
}
}
void ST7789_DrawPixel(uint16_t x,uint16_t y,uint16_t color)
{
ST7789_Address_Set(x,y,x,y);//设置光标位置
ST7789_SendHalfWord(color);
}
void ST7789_DrawHLine(uint16_t xs, uint16_t xe,uint16_t y,uint16_t color)
{
uint16_t i,j;
ST7789_Address_Set(xs,y,xe,y);//设置光标位置
for ( i = 0; i < (xe - xs + 1) * 2; i += 2)
{
ST7789_Buf[i] = color >> 8;
ST7789_Buf[i + 1] = color & 0xFF;
}
ST7789_SendMultiByte(ST7789_Buf, (xe - xs + 1) * 2);
}
void ST7789_DrawVLine(uint16_t ys, uint16_t ye, uint16_t x, uint16_t color)
{
uint16_t i,j;
ST7789_Address_Set(x,ys,x,ye);//设置光标位置
for ( i = 0; i < (ye - ys + 1) * 2; i += 2)
{
ST7789_Buf[i] = color >> 8;
ST7789_Buf[i + 1] = color & 0xFF;
}
ST7789_SendMultiByte(ST7789_Buf, (ye - ys + 1) * 2);
}
void ST7789_FillRect(uint16_t xs, uint16_t ys, uint16_t xe, uint16_t ye, uint16_t color)
{
uint16_t i,j;
uint32_t depth;
depth = (ye - ys + 1) * (xe - xs + 1) * 2;
ST7789_Address_Set(xs, ys, xe, ye);//设置光标位置
if (depth < ST7789_BUF_SIZE)
{
for ( i = 0; i < depth; i += 2)
{
ST7789_Buf[i] = color >> 8;
ST7789_Buf[i + 1] = color & 0xFF;
}
ST7789_SendMultiByte(ST7789_Buf, depth);
}
else
{
for ( i = 0; i < ST7789_BUF_SIZE; i += 2)
{
ST7789_Buf[i] = color >> 8;
ST7789_Buf[i + 1] = color & 0xFF;
}
for ( i = 0; i < depth / ST7789_BUF_SIZE; i++)
{
ST7789_SendMultiByte(ST7789_Buf, ST7789_BUF_SIZE);
}
if (depth % ST7789_BUF_SIZE != 0)
{
ST7789_SendMultiByte(ST7789_Buf, (depth % ST7789_BUF_SIZE));
}
else
{
}
}
}
/**
* xsize is in [0,239]
*/
void ST7789_DrawBitLine16BPP(uint16_t xs, uint16_t y, uint8_t const * p, uint16_t xsize)
{
uint16_t i,j;
ST7789_Address_Set(xs, y, xs + xsize, y);//设置光标位置
for ( i = 0; i < xsize * 2; i+=2)
{
// ST7789_Buf[i] = *(p + i) >> 8;
// ST7789_Buf[i + 1] = *(p + i + 1) & 0xFF;
ST7789_Buf[i + 1] = *(p + i);
ST7789_Buf[i] = *(p + i + 1);
}
ST7789_SendMultiByte(ST7789_Buf, xsize * 2);
}
void ST7789_DrawBitmap(uint16_t xs, uint16_t ys, uint16_t xsize, uint16_t ysize, uint8_t *p)
{
uint16_t i,j;
for ( i = 0; i < ysize; i++)
{
ST7789_DrawBitLine16BPP(xs, ys + i, p + i * xsize * 2, xsize);
}
}
ST7789.h
cpp
#ifndef ST7789_H
#define ST7789_H
#include "main.h"
#include "gpio.h"
#include "spi.h"
#include "stdint.h"
#define ST7789_ROTATION 0
#define ST7789_SPI &hspi1
#define ST7789_BUFFER
#define ST7789_HIGHT 240
#define ST7789_WIDTH 240
#define ST7789_RST_LOW() HAL_GPIO_WritePin(RES_GPIO_Port,RES_Pin,GPIO_PIN_RESET)
#define ST7789_RST_HIGH() HAL_GPIO_WritePin(RES_GPIO_Port,RES_Pin,GPIO_PIN_SET)
#define ST7789_CS_LOW() HAL_GPIO_WritePin(CS_GPIO_Port,CS_Pin,GPIO_PIN_RESET)
#define ST7789_CS_HIGH() HAL_GPIO_WritePin(CS_GPIO_Port,CS_Pin,GPIO_PIN_SET)
#define ST7789_DC_LOW() HAL_GPIO_WritePin(DC_GPIO_Port,DC_Pin,GPIO_PIN_RESET)
#define ST7789_DC_HIGH() HAL_GPIO_WritePin(DC_GPIO_Port,DC_Pin,GPIO_PIN_SET)
#define ST7789_BL_LOW() HAL_GPIO_WritePin(BL_GPIO_Port,BL_Pin,GPIO_PIN_RESET)
#define ST7789_BL_HIGH() HAL_GPIO_WritePin(BL_GPIO_Port,BL_Pin,GPIO_PIN_SET)
#define WHITE 0xFFFF
#define BLACK 0x0000
#define BLUE 0x001F
#define BRED 0XF81F
#define GRED 0XFFE0
#define GBLUE 0X07FF
#define RED 0xF800
#define MAGENTA 0xF81F
#define GREEN 0x07E0
#define CYAN 0x7FFF
#define YELLOW 0xFFE0
#define BROWN 0XBC40
#define BRRED 0XFC07
#define GRAY 0X8430
typedef enum
{
ST7789_CMD,
ST7789_DATA,
}ST7789_DCType;
typedef struct
{
ST7789_DCType DC;
uint8_t data;
}ST7789_InitSequenceType;
typedef struct {
uint16_t XSize;
uint16_t YSize;
uint16_t BytesPerLine;
uint16_t BitsPerPixel;
const uint8_t * pData;
} GUI_BITMAP;
void ST7789_Clear(uint16_t Color);
void ST7789_SendByte(uint8_t dat, ST7789_DCType DC);
void ST7789_SendHalfWord(uint16_t dat);
void ST7789_SendMultiByte(uint8_t* dat, uint16_t len);
void ST7789_Init(void);
void ST7789_DrawPixel(uint16_t x,uint16_t y,uint16_t color);
void ST7789_DrawHLine(uint16_t xs, uint16_t xe,uint16_t y,uint16_t color);
void ST7789_DrawVLine(uint16_t ys, uint16_t ye,uint16_t x,uint16_t color);
void ST7789_FillRect(uint16_t xs, uint16_t ys, uint16_t xe, uint16_t ye, uint16_t color);
void ST7789_DrawBitmap(uint16_t xs, uint16_t ys, uint16_t xsize, uint16_t ysize, uint8_t *p);
#endif