文章目录
- 一、INA226简介
- 二、引脚功能
- 三、寄存器介绍
-
- [1.配置寄存器 0x00](#1.配置寄存器 0x00)
- [2.分流电压寄存器 0x01](#2.分流电压寄存器 0x01)
- [3.总线电压寄存器 0x02](#3.总线电压寄存器 0x02)
- [4.功率寄存器 0x03](#4.功率寄存器 0x03)
- [5.电流寄存器 0x04](#5.电流寄存器 0x04)
- [6.基准寄存器 0x05](#6.基准寄存器 0x05)
- [四、IIC 时序说明](#四、IIC 时序说明)
- 五、程序
- 六、实验现象
一、INA226简介
INA226 是一款分流/功率监视器,具有 I2C或SMBUS 兼容接口。 该器件 监视分流压降和总线电源电压。 可编程校准值、转换时间和取平均值功能与内部乘法器相结合,可实现电流值(单位为安培)和功率值(单位为瓦)的直接读取。

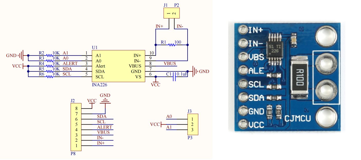
二、引脚功能
| IN+ | 电流输入 |
|---|---|
| IN- | 电流输出 |
| GND | 电源地 |
| VS | 电源正 |
| SCL | 时钟线 |
| SDA | 数据线 |
| A0 | IIC地址设置引脚 |
| A1 | IIC地址设置引脚 |
| Alert | 报警输出引脚 |
| VBUS | 总线电压输入引脚 |
INA226有两个地址引脚,A0和A1。下图描述了16个可能地址中的每一个的引脚逻辑。由原理图可知 INA226 模块 A0 A1 引脚被下拉至 GND ,故 IIC 地址则为 Write:1000 0000 0x80 Read:1000 0001 0x81

三、寄存器介绍

1.配置寄存器 0x00
配置寄存器设置控制设备的工作模式。该寄存器控制分流和总线电压测量以及所用的平均模式的转换时间设置。

| Bit | 字段 | 类型 | 默认值(二进制) | 描述 |
|---|---|---|---|---|
| 15 | RST | R/W | 0 | 设置成1 复位 |
| 14-12 | NC | R/W | 100 | 无功能 保留 |
| 11-9 | AVG | R/W | 000 | 采样平均次数 000 1次 001 4次 010 16次 011 64次 ... |
| 6-8 | VBUSCT | R/W | 100 | 总线采样时间 000 140µs 001 204µs 010 332 µs 011 588 µs 100 1.1ms 101 2.116ms 110 4.156ms 111 8.244ms |
| 3-5 | VSHCT | R/W | 100 | 分流采样时间 同上 |
| 0:2 | MODE | R/W | 111 | 操作模式 000 关闭 001 分流电压 触发 010 总线电压 触发 011 分流及总线电压 触发 100 关闭 101 分流电压 连续测量 110 总线电压 连续测量 111 分流及总线电压 连续测量 |
2.分流电压寄存器 0x01
用于存储当前的分流电压读数 Vshunt。负数采用二进制补码格式表示。生成一个负数的补码方法是:对其绝对值的二进制数取反,然后加 1。如果最高有效位(MSB)为 '1',则表示这是一个负数。最小分辨率(Vshunt _LSB)为 2.5uV。

注意分流电压最大81.92mV,而该模块的采样电阻是0.1R,故最大电流为 81.92mV / 0.1R = 819.2mA
分流电压计算:Vshunt = 寄存器值 * Vshunt _LSB(2.5uV)
3.总线电压寄存器 0x02
用于存储最近一次的总线电压读数 Vbus。如果启用了平均功能,则该寄存器显示的是平均后的数值。满量程范围为 40.96V(对应 7FFF);最小分辨率(Vbus_LSB)为 1.25 mV。

总线电压计算:Vbus = 寄存器值 * Vbus_LSB(1.25 mV )
4.功率寄存器 0x03
用于存储功率读数 Power ,如果启用了平均功能,该寄存器将显示平均值。功率寄存器的最低有效位(LSB)在内部被设定为等于 Current_LSB 所设定值的 25 倍 。功率寄存器通过将电流寄存器的十进制值与总线电压寄存器的十进制值相乘来记录以瓦特(Watts)为单位的功率。

功率计算: Power = 寄存器值 * Power_ LSB
由手册可知 Power_LSB(功率最小分辨率) = Current_LSB(电流最小分辨率) * 25
Current_LSB 手册给出了计算公式,如下

Current_LSB = 最大电流 / 2^15 = 819.2mA / 2^15 = 0.025mA
而手册内有一段提示:While this value yields the highest resolution, it is common to select a value for the Current_LSB to the nearest round number above this value to simplify the conversion of the Current Register (04h) and Power Register (03h) to amperes and watts respectively
译文:虽然这个值可以提供最高的分辨率,但通常会选择一个略高于该值的整数作为 Current_LSB,以简化将电流寄存器(04h)和功率寄存器(03h)转换为安培(Amperes)和瓦特(Watts)的过程
也就是可以自己根据公式计算出的结果,选择一个合适的 Current_LSB 值,便于计算,这里公式得出的 Current_LSB = 0.025mA,本文重新选择为 0.05mA,之所以选择 0.05 也为了便于后续 CAL (基准值) 的计算,详见寄存器 0x05 说明
故 Power_LSB = 0.05mA * 25 = 1.25mW
功率计算: Power = 寄存器值 * Power_ LSB(1.25mW)
5.电流寄存器 0x04
用于存储电流读数 Current,如果启用了平均功能,该寄存器将显示平均值。电流寄存器的值是通过将分流电压寄存器中的十进制值与校准寄存器中的十进制值相乘来计算的

电流值 = 寄存器值 * Current_LSB(0.05mA) (Current_LSB 的计算在上文功率寄存器小节已经给出)
6.基准寄存器 0x05
该寄存器为器件提供用于产生测量差分电压的分流电阻值。它还设置电流寄存器的分辨率。编程该寄存器可设置 Current_LSB 和 Power_LSB。该寄存器也适用于整体系统校准。
该寄存器主要是是设置系统基准的,将 基准值(CAL) 写入寄存器即可


Current_LSB= 0.05mA (上文功率寄存器小节已经给出) ,根据原理图可知 Rshunt = 0.1R
CAL = 0.00512 / (0.00005A * 0.1R) = 1024 = 0x0400
实测调试发现所测出电流偏大,采用手册校准公式

5V 测试条件下 MeasShuntCurrent = 490 mV INA226_Current = 520mV
Corrected_Full_Scale_Cal = 490 * 1024 / 520 = 964.9 约等于 965 = 0x03C5
修改程序重新写入基准值CAL =0x03C5,再次测量输出与仪器显示数据基本一致
其它寄存器是报警功能及ID,本文未使用则不做说明
四、IIC 时序说明
1.写时序

c
MyI2C_Start(); //I2C起始
MyI2C_SendByte(INA226_W); //发送从机地址,读写位为0,表示即将写入
MyI2C_ReceiveAck(); //接收应答
MyI2C_SendByte(Register); //发送寄存器地址
MyI2C_ReceiveAck(); //接收应答
MyI2C_SendByte(Data_H); //发送要写入寄存器的数据高位
MyI2C_ReceiveAck(); //接收应答
MyI2C_SendByte(Data_L); //发送要写入寄存器的数据低位
MyI2C_ReceiveAck(); //接收应答
MyI2C_Stop(); //I2C终止
2.读时序

该时序前还应加一个发送寄存器地址的时序:起始信号---IIC地址---ACK---寄存器地址---ACK
c
MyI2C_Start(); //I2C起始
MyI2C_SendByte(INA226_W); //发送从机地址
MyI2C_ReceiveAck(); //接收应答
MyI2C_SendByte(RegAddress); //发送寄存器地址
MyI2C_ReceiveAck(); //接收应答
MyI2C_Start(); //I2C重复起始
MyI2C_SendByte(INA226_R); //发送从机地址
MyI2C_ReceiveAck(); //接收应答
Data = MyI2C_ReceiveByte(); //接收指定寄存器的高位数据
MyI2C_SendAck(0); //发送应答
Data = (Data << 8)| MyI2C_ReceiveByte();//接收指定寄存器的低位数据
MyI2C_Stop(); //I2C终止
五、程序
INA226.C
c
#include "stm32f10x.h" // Device header
#include "MyI2C.h"
/*IIC 地址---------------------------------------------------------------------------------------------*/
#define INA226_W 0x80
#define INA226_R 0x81
/*寄存器地址--------------------------------------------------------------------------------------------*/
#define INA226_Configuration 0x00
#define INA226_Shuntvoltage 0x01
#define INA226_Busvoltage 0x02
#define INA226_Power 0x03
#define INA226_Current 0x04
#define INA226_Calibration 0x05
#define INA226_Mask 0x06
#define INA226_AlertLimit 0x07
#define INA226_ManufacturerID 0xFE
#define INA226_DieID 0xFF
/* INA226_curation Bit15-0 --------------------------------------------------------------------------*/
#define RST 0 // 0 设置成1复位 (Bit15)
#define Reservation 0x04 // 100 (Bit14-12 保留)
#define AVG 0x01 // 001 平均次数 4 (Bit11-9)
#define VBUSCT 0x04 // 100 总线电压转换时间 1.1ms (Bit116-8)
#define VSHCT 0x04 // 100 分流电压转换时间 1.1ms(Bit3-5)
#define MODE 0x07 // 111 运行模式 连续检测(默认)(Bit0--2)
#define Configuration_H (RST << 7)|(Reservation << 4)|(AVG << 1)|(VBUSCT >> 2)
#define Configuration_L ((VBUSCT & 0x03) << 6)|(VSHCT << 3)|(MODE)
/* INA226_Calibration ---------------------------------------------------------------------------------*/
//#define Calibration_H 0x04
//#define Calibration_L 0x00
//MAX_Current = Full-scale range / R·SHUNT = 81.92mV / 0.1R = 819.2mA
//Current_LSB = 819.2mA / 2^15 = 0.025mA
//选择接近值:0.05mA = 0.00005A 手册推荐1mA 但是便于CAL计算和实际调试则重新选择为 0.05mA
//(手册:While this value yields the highest resolution, it is common to select a value for the Current_LSB to the nearest round number above this value to simplify the conversion of the Current Register (04h) and Power Register (03h) to amperes and watts respectively.)
//(虽然该值产生最高分辨率,但通常为Current_LSB选择一个值,使其与高于该值的最接近的整数相匹配,以简化电流寄存器(04h)和功率寄存器(03h)分别转换为安培和瓦的过程。)
//CAL = 0.00512 / (Current_LSB * R·SHUNT) = 0.00512 / (0.00005A * 0.1R) = 1024 = 0x0400
//Power_LSB = Current_LSB * 25 = 0.05mA * 25 = 1.25mW
//(手册:The power LSB has a fixed ratio to the Current_LSB of 25)
//(power LSB与Current_LSB的固定比率为25)
#define Calibration_H 0x03
#define Calibration_L 0xC5
//实测发现电流偏大,采用手册校准公式 Corrected_Full_Scale_Cal = (Cal * MeasShuntCurrent) / INA226_Current
//5V 测试条件下 MeasShuntCurrent = 490 mV INA226_Current = 520mV Corrected_Full_Scale_Cal = 490 * 1024 / 520 = 964.9 = 965 = 0x03C5
void INA226_WriteReg(uint8_t Register, uint8_t Data_H, uint8_t Data_L)
{
MyI2C_Start(); //I2C起始
MyI2C_SendByte(INA226_W); //发送从机地址,读写位为0,表示即将写入
MyI2C_ReceiveAck(); //接收应答
MyI2C_SendByte(Register); //发送寄存器地址
MyI2C_ReceiveAck(); //接收应答
MyI2C_SendByte(Data_H); //发送要写入寄存器的数据高位
MyI2C_ReceiveAck(); //接收应答
MyI2C_SendByte(Data_L); //发送要写入寄存器的数据低位
MyI2C_ReceiveAck(); //接收应答
MyI2C_Stop(); //I2C终止
}
uint32_t INA226_ReadReg(uint8_t RegAddress)
{
uint32_t Data;
MyI2C_Start(); //I2C起始
MyI2C_SendByte(INA226_W); //发送从机地址
MyI2C_ReceiveAck(); //接收应答
MyI2C_SendByte(RegAddress); //发送寄存器地址
MyI2C_ReceiveAck(); //接收应答
MyI2C_Start(); //I2C重复起始
MyI2C_SendByte(INA226_R); //发送从机地址
MyI2C_ReceiveAck(); //接收应答
Data = MyI2C_ReceiveByte(); //接收指定寄存器的高位数据
MyI2C_SendAck(0); //发送应答
Data = (Data << 8)| MyI2C_ReceiveByte(); //接收指定寄存器的低位数据
MyI2C_Stop(); //I2C终止
return Data;
}
void INA226_Init(void)
{
INA226_WriteReg(INA226_Configuration,Configuration_H,Configuration_L); //4次平均 1.1ms转换时间 连续检测
INA226_WriteReg(INA226_Calibration,Calibration_H,Calibration_L); //基准值 0x0200
}
uint32_t INA226_GetShuntVoltage(void)//分流电压值 = 寄存器值 * LSB(2.5uA)
{
uint32_t ShuntVoltage;
ShuntVoltage = (uint32_t)((INA226_ReadReg(INA226_Shuntvoltage)) * 2.5 / 1000);
return ShuntVoltage;
}
uint32_t INA226_GetBusVoltage(void)//总线电压值 = 寄存器值 * LSB(1.25mV)
{
uint32_t BusVoltage;
BusVoltage = (uint32_t)((INA226_ReadReg(INA226_Busvoltage)) * 1.25);
return BusVoltage;
}
uint32_t INA226_GetCurrent(void)//电流值 = 寄存器值 * Current_LSB(0.05mA)
{
uint32_t Current;
Current = (uint32_t)((INA226_ReadReg(INA226_Current)) * 0.05);
return Current;
}
uint32_t INA226_GetPower(void)//功率 = 寄存器值 * Power_LSB(1.25mW)
{
uint32_t Power;
Power = (uint32_t)((INA226_ReadReg(INA226_Power)) * 1.25);
return Power;
}
main.c
c
#include "stm32f10x.h" // Device header
#include "Delay.h"
#include "OLED.h"
#include "INA226.h"
#include "MyI2C.h"
uint32_t ShuntVoltage=0, BusVoltage=0, Current=0, Power=0; //定义用于存放各个数据的变量
int main(void)
{
Delay_ms(2000);//上电延时
/*模块初始化*/
MyI2C_Init();
OLED_Init();
INA226_Init();
Delay_ms(1000);//初始化延时
while (1)
{
ShuntVoltage = INA226_GetShuntVoltage();Delay_ms(50);
BusVoltage = INA226_GetBusVoltage();Delay_ms(50);
Current = INA226_GetCurrent();Delay_ms(50);
Power = INA226_GetPower();
OLED_ShowString(1,1,"ShuntV:");OLED_ShowSignedNum(1, 9, ShuntVoltage, 6);//单位mV,由于OLED行限制,单位暂不显示
OLED_ShowString(2,1,"BusV:");OLED_ShowSignedNum(2, 9, BusVoltage, 6);//单位mV
OLED_ShowString(3,1,"Current:");OLED_ShowSignedNum(3, 9, Current, 6);//单位mA
OLED_ShowString(4,1,"Power:");OLED_ShowSignedNum(4, 9, Power, 6);//单位mW
Delay_ms(1000);
}
}
六、实验现象
1.线路图


2.输出数据
负载仪恒阻模式 10R
3V 测试

5V 测试

以上内容个人理解,如有不正欢迎指正,需要资料及工程可留言邮箱