1、stm32介绍
STM32是ST公司基于ARM Cortex-M内核开发的32位微控制器
STM32常应用在嵌入式领域,如智能车、无人机、机器人、无线通信、物联网、工业控制、娱乐电子产品等
STM32功能强大、性能优异、片上资源丰富、功耗低,是一款经典的嵌入式微控制器

目前stm32主要有四个系列,分别是高性能,主流,超低功耗,无线。
上图中CoreMark主要表示内核跑分,分值越高,性能越好。
2、RAM介绍
ARM既指ARM公司,也指ARM处理器内核。
ARM公司是全球领先的半导体知识产权(IP)提供商,全世界超过95%的智能手机和平板电脑都采用ARM架构。
ARM公司设计ARM内核,半导体厂商完善内核周边电路并生产芯片。

一个stm32芯片,包含cpu(即内核)、存储器、外设。其cpu部分就是arm公司设计的内核,存储器外设等就是st公司设计的外围电路。
ARM公司现在主推cortexA、cortexR、cortexM,其中M主要应用于嵌入式领域,R系列主要应用于实时交互领域,A系列主要应用于手机领域。
3、STM32F103C8T6
系列:主流系列STM32F1
内核:ARM Cortex-M3
主频:72MHz
RAM:20K(SRAM)
ROM:64K(Flash)
供电:2.0~3.6V(标准3.3V)
封装:LQFP48

3.1 片上外设

NVIC和SysTick是位于Cortex-m3内核里面的外设,剩下的都是内核外的外设。
3.2 stm32命名规则

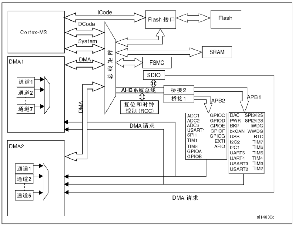
3.3 系统结构

内核中引出来3条总线,分别是ICode(指令总线),DCode(数据总线),System(系统总线).
其中ICode(指令总线),DCode(数据总线)主要是用来连接Flash闪存的,flash里面存储的就是编写好的程序,ICode指令总线就是用来加载程序指令的,DCode数据总线主要用来加载常量和调试数据等。
System系统总线主要用来连接SRAM和AHB系统总线。SRAM存储程序运行时的变量数据,AHB系统总线挂载片上外设。AHB是先进高性能总线,挂载性能比较高的外设,比如RCC和SDIO,其他片上外设是挂载在AHB桥接分出来的APB1和APB2上面的,AHB和APB2都是72M赫兹,APB1是36M赫兹。
3.4 引脚定义

芯片上电后引脚默认是主功能。
3.5 启动配置

主闪存存储器里面存储程序;
系统存储器里面存储bootloader程序;
3.6 部分电路示例
