目录
- 1.简介
- 2.存储器映射
- 3.DMA框图
- 4.DMA基本结构图
- 5.DMA请求
- 6.数据宽度与对齐
- 7.如何工作的
-
- [7.1 数据转运+DMA](#7.1 数据转运+DMA)
- [7.2 ADC扫描模式+DMA](#7.2 ADC扫描模式+DMA)
- 8.结构体和相关api
-
- [8.1 结构体](#8.1 结构体)
- [8.2 api](#8.2 api)
-
-
- [**1.** `void DMA_DeInit(DMA_Channel_TypeDef* DMAy_Channelx)`](#1.
void DMA_DeInit(DMA_Channel_TypeDef* DMAy_Channelx)) - [**2.** `void DMA_Init(DMA_Channel_TypeDef* DMAy_Channelx, DMA_InitTypeDef* DMA_InitStruct)`](#2.
void DMA_Init(DMA_Channel_TypeDef* DMAy_Channelx, DMA_InitTypeDef* DMA_InitStruct)) - [**3.** `void DMA_StructInit(DMA_InitTypeDef* DMA_InitStruct)`](#3.
void DMA_StructInit(DMA_InitTypeDef* DMA_InitStruct)) - [**4.** `void DMA_Cmd(DMA_Channel_TypeDef* DMAy_Channelx, FunctionalState NewState)`](#4.
void DMA_Cmd(DMA_Channel_TypeDef* DMAy_Channelx, FunctionalState NewState)) - [**5.** `void DMA_ITConfig(DMA_Channel_TypeDef* DMAy_Channelx, uint32_t DMA_IT, FunctionalState NewState)`](#5.
void DMA_ITConfig(DMA_Channel_TypeDef* DMAy_Channelx, uint32_t DMA_IT, FunctionalState NewState)) - [**6.** `void DMA_SetCurrDataCounter(DMA_Channel_TypeDef* DMAy_Channelx, uint16_t DataNumber)`](#6.
void DMA_SetCurrDataCounter(DMA_Channel_TypeDef* DMAy_Channelx, uint16_t DataNumber)) - [**7.** `uint16_t DMA_GetCurrDataCounter(DMA_Channel_TypeDef* DMAy_Channelx)`](#7.
uint16_t DMA_GetCurrDataCounter(DMA_Channel_TypeDef* DMAy_Channelx)) - [**8.** `FlagStatus DMA_GetFlagStatus(uint32_t DMAy_FLAG)`](#8.
FlagStatus DMA_GetFlagStatus(uint32_t DMAy_FLAG)) - [**9.** `void DMA_ClearFlag(uint32_t DMAy_FLAG)`](#9.
void DMA_ClearFlag(uint32_t DMAy_FLAG)) - [**10.** `ITStatus DMA_GetITStatus(uint32_t DMAy_IT)`](#10.
ITStatus DMA_GetITStatus(uint32_t DMAy_IT)) - [**11.** `void DMA_ClearITPendingBit(uint32_t DMAy_IT)`](#11.
void DMA_ClearITPendingBit(uint32_t DMAy_IT))
- [**1.** `void DMA_DeInit(DMA_Channel_TypeDef* DMAy_Channelx)`](#1.
-
- 9.实验
-
- [9.1 DMA转运](#9.1 DMA转运)
- [9.2 DMA+AD多通道](#9.2 DMA+AD多通道)

1.简介
DMA(Direct Memory Access)直接存储器存取
DMA可以提供外设和存储器或者存储器和存储器之间的高速数据传输,无须CPU干预,节省了CPU的资源
12个独立可配置的通道: DMA1(7个通道), DMA2(5个通道)
每个通道都支持软件触发和特定的硬件触发
STM32F103C8T6 DMA资源:DMA1(7个通道)
2.存储器映射
| 类型 | 起始地址 | 存储器 | 用途 |
|---|---|---|---|
| ROM | 0x0800 0000 | 程序存储器Flash | 存储C语言编译后的程序代码 |
| 0x1FFF F000 | 系统存储器 | 存储BootLoader,用于串口下载 | |
| 0x1FFF F800 | 选项字节 | 存储一些独立于程序代码的配置参数 | |
| ROM | 0x2000 0000 | 运行内存SRAM | 存储运行过程中的临时变量 |
| 0x4000 0000 | 外设寄存器 | 存储各个外设的配置参数 | |
| 0xE000 0000 | 内核外设寄存器 | 存储内核各个外设的配置参数 |
对应到数据手册的
的
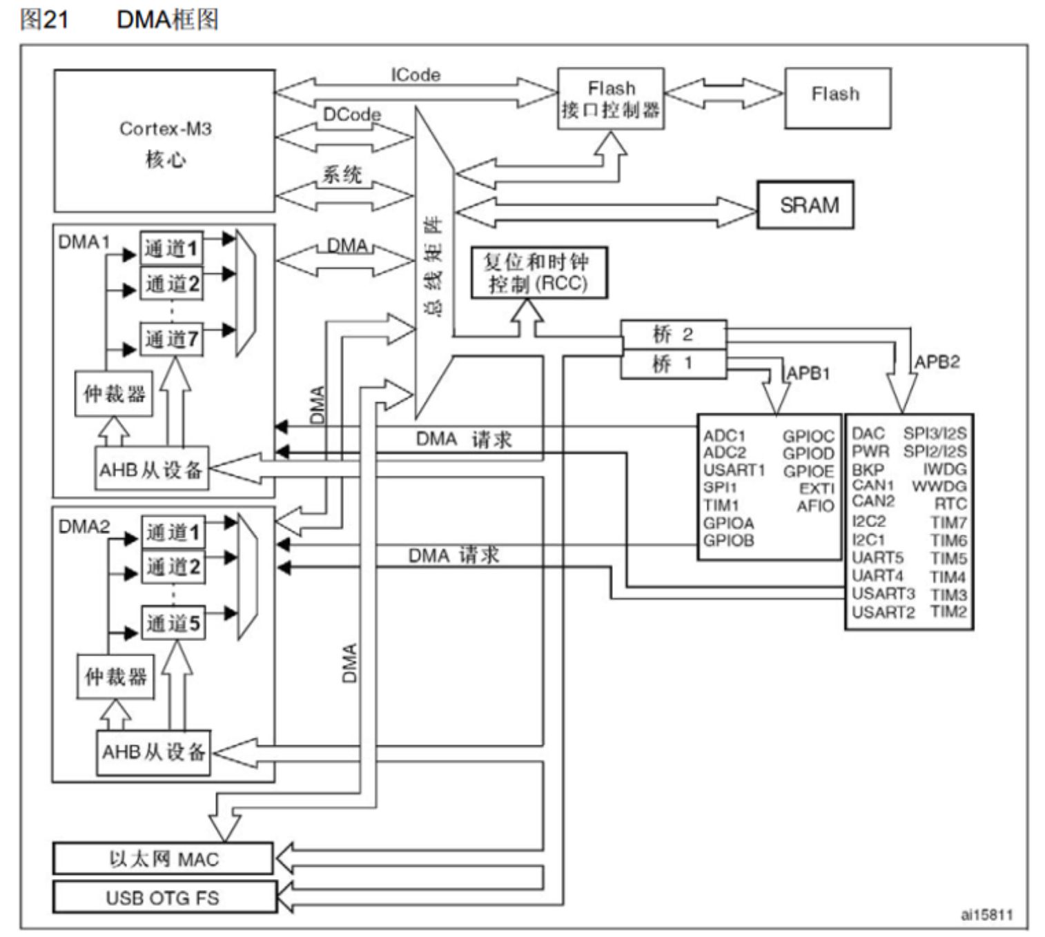
3.DMA框图

1. Cortex-M3 内核
-
核心组件:
-
- Cortex-M3 是 STM32 的中央处理单元,负责指令执行和数据处理。
- I-Code 和 D-Code:分别对应指令访问和数据访问的缓存接口,用于加速 Flash 和 SRAM 的访问。
- 内核通过系统总线(System Bus)与外部资源(如 Flash、SRAM)交互。
2. 总线矩阵
总线矩阵(Bus Matrix)是 STM32 的通信枢纽,用于连接内核、外设、DMA 和存储资源。
-
主要功能:协调系统中各模块之间的数据传输。
-
连接模块:
-
- Flash:程序存储器。
- SRAM:数据存储器。
- RCC(复位与时钟控制):为系统提供时钟源。
- AHB 从设备(如 DMA)。
- APB1/APB2:挂载外设(如 UART、ADC、TIM 等)的子总线。
3. DMA 控制器
DMA(Direct Memory Access)用于实现 外设与存储器 或 存储器之间 的数据直接传输,无需 CPU 干预,从而提高效率。
(1) DMA 控制器分类
图中显示了两个独立的 DMA 控制器:
- DMA1 :提供 7 个通道,负责大多数外设数据的传输。
- DMA2 :提供 5 个通道,支持额外的高带宽外设(如 SPI/I2S 和 USB OTG FS)。
(2) DMA 控制器内部结构
-
通道(Channel):
-
- 每个 DMA 控制器内部有多个通道,每个通道对应一个外设或传输任务。
- 通道可以根据需求配置为 外设到内存 、内存到外设 或 内存到内存 模式。
- 每个通道都有专用的优先级设置和数据长度寄存器。
-
仲裁器(Arbiter):
-
- 控制 DMA 通道之间的资源分配,确保高优先级通道能够优先完成数据传输。
- 仲裁器也可以分时分配总线,避免低优先级通道被完全堵塞。
(3) DMA 请求映射
DMA 控制器通过请求线与外设连接,用于启动传输。每个通道对应不同的外设请求源:
-
DMA1 请求:
-
- ADC1、ADC2(数据采集)。
- USART1(串口通信)。
- TIM1(定时器)。
- GPIO(外部引脚)。
- SPI1(串行外设接口)。
-
DMA2 请求:
-
- SPI2/I2S2 和 SPI3/I2S3(音频数据传输)。
- USB OTG FS(数据传输)。
- Ethernet MAC(以太网通信)。
(4) AHB 从设备
DMA 控制器通过 AHB(Advanced High-performance Bus) 从设备接口连接内存和外设。
- 内存:SRAM。
- 外设:如 ADC、SPI、USART 等。
4. 外设桥(APB1 和 APB2)
APB(Advanced Peripheral Bus)是挂载外设的低速总线,分为 APB1 和 APB2 两部分:
-
APB1(低速外设):
-
- 包括定时器 TIM2TIM7、USART2USART5、I2C1、I2C2 等外设。
-
APB2(高速外设):
-
- 包括 ADC1、ADC2、USART1、SPI1 等外设。
DMA 控制器可以从 APB1 或 APB2 请求数据传输。例如:
- TIM2 的 DMA 请求通过 APB1 传递到 DMA1。
- ADC1 的 DMA 请求通过 APB2 传递到 DMA1。
5. Flash 和 SRAM
-
Flash:
-
- 用于存储程序代码。
- 内核通过指令缓存(I-Code)访问 Flash。
-
SRAM:
-
- 用于存储运行时数据。
- DMA 可以直接访问 SRAM,实现外设与存储器之间的高效数据传输。
6. RCC(复位与时钟控制)
-
作用:控制系统时钟信号,为 DMA、外设、总线等模块提供工作时钟。
-
与 DMA 关系:
-
- DMA 控制器需要通过 RCC 配置时钟使能,才能正常工作。
4.DMA基本结构图

\1. 外设与存储器的配置
(1) 外设
-
配置参数:
-
- 起始地址:指外设的寄存器地址,用于确定 DMA 从哪个外设读取数据。
- 数据宽度:决定每次传输的数据大小,可以是 8 位、16 位或 32 位。
- 地址是否自增 :决定在传输过程中,外设寄存器地址是否会随着数据传输而递增。通常外设地址固定,因此地址自增一般设置为 关闭。
(2) 存储器
-
配置参数:
-
- 起始地址:指数据存储的起始地址,可以是 SRAM 或 Flash 的地址。
- 数据宽度:与外设匹配,决定每次传输的数据大小。
- 地址是否自增:决定存储器地址在传输过程中是否递增。大多数情况下,存储器地址会递增以存储连续的数据。
\2. 数据传输方向
DMA 的数据传输有三种模式:
-
外设到存储器:
-
- 例如:ADC 采样数据传输到 SRAM。
-
存储器到外设:
-
- 例如:UART 发送数据从 SRAM 传输到外设寄存器。
-
存储器到存储器(M2M):
-
- 例如:从一段 SRAM 复制数据到另一段 SRAM。
- 这种模式一般需要 DMA 支持特定的 M2M 功能。
方向的设置由 DMA 的控制寄存器决定,通常是用户根据传输需求手动配置。
\3. DMA 的触发方式
DMA 传输需要一个触发信号,触发方式有两种:
-
硬件触发:
-
- 由外设生成的 DMA 请求信号触发,例如 ADC 采样完成后发出请求,启动 DMA 传输。
-
软件触发:
-
- 通过编程手动触发 DMA 传输,用于内存到内存的复制等。
触发信号进入 DMA 后,DMA 控制器根据配置启动数据传输。
\4. DMA 的核心模块
(1) 外设寄存器
- 作用:连接 DMA 与外设的接口。DMA 从外设寄存器读取数据或将数据写入外设寄存器。
- 特点:通常是固定地址,不会递增。
(2) 传输计数器
-
作用:记录需要传输的数据量。
-
工作过程:
-
- 在每次完成一次数据传输后,传输计数器会减 1。
- 当计数器减到 0 时,DMA 传输结束,触发中断或其他后续操作。
-
配置方式:用户需要设置总的数据传输数量。
(3) 自动重装器
-
作用:支持循环模式。
-
- 在循环模式下,DMA 传输完成后,自动重装器会将初始配置重新加载到计数器,实现重复传输。
-
用途:常用于持续采样的场景,例如 ADC 连续采样的数据传输。
\5. 数据传输路径
DMA 的数据传输涉及以下几个路径:
- 外设到存储器:DMA 从外设寄存器读取数据,写入存储器(SRAM 或 Flash)。
- 存储器到外设:DMA 从存储器中读取数据,写入外设寄存器。
- 存储器到存储器:DMA 在内存之间直接传输数据,无需外设参与。
在传输过程中,数据宽度和地址的自增与否由配置决定:
-
如果地址自增:
-
- 存储器地址会递增,外设地址保持不变。
-
如果地址固定:
-
- 适用于外设地址(如 UART 或 ADC),只需操作同一个寄存器。
\6. 开关控制
-
DMA 传输的启停由用户手动控制或由硬件自动控制。
-
开关控制寄存器的主要作用:
-
- 启动或停止 DMA 通道。
- 配置完成后,启动信号(硬件或软件)将触发 DMA 工作。
- 在传输完成后,自动关闭 DMA 通道。
\7. 传输状态与中断
DMA 工作中可能会产生以下状态信号:
- 完成中断:当传输计数器为 0 时,触发完成中断,通知 CPU 数据传输已结束。
- 错误中断:当发生传输错误(如总线冲突)时,触发错误中断。
- 半传输中断:在双缓冲模式下,完成一半传输后触发,通知 CPU 可以处理已传输的数据。
中断的使用可以让 DMA 实现完全自动化的数据传输,CPU 只需响应完成中断即可处理数据。
\8. 工作流程总结
- 配置 DMA 通道:
-
- 设置源地址(外设或存储器)。
- 设置目标地址(存储器或外设)。
- 设置传输方向和数据宽度。
- 启动 DMA:
-
- 配置触发方式(硬件或软件)。
- 开启 DMA 通道。
- 数据传输:
-
- 传输计数器记录剩余数据量,传输完成后自动关闭 DMA 或触发中断。
- 后续处理:
-
- CPU 响应 DMA 完成中断,处理传输完成的数据。
5.DMA请求
STM32F103C8T6 DMA资源:DMA1(7个通道)
不同的通道开始请求转运的所对应的引脚有所不同,如果硬件请求,各个通道之间是不同的。如果是软件请求,则不受通道几的局限。

主要是对应基本结构图的这一部分:

6.数据宽度与对齐

当外设和存储器需要转运的数据的宽度决定了需要传输的操作,也就是如何去转运。大概就是如果大的数据转进小的,高位的数据就会舍去;如果小的数据转进大的,高位就会补0。

7.如何工作的
7.1 数据转运+DMA

目的就是将DataA的数据转运到DataB。

那么外设的起始地址就是填DataA的首地址,存储器的起始地址就是填DataB的首地址。
可以看出这里是存储器到存储器的转运,那么触发方式就是软件触发,是不需要硬件时机。
这种属于是复制转运,转运后DataA的数据并不会消失。
7.2 ADC扫描模式+DMA

左边是ADC转换,每一个通道转换完成后的数据会放进ADC_DR寄存器中,这时候就要通过DMA将其转运到存储器,防止下一个AD通道转后的编码数据将ADC_DR寄存器的上一个通道的数据给覆盖掉,因为对于常规的通道,是16个通道对应到一个寄存器的,只能临时存放一个通道的数据。
8.结构体和相关api
8.1 结构体
c
typedef struct
{
uint32_t DMA_PeripheralBaseAddr; /*!< Specifies the peripheral base address for DMAy Channelx. */
uint32_t DMA_MemoryBaseAddr; /*!< Specifies the memory base address for DMAy Channelx. */
uint32_t DMA_DIR; /*!< Specifies if the peripheral is the source or destination.
This parameter can be a value of @ref DMA_data_transfer_direction */
uint32_t DMA_BufferSize; /*!< Specifies the buffer size, in data unit, of the specified Channel.
The data unit is equal to the configuration set in DMA_PeripheralDataSize
or DMA_MemoryDataSize members depending in the transfer direction. */
uint32_t DMA_PeripheralInc; /*!< Specifies whether the Peripheral address register is incremented or not.
This parameter can be a value of @ref DMA_peripheral_incremented_mode */
uint32_t DMA_MemoryInc; /*!< Specifies whether the memory address register is incremented or not.
This parameter can be a value of @ref DMA_memory_incremented_mode */
uint32_t DMA_PeripheralDataSize; /*!< Specifies the Peripheral data width.
This parameter can be a value of @ref DMA_peripheral_data_size */
uint32_t DMA_MemoryDataSize; /*!< Specifies the Memory data width.
This parameter can be a value of @ref DMA_memory_data_size */
uint32_t DMA_Mode; /*!< Specifies the operation mode of the DMAy Channelx.
This parameter can be a value of @ref DMA_circular_normal_mode.
@note: The circular buffer mode cannot be used if the memory-to-memory
data transfer is configured on the selected Channel */
uint32_t DMA_Priority; /*!< Specifies the software priority for the DMAy Channelx.
This parameter can be a value of @ref DMA_priority_level */
uint32_t DMA_M2M; /*!< Specifies if the DMAy Channelx will be used in memory-to-memory transfer.
This parameter can be a value of @ref DMA_memory_to_memory */
}DMA_InitTypeDef;
\1. DMA_PeripheralBaseAddr
-
作用:设置外设的基地址,用于指定 DMA 数据传输的外设端地址。
-
典型值:
-
- 外设寄存器地址,例如
ADC1_BASE或USART1_BASE + DR_OFFSET。 - 如果是从外设到存储器(或相反),这个字段必须设置为外设的寄存器地址。
- 外设寄存器地址,例如
\2. DMA_MemoryBaseAddr
-
作用:设置存储器的基地址,用于指定 DMA 数据传输的存储器端地址。
-
典型值:
-
- 存储器的起始地址,例如 SRAM 中的某个变量地址或者数组地址。
- 示例:
(uint32_t)&buffer,buffer是存储数据的缓冲区。
\3. DMA_DIR
-
作用:指定数据传输方向,是从外设到存储器还是从存储器到外设。
-
可选值:
-
DMA_DIR_PeripheralDST:数据从存储器传输到外设。DMA_DIR_PeripheralSRC:数据从外设传输到存储器。
\4. DMA_BufferSize
-
作用:指定数据传输的大小,以数据单元(Data Unit)为单位。
-
说明:
-
- 数据单元大小由
DMA_PeripheralDataSize或DMA_MemoryDataSize确定。 - 配置方法:用户根据传输数据的数量(如数组长度)设置。
- 注意:不能超过硬件 DMA 通道的支持范围。
- 数据单元大小由
\5. DMA_PeripheralInc
-
作用:指定外设地址在每次数据传输后是否自动递增。
-
可选值:
-
DMA_PeripheralInc_Enable:外设地址递增。DMA_PeripheralInc_Disable:外设地址固定不变。
-
应用场景:
-
- 通常外设地址固定,因此多数情况下为
DMA_PeripheralInc_Disable。
- 通常外设地址固定,因此多数情况下为
\6. DMA_MemoryInc
-
作用:指定存储器地址在每次数据传输后是否自动递增。
-
可选值:
-
DMA_MemoryInc_Enable:存储器地址递增。DMA_MemoryInc_Disable:存储器地址固定不变。
-
应用场景:
-
- 如果传输到连续的存储空间(如数组),设置为
Enable。 - 如果传输到单个存储器地址,设置为
Disable。
- 如果传输到连续的存储空间(如数组),设置为
\7. DMA_PeripheralDataSize
-
作用:设置外设数据宽度。
-
可选值:
-
DMA_PeripheralDataSize_Byte:8 位。DMA_PeripheralDataSize_HalfWord:16 位。DMA_PeripheralDataSize_Word:32 位。
-
说明 :需根据外设的寄存器宽度进行设置。例如,USART 数据寄存器为 8 位时,应选择
Byte。
\8. DMA_MemoryDataSize
-
作用:设置存储器数据宽度。
-
可选值:
-
DMA_MemoryDataSize_Byte:8 位。DMA_MemoryDataSize_HalfWord:16 位。DMA_MemoryDataSize_Word:32 位。
-
说明 :与
DMA_PeripheralDataSize配合使用,确保数据传输正常。
\9. DMA_Mode
-
作用:设置 DMA 的操作模式(普通模式或循环模式)。
-
可选值:
-
DMA_Mode_Normal:普通模式,传输完成后停止。DMA_Mode_Circular:循环模式,传输完成后自动重新开始。
-
说明:
-
- 循环模式适用于连续数据采样场景(如 ADC 连续采样)。
- 普通模式适用于单次传输任务。
\10. DMA_Priority
-
作用:设置 DMA 通道的优先级。
-
可选值:
-
DMA_Priority_Low:低优先级。DMA_Priority_Medium:中优先级。DMA_Priority_High:高优先级。DMA_Priority_VeryHigh:非常高优先级。
-
说明:当多个 DMA 通道请求同时发生时,优先级高的通道会优先传输。
\11. DMA_M2M
-
作用:指定是否启用存储器到存储器(M2M)传输模式。
-
可选值:
-
DMA_M2M_Enable:启用 M2M 传输模式。DMA_M2M_Disable:禁用 M2M 传输模式。
-
说明:
-
- M2M 模式允许直接在内存之间传输数据,不需要外设参与。
以下是一个配置 DMA 用于 ADC 连续采样的示例:
c
DMA_InitTypeDef DMA_InitStructure;
DMA_InitStructure.DMA_PeripheralBaseAddr = (uint32_t)&ADC1->DR; // ADC 数据寄存器地址
DMA_InitStructure.DMA_MemoryBaseAddr = (uint32_t)ADC_Buffer; // 存储采样数据的缓冲区地址
DMA_InitStructure.DMA_DIR = DMA_DIR_PeripheralSRC; // 数据从外设到存储器
DMA_InitStructure.DMA_BufferSize = 100; // 传输 100 个数据单元
DMA_InitStructure.DMA_PeripheralInc = DMA_PeripheralInc_Disable;// 外设地址不递增
DMA_InitStructure.DMA_MemoryInc = DMA_MemoryInc_Enable; // 存储器地址递增
DMA_InitStructure.DMA_PeripheralDataSize = DMA_PeripheralDataSize_HalfWord; // 外设数据宽度为 16 位
DMA_InitStructure.DMA_MemoryDataSize = DMA_MemoryDataSize_HalfWord; // 存储器数据宽度为 16 位
DMA_InitStructure.DMA_Mode = DMA_Mode_Circular; // 循环模式
DMA_InitStructure.DMA_Priority = DMA_Priority_High; // 高优先级
DMA_InitStructure.DMA_M2M = DMA_M2M_Disable; // 禁用内存到内存模式
DMA_Init(DMA1_Channel1, &DMA_InitStructure); // 初始化 DMA 通道 1
DMA_Cmd(DMA1_Channel1, ENABLE); // 启用 DMA
8.2 api
1. void DMA_DeInit(DMA_Channel_TypeDef* DMAy_Channelx)
-
作用:
-
- 将指定的 DMA 通道配置恢复到默认值,类似于复位操作。
- 清除通道相关的所有配置和寄存器值。
-
参数:
-
DMAy_Channelx:指定需要重置的 DMA 通道,DMA1_Channel1~DMA1_Channel7,或DMA2_Channel1~DMA2_Channel5。
-
使用场景:
-
- 在重新配置某个 DMA 通道之前,建议调用此函数进行复位,避免遗留配置问题。
-
代码示例:
c
DMA_DeInit(DMA1_Channel1); // 重置 DMA1 通道 1
2. void DMA_Init(DMA_Channel_TypeDef* DMAy_Channelx, DMA_InitTypeDef* DMA_InitStruct)
-
作用:
-
- 使用
DMA_InitTypeDef结构体配置指定的 DMA 通道。
- 使用
-
参数:
-
DMAy_Channelx:指定 DMA 通道(同上)。DMA_InitStruct:指向包含 DMA 配置信息的初始化结构体。
-
使用场景:
-
- 需要为某个 DMA 通道设置传输方向、外设地址、存储器地址、数据宽度、模式等参数。
-
注意事项:
-
- 调用
DMA_DeInit复位通道后再初始化。 - 必须配置好
DMA_InitTypeDef中的所有参数。
- 调用
-
代码示例:
c
DMA_InitTypeDef DMA_InitStructure;
DMA_InitStructure.DMA_PeripheralBaseAddr = (uint32_t)&ADC1->DR; // 外设基地址
DMA_InitStructure.DMA_MemoryBaseAddr = (uint32_t)ADC_Buffer; // 存储器基地址
DMA_InitStructure.DMA_DIR = DMA_DIR_PeripheralSRC; // 数据方向
DMA_InitStructure.DMA_BufferSize = 100; // 数据大小
DMA_InitStructure.DMA_Mode = DMA_Mode_Circular; // 循环模式
DMA_Init(DMA1_Channel1, &DMA_InitStructure); // 初始化 DMA 通道
3. void DMA_StructInit(DMA_InitTypeDef* DMA_InitStruct)
-
作用:
-
- 将
DMA_InitTypeDef初始化为默认值。
- 将
-
参数:
-
DMA_InitStruct:指向DMA_InitTypeDef结构体的指针。
-
默认值:
-
- 数据方向:
DMA_DIR_PeripheralDST - 外设/存储器地址:
0 - 数据宽度:
Byte - 优先级:
Low - 模式:
Normal
- 数据方向:
-
使用场景:
-
- 准备使用
DMA_Init之前,调用此函数初始化结构体,再根据需求修改。
- 准备使用
-
代码示例:
c
DMA_InitTypeDef DMA_InitStructure;
DMA_StructInit(&DMA_InitStructure);
DMA_InitStructure.DMA_PeripheralBaseAddr = (uint32_t)&ADC1->DR; // 修改部分配置
4. void DMA_Cmd(DMA_Channel_TypeDef* DMAy_Channelx, FunctionalState NewState)
-
作用:
-
- 启用或禁用指定的 DMA 通道。
-
参数:
-
DMAy_Channelx:指定 DMA 通道。NewState:DMA 通道状态,ENABLE(启用)或DISABLE(禁用)。
-
使用场景:
-
- 在配置完成后,启用 DMA 通道以启动传输。
- 如果需要停止传输,可以禁用 DMA 通道。
-
代码示例:
c
DMA_Cmd(DMA1_Channel1, ENABLE); // 启用 DMA 通道 1
5. void DMA_ITConfig(DMA_Channel_TypeDef* DMAy_Channelx, uint32_t DMA_IT, FunctionalState NewState)
-
作用:
-
- 配置指定的 DMA 中断。
-
参数:
-
DMAy_Channelx:指定 DMA 通道。DMA_IT:要配置的中断源,可以是以下值:
-
-
DMA_IT_TC:传输完成中断。DMA_IT_HT:半传输完成中断。DMA_IT_TE:传输错误中断。
-
-
NewState:中断状态,ENABLE(启用)或DISABLE(禁用)。
-
使用场景:
-
- 在需要处理 DMA 中断时使用。
-
代码示例:
c
DMA_ITConfig(DMA1_Channel1, DMA_IT_TC, ENABLE); // 启用传输完成中断
6. void DMA_SetCurrDataCounter(DMA_Channel_TypeDef* DMAy_Channelx, uint16_t DataNumber)
-
作用:
-
- 设置当前要传输的数据单元数量。
-
参数:
-
DMAy_Channelx:指定 DMA 通道。DataNumber:传输的数据单元数量。
-
使用场景:
-
- 需要重新调整 DMA 的传输数据量时使用。
-
代码示例:
c
DMA_SetCurrDataCounter(DMA1_Channel1, 50); // 设置传输 50 个数据单元
7. uint16_t DMA_GetCurrDataCounter(DMA_Channel_TypeDef* DMAy_Channelx)
-
作用:
-
- 获取当前剩余的数据单元数量。
-
参数:
-
DMAy_Channelx:指定 DMA 通道。
-
返回值:
-
- 剩余数据单元数量。
-
使用场景:
-
- 在传输过程中监控剩余数据量。
-
代码示例:
c
uint16_t remaining = DMA_GetCurrDataCounter(DMA1_Channel1);
8. FlagStatus DMA_GetFlagStatus(uint32_t DMAy_FLAG)
-
作用:
-
- 检查指定的 DMA 标志状态。
-
参数:
-
DMAy_FLAG:要检查的标志位,可以是以下值:
-
-
DMA1_FLAG_TC1:通道 1 传输完成标志。DMA1_FLAG_HT1:通道 1 半传输标志。DMA1_FLAG_TE1:通道 1 传输错误标志。- (其他通道类似)
-
-
返回值:
-
SET或RESET。
-
代码示例:
c
if (DMA_GetFlagStatus(DMA1_FLAG_TC1) == SET) {
// 传输完成
}
9. void DMA_ClearFlag(uint32_t DMAy_FLAG)
-
作用:
-
- 清除指定的 DMA 标志位。
-
参数:
-
DMAy_FLAG:要清除的标志位。
-
代码示例:
c
DMA_ClearFlag(DMA1_FLAG_TC1); // 清除通道 1 的传输完成标志
10. ITStatus DMA_GetITStatus(uint32_t DMAy_IT)
-
作用:
-
- 检查指定的 DMA 中断状态。
-
参数:
-
DMAy_IT:要检查的中断标志,可以是以下值:
-
-
DMA1_IT_TC1:通道 1 传输完成中断。DMA1_IT_HT1:通道 1 半传输中断。DMA1_IT_TE1:通道 1 传输错误中断。
-
-
返回值:
-
SET或RESET。
-
代码示例:
c
if (DMA_GetITStatus(DMA1_IT_TC1) == SET) {
// 处理传输完成中断
}
11. void DMA_ClearITPendingBit(uint32_t DMAy_IT)
-
作用:
-
- 清除指定的 DMA 中断挂起位。
-
参数:
-
DMAy_IT:要清除的中断标志。
-
代码示例:
c
DMA_ClearITPendingBit(DMA1_IT_TC1); // 清除传输完成中断挂起位
这些函数为 DMA 的初始化、启动、状态检查和中断处理提供了全面的支持。在使用时,需按顺序完成以下步骤:
- 调用
DMA_DeInit清除通道配置。 - 调用
DMA_StructInit初始化结构体,并配置相关参数。 - 调用
DMA_Init配置 DMA 通道。 - 调用
DMA_Cmd启用 DMA。 - 在传输完成或中断触发时,使用状态检查和标志清除函数。
9.实验
9.1 DMA转运

User:
Hardware:
System:
9.2 DMA+AD多通道
