一、通信接口介绍
通信的目的:将一个设备的数据传送到另一个设备,扩展硬件系统。
当STM32想要实现一些功能,但是需要外挂一些其他模块才能实现,这就需要在两个设备之间连接上一根或多跟通信线,通过通信线路发送或者接收数据,完成数据交换,从而实现控制外挂模块和读取外挂模块数据的目的。

通信协议:制定通信的规则,通信双方按照协议规则进行数据收发。
单工:只允许数据单向传输;
双工:指通信双方能够进行双向通信;
半双工:发送数据和接收数据不能同时传输;
全双工:可以同时进行发送数据和接受数据,一般有两根通信线,一根发送数据,一根接收数据,发送线路和接收线路互不影响。
时钟特性分为同步和异步。
同步:一般有时钟线连接,接收设备可以在时钟信号的指引下进行采样;
异步:没有时钟线,需要通信双方约定一个采样频率,并且还需要加一些帧头帧尾等,进行采样位置的对齐。
电平信号
单端:引脚的高低电平都是对GND的电压差,单端信号通信的双方必须要共地,就是把GND连接在一起;
差分:靠两个差分引脚的电压差来传输信号,差分信号可以极大地提高抗干扰特性。
USB协议中有一些地方也需要用到单端信号,因此USB协议也需要共地。
设备特性
点对点:同一时间只能在两个设备之间进行通信;
多设备:可以在总线上挂载多个设备。
二、串口通信介绍
1、定义和功能
定义:串口是一种应用十分广泛的通讯接口,串口成本低,容易使用、通信线路简单,可实现两个设备的相互通信。
功能:单片机的串口可以使单片机与单片机、单片机与电脑、单片机与各式各样的模块相互通信,极大的扩展了单片机的应用范围,增强了单片机系统的硬件实力。
51单片机内部自带UART(通用异步收发器),可实现单片机的串口通信。
2、硬件电路
简单双向串口通信有两根通信线(发送端TXD和接收端RXD);
TXD与RXD要交叉连接;
当只需单向的数据传输时,可以直接一根通信线;
当电平标准不一致时,需要加电平转换芯片。

3、电平标准
电平标准是数据1和数据0的表达方式,是传输线缆中人为规定的电压与数据的对应关系,串口常用的电平标准有下面三种:
(1)TTL电平:+5V表示1,0V表示0;
(2)RS232电平:-3V ~ -15V表示1,+3V ~ +15V表示0;
(3)RS485电平:两线电压差+2V ~ +6V表示1,-2V ~ -6V表示0(差分信号)。
4、串口参数及时序图
波特率:串口通信的速率(发送和接收各数据位的间隔时间),单位;码元/s或波特(Baud),
比特率:每秒传输的比特数,单位bit/s或bps,在二进制调制的情况下,一个码元就是一个bit,此时波特率就等于比特率,单片机的串口通信,基本都是二进制调制。
二进制调制:高电平表示1,低电平表示0,一位就是1bit。
例如波特率为1000bps,即1s发送1000位数据,每一位的发送时间就是1ms,接收方也是每隔1ms接收一位。
空闲时:引脚默认为高电平;
起始位:标志一个数据帧的开始,固定为低电平;
数据位:数据帧的有效载荷,1为高电平,0为低电平,从低位到高位发送数据;
检验位:用于数据验证,根据数据位计算得来;
停止位:用于数据帧间隔,固定为高电平。
校验有三种方式,分别是无校验、奇校验和偶校验。
如果使用奇校验,则数据位8位+校验位会出现奇数个1,如传输数据是0000 1111,则校验位会补1。
如果使用偶校验,则数据位8位+校验位会出现偶数个1,如传输数据是0000 1111,则校验位会补0。


三、USART串口外设
通用同步/异步收发器,简称USART(Universal Synchronous/Asynchronous Receiver/Transmitter),在51单片机中还会叫UART,也就是通用异步收发器。STM32中这个同步功能用的很少,所以两者区别不大。
USART是STM32内部集成的硬件外设,可根据数据寄存器的一个字节数据自动生成数据帧时序,从TX引脚发送出去,也可自动接收RX引脚的数据帧时序,拼接为一个字节数据,存放在数据寄存器里。
USART自带波特率发生器,最高达4.5Mbits/s,它本质上就是一个分频器,通过APB2总线给的72MHz的频率,对其进行分频,得到想要的波特率时钟,最后在这个时钟下,进行收发数据。
波特率一般采用9600bits/s、115200bits/s。
STM32中的串口通信可配置数据位长度(8/9),数据位不需要校验位就是8位,加上校验位就是9位。可选校验位(无校验/奇校验/偶校验)。
停止位长度(0.5/1/1.5/2),决定了数据帧的间隔,一般都是采用1位。
支持同步模式、硬件流控制、DMA、智能卡、IrDA、LIN。
同步模式:相比正常的串口通信,多了一个时钟CLK的输出;
硬件流控制:如A设备TX向B设备的RX发送数据,A设备发送的数据太快,B处理过不来,B就只能选择抛弃新数据或者覆盖原数据;如果有硬件流控制,两者之间的硬件电路上还会多出一根线,如果B没有准备好,就置高电平,如果准备好了,就置低电平,A接收到了B反馈的准备信号,就只有在B准备好了以后,才会发送数据。硬件流控制就是为了防止B处理数据太慢导致数据丢失的问题。
DMA:串口通信支持DMA数据转运;
智能卡:跟学校饭卡或者公交卡有关;
IrDA:用于红外通信的,一个为红外发光管,一个为红外接收管,靠闪烁红外光通信;
LIN:局域网的通信协议。
STM32F103C8T6 USART资源: USART1、 USART2、 USART3。
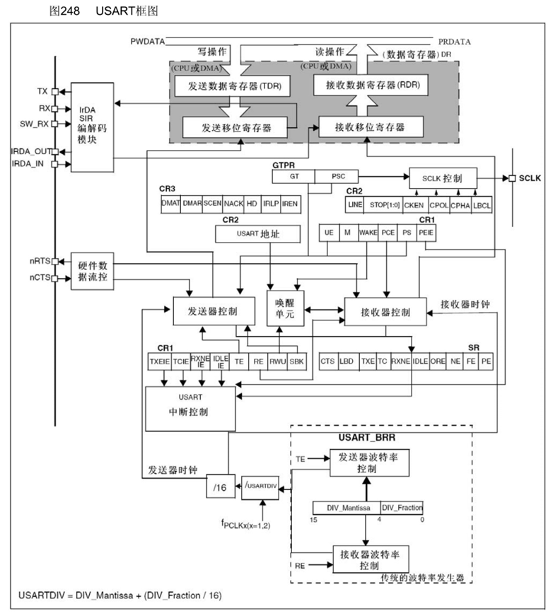
四、USART框图

发送数据:首先将要发送的数据,写入TDR发送数据寄存器,然后会检测发送移位寄存器中是否有数据正在移位,如果没有,就会将数据从TDR转入到移位寄存器中,这时会使标志位TXE置1,TDR为空,这时就可以写入下一个数据了,移位寄存器中的数据就会向右(低位先行)一位一位地把数据输出到TX引脚,发送完成后,新的数据就会自动的从TDR转移到移位寄存器中。
接收数据过程跟上面类似,其中标志位为RXNE,接收数据寄存器非空,标志位置1时,就可以将数据读走了。
TDR和RDR是在同一个数据寄存器DR中的。
五、USART基本结构

时钟来源是PCLK2/1,经过波特率分频后,产生的时钟通向发送控制器和接收器,它们两个用来控制移位;
写入数据通过两个寄存器移出,然后通过GPIO的复用输出,输出到TX引脚,产生串口协议规定的波形。
读取数据类似。
USART初始化步骤:
(1)RCC开启时钟,包括USART和GPIO的时钟;
(2)GPIO初始化,把TX配置成复用输出,RX配置成输入;
(3)配置USART;
(4)如果有接收数据,还需要配置中断,加上ITconfig和NVIC;
(5)开启USART。