本文围绕一套电机顺序启动控制电路展开,详解其组成与工作逻辑,实现电机 M1 先启动、延时后 M2 启动,且 M1 不转则 M2 无法启动的控制需求。
在生产中,通常会要求两台电动机顺序的启动,例如机床控制电路中按照先启动冷却液泵 电动机,再启动主轴电动机的顺序,以保证机械系统的冷却。
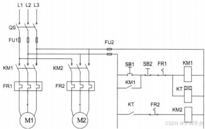
一、电路组成
电路由以下核心元器件构成:

- 电源开关(QS):接通 / 切断三相电源(L1、L2、L3 ),实现电路总隔离。
- 熔断器(FU1、FU2):短路保护,FU1 保护主电路,FU2 保护控制电路,电流过大时熔断,切断对应回路。
- 接触器(KM1、KM2):KM1 控制电机 M1 通断,KM2 控制电机 M2 通断,线圈得电则主触点闭合,电机接入电源。
- 电机(M1、M2):控制对象,M1 先启动,M2 延时启动,输出动力。
- 热继电器(FR1、FR2):过载保护,电机过载时,内部双金属片变形,触发常闭触点断开,切断控制电路,保护电机。
- 时间继电器(KT):实现延时功能,设定延时时间后,线圈得电经延时,其触点闭合,触发后续电路动作。
- 按钮(SB1、SB2):SB1 为启动按钮(常开),触发电路启动;SB2 为停止按钮(常闭),触发电路停止。
二、控制电路工作原理
(一)流程梳理 ------ 控制逻辑流程图

(二)启动流程(M1 先启,M2 延时启动)
- 总电源准备:合上电源开关 QS,三相电源接入主电路与控制电路,为启动做准备。
- M1 启动与自锁 :
按下启动按钮 SB1(常开闭合)→ 控制电路通路:FU2 电源 → SB2 常闭 → SB1 闭合 → KM1 线圈、KT 线圈 得电(回路:FU2 → SB2 → SB1 → KM1 → KT → 电源 )。- KM1 线圈得电 → 主电路中 KM1 主触点闭合,电机 M1 接入三相电源,开始运转;同时,KM1 辅助常开触点闭合(自保持回路),松开 SB1 后,控制电路仍通过 KM1 辅助触点保持通路,KM1 线圈持续得电,M1 持续运行。
- 时间继电器 KT 线圈得电 → 开始计时,进入延时等待阶段。
- M2 延时启动 :
当 KT 达到设定延时时间后 → KT 延时闭合触点闭合 → 控制电路中,KT 触点 → KM2 线圈 得电(回路:FU2 → SB2 → KM1 辅助触点 → KT 闭合触点 → KM2 → 电源 ,需注意 FR2 常闭此时默认通路 )。
KM2 线圈得电 → 主电路中 KM2 主触点闭合,电机 M2 接入三相电源,开始运转。
至此,实现 M1 先启动,经延时后 M2 启动 的顺序控制;且因 M2 启动依赖 KT 延时(而 KT 得电依赖 KM1 得电 ),若 M1 未启动(KM1 不得电 ),KT 无电,M2 无法启动,满足设计逻辑。
(三)停止流程
按下停止按钮 SB2(常闭断开)→ 控制电路断电 → KM1 线圈、KT 线圈 失电:
- KM1 线圈失电 → 主电路 KM1 主触点断开,M1 断电停转;KM1 辅助触点断开,解除自保持。
- KT 线圈失电 → KT 延时触点断开(若未到延时也会强制断开 ),KM2 线圈失电 → 主电路 KM2 主触点断开,M2 断电停转。
最终,电机 M1、M2 均停止工作。
(四)保护逻辑
- 短路保护:主电路短路时,FU1 熔断切断主电路;控制电路短路时,FU2 熔断切断控制电路,避免故障扩大。
- 过载保护:若 M1 过载,FR1 常闭触点断开 → KM1 线圈失电,M1 停转;若 M2 过载,FR2 常闭触点断开 → KM2 线圈失电,M2 停转。同时,因 KM1 失电会连锁导致 KT、KM2 失电,也间接保护系统整体运行。
三、适用场景
该电路通过时序控制与连锁保护,适配以下工业 / 设备场景:
- 工艺流程需顺序启动 :如 污水处理系统 (先启进水泵 M1,延时启搅拌机 M2,避免空转;或先启曝气风机 M1,再启推流泵 M2 )、皮带输送线(先启前端皮带 M1 送料,延时启后端皮带 M2 接料,防止物料堆积 )。
- 负载启动需分步加载 :如 机床液压系统 (先启液压泵 M1 建立压力,延时启主轴电机 M2,避免无压力空转损坏 )、空调机组(先启风机 M1 通风,延时启压缩机 M2,防止冷媒异常冲击 )。
- 小型自动化产线:简单设备的多电机协同,成本低、逻辑清晰,适合对控制精度要求不高,但需基础顺序启停的场景(如小型包装机:先启送膜电机 M1,再启走纸电机 M2 )。
四、总结
这套电路通过接触器、时间继电器的逻辑配合 ,精准实现电机顺序启动(M1 先启、M2 延时启 ),并依托熔断器、热继电器构建短路 + 过载保护,满足简单工业场景中多电机顺序控制需求。理解其原理,可延伸应用于风机、水泵等设备的时序启停控制,是电气控制入门的经典案例