一、什么是发烟曲线?
在汽车日益智能化的今天,汽车电线束是整车电气系统的关键。因为汽车电线束的连接,汽车上各种电子仪器才得以正常运转,并实现各自的功能,电线是传输电信号和电流的载体,导线选型涉及到车辆电器件的正常运行和安全。发烟曲线即汽车电线由于过载电流导致汽车电线温度过高造成绝缘材料破坏的失效模式确定现象为发烟情况下,极限过载电流和发烟开始时间的关系曲线。
二、JASO D609标准介绍
低压汽车导线按照标准不同主要分国标、日标、德标、 美标等4大系列。参照标准如下:
1)国标线缆参照标准:GB/T 8139。
2)日标线缆参照标准:JASO D608、D609、D611。
3)德标线缆参照标准:ISO 6722。
4)美标线缆参照标准:SAE J1128、 SAE J1678、 US-CAR-21。
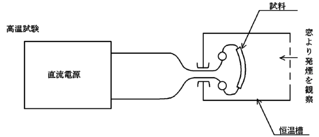
发烟曲线的概念来源于日本汽车行业标准JASO D609,此标准最早发布于1975年,最新版本是2017版本。标准描述了简单示意性的试验验证方案,见图1。

图1 发烟试验示意图
但JASO D611标准的《编制说明》也强调其内容只是对标准正文的解释说明,并不构成标准的一部分。
JASO D609标准从2012版开始,内容改动很大,主要更改包括:
把汽车电线的确定额定电流,和极限过载电流的理论依据和计算方法作为正文,并给出了相应的参数。
标准正文不再直接给出各种型号汽车电线的额定电流和极限过载电流的结果,只在附录中给出一个AVSS型电线的结果示例。
标准不再把发烟作为绝缘材料失效模式的唯一现象,增加了热变形作为一种失效模式的现象。这是因为经过多年的研究发现并不是所有材料都发烟,而热变形是无法用肉眼观察获得的。
标准直接给出了不同型号电线绝缘材料可耐受的长期工作温度和瞬间过载电流的最高温度。这些理论上可以通过通过不同温度的发烟和热变形测试而获得,但实际并非能简单获得可靠的数据。
三、发烟试验存在的问题和分析
经过实践证明,发烟试验可操作性不高,往往得不到准确可靠的结果。主要问题如下:
正如标准最新版本所述,所谓发烟主要集中在PVC材料,很多材料并不发烟或发烟不明显,如硅橡胶材料,低烟无卤材料等。
发烟不是瞬间发生的,它有一个逐渐的过程,没有一个明显的界定点,导致操作者无法清楚判定。
由于造成汽车电线的升温的热源是由导体产生的,所以绝缘的温度上升是由里到外的(见图2)。当观察到发烟时,往往接近导体的部位已经超过绝缘材料允许的过载温度。这种情况对于小截面薄壁电线不太明显,尚可以容忍,但对于大截面厚壁电线,特别是带护套带屏蔽的电缆,影响就比较大,会产生过于乐观误导的结果。

图2 电线温度分布示意图
四、总结
和JASO D609不同,德国团体(大众、奔驰、宝马、保时捷和奥迪)标准LV 112-3是把计算过载时间的极限过载温度设定为额定温度+50°C,这和ISO 19642国际标准, GB/T 25085国家标准,以及QC/T 1037的热过载试验温度是一致的,对于每一个产品都是可以有一个确定的试验数据支持的。
一旦极限过载温度确定了,为了确定过载时间,重要的是确定具体型号规格电线的时间常数,这个需要计算电线的热阻和热容,热阻和热容和材料固有特性、以及结构尺寸有关。JASO D611、LV 112-3都有相似的理论计算方法。相应参数也可以通过试验测试取得,或从文献中获得。
【来源:线束世界】