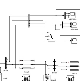
IEEE33节点配电网模型,附带有详细节点数据以及文献出处来源,MATLAB,simulink各个版本均可运行,可以进行潮流计算以及四种常见故障波形仿真,可以更换线路模型,分布参数模型用于故障仿真(50km线路阻抗数据已经计算完毕,帮助节约大量时间更换模型),集中参数模型用于潮流计算。 附带前推回代法潮流计算程序(带注释),另外还有故障诊断模型以及各种故障数据, 本人只提供模型和介绍用法

在电力系统研究领域,IEEE33 节点配电网模型就如同一个经典的宝藏,为众多研究者和工程师提供了宝贵的探索平台。今天就来跟大家好好唠唠我最近接触到的这个模型,它简直是个功能强大的神器。

这个 IEEE33 节点配电网模型,不仅附带详细的节点数据,连文献出处来源都清清楚楚,这对于学术研究和项目追溯来说,简直不要太友好。而且,无论你用的是 MATLAB 哪个版本,也不管是 Simulink 的哪个版本,它都能稳稳运行,兼容性一流。
潮流计算与故障波形仿真
它具备两大超实用功能:潮流计算以及四种常见故障波形仿真。先来说说潮流计算,它可是电力系统分析的基础。在这里,使用了集中参数模型来进行潮流计算,同时还贴心地附带了前推回代法潮流计算程序,代码部分如下:
matlab
% 前推回代法潮流计算程序
% 初始化参数
nbus = 33; % 节点数
% 假设这里已经有了节点导纳矩阵 Ybus(实际需根据节点数据计算得出)
V = ones(nbus,1); % 初始电压设为1 p.u.
S = [1 1; 2 2; 3 3; % 这里假设的负荷功率,实际需根据节点数据填写
...]; % 省略其他节点负荷功率数据
tol = 1e-6; % 收敛容差
maxiter = 100; % 最大迭代次数
iter = 0;
while iter < maxiter
% 前推计算
for i = 2:nbus
I = conj(S(i,:)./V(i));
for j = 1:i - 1
I = I - Ybus(i,j)*V(j);
end
V(i) = V(1) - sum(Ybus(i,1:i - 1)*V(1:i - 1))/Ybus(i,i);
end
% 回代计算
for i = nbus - 1:-1:1
I = conj(S(i,:)./V(i));
for j = i + 1:nbus
I = I - Ybus(i,j)*V(j);
end
V(i) = V(1) - sum(Ybus(i,i + 1:nbus)*V(i + 1:nbus))/Ybus(i,i);
end
% 检查收敛性
dV = norm(diag(Ybus)*(V - V_old));
if dV < tol
break;
end
V_old = V;
iter = iter + 1;
end
if iter == maxiter
disp('潮流计算未收敛');
else
disp('潮流计算收敛');
disp('各节点电压幅值:');
disp(abs(V));
end
这段代码首先初始化了节点数、电压初值、负荷功率、收敛容差以及最大迭代次数等参数。然后在循环中,通过前推和回代的过程逐步更新节点电压,每次迭代后检查电压的变化量是否小于收敛容差,以此判断是否收敛。如果在最大迭代次数内收敛,就输出各节点电压幅值,要是没收敛也会给出提示。

再说说故障波形仿真,采用分布参数模型进行故障仿真,这对于精准模拟故障情况至关重要。这里还贴心地准备好了 50km 线路阻抗数据,这意味着你要是想更换线路模型,那可节省了大量计算阻抗数据的时间。
故障诊断模型与故障数据
除了上述潮流和故障仿真功能,这个模型还带有故障诊断模型以及各种故障数据。故障诊断模型就像是系统的"医生",能够在故障发生时快速判断故障类型和位置,结合各种故障数据,为后续的故障分析和修复提供有力支持。

我呢,主要就是给大家介绍下这个模型以及它的用法。大家可以基于这个模型,在 MATLAB 和 Simulink 的环境中,自由探索电力系统潮流与故障的奥秘,无论是做学术研究,还是进行工程实践,相信这个 IEEE33 节点配电网模型都能成为你的得力助手。希望大家玩得开心,研究顺利!